таймер на PIC16F628A — MBS Electronics
Таймерами называют довольно широкий диапазон различных технических устройств а также внутренних узлов микроконтроллеров.
В данном случае таймер — это цифровое устройство, предназначенное для включения и отключения внешнего устройства по заданной программе. Это может быть, например, устройство автоматического полива растений или устройство автоматического кормления аквариумных рыбок.. Все зависит от вашей фантазии. К примеру, я когда-то долгое время использовал подобное устройство для периодического включения / выключения холодильника, у которого сломалось механическое термореле.
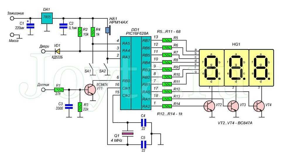
Таймер собран на очень распространенном и дешевом микроконтроллере от Microchip, 8-разрядный PIC16F628A. Пользователь может запрограммировать интервал между включениями внешнего устройства и продолжительность его работы. максимальное время паузы и включения составляет 99 часов 59 минут, то есть, фактически 100 часов.
Для управления таймером используются четыре кнопки, а для отображения информации применен стандартный ЖК индикатор на 2 строки из 16 символов, работающий на основе контроллера HD44780U от фирмы Hitachi.
Для управления внешним устройством использовано электромагнитное реле.
Дисплей работает в четырехбитном режиме и для его управления требуется 6 портов микроконтроллера. Для звуковой сигнализации включения и отключения нагрузки использован пьезокерамический звонок. Звуковой сигнал также подается и при включении питания таймера.
Блок питания таймера содержит стабилизатор напряжения +5V на микросхеме — регуляторе LM7805. Для питания таймера от сети 220 вольт можно использовать любой нестабилизированный сетевой адаптер, купленный на китайском рынке. Выходное напряжение адаптера может быть в переделах 9 — 14 вольт.
Если мы внимательно посмотрим на схему устройства, то заметим, что выводы индикатора с номерами 15 и 16 не используются. они подключаются только в индикаторах с фоновой подсветкой.
если вы хотите использовать индикатор с подсветкой, то подключите ее к +5B через резистор сопротивлением 39 Ом.
Кнопка Start/Stop. При нажатии на эту кнопку таймер запускается или останавливается. При первом нажатии начинается отсчет времени выключенного состояния. Потом таймер включает внешнее устройство и начинает отсчет времени во включенном состоянии.
Кнопка On/Off Time позволяет запрограммировать таймер, установив время выключенного и включенного состояний внешнего устройства.
Кнопка Select дает возможность переключаться между устанавливаемым параметром — часы — минуты — время включенного состояния — время выключенного состояния.
Кнопка Enter служит для подтверждения установленного значения.
Основные компоненты для сборки таймера можно недорого купить в Китае по следующим ссылкам:
Реле 5 В
Транзистор PN2222
Стабилизатор 7805
Lcd дисплей 16X2
Контроллер PIC16F628A
Прошивка для микроконтроллера написана в комприляторе MicroC Pro for PIC компании MikroElektronika.
Скачать архив с файлами прошивки
1602 Displaydigital circuitsMCUMicrochip PICmicrocontrollertimerцифровые схемы
Возможные проблемы
Рассмотрим возможные неисправности в работе электронной розетки-таймера.
Сбилась программа, заложенная в электронном таймере
Основная причина состоит в том, что таймер-розетки плохо совместимы с приборами, которые выдают индуктивную нагрузку (компрессор в аквариуме, дроссельные люминесцентные лампы, люминесцентные лампы со встроенным стартером). Таймер размыкает реле, а напряжение остается, выдавая искру, которая дает помехи на плату таймера. Так и происходит сбой программы. И подключенный прибор может не выключаться.
Решить такую проблему можно разными способами.
- Параллельно к приборам с индуктивной нагрузкой подключить желательно с такой же мощностью приборы с неиндуктивной нагрузкой (лампа накаливания, энергосберегающая люминесцентная лампа и современные бесстартерные лампы).
- Этот способ подойдет для продвинутых электронщиков. Создание искрогасящей цепочки, подключают её параллельно индуктивной нагрузке. Состоит эта цепочка из последовательного соединения резистора с сопротивлением 200 Ом мощностью 1-2 Вт, конденсатор емкостью 0,1 мкФ напряжением 400 В.
- Самый безопасный и удобный способ – использовать для индуктивных нагрузок механический таймер.
- Восстановить работу таймера можно, сбросив настройки и создав программу-режим заново.

Для механических таймеров
Нарушения в работе могут случиться, если подключить прибор свыше 3,5 кВт. Такие конструкции не всегда надежны, тем более что контакты внутри могут быть не очень толстые и при повышенной нагрузке могут с легкостью перегореть. Перед использованием рекомендуется протестировать устройство.

Часы с термометром на микроконтроллере
Простые часы с термометром на микроконтроллере AVR ATtiny2313 с выводом информации на семисегментный индикатор. Часы используют для отсчета времени микросхему DS1307 — часы реального времени и источником резервного питания в 3 В. Температура измеряется при помощи датчика температуры DS18B20.
Текущее значение времени и температуры происходит поочередно сначала время а потом температура с нтервалом в 4 секунды. Формат отображения времени ЧЧ.ММ (часы,минуты). Первый ноль не отображается. О ходе отсчета времени сигнализирует мигающая точка.
Точность отображения температуры составляет десятые доли градуса. Погрешность в интевале температуры от -10 до 85 градусов составляет порядка +/- 0.5. В другом диапазоне точность уже +/- 2 градуса.
Температура замеряется 1 раз в минуту. Измеренное значение отправляется в память контроллера в которой может хранится пять послених измеренных значения.
Измеренная температура округляется до целого значения.
На дисплее имеются специальные символы повашения температуры (стрелка вверх) и понижения температуры (стрелка вниз), которые показывают как изменилась температура повисилась она или понизилась.
Если нажать на кнопке «меньше» то на дисплее сразу отобразится время.
Если кнопку «больше» то отобразится температура последнего измеренного значения и начнется новый процесс измеерения температуры и новое значение отобразиться на дисплее в этом случае точность составит десятые доли и в таком формате будет отображатся в течении минуты. Если датчик температуры неисправен или отсутсвует подключение то будет оторажаться только время.
Схема часов с термометром на микроконтроллере
Представленные схемы отличаются только общим выводом индикатора анод и катод. Индикаторы работают в динамической индикации. Динамическая индикация раелизована программно. Каждый семисегментный индикатор включается с интервалом 100 раз за 1 секунду. остальное время выключен.
Прошивка для микроконтроллера
В архиве имеются файлы Proteus и сама прошивка написана на ассемблере. Прошивка может работать для двух вышеприведенных схем, для схемы с индикатором с общим катодом и схемы индикатора с общим анодом
При прошивке микроконтроллера важно выствыить fuse-биты: CKSEL3, CKSEL1, CKSEL0, SUT0, BODLEVEL1, BODLEVEL0
Скачать: прошивка микроконтроллера
Вход в режим усановки времени осуществляется нажатием и удерживанием кнопки «ввод». После того как пройдет 3 секунды начнется режим установки минут. Для того чтобы устаноыить новое значение времени нужно использовать кнопки «больше» и «менеше».
Если после этих всех операций в течении 10 секунд не будет нажата какия нибудь кнопка то часы перейдут в рабочее состояние и новое значение времени не будет сохраненно.
Для устройства необходимы две печатные платы из одностороннего стеклотекстолита который имеет размеры 50 на 100 мм, на одной плате устанавливаются индикатор с кнопками, а на другой сами часы. Равзодка платы в формате SpringLayout.
Индикатор или дисплей собран на двух семисегментных индикаторах FYD-8021BS-11, каждый имеет 2 разряда и имеют общий анод.
Исходник статьи: Часы-термометр
УСТРОЙСТВО СВЕТОВЫХ ЭФФЕКТОВ
Рейтинг: 5 / 5
- Подробности
- Категория: схемы на ATtiny
- Опубликовано: 08.04.2017 11:19
- Просмотров: 4095
В статье представлен вариант устройства световых эффектов на базе микроконтроллера AVR. Устройство позволяет реализовать 16 различных световых эффектов с заданием скорости переключения индикаторов в гирляндах. Устройства, создающие световые эффекты, пользуются неизменной популярностью на различных массовых мероприятиях. Применение в них микроконтроллеров позволяет значительно увеличить их функциональные возможности по сравнению с аналогичными устройствами, выполненными на цифровых логических микросхемах. Количество реализуемых разнообразных световых эффектов ограничивается лишь фантазией разработчика и памятью программ микроконтроллера. Причем, что число исполняемых функций, а так же параметры и количество световых эффектов устройства можно изменить, под каждый конкретный случай, изменив фактически только программное обеспечение, как правило, при минимальных доработках в аппаратной части. Это очень удобно, когда для изменения сценария световой иллюминации достаточно «на ходу» изменить только программное обеспечение. При желании это можно сделать даже во время мероприятия. Для этого нужно только перепрограммировать микроконтроллер или заменить его с новой зашитой программой.
Электротехника: Периодическое автоматическое включение/выключение приборов.
Рисунок 1 — Устройство периодической автоматической коммутации нагрузки
Разводить плату удобнее по схеме: 
Рисунок 2 — Устройство периодической автоматической коммутации нагрузки
Источником питания (для силовой части со стороны реле) может быть например сеть 220В но не обязательно можно и аккумулятор и много чего. Нагрузкой может быть прибор (вентилятор, лампа и др.) подробнее о нагрузке ниже. Реле включается и замыкает источник питания на нагрузку только тогда когда на выходе микросхемы будет низкий уровень напряжения, вытекающий ток из базы транзистора VT1 станет достаточным для того чтобы этот транзистор вошел в насыщение этот транзистор не перегорит так как у обмотки реле достаточное активное сопротивление для того чтобы ток через транзистор был меньше предельно допустимого для КТ209К: Если использовать схему выше то длительность работы прибора, подключенного через реле к питания, нельзя сделать больше времени когда прибор не работает. Если нужно чтобы прибор дольше работал то можно использовать схему: 
Рисунок 3 — Устройство периодической автоматической коммутации нагрузки
В этой схеме транзистор открывается тогда когда на выходе микросхемы присутствует высокий уровень напряжения, максимальный ток коллектора транзистора КТ315 меньше чем транзистора КТ209К но он всё равно не перегорит так как ток через обмотку реле К1 при напряжениях указанных на схеме не должен быть больше 100мА. Для того чтобы определить какой ток потечёт через обмотку реле можно замерить сопротивление этой обмотки и напряжение питания поделить на это сопротивление или можно соединить последовательно источник питания, обмотку реле, амперметр (или мультиметр в режиме миллиамперметра) и посмотреть ток, если он меньше 100мА то транзистор кт315 можно использовать если нет то тогда надо поставить транзистор с большим током. Также необходимо смотреть на то какой ток может коммутировать реле и на какое напряжение оно рассчитано, если подключить слишком мощный прибор или несколько параллельно то контакты реле могут не выдержать. Для того чтобы определить подходит ли прибор или нет можно поделить его мощность на напряжение питания (для сети 220) и посмотреть если получившееся число меньше тока реле (обычно 5…20 А) то это реле подходит если нет то надо реле с большим током. Это же и относится ко всем предыдущим схемам с реле. Пример работы с вентилятором (вентилятор без лопастей) на видео:
Рассчитать длительности можно в программе приведённой ниже. Для схемы на рисунке 3 длительность работы равна длительности импульса, для схемы на рисунках 1 и 2 длительность работы равна длительности паузы. Для схем на рисунках 1 и 2 сопротивлением R2 является сумма сопротивлений резисторов R2 и R3:
electe.blogspot.com
Достоинства и недостатки подобных устройств
Использование подобных устройств упрощает эксплуатацию различного электрического оборудования и бытовых приборов, поэтому к достоинствам розетки с таймером можно отнести такие показатели, как:
- появляется возможность автоматизации процесса включения и выключения нагрузки различного назначения ? особенного это касается электронных устройств;
- при правильно выполненных настройках можно добиться снижения потребления электрической энергии;
- режим работы подключённых элементов нагрузки потребитель настраивает самостоятельно в соответствии со своим графиком и ритмом жизни;
При расчётах за потреблённую электрическую энергию двухтарифного режима использования снижение расходов на оплату счетов, в случае применения розеток с таймером, может сократиться на 20-30 %.
- в моделях со встроенным аккумулятором настройки сохраняются даже при отключении централизованного электроснабжения, что позволяет продолжить работу подключённых устройств в прежнем цикле, после подачи напряжения в электрическую сеть;
- возможность создания имитации присутствия людей в пустой квартире (загородном доме) позволит обезопасить его от незаконного проникновения посторонних лиц;
- режим работы можно настроить на длительный срок эксплуатации.
Розетка с таймером механического типа У моделей, оснащённых электронных таймером, основным недостатком является то, что при отключении централизованного электроснабжения процесс работы таймера не останавливается, а работает «сам по себе». Это может быть нежелательно при подключении к подобным устройствам приборов отопления или включение бытовых приборов в заданном цикле использования (ночное время и т.д.).
Модель «TG-14A»
У приборов с механическим типом управления недостатков несколько больше, к ним относятся:
- неточность работы по отношению к часовому циклу;
- прибор во время работы «тикает», что может мешать, особенно в ночное время;
- режим программирования ограничен и составляет до 24 часов;
- износ механизма таймера приводит к ограниченным срокам использования подобных устройств.
TG 14A
Микроконтроллерный таймер с удобным управлением
Б. КЕЛЕХСАШВИЛИ, г. Волгодонск Ростовской обл. Сегодня радиолюбители делают таймеры, как правило, на основе микроконтроллеров. Это не удивительно, поскольку они позволяют создать устройство с минимальным числом элементов и реализовать в нём функции, ограниченные только фантазией разработчика программы.
Универсальный одноканальный циклический таймер.
Возможности устройства: — настраиваемая при прошивке длительность цикла таймера до 4млрд секунд (4х-байтная переменная). — два действия на цикл (включить и выключить нагрузку), задаваемые с помощью трех кнопок. — возможность включать/отключать нагрузку минуя таймер. — дискретность счета 1 секунда. — среднее потребление тока без нагрузки 11 микроампер (примерно 2 года работы от CR2032). — коррекция хода (грубая). — сброс от пониженного питания 2,1 вольта (BOD) отключен, т.к. жрет 120мкА.
Принцип работы: таймер повторяет записанные действия (вкл/откл) с определенным периодом (цикл), задаваемым пользователем в памяти EEPROM при прошивке контроллера. Пример задачи: необходимо включить нагрузку в 21:00 и отключить ее в 7:00 и так делать каждые три дня. Решение: прошиваем таймер с циклом «3 дня», запускаем. Первый раз подходим к таймеру в 21:00, зажимаем кнопку PROG и не отпуская ее нажимаем кнопку ON, светодиод засветится на 0,5 секунды и выход включится. Второй раз подходим к таймеру в 7:00, зажимаем кнопку PROG и не отпуская ее нажимаем кнопку OFF, светодиод засветится на 0,5 секунды и выход отключится. Все, таймер запрограммирован и будет выполнять эти действия каждые три дня в тоже самое время. Если нагрузку необходимо включить или отключить минуя таймер, необходимо нажать кнопки ON или OFF без кнопки PROG, программа не собьется и нагрузка в следующий раз включится/выключится в ранее установленное время.. Проверить работоспособность таймера можно нажав кнопку PROG, светодиод будет мигать раз в секунду.
Описание тестирования с разными конденсаторами в предыдущей статье.
Для более простой настройки устройства так же был написан калькулятор (генератор кода EEPROM). С помощью него можно создать HEX-файл для замены части кода в файле прошивки.
Прошивка, исходник, схема, калькулятор, v1.0 (описание в архиве, читать перед прошивкой в контроллер)
0 —>
Собрал данный таймер на НГ, гирлянду включать. (МК 12f675) Первый день он отработал нормально, второй день не включился, на кнопки вкл выкл реакции нет, при нажатии на прог. диод мигает. Воопсчем мучаюсь с ним самого НГ, закономерность какую нибудь хотел отловить но тчетно, Работает какое то время стабильно (день, два,) а потом какбудто зависает, реагирует только на прог., а на вкл и выкл нет реакции. Если сбросить питание, то начинает опять работать и реагировать на кнопки. Сейчас апрель, отпуск, собрал второй такой же таймер, вытравил печатку, взял совершенно другой мк, детали тоже другие, дабы избежать эффекта брака в партии., но собственно дефект проявляется сразу же: как только прикасаешься к контакту вкл рукой (провод висит в воздухе, без кнопок) то сразу же таймер включается и зависает, далее не реагирует на вкл и выкл, только на прог. Как это побороть?
UPD: 22 апр. Воопщем сам спросил, и сам увидел ответ: «Висящий» в воздухе вывод 4 МК, навел меня на мысль, зашунтировать его к минусу кондером 0,1 после этого ситуация исправилась. Второй день полет нормальный, оба таймера работают без сбоя. Почему я его назвал «висящий», если он подтянут резистором к плюсу питания?, да потому что как я уже описывал выше, прикосновение рукой к данному контакту вызывает хаотичное состояние на выводе 7 МК, он то вкл, то выкл, либо вообще зависает. Возможно нужно просто уменьшить сопротивление R1 47K, но это я еще не проверял.
0 —>
0 —>
на кнопку дало импульс в 1 секунду дворник начал свой цикл до стартовой и снова ждет импульса, например через 5 секунд и тд, просто бывает при штатных релле дворник виснет на начале из за контактов и мертвой зоне, если бы еще б регулятор цикличности то не заменимая вещь на авто
0 —>
Эммм. А куда какие кнопки-то цеплять? Он же постоянно цикл крутит и у него нет ни старта, ни остановки. Может мы не про тот таймер говорим?
0 —>
0 —>
Э. а как? Оно же генерирует импульсы постоянно. А при отключении питания уставки сбрасываются, сохраняется только длительность цикла.
-
Ремонт спойлера своими руками
-
Снежинка из ваты своими руками для детского сада
-
Клумба палитра своими руками для цветов на земле
-
Мокрый рез болгаркой как сделать
- Проекты для дачи своими руками проекты
Управление и настройка инкубатора
При первом нажатии кнопки меню регулятор переходит в режим установки температуры, о чём свидетельствует МИГАНИЕ ТОЧКИ кнопками плюс или минус устанавливаем температуру, которую нужно поддерживать в инкубаторе по умолчанию стоит 37,4 градуса.
При втором нажатии кнопки меню устанавливаем гистерезис разницу между включением и отключением. Можно установить в приделах от 0 до 0,9 градуса. По умолчанию стоит 0,1 (нагреватель отключается например при достижении температуры 37,4 включается при температуре 37,3) режим отличается буквой «Г» в четвёртом разряде.
Следующее нажатие кнопки меню переходим в режим установки коррекции показания датчика температуры DS18B20, пределы установки от -0,9 до 0,9 соответственно, если -0,1 вычитаем 0,1 градуса от считываемого с датчика значения. По умолчанию это значение 0,0.режим отличается маленькой буквой «с» в четвёртом разряде.
Четвёртое нажатие кнопки меню переходим в режим установки паузы между включения двигателя поворота лотков. Время устанавливается в минутах, максимальное значение 999 минут. Режим отличается буквой «Н» в четвёртом разряде.
Пятое нажатие кнопки меню переводит регулятор в режим установки времени работы двигателя, задается в секундах. Максимальное значение 999 секунд. Режим отображается большой буквой «С» в четвёртом разряде.
Шестое нажатие кнопки меню переводит регулятор в рабочий режим с сохранением всех изменений в энергосберегающую память контроллера. В общим сохраняются все настройки, которые вы сделали. И инкубатор готов к работе.

Особо тут рассказывать нечего.
Из плюсов данной схемы. Простота сборки. При достижении температуры на датчике 40 градусов питание схемы отключится, и инкубатор выключится полностью. Для включения инкубатора необходимо передёрнуть шнур питания
Из минусов. При обрыве либо любой другой неисправности датчика инкубатора нагреватель не отключится! Неудобное меню настройки параметров работы инкубатора.

Рисунок печатной платы. Индикатор ставится со стороны печатных проводников (индикатор управления инкубатором) Тут же на рисунке изображена и плата для измерителя влажности. (индикатор измерителя влажности ставится с лицевой стороны платы ) Схема инкубатора и схема измерителя влажности, были взяты из разных источников, поэтому это две разные независимые схемы, которые объединены в одну, только на печатной плате.

Управление влажностью инкубатора производится, большим или меньшим открытием вентиляционных отверстий в инкубаторе, либо большим, меньшим добавлением воды в латок с водой. Других способов управления влажностью в инкубаторе нет.
Настройка температуры, точность датчика температуры, и управление двигателем лотка переворота яиц. Всё это настраивается в соответствующем меню с помощью кнопок + —
Для тех, кто будет прошивать МК серии PIC для облегчения подключения программатора к МК, вот вам распиновка выводов МК серии PIC.

P.S. Если в рисунке схемы найдёте ошибки, ориентируйтесь по печатной плате, они 100% рабочие печатки (проверено неоднократным повторением схемы).
Автором схемы инкубатора и прошивки для него является: Оспанов Е.М.
Автором схемы измерителя влажности и прошивки для него является: Колтуник Ю.Ю.
Ссылка на страничку сайта автора измерителя влажности. http://www.kondratev-v.ru/izmereniya/elektronnyj-gigrometr-dlya-inkubatora.html#comment-2343
Что ещё сказать. По поводу целесообразности самостоятельной сборки, подобного инкубатора с нуля. Это спорный вопрос. Так как на том же Али экспресс , готовый терморегулятор W1209 , стоит как, одна МК PIC16F628A.
СтатьяСкачать
Видео о постройке инкубатора.
Управление часами
Часы управляются с помощью TL1-минута, час-TL2 и TL3-режим. Кнопки часы и минуты используются в режиме часов для назначения часов и минут. В других режимах они имеют различные функции. Кнопка режима переключает между различными режимами, которых в общей сложности 8:
Режим 1-й — Часы
В этом режиме на дисплее отображается текущее время в формате «ЧЧ.ММ.СС». Кнопка часов используется для установки часов. Кнопка минут для установки минут. При ее нажатии происходит сброс секунд.
Режим 2-й — Включение перехода на летнее время и установки года
Здесь Вы можете включать и выключать автоматический переход между летним и зимним временем и установить год. Данные следующего формата «AC ‘RR» (АС – автоматическое время, пробел, последние две цифры года).
Режим 3-й — Таймер обратного отсчета
Это режим позволяет организовать обратный отсчет от заданного значения до нуля. По истечении этого времени раздастся звуковой сигнал и светится светодиод LED1. Звуковой сигнал может быть остановлен нажатием кнопки Режим. Данные следующего формата «ЧЧ.ММ.СС». Максимально возможное значение составляет 99.59.59 (почти 100 часов).
Режим 4-й – Комбинированный вывод информации
В этом режиме, попеременно показывается:
- текущее время в формате «ЧЧ.ММ.СС»
- дата в формате «AA.DD.MM.»
Каждый формат отображается в течение 1 секунды. В этом режиме используются кнопки Часов и Минут, для регулировки яркости дисплея (Часы-, Минуты+). Яркость изменяется логарифмически в 6 этапов: 1/1, 1/2, 1/4, 1/8, 1/16 и 1/32-й. По умолчанию установлено 1/2
Режим 5-й — Установка дня недели и режим работы будильника
В этом режиме можно установить день недели — с понедельника по воскресенье (отображается как пн, вт, ср, чт, пт, сб, вс), включать будильник и выбирать его режим работы. Данные следующего формата «AA AL._» (день недели, пробел, AL., Настройка будильника).
Кнопка часов устанавливает день недели. Кнопка минут используется для включения/выключения звукового сигнала будильника и выбора режима его работы: «AL._» = будильник не активный, «AL.1″ = будильник сигналит 1 раз (затем автоматически переходит в положение»AL._»), «AL.5» = сигнал будильника только в будние дни (пн-пт, кроме сб-вс), «AL.7» = будильник звонит каждый день
Режим 7-й — Секундомер
Секундомер позволяет измерять время с точностью 0,1 сек. Максимальное время измерения составляет 9.59.59.9 (почти 10 часов). Данные следующего формата «H.MM.SS.X». Кнопка минут используется для запуска и остановки секундомера. Кнопка часов используется для сброса.
Режим 8-й — Будильник
Этот режим используется для отображения и установить время будильника (ALARM). Данные следующего формата «HH.MM.AL». Кнопка Минуты устанавливает минуту будильника, кнопку Часы устанавливает час будильника.
Ниже приведена схема аналогичных часов, имеющие индикатор с общим катодом

Скачать прошивку с общим анодом (37,7 KiB, скачано: 1 595)
Скачать прошивку с общим катодом (29,9 KiB, скачано: 980)
http://danyk.cz
Портативный паяльник TS80P
TS80P- это обновленная версия паяльника TS80 Smart, работающий от USB…
Подробнее
Назначения выводов К561ИЕ8 :

- Вывод 15 (Сброс) — счетчик сбрасывается в нулевое состояние при поступлении на данный вывод сигнала лог.1. Предположим, вы хотите, чтобы счетчик считал только до третьего разряда (вывод 4), для этого вы должны соединить вывод 4 с выводом 15 (Сброс). Таким образом, при достижении счета до третьего разряда, счетчик К561ИЕ8 автоматически начнет отсчет с начала.
- Вывод 14 (Счет) – вывод предназначен для подачи счетного тактового сигнала. Переключение выходов происходит по положительному фронту сигнала на выводе 14. Максимальная частота составляет 2 МГц.
- Вывод 13 (Стоп) – данный вывод, в соответствии от уровня сигнала на нем, позволяет останавливать или запускать работу счетчика. Если необходимо остановить работу счетчика, то для этого необходимо на данный вывод подать лог.1. При этом даже если на вывод 14 (Счет) по-прежнему будет поступать тактовый сигнал, то на выходе счетчика переключений не будет. Для разрешения счета вывод 13 необходимо соединить с минусовым проводом питания.
- Вывод 12 (Перенос) – данный вывод (вывод переноса) используются при создании многокаскадного счетчика из нескольких К561ИЕ8. При этом вывод 12 первого счетчика соединяют с тактовым входом 14 второго счетчика. Положительный фронт на выходе переноса (12) появляется через каждые 10 тактовых периодов на входе (14).
- Выводы 1-7 и 9-11 (Q0…Q9) — выходы счетчика. В исходном состоянии на всех выходах находится лог.0, кроме выхода Q0 (на нем лог.1). На каждом выходе счетчика высокий уровень появляется только на период тактового сигнала с соответствующим номером.
- Вывод 16 (Питание) – соединяется с плюсом источника питания.
- Вывод 8 (Земля) – данный вывод соединяется с минусом источника питания.





























