Дополнительные датчики
Как уже было сказано выше, управление освещением с помощью контакторов и пускателей часто используется в паре со средствами автоматики, такими как датчик освещенности и датчик движения. Обычно такие устройства содержат в себе небольшое реле или симистор, но максимальная мощность подключаемой активной нагрузки, как правило, ограничена 1-2 кВт. А о нагрузке с электромагнитными пускорегулирующими аппаратами и речи не стоит вести. Контакты таких реле не предназначены для их питания. К такой нагрузке можно отнести мощные лампы типа ДНаТ, ДРЛ, МГЛ и прочие, которые активно используются в уличных фонарях и прожекторах.
Для этого схема включения освещения контактором или пускателем с помощью датчиков отличается от схемы с кнопочным постом лишь тем, что вместо кнопочного поста мы соединяем катушку коммутационного аппарата с контактом выходного сигнала датчика. Ниже вы видите схему подключения датчика движения и фотореле к контактору на примере однофазной сети:


Схемы можно совместить, организовав принудительное включение освещения, для этого параллельно сигналу с датчика устанавливаем тумблер, который будет подавать фазу на катушку.


Виды электромагнитных пускателей
Для исключения ошибок нужно уточнить названия изделий этой группы. По действующим стандартам пускатель – это полнофункциональное устройство с кнопками управления в корпусе с защитой от пыли и влаги. Допустимо наличие в комплекте:
- теплового реле;
- световой индикации;
- приставки с дополнительными контактными группами.
Контактор по определению в стандартах состоит из привода и контактной группы. Для управления таким изделием применяют внешний кнопочный пост. В некоторых моделях защитный корпус отсутствует, так как подразумевается эксплуатация в помещениях. Удаленное подключение контактора можно автоматизировать. Дополнительными внешними компонентами обеспечивают сигнализацию рабочих режимов и аварийных ситуаций.
Схема управления
На рисунке показано, как подключить контактор к выносному пульту. Этот способ применяют для управления удаленными стационарными силовыми агрегатами, движущимися механизмами (приводами мостовых кранов). Пускатели для трехфазных электродвигателей разделены на группы для быстрого определения подходящего комплекта оборудования.
Выбор рабочих параметров
| Группа | Допустимая мощность электродвигателя (380V), кВт | Номинальный ток в зависимости от исполнения, А | |
|---|---|---|---|
| открытое | закрытое | ||
| 1,5 | 3 | 3 | |
| 1 | 4 | 10 | 9 |
| 2 | 10 | 25 | 23 |
| 3 | 17 | 40 | 36 |
| 4 | 30 | 63 | 60 |
| 5 | 55 | 110 | 106 |
| 6 | 75 | 150 | 140 |
Реверсивный пускатель
На картинке приведен пример модели с двумя кнопками «Пуск» (обозначены стрелками). Такие устройства используют для управления направлением вращения ротора двигателя. При необходимости одним нажатием активизируется нормальный режим или реверс.
Электропускатели с термореле
Эти устройства предотвращают повреждение подключаемого оборудования при нарушении теплового режима. В типовой конструкции применяют комбинированную пластину из двух разных металлов. Прохождение через этот элемент слишком сильного тока увеличивает температуру. Так как материалы отличаются коэффициентами линейного расширения, происходит запланированная деформация. На определенном уровне разрывается цепь управления (катушки) магнитного пускателя. В некоторых моделях термореле предусмотрена возможность регулировки (±25% от номинала). Время срабатывания составляет от 3 до 25 с.
Реверсивная схема коммутации магнитных пускателей
Схема подключения реверсивного магнитного пускателя применяется тогда, когда требуется обеспечение вращение электродвигателя в обоих направлениях. К примеру, реверсивный пускатель устанавливается на лифт, грузоподъемный кран, сверлильный станок и прочие приборы требующие прямой и обратный ход.
Реверсивный пускатель состоит из двух обыкновенных пускателей собранных по специальной схеме. Выглядит он так:
Схема подключения реверсивного магнитного пускателя отличается от других схем тем, что имеет два совершенно одинаковых пускателя, которые работают попеременно. При подключении первого пускателя двигатель вращается в одну сторону, при подключении второго пускателя, двигатель вращается в противоположную сторону. Если вы внимательно посмотрите на схему, то заметите, что при переменном подключении пускателей, две фазы меняются местами. Это и заставляет трехфазный двигатель вращаться в разные стороны.
К имеющемуся в предыдущих схемах пускателю добавлены второй пускатель «КМ2» и дополнительные цепи управления вторым пускателем. Цепи управления состоят из кнопки «SB3», магнитного пускателя «КМ2», а также изменённой силовой частью подачи питания к электродвигателю. Кнопки при подключении реверсивного магнитного пускателя имеют названия «Вправо» «Влево», но могут иметь и другие названия, такие, как «Вверх», «Вниз». Чтобы защитить силовые цепи от короткого замыкания, до катушек добавлены два нормально замкнутых контакта «КМ1.2» и «КМ2.2», что взяты от дополнительных контактов на магнитных пускателях КМ1 и КМ2. Они не дают возможности включиться обоим пускателям одновременно. На выше приведенной схеме цепи управления и силовые цепи одного пускателя имеют один цвет, а другого пускателя — другой цвет, что облегчает понимание, как работает схема. Когда включается автоматический выключатель «QF1», фазы «A», «B», «C» идут к верхним силовым контактам пускателей «КМ1» и «КМ2», после чего ожидают там включения. Фаза «А» питает управляющие цепи от защитного автомата, проходит через «SF1» — контакты тепловой защиты и кнопку «Стоп» «SB1», переходит на контакты кнопок «SB2» и «SB3» и остается в ожидании нажатия на одну из этих кнопок. После нажатия пусковой кнопки ток движется через вспомогательный пусковой контакт «КМ1.2» или «КМ2.2» на катушку пускателей «КМ1» или «КМ2». После этого один из реверсивных пускателей сработает. Двигатель начинает вращаться. Что бы запустить двигатель в обратную сторону, надо нажать кнопку стоп (пускатель разомкнет силовые контакты), двигатель обесточится, дождаться остановки двигателя и после этого нажать другую пусковую кнопку. На схеме показано, что подключен пускатель «КМ2». При этом его дополнительные контакты «КМ2.2» разомкнули цепь питания катушки «КМ1», что не даст случайного подключения пускателя «КМ1».
Коммутационная аппаратура помогает обеспечивать удобство и безопасность эксплуатации практически всего электрооборудования, как в бытовой, так и в промышленной сети. Кнопки пуска и обычные клавишные модели выключателей позволяют обеспечивать подачу электроэнергии к нужному потребителю. Однако силовое электрооборудование существенно отличается от линейных потребителей, из-за скачка пускового тока и сам прибор, и коммутатор подвергаются существенному воздействию токовой нагрузки. Поэтому для электрических машин, крупных промышленных предприятий и специального оборудования применяется электромагнитный пускатель.
Разновидности
Пускатели изготавливаются в разных конструктивных исполнениях. Это расширяет возможности применения одного и того же функционального набора в различных конкретных производственных и климатических условиях.
Модели открытого и защищённого исполнения
В зависимости от условий, в которых предстоит работать технологическому оборудованию, проектант выбирает то или иное исполнение из ряда возможных. Производственная среда может быть слишком запылённая, иметь повышенную температуру воздуха или влажность, а в месте размещения возможны сильные вибрации. Конечно, приборы создаются с учётом возможности попадания в такие условия. А проектант должен чётко представлять себе, в какие условия он собирается устанавливать прибор, выбрать соответствующее этим условиям исполнение и организовать всю возможную защиту от отрицательного воздействия среды.
Технические средства производятся открытого типа, с защищёнными элементами, во влагонепроницаемых корпусах. Средства открытого типа монтируются на панелях, могут не иметь корпусов, устанавливаются в шкафах и на электротехнических щитах. Но в помещениях не должно быть пыли, особенно электропроводящей, а также избыточной влажности. Характеристики самих приборов должны быть следующими: номинальный ток – от 9 Ампер, напряжение – до 380 Вольт, количество контактов — 1 или 3, степень защиты прибора – IP20, коммутационная износостойкость – от 2К, средние размеры – 40 х 80 мм.
Модели пылебрызгонепроницаемого исполнения
Электротехническое оборудование по своей природе требует защиты от влаги, от попадания в схему внешних предметов, от возможности прикоснуться к элементам схемы
Оно несёт в себе опасность поражения электротоком при случайном неосторожном прикосновении
Классифицируется такое оборудование по степени препятствования случайному проникновению внутрь прибора – это степень защиты IP от внешних воздействий. Кроме того, имеется ранжировка климатического исполнения электрооборудования и класс защиты от поражения электрическим током.
Преимущества реализации такой схемы подключения
- Коммутатор и манипулятор управления (кнопка) могут быть разнесены. То есть, управляющий элемент располагается в непосредственной близости от оператора, а массивный коммутатор можно разместить в любом удобном месте.
- Возможно управление с помощью ножного привода (руки остаются свободными). Это позволяет лучше контролировать электроустановку и удерживать обрабатываемую деталь.
- Схема подключения выносного пускателя позволяет разместить устройства безопасности. Например, защиту от короткого замыкания или тепловые реле, срабатывающие при температурных перегрузках. Кроме того, такая схема позволяет реализовать механическую защиту: при перемещении подвижных частей электроустановки до критической отметки, срабатывает концевой выключатель, и магнитный пускатель размыкается.
- Дистанционное расположение управляющих элементов позволяет расположить аварийную кнопку в удобном месте, что повышает безопасность эксплуатации.
- Есть возможность установить единый кнопочный пост для управления большим количеством магнитных пускателей при расположении электроустановок в разных местах и на большом удалении. Схема подключения через такой пост предполагает использование слаботочной управляющей проводки, что экономит средства на приобретение дорогостоящих силовых кабелей.
- Для управления одним пускателем можно установить несколько кнопочных постов. В таком случае управление электроустановкой с каждого поста будет равнозначным. То есть, можно запустить электродвигатель с одной точки, а выключить с другой. Схема подключения нескольких кнопочных постов на иллюстрации:
- Магнитные контакторы можно интегрировать в электронную систему управления. В этом случае команды на пуск и отключение электроустановок подаются автоматически, по заданному алгоритму. Организовать такую систему с помощью механических (ручных) включателей невозможно.
Фактически, такая коммутация представляет собой релейную схему.
Варианты подключения
Для сети 220 вольт доступны следующие схемы подключения пускателя, в том числе через кнопки «Пуск» и «Стоп»:
С катушкой на 220 В.
Самый простой вариант, не требующий дополнительного оборудования. Суть реализации схемы состоит в следующем:
- Э/м-катушка в устройстве подключается к сети 220 В через вводы, обозначаемые на корпусе А1 и А2.
- Питание подается проводами, соединёнными с вилкой, включаемой в розетку. При этом последовательность распределения фазы и нуля может быть любой.
- Ток подается в клеммы L1, L2, L3 и выводится на потребителя из T1, T2, T3.

Подключение мотора через пускатель с кнопкамиИсточник ytimg.com
Данный вариант чаще используется для электрооборудования с постоянной работой, например, систем освещения или обогрева. Поэтому перед катушкой нередко устанавливается датчик освещения или терморегулятор.
С кнопками.
Версия с кнопками используется для работы с электромотором. Выше представленная схема для данного случая не удобна – так как потребуется постоянно втыкать/выдергивать вилку из розетки.
Реализуется она следующим образом:
- Кнопки «Пуск» и «Стоп» внедряются друг за другом в цепь на фазный провод на вывод э/м-катушки.
- Однако пускатель будет пребывать в рабочем положении только при нажатом «Пуске» – поэтому в схему реле добавляется дополнительная цепочка самоподхвата.
- Осуществляется это шунтированием контактов кнопки «Пуск» и параллельным соединением их с контактами на корпусе устройства, обозначаемыми NO 13 и NO 14.
Таким образом, фаза на э/м-катушку подается через замкнутый контакт кнопки «Стоп» и параллельной «Пуску» цепи самоподхвата. Так как в момент нажатия пуска контакты пускателя зажимаются и начинают проводить ток. Размыкание электроцепи произойдет при нажатии «Стоп» или отключении от терморегулирующего реле.

Схема подсоединения электромотора к сети 380 В через пускатель с кнопочной группой и терморегулирующим релеИсточник pue8.ru
Для того чтобы подключить мотор на 380 В, в простейшем случае (то есть без реверса) применяется аналогичная схема – с пускателем, кнопками «Пуск» и «Стоп». При этом есть несколько отличий:
- К вводным контактам L1, L2, L3 на устройство подаются 3 фазы и из выводов T1, T2, T3 к потребителю идут 3 фазы.
- На один из вводов э/м-катушки подается одна из фаз.
- Дополнительно в схему непосредственно перед мотором внедряется терморегулирующее реле для предупреждения перегрева.
Видео описание
Видео-пример сборки схемы для 3-х-фазного мотора через пускатель с кнопками и тепловым реле:
Коротко о главном
Магнитный пускатель играет роль включателя электрооборудования. При этом он не только улучшает управление, но и защищает от перебоев и аварийных случаев. Состоит устройство из э/м-катушки и магнитопровода. Действует по принципу сжатия/разжимания пружинных контактов под действием э/м-поля при подаче/отключении тока.
Э/м-пускатели питаются от 220 В, и по назначению, месту подключения в схеме и устройству похожи на контакторы. Однако последние применяются исключительно для мощных силовых установок.
Подключаются э/м-пускатели по нескольким схемам:
- С катушкой от вилки.
- Через кнопки «Пуск» и «Стоп».
- С мотором на 380 В и тепловым реле.
Устройство пускателя и принцип его работы
Перед тем, как подключить магнитный пускатель в цепь коммутации нагрузки, следует разобраться с его внутренним устройством, а также ознакомиться с принципом работы.
Основа конструкции этого прибора – катушка индуктивности, размещаемая на специальном магнитном каркасе, который, в свою очередь, состоит из двух частей: подвижной и неподвижной.
Обратите внимание! Две половинки магнитопровода по своей форме напоминают букву «Ш», каждая из которых обращена вершинами друг к другу. Неподвижная или нижняя его часть закреплена на корпусе прибора, а верхняя – подпружинена и может свободно перемещаться. В прорезях закреплённой нижней части монтируются управляющие катушки магнитного пускателя, которые могут быть рассчитаны на дискретный ряд напряжений (12, 24, 110, 220 и 380 Вольт)
В прорезях закреплённой нижней части монтируются управляющие катушки магнитного пускателя, которые могут быть рассчитаны на дискретный ряд напряжений (12, 24, 110, 220 и 380 Вольт)
Неподвижная или нижняя его часть закреплена на корпусе прибора, а верхняя – подпружинена и может свободно перемещаться. В прорезях закреплённой нижней части монтируются управляющие катушки магнитного пускателя, которые могут быть рассчитаны на дискретный ряд напряжений (12, 24, 110, 220 и 380 Вольт).
В верхней части на корпусе располагаются две группы рабочих контактов, одни из которых закреплены неподвижно, а вторые – связаны с подвижным магнитным сердечником (смотрите рисунок ниже).

Устройство магнитного пускателя
Порядок подключения контактора к линии устанавливается требованиями ПУЭ и предполагает подведение фазных напряжений в верхней группе, а их отведение к нагрузке – от нижних. Общая картина их коммутации выглядит следующим образом:
- При отсутствии на катушке управляющего напряжения подпружиненная часть магнитопровода смещена вверх, а связанная с ней контактная группа разомкнута. После подачи на неё питающего напряжения (кнопка пуск замкнута) вокруг катушки образуется э/м поле, притягивающее верхнюю половину сердечника вместе с контактами;
- При этом они подключаются, образуя замкнутую цепь питания нагрузки;
Дополнительная информация. Схема подключения пускателя построена таким образом, чтобы при однократном нажатии кнопки управления система запускалась в работу.
- Но при втором её запуске никаких изменений в схеме пускателя не происходит, поскольку кнопочное соединение блокируется параллельно подключённым контактом;
- Далее после нажатия кнопки «Стоп» управляющая цепь разрывается, а напряжение на катушке пропадает;
- Это приводит к смещению подвижной части магнитопровода в нижнее положение и размыканию рабочих контактов пускателя.
По завершении всего цикла переключений пусковая станция снова готова к работе.
Ко всему сказанному нужно добавить, что для управления кнопками пуск и стоп может применяться любой тип напряжений: переменное или постоянное. Главное – проследить за тем, чтобы его параметры соответствовали заявленным в паспорте значениям.
Устройство и принцип работы устройства
Главное отличие пускателя от любого другого коммутационного устройства — подключенное к нему электропитание одновременно является и управляющим. Как это работает?
Рассмотрим общий принцип действия магнитного пускателя с помощью иллюстрации:

- Силовые контакты (3), через которые проходит питание с высоким током на потребителя (электроустановку).
- Они соединяются между собой с помощью контактных мостиков (2). Сила нажатия обеспечивается пружинами (1), которые представляют собой особым образом отформованную стальную пластину. Сами контактные группы изготовлены из медных сплавов, для лучшей электропроводности.
- Пластиковая траверса (4), на которой закреплены мостики (2), соединена с подвижным якорем (5). Вся конструкция может перемещаться вертикально с помощью внешнего усилия (кнопки), и возвращается обратно после прекращения давления на нее.
- С помощью катушки электромагнита (6) создается магнитное поле, которое прижимает подвижный якорь (5) к неподвижной части сердечника (7). Силы достаточно, чтобы преодолеть сопротивление возвратной пружины.
- Питание на электромагнит подается с помощью дополнительных контактов (8). Чтобы обеспечить правильную работу схемы, питание на эти контакты заводится параллельно силовым (3), от единого источника. Для размыкания всей контактной группы предусматривается кнопка отключения, которая устанавливается в цепь дополнительных контактов.
Назначение и устройство
Магнитные пускатели встраиваются в силовые сети для подачи и отключения питания. Работать могут с переменным или постоянным напряжением. Работа основана на явлении электромагнитной индукции, имеются рабочие (через них подается питание) и вспомогательные (сигнальные) контакты. Для удобства эксплуатации в схемы включения магнитных пускателей добавляют кнопки Стоп, Пуск, Вперед, Назад.

Так выглядит магнитный пускатель
Магнитные пускатели могут быть двух видов:
- С нормально замкнутыми контактами. Питание на нагрузку подается постоянно, отключается только когда срабатывает пускатель.
- С нормально разомкнутыми контактами. Питание подается только в то время, когда пускатель работает.
Более широко применяется второй тип — с нормально разомкнутыми контактами. Ведь в основном, устройства должны работать небольшой промежуток времени, остальное время находится в покое. Потому далее рассмотрим принцип работы магнитного пускателя с нормально разомкнутыми контактами.
Состав и назначение частей
Основа магнитного пускателя — катушка индуктивности и магнитопровод. Магнитопровод разделен на две части. Обе они имеют вид буквы «Ш», установлены в зеркальном отражении. Нижняя часть неподвижная, ее средняя часть является сердечником катушки индуктивности. Параметры магнитного пускателя (максимальное напряжение, с которым он может работать) зависят от катушки индуктивности. Могут быть пускатели малых номиналов — на 12 В, 24 В, 110 В, а наиболее распространенные — на 220 В и на 380 В.

Устройство магнитного пускателя (контактора)
Верхняя часть магнитопровода — подвижная, на ней закреплены подвижные контакты. К ним подключается нагрузка. Неподвижные контакты закреплены на корпусе пускателя, на них подается питающее напряжение. В исходном состоянии контакты разомкнуты (за счет силы упругости пружины, которая удерживает верхнюю часть магнитопровода), питание на нагрузку не подается.
Принцип работы
В нормальном состоянии пружина приподнимает верхнюю часть магнитопровода, контакты разомкнуты. При подачи питания на магнитный пускатель, ток, протекающий через катушку индуктивности, генерирует электромагнитное поле. Сжимая пружину, оно притягивает подвижную часть магнитопровода, контакты замыкаются (на рисунке картинка справа). Через замкнутые контакты питание подается на нагрузку, она находится в работе.

Принцип работы магнитного пускателя (контактора)
При отключении питания магнитного пускателя электромагнитное поле пропадает, пружина выталкивает верхнюю часть магнитопровода вверх, контакты размыкаются, питание на нагрузку не подается.
Подавать через магнитный пускатель можно переменное или постоянное напряжение. Важна только его величина — оно не должно превышать указанный производителем номинал. Для переменного напряжения максимум — 600 В, для постоянного — 440 В.
Читать также: Как разобрать утюг тефаль ultimate 300
Схемы подключения магнитного пускателя с катушкой на 220 В
Перед тем, как перейдем к схемам, разберемся с чем и как можно подключать эти устройства. Чаще всего, требуются две кнопки — «пуск» и «стоп». Они могут быть выполнены в отдельных корпусах, а может быть единый корпус. Это так называемый кнопочный пост.
Кнопки могут быть в одном корпусе или в разных
С отдельными кнопками все понятно — у них есть по два контакта. На один подается питание, со второго оно уходит. В посте есть две группы контактов — по два на каждую кнопку: два на пуск, два на стоп, каждая группа со своей стороны. Также обычно имеется клемма для подключения заземления. Тоже ничего сложного.
Подключение пускателя с катушкой 220 В к сети
Собственно, вариантов подключения контакторов много, опишем несколько. Схема подключения магнитного пускателя к однофазной сети более простая, потому начнем с нее — будет проще разобраться дальше.
Питание, в данном случае 220 В, полается на выводы катушки, которые обозначены А1 и А2. Оба эти контакта находятся в верхней части корпуса (смотрите фото).
Сюда можно подать питание для катушки
Если к этим контактам подключить шнур с вилкой (как на фото), устройство будет находится в работе после того, как вилку вставите в розетку. К силовым контактам L1, L2, L3 можно при этом подавать любое напряжение, а снимать его можно будет при срабатывании пускателя с контактов T1, T2 и T3 соответственно. Например, на входы L1 и L2 можно подать постоянное напряжение от аккумулятора, которое будет питать какое-то устройство, которое подключить надо будет к выходам T1 и T2.
Подключение контактора с катушкой на 220 В
При подключении однофазного питания к катушке неважно на какой вывод подавать ноль, а на какой — фазу. Можно провода перекинуть. Даже чаще всего на А2 подают фазу, так как для удобства этот контакт выведен еще на нижней стороне корпуса
И в некоторых случаях удобнее задействовать его, а «ноль» подключить к А1
Даже чаще всего на А2 подают фазу, так как для удобства этот контакт выведен еще на нижней стороне корпуса. И в некоторых случаях удобнее задействовать его, а «ноль» подключить к А1.
Но, как вы понимаете, такая схема подключения магнитного пускателя не особо удобна — можно и напрямую проводники от источника питания подать, встроив обычный рубильник. Но есть гораздо более интересные варианты. Например, подавать питание на катушку можно через реле времени или датчик освещенности, а к контактам подключить линию питания уличного освещения. В этом случае фаза заводится на контакт L1, а ноль можно взять, подключившись к соответствующему разъему выхода катушки (на фото выше это A2).
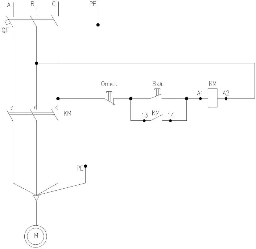
Схема с кнопками «пуск» и «стоп»
Магнитные пускатели чаще всего ставят для включения электродвигателя. Работать в таком режиме удобнее при наличии кнопок «пуск» и «стоп». Их последовательно включают в цепь подачи фазы на выход магнитной катушки. В этом случае схема выглядит как на рисунке ниже
Обратите внимание, что
Схема включения магнитного пускателя с кнопками
Но при таком способе включения пускатель будет в работе только то время, пока будет удерживаться кнопка «пуск», а это не то, что требуется для длительной работы двигателя. Потому в схему добавляют так называемую цепь самоподхвата. Ее реализуют при помощи вспомогательных контактов на пускателе NO 13 и NO 14, которые подключаются параллельно с пусковой кнопкой.
Схема подключения магнитного пускателя с катушкой на 220 В и цепью самоподхвата
В этом случае после возвращения кнопки ПУСК в исходное состояние, питание продолжает поступать через эти замкнутые контакты, так как магнит уже притянут. И питание поступает до тех пор, пока цепь не будет разорвана нажатием клавиши «стоп» или срабатыванием теплового реле, если такое есть в схеме.
Питание для двигателя или любой другой нагрузки (фаза от 220 В) подается на любой из контактов, обозначенных буквой L, а снимается с расположенного под ним контакта с маркировкой T.
Подробно показано в какой последовательности лучше подключать провода в следующем видео. Вся разница в том, что использованы не две отдельные кнопки, а кнопочный пост или кнопочная станция. Вместо вольтметра можно будет подключить двигатель, насос, освещение, любой прибор, который работает от сети 220 В.
Как работает
В большинстве случаев, вышеперечисленные задачи успешно решаются применением электромагнитных контакторов. Она предназначена для пуска нагрузки, в данном случае двигателя, от контактора катушка которого рассчитана на Вольт переменного напряжения.

Иногда прибор начинает гудеть и создавать повышенный уровень шума. При этой схеме большое значение имеет номинальное напряжение катушки. Изменений по фазе А не происходит.

Нажатие на кнопку включения замыкает цепь катушки. Для этого применяют схему с нейтральным проводником.

С увеличением этих показателей возрастает и степень износа контактов. Но так как подобный алгоритм работы подходит для многих устройств, то подключают через них самые разнообразные устройства — цепи освещения, различные устройства и приборы. Применять ее целесообразно в случае соединения обмоток двигателя треугольником. Как подключить контактор на 3 фазы, с обмоткой пускателя V? Автоматическое включение контактора также возможно, для этих целей кнопку заменяют или дублируют параллельным включением концевиков или датчиков. В зависимости от конструкции он может быть рассчитан на разные напряжения как постоянного, так и переменного тока.
Поиск на сайте

Четвертый символ Х указывает на количество дополнительных контактов. Чтобы избежать этого, нельзя выбирать участки, подверженные вибрации, ударам, толчкам. Чтобы понять, как подключить магнитный пускатель, изобразим комбинированную схему, с изображением деталей: В нашем случае используется однофазный источник питания V , разнесенные кнопки управления, защитное термореле, и собственно магнитный пускатель.
Выводы и полезное видео по теме Подробности об устройстве и подключении контактора: Практическая помощь в подключении МП: По приведенным схемам можно подключить магнитный пускатель своими руками как к сети , так и В. Применять ее целесообразно в случае соединения обмоток двигателя треугольником. Применяется в случаях когда нужно осуществлять обычный пуск электродвигателя.
Третий символ Х означает особенности конфигурации контактора. Его форма делается либо П-, либо Ш-образной, в зависимости от конструкции этого коммутационного изделия. Схемы управления магнитным пускателем
Производство
Производство магнитных пускателей ПМЕ-211 в России почти закончилось. В связи с тяжелыми экономическими условиями производство контакторов почти прекратилось, тем не менее за последние пять лет удалось восстановить несколько конкурентоспособных заводов и получилось загрузить работой их на полную мощность. Данный вид пускателя постепенно начинает заменяться на более дешевые и простые в обслуживании контакторы как отечественного, так и иностранного производства.
Корпус пускателя изготавливают из карболита, данный материал не проводит электрического тока и является наиболее удобным. Сердечник, как описывалось выше, состоит из пластинок из электротехнической стали, изолированных друг от друга, чтобы избежать возникновения вихревых токов. Поверхности прилегания и соприкосновения делают гладкими, чтобы избежать гудения.
Силовые и вспомогательные контакты выполнены из латуни с серебряными напайками. Серебро помогает избежать дуги, а также имеет большую устойчивость при ударах во время включения и отключения.
Втягивающая катушка магнитного пускателя ПМЕ-211 изготавливается из медного провода. Диаметр провода и число витков варьируется в зависимости от номинального напряжения, при котором будет работать данный пускатель. Следует помнить, что на катушку необходимо подавать напряжение соответствующее номинальному, в противном случае катушка выйдет из строя так же, как и сам контактор.
Схема подключения трехфазного двигателя в сеть через автоматический выключатель
Поэтому более подробно общий случай будет выглядеть так:
3. Подключение двигателя через автоматический выключатель. ПРАКТИЧЕСКАЯ СХЕМА
На схеме 3 показан защитный автомат, который защищает двигатель от перегрузки по току (“прямоугольный” изгиб питающих линий) и от короткого замыкания (“круглые” изгибы). Под защитным автоматом я подразумеваю обычный трехполюсный автомат с тепловой характеристикой нагрузки С или D.
Защитный автомат для включения электродвигателя. Ток 10А, через такой можно включать двигатель мощностью 4 кВт. Не больше и не меньше.
Схема 3 имеет право на жизнь (по бедности или незнанию местных электриков).
Если уж использовать такую схему, надо тщательно подобрать ток автомата, чтобы он был на 10-20% больше рабочего тока двигателя. И характеристику теплового расцепителя выбирать D, чтобы при тяжелом пуске автомат не срабатывал.
Например, движок 1,5 кВт. Прикидываем максимальный рабочий ток – 3А (реальный рабочий может быть меньше, надо измерять). Значит, трехполюсный автомат надо ставить на 3 или 4А, в зависимости от пускового тока.
Плюс этой схемы подключения двигателя – цена и простота исполнения и обслуживания. Например, там, где один двигатель, и его включают вручную на всю смену. Минусы такой схемы с включением через автомат –
- Невозможность регулировать тепловой ток срабатывания автомата. Для того, чтобы надежно защитить двигатель, ток отключения защитного автомата должен быть на 10-20% больше номинального рабочего тока двигателя. Ток двигателя надо периодически измерять клещами и при необходимости подстраивать ток срабатывания тепловой защиты. А возможности подстройки у обычного автомата нет(.
- Невозможность дистанционного и автоматического включения/выключения двигателя.
Эти недостатки можно устранить, в схемах ниже будет показано как.
Тонкости подключения устройства на 220 В

Для подсоединения однофазного магнитного пускателя и предотвращения его вибраций применяется дин-рейка. Прибор нельзя ставить рядом с реостатами или в нагреваемой части бокса. Залуженный конец проводника, подсоединяемого к устройству, загибается в виде кольца или буквы П. На алюминиевые кабели наносится слой смазки (технический вазелин, Циатим). Включение прибора осуществляется по нескольким схемам.
Классическая
Подойдет, если источники нагрузки – моторы или ТЭНы. Схема состоит из нескольких частей:
- Силовая. Сюда входят контакты на три фазы, автоматический включатель (ставится между входом и источником питания).
- Нагрузка. Требуется мощный потребитель.
- Цепь. Состоит из кнопки старта и остановки, катушки, дополнительных контактов, подкидывается на фазу и ноль.
Контакты пускателя замыкаются, и напряжение поступает на нагрузку после нажатия кнопки «Пуск». По нажатию на клавишу остановки происходит размыкание контактов и напряжение больше не подается.
Специфика силовой цепи
Запитка однофазного пускателя производится через контакты А-1 и А-2. На них подается напряжение 220 В, если на него рассчитана катушка. Фаза подводится на А-2, источник питания – на элементы внизу корпуса. Напряжение можно подавать с ветрового генератора, аккумулятора, дизель-генератора. Для его снятия задействуются клеммы – Т-1, Т-2, Т-3. Минус схемы – необходимость использования вилки для включения или выключения автомата.
Как изменить цепь управления
Силовую систему прибора при модернизации не затрагивают. Работают по следующему принципу:
- клавиши кнопочного поста (в одном кожухе) имеют нормально разомкнутые клеммы при пуске и нормально замкнутые – при установке;
- кнопки выставляют перед магнитным пускателем в последовательном положении – Старт и Остановка;
- манипуляции с контактами производятся при помощи импульса управления;
- пусковая кнопка подает напряжение к катушке и генерирует импульс;
- поддержка клавиши осуществляется с помощью контактов самоблокировки, снабжающих катушку напряжением;
- самоблокирующиеся контакты размыкаются, происходит самподпитка катушки.
Магнитный пускатель останавливается после разрыва последней цепи.
Подключение к трехфазной сети
В трехфазную сеть пускатель подключается посредством катушки, которая работает от сети 220 В. Сигнальная цепь не дорабатывается. Фаза и ноль подкидываются на соответствующие контакты. Фазный провод протягивается между кнопками старта и выключения. Перемычка устанавливается на нормально замкнутые и разомкнутые элементы.
Силовую цепь незначительно модернизируется. Фазы подаются на входы L1, L2, L3, нагрузка подводится на T1, T2, T3.
Данная схема подходит для асинхронного мотора.






























