Цифровой вольтметр своими руками

> Советы электрика > Цифровой вольтметр своими руками
При работе с различными электронными изделиями возникает потребность измерять режимы или распределение переменных напряжений на отдельных элементах схемы. Обычные мультиметры, включённые в режиме AC, могут фиксировать лишь большие значения этого параметра с высокой степенью погрешности. При необходимости снятия небольших по величине показаний желательно иметь милливольтметр переменного тока, позволяющий производить измерения с точностью до милливольта.
Самодельный цифровой вольтметр
Для того чтобы изготовить цифровой вольтметр своими руками, нужен определённый опыт работы с электронными компонентами, а также умение хорошо управляться с электрическим паяльником. Лишь в этом случае можно быть уверенным в успехе сборочных операций, осуществляемых самостоятельно в домашних условиях.
Выбор деталей
Перед тем, как сделать вольтметр, специалисты рекомендуют тщательно проработать все предлагаемые в различных источниках варианты. Основное требование при таком отборе – предельная простота схемы и возможность измерять переменные напряжения с точностью до 0,1 Вольта.
Анализ множества схемных решений показал, что для самостоятельного изготовления цифрового вольтметра целесообразнее всего воспользоваться программируемым микропроцессором типа РІС16F676. Тем, кто плохо знаком с техникой перепрограммирования этих чипов, желательно приобретать микросхему с уже готовой прошивкой под самодельный вольтметр.
Особое внимание при закупке деталей следует уделить выбору подходящего индикаторного элемента на светодиодных сегментах (вариант типового стрелочного амперметра в этом случае полностью исключён). При этом предпочтение следует отдать прибору с общим катодом, поскольку число компонентов схемы в этом случае заметно сокращается.
Дополнительная информация. В качестве дискретных комплектующих изделий можно использовать обычные покупные радиоэлементы (резисторы, диоды и конденсаторы).
После приобретения всех необходимых деталей следует перейти к разводке схемы вольтметра (изготовлению его печатной платы).
Подготовка платы
Перед изготовлением печатной платы нужно внимательно изучить схему электронного измерителя, учтя все имеющиеся на ней компоненты и разместив их на удобном для распайки месте.
Схема электронного прибора
Важно! При наличии свободных средств можно заказать изготовление такой платы в специализированной мастерской. Качество её исполнения в этом случае будет, несомненно, выше
После того, как плата готова, нужно «набить» её, то есть разместить на своих местах все электронные компоненты (включая микропроцессор), а затем запаять их низкотемпературным припоем. Тугоплавкие составы в этой ситуации не подойдут, поскольку для их разогрева потребуются высокие температуры. Так как в собираемом устройстве все элементы миниатюрные, то их перегрев крайне нежелателен.
Блок питания (БП)
Для того чтобы будущий вольтметр нормально функционировал, ему потребуется отдельный или встроенный блок питания постоянного тока. Этот модуль собирается по классической схеме и рассчитан на выходное напряжение 5 Вольт. Что касается токовой составляющей этого устройства, определяющей его расчетную мощность, то для питания вольтметра вполне достаточно половины ампера.
Исходя из этих данных, подготавливаем сами (или отдаём для изготовления в специализированную мастерскую) печатную плату под БП.
Обратите внимание! Рациональнее будет сразу подготовить обе платы (для самого вольтметра и для блока питания), не разнося эти процедуры по времени. При самостоятельном изготовлении это позволит за один раз выполнять сразу несколько однотипных операций, а именно:
При самостоятельном изготовлении это позволит за один раз выполнять сразу несколько однотипных операций, а именно:
- Вырезка из листов стеклотекстолита нужных по размеру заготовок и их зачистка;
- Изготовление фотошаблона для каждой из них с его последующим нанесением;
- Травление этих плат в растворе хлористого железа;
- Набивка их радиодеталями;
- Пайка всех размещённых компонентов.
Детали светодиодного вольтметра
В схеме в качестве компараторов использованы ОУ LM324. Их применение способствовало снижению общего числа микросхем и прочих радиоэлементов для сопряжения аналоговой части схемы с интегральными микросхемами. Конденсаторы — КМ. Все сопротивления — МЛТ-0,125, МЛТ-0,25.
Светодиоды HL1 — HL12 можно применить АЛ307. Интегральный стабилизатор напряжения DA5 78L12 возможно заменить на КРЕН8Б или 7812. Стабилитрон VD2 можно поменять на КС212 с буквой Е или Ж. Схема вольтметра запитана от нестабилизированного источника постоянного напряжения от 13 до16 вольт с током нагрузки не ниже 12 мА.
Практически вся техника, которую выпускают в наши дни, содержит в себе светодиоды. Они буквально окружают нас со всех сторон, начиная от ламп и фонариков, заканчивая определением напряжения буквально во всей бытовой технике. Их часто используют для подсветки экранов, управления различными приборами и т.д. Чаще всего в технике используются светодиоды пяти цветов:
Так же они могут создавать инфракрасное и ультрафиолетовое излучение. Именно такие незаменимы в системах управления: пульты для телевизоров, кондиционеров и другой бытовой техники. Мы рассмотрим способ применения светодиодов в определении напряжения устройств. Основной прибор для измерения напряжения – вольтметр. Как же тут могут пригодиться светодиоды? Они и станут нашими видимыми индикаторами. Обычно, как образец приводят пример вольтметра на основе 12 светодиодов. Соответственно он может индексировать напряжение в диапазоне от 0 до 12 вольт. Такое устройство можно весьма эффективно использовать для измерения блоков питания, которые можно регулировать. Незаменимым он будет так же для радиолюбителей, в частности для создания небольших приборов дома.

К зарядному устройству
Любители самостоятельно конструировать зарядные устройства по достоинству оценят возможность наблюдать за вольтами и амперами сети, без помощи громоздких переносных приборов. Также это придется по душе и тем, кто работает на дорогом оборудовании, на работу которого может пагубно повлиять регулярное падение напряжения сети.
При помощи китайского ампервольтметра, который по размерам не больше коробка со спичками, можно легко осуществлять наблюдение за состоянием электрической сети. Одной из ощутимых проблем, возникающих у новичков электриков, может оказаться языковой барьер и отличная от стандартной маркировка проводов. Не каждый сразу поймет, какой провод, куда нужно подключать, а инструкции обычно только на китайском языке.
Большой популярностью у самостоятельных конструкторов пользуются приборы на 100 В/10 А. Также желательно, чтобы у прибора присутствовал шунт, для доработки процесса подключения. Ощутимым плюсом данного устройства является то, что он может быть подключен к источнику питания зарядного устройства или к самостоятельной батарее.

Схема подключения следующая:
- Черный провод является минусом. Его нужно подключить тоже на минус.
- Красный провод, который должен быть толще черного, является плюсом, его соответственно необходимо соединить с источником питания.
- Синий провод соединяет нагрузку с сетью.
Если все было правильно подсоединено, на табло должны подсветиться две шкалы.
Назначение элементов и принцип работы схемы
У многих читателей в доме установлены выключатели света со светодиодной подсветкой. Схема светодиодной подсветки выглядит следующим образом:
- Параллельно контакту выключателя включается цепочка, состоящая из гасящего резистора, светодиода и простого кремниевого диода.
- При разомкнутом выключателе электрический ток протекает через гасящий (токоограничивающий) резистор, включенные встречно-параллельно светодиоды и лампу накаливания.
- Во время одной из полуволн, когда положительное напряжение приложено к аноду LED, светоизлучающий диод светится. Тем самым не только обеспечивается подсветка выключателя, но и осуществляется светодиодная индикация напряжения.

Если убрать из схемы выключатель, лампочку и провода, у нас останется цепочка, состоящая из резистора и двух диодов. Эта цепочка представляет собой простейший индикатор (указатель) переменного тока 220 В.
Остановимся подробнее на назначении элементов схемы. Выше мы указывали, что рабочий ток сигнального LED составляет около 10-15 мА. Понятно, что при непосредственном подключении светоизлучающего диода к сети 220 В через него будет протекать ток, во много раз превышающий предельно допустимое значение. Для того чтобы ограничить ток LED, последовательно с ним включают гасящий резистор. Рассчитать номинал резистора можно по формуле:
R = (U max – U led) / I led
В ней:
- U max – максимальное измеряемое напряжение;
- U led – падение напряжения на светодиоде;
- I led – рабочий ток светоизлучающего диода.
Выполнив простейший расчет, для сети 240 В мы получим номинал резистора R1 равный 15-18 кОм. Для сети 380 В нужно применить резистор, имеющий сопротивление 27 кОм.
Кремниевый диод выполняет функцию защиты от перенапряжения. Если он отсутствует, при отрицательной полуволне U на запертом светодиоде будет падать 220 В или 380 В. Большинство светоизлучающих диодов не рассчитано на такое обратное напряжение. Из-за этого может произойти пробой p-n перехода LED. При встречно-параллельном подключении кремниевого диода, во время отрицательной полуволны он будет открыт и U на светодиоде не превысит 0,7 В. LED будет надежно защищен от высокого обратного напряжения.
На основе рассмотренной схемы можно сделать индикатор напряжения 220/380 В. Достаточно дополнить радиоэлементы двумя щупами и поместить их в подходящий корпус. Для изготовления корпуса индикатора подойдет большой маркер или толстый фломастер. Можно разместить радиодетали на самодельной печатной плате или выполнить соединения навесным способом.

В маркере проделывают отверстие, в которое вставляют светодиод. На одном конце корпуса закрепляют металлический щуп. Через второй конец корпуса пропускают провод, идущий ко второму щупу или изолированному зажиму «крокодил».
Несмотря на простоту конструкции, устройство позволит проверять наличие напряжения на выходе автоматического выключателя или в розетке, найти сгоревший предохранитель в распределительном щите. Заметим, что приведенная схема индикатора применяется и в промышленных изделиях.
Вольтметр автомобильный. Подборка схем | joyta.ru
Не мало автомобилистов сталкивается с такой проблемой, как непредвиденный разряд аккумулятора. Особенно неприятно, когда происходит это в пути далеко от дома. Одной из причин может быть выход из строя генератора авто. Предупредить надвигающийся разряд аккумулятора поможет вольтметр автомобильный. Ниже приведем несколько простых схем подобного устройства.
Вольтметр автомобильный на микросхеме LM3914
Это схема автомобильного вольтметра предназначена для контроля напряжения бортовой сети автомобиля в пределах от 10,5В до 15В. В качестве индикатор используются 10 светодиодов.
Основа схемы – интегральная микросхема LM3914. Данная микросхема способна оценить входное напряжение и вывести результат на 10 светодиодов в режиме точка или столбик. Микросхема LM3914 способна работать в широком диапазоне питания (3В…25В). Яркость свечения светодиодов можно выставить при помощи внешнего переменного резистора. Выходы микросхемы совместимы с ТТЛ и КМОП логикой.
Десять светодиодов VD1-VD10 отображают текущее значение напряжения аккумулятора или напряжение бортовой сети автомобиля в режиме точки (вывод 9 не подключен или подключен на минус) или столбика (вывод 9 подключен на плюс питания).
Резистор R4 подключенный между контактами 6,7 и минусом питания задает яркость свечения светодиодов. Резисторы R2 и переменный резистор R1 образует делитель напряжения. При помощи переменного резистора R1 производится настройка верхнего уровня напряжения, а при помощи R3 нижнего.
Как уже было сказано ранее, данный автомобильный вольтметр обеспечивает индикацию от 10,5 до 15 вольт. Калибровка схемы выполняется следующим образом. Подайте на вход схемы вольтметра напряжение 15 вольт от блока питания. Затем изменяя сопротивление резистора R1, необходимо добиться, чтобы зажегся светодиод VD10 (в режиме точка) или все светодиоды VD…VD10 (в режиме столбик).
Затем на вход подайте 10,5 вольт и переменным резистором R3 добейтесь, чтобы горел только светодиод VD1. Теперь увеличивая напряжение с шагом 0,5 вольта, светодиоды один за другим будут загораться, и при напряжении 15 вольт будут гореть все светодиоды. Переключатель SA1 предназначен для переключения между режимами индикации точка/столбик. При замкнутом переключателе SA1 – столбик, при разомкнутом – точка.
Автомобильный вольтметр на транзисторах
Следующая схема автомобильного вольтметра построена на двух биполярных транзисторах. Когда напряжение на аккумуляторе составляет менее 11 вольт, стабилитроны VD1 и VD2 не пропускают ток, из-за чего горит только красный светодиод, указывающий на низкое напряжение бортовой сети автомобиля.
Если напряжение находится между 12 и 14 вольт, стабилитрон VD1 открывает транзистор VT1. Зеленый светодиод загорается, указывая на нормальное напряжение. Если напряжение батареи превышает 15 вольт, стабилитрон VD2 открывает транзистор VT2, в результате чего загорается желтый светодиод, показывающий значительное превышение напряжения в сети автомобиля.
Вольтметр на операционном усилителе LM393
Данный простой автомобильный вольтметр построен на операционном усилителе LM393. В качестве индикатора, как и в предыдущей схеме, используются три светодиода.
При низком напряжении (менее 11В) загорается красный светодиод. Если напряжение в норме (12,4…14В) то светится зеленый. В том случае, если напряжение превысило 14В, то загорается желтый светодиод. Стабилитрон VD1 формирует опорное напряжение. Данная схема схожа со схемой индикатора напряжения автомобиля.
Вольтметр автомобильный на микросхеме К1003ПП1
Данная схема вольтметра для автомобиля построена на микросхеме К1003ПП1 и позволяет отслеживать напряжение бортовой сети по свечению 3 светодиодов:
- При напряжении менее 11 вольт горит светодиод HL1
- При напряжении 11,1…14,4 вольт горит светодиод HL2
- При напряжении более 14,6 вольт горит светодиод HL3
Настройка. После подачи на вход напряжения от любого блока питания (11,1…14,4В), переменным резистором R4 необходимо добиться свечения светодиода HL2.
Последовательность размещения и монтажа амперметра
Входной сигнал по току (не более 1 А) подаётся от стабилизированного блока питания через шунтирующий резистор, допустимое напряжение на котором не должно быть более 40…50 В. Далее, проходя через операционный усилитель, сигнал поступает на светодиоды. Поскольку значение тока во время прохождения сигнала изменяется, то соответственно будет изменяться и высота столбика. Управляя током нагрузки, можно регулировать высоту диаграммы, получая результат с различной степенью точности
.
Монтаж платы с SMD-компонентами, по желанию пользователя, можно размещать либо горизонтально, либо вертикально. Смотровое окошко перед началом тарировки необходимо перекрывать тёмным стеклом (подойдёт фильтр с кратностью 6…10 х от обычной сварочной маски).
Тарировка цифрового амперметра состоит в подборе минимального значения нагрузки по току, при которой светодиод будет светиться. Варьирование настройки производится экспериментально, для чего в схеме предусматривается резистор с небольшим (до 100 мОм) сопротивлением. Погрешность показаний такого амперметра обычно не превышает нескольких процентов.
Вы знали, что можно переделать старый вольтметр в амперметр? Как это сделать — смотрите видео:
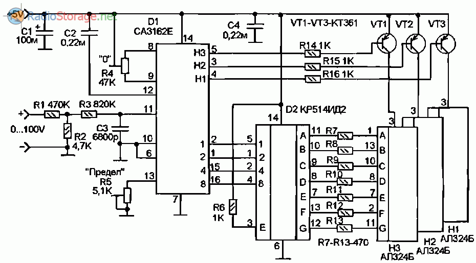
Принципиальная схема вольтметра
Теперь ближе к схеме. На рисунке 1 показана схема вольтметра, измеряющего напряжение от 0 до 100V (0…99,9V). Измеряемое напряжение поступает на выводы 11-10 (вход) микросхемы D1 через делитель на резисторах R1-R3.
Конденсатор C3 исключает влияние помех на результат измерения. Резистором R4 устанавливают показания прибора на ноль, при отсутствии входного напряжения А резистором R5 выставляют предел измерения так чтобы результат измерения соответствовал реальному, то есть, можно сказать, им калибруют прибор.
![]()
Рис. 1. Принципиальная схема цифрового вольтметра до 100В на микросхемах СА3162, КР514ИД2.
Теперь о выходах микросхемы. Логическая часть СА3162Е построена по логике ТТЛ, а выходы еще и с открытыми коллекторами. На выходах «1-2-4-8» формируется двоичнодесятичный код, который периодически сменяется, обеспечивая последовательную передачу данных о трех разрядах результата измерения.
Если используется дешифратор ТТЛ, как, например, КР514ИД2, то его входы непосредственно подключаются к данным входам D1. Если же будет применен дешифратор логики КМОП или МОП, то его входы будет необходимо подтянуть к плюсу при помощи резисторов. Это нужно будет сделать, например, если вместо КР514ИД2 будет использован дешифратор К176ИД2 или CD4056.
Выходы дешифратора D2 через токоограничивающие резисторы R7-R13 подключены к сегментным выводам светодиодных индикаторов Н1-НЗ. Одноименные сегментные выводы всех трех индикаторов соединены вместе. Для опроса индикаторов используются транзисторные ключи VT1-VT3, на базы которых подаются команды с выходов Н1-НЗ микросхемы D1.
Эти выводы тоже сделаны по схеме с открытым коллектором. Активный ноль, поэтому используются транзисторы структуры р-п-р.
Простой электронный вольтметр на светодиодах
Предлагаю вниманию читателей схему простого электронного вольтметра, точнее индикатора уровня. Устройство предназначено для измерения постоянного напряжения в пределах 0…12 В с шагом дискретизации 1 В, погрешность измерения не хуже 2%. Его удобно установить, например, в регулируемый блок питания для индикации выходного напряжения.
При наличии комплектующих прибор может быть изготовлен за несколько часов навесным монтажом. Стоимость комплектующих для его изготовления не превышает стоимости аналогичного электромеханического вольтметра типа М42303 (около 7грн).
Принципиальная схема
За основу конструкции (рис.1) взята схема осцилло-графического пробника без ЭЛТ . На ОУ DA1-DA3 собраны компараторы напряжения, на инверсные входы которых через делитель напряжения R1-R2 поступает измеряемое напряжение.
Рис. 1. Простой электронный вольтметр на светодиодах — схема.
На резисторах R3-R15 собран делитель, задающий опорные напряжения компараторов. При отсутствии входного напряжения на выходах компараторов DA1-DA3 устанавливается уровень лог.’Т. При этом на соответствующих выходах микросхем DD1-DD3 присутствует уровень лог.»0″, светодиоды не светятся.
При поступлении измеряемого напряжения на вход вольтметра (в момент равенства напряжений на входах компараторов) на соответствующих выходах компараторов устанавливаются уровни лог.»0″. Как видно из схемы, при разных логических уровнях на входах соответствующих ИМС (DD1-DD3), на выходах появляется уровень лог.’Т. При этом светится один из светодиодов индикации напряжения. Для защиты входа вольтметра от напряжения превышающего 12 В применен стабилитрон VD14.
Детали
В схеме применены ОУ LM324 в качестве компараторов. Их использование позволило уменьшить количество микросхем и дополнительных элементов для согласования аналоговой части схемы с цифровыми ИМС. Резисторы типа МЛТ-0,125, МЛТ-0,25, конденсаторы типа КМ, С1 импортного производства. Светодиоды VD2-VD13 типа АЛ307 (в авторском варианте — малогабаритные импортного производства).
Стабилизатор DA5 типа 78L12 может быть заменен на 7812 или КРЕН8Б. Стабилитрон VD14 можно заменить на КС212Е, Ж.
Рис. 2. Печатная плата.
Наладка. Правильно собранная схема начинает работать сразу. После включения питания на вход схемы подают напряжение величиной 1 В. При этом должен светиться светодиод VD13, при необходимости верхний предел измерения подстраивают резистором R15.
Далее подают напряжение величиной 12 В, выставляя верхний предел измерения резистором R3. При этом светится светодиод VD2. Затем, подавая разные величины напряжения от источника питания 0…12 В, проверяют точность измерения по образцовому вольтметру. При настройке могут также изменяться номиналы делителя R1-R2.
Устройство питается постоянным нестабилизированным напряжением 13…16 В, ток потребления 12 мА. Печатная плата устройства выполнена из двустороннего фольгированного стеклотекстолита (рис.2).
Литература: 1. Тататенко А.
Осциллографический пробник без ЭЛТ // Радиоаматор.-2001.-№8.
Как правильно подключить вольтметр
Тот, кто не знает, но хочет проверить напряжение на каком-то участке электрической сети, должен задаться вопросом – как подключить вольтметр? Это на самом деле серьезный вопрос, в ответе которого лежит простое требование – подключение вольтметра необходимо проводить только параллельно нагрузке. Если будет произведено последовательное подключение, то сам прибор просто выйдет из строя, и вас может ударить током.
Читать также: Нейлер по бетону dewalt

Все дело в том, что при таком соединении уменьшается сила тока, действующая на сам измерительный прибор. При этом сопротивлении его не меняется, то есть, остается большим. Кстати, никогда не путайте вольтметр с амперметром. Последний подключается к цепи последовательно, чтобы снизить показатель сопротивления до минимума.
И последний вопрос темы – как пользоваться вольтметром, изготовленным самостоятельно. Итак, в вашем приборе два щупа. Один подключается к нулевому контуру, второй к фазе. Так же можно проверить напряжение через розетку, предварительно определив, к какому гнезду запитан ноль, а к какому фаза. Или соединяете параллельно прибор к измеряемому участку. Стрелка измерительного блока покажет величину напряжения в сети. Вот так пользуются этим самодельным измерительным прибором.
Рассмотрены не сложные схемы цифровых вольтметра и амперметра, построенных без использования микроконтроллеров на микросхемах СА3162, КР514ИД2. Обычно, у хорошего лабораторного блока питания есть встроенные приборы, — вольтметр и амперметр. Вольтметр позволяет точно установить выходное напряжение, а амперметр покажет ток через нагрузку.
В старых лабораторных блоках питания были стрелочные индикаторы, но сейчас должны быть цифровые. Сейчас радиолюбители чаще всего делают такие приборы на основе микроконтроллера или микросхем АЦП вроде КР572ПВ2, КР572ПВ5.
Детали светодиодного вольтметра
В схеме в качестве компараторов использованы ОУ LM324. Их применение способствовало снижению общего числа микросхем и прочих радиоэлементов для сопряжения аналоговой части схемы с интегральными микросхемами. Конденсаторы — КМ. Все сопротивления — МЛТ-0,125, МЛТ-0,25.
Светодиоды HL1 — HL12 можно применить АЛ307. Интегральный стабилизатор напряжения DA5 78L12 возможно заменить на КРЕН8Б или 7812. Стабилитрон VD2 можно поменять на КС212 с буквой Е или Ж. Схема вольтметра запитана от нестабилизированного источника постоянного напряжения от 13 до16 вольт с током нагрузки не ниже 12 мА.
Источник Радиоаматор, 8/2001
Схема бортового автомобильного вольтметра с
индикацией на приведена на рисунке ниже:
Прибор представляет собой шестиуровневый линейный
индикатор, в интервале от 10 до 15 вольт. DA1, на К142ЕН5Б на выводе 8, выдает
напряжение 6 вольт для питания цифровой микросхемы DD1 типа
К561ЛН2. Инверторы микросхемы К561ЛН2 служат пороговыми элементами,
представляя собой нелинейные усилители напряжения, а резисторы R1 –
R7 задают смещение на входах этих элементов. входное напряжение инвертора превысит пороговый
уровень, на его выходе появится напряжение низкого уровня,
светодиод на выходе соответствующего инвертора будет светиться.
Печатная плата бортового светодиодного вольтметра со
схемой расположения деталей на ней, размером 80х45 мм изображена на
рисунках ниже:


При налаживании бортового светодиодного вольтметра,
вместо аккумулятора подключают лабораторный стабилизированный
источник на 10 вольт, установив временно
подстроечный резистор, вместо резистора R1. Изменяя сопротивление
R1, добиваются момента включения светодиода HL1. Остальные уровни
устанавливаются автоматически. При детальной проверке остальных
уровней, уточняются сопротивления R2 – R6, соответственно.
Автомобильные , лабораторные источники питания, могут иметь токи, которые достигают до 20 ампер и более. Ясно, что пару ампер можно легко померять обычным дешёвым мультиметром, а как быть с 10, 15, 20 и более ампер? Ведь даже на не очень больших нагрузках встроенные в амперметры шунтирующие резисторы в течение длительного времени замера, иногда даже часов, могут перегреться и в худшем случае поплавится.
Профессиональные инструменты для измерения больших токов, достаточно дорогие, так что имеет смысл собрать схему амперметра самому, тем более ничего тут сложного нет.
Характеристика автомобильного вольтметра
Как сделать вольтметр? Как правильно должен подключаться сделанный электронный вольтметр в прикуриватель, какая схема подключения? Для начала давайте ознакомимся с основными характеристиками устройства.
Описание устройства
Как мы уже сказали, цифровой вольтметр предназначен для измерения напряжения. Аналоговое устройство представляет собой девайс, оснащенный стрелочным указателем, а также шкалой. На сегодняшний день такие устройства используются очень редко, в последнее время все большую популярность набирают цифровые девайсы.
Что касается непосредственно видов, то в продаже можно найти либо простые устройства, либо комбинированные.
- Простой. Такой девайс характеризуется сравнительно небольшими размерами, в результате чего его монтаж допускается фактически в любом место транспортного средства. Поэтому обычно подключение вольтметра такого типа производится в прикуриватель. Таким образом, девайс позволяет производить мониторинг состояния уровня напряжения аккумуляторной батарее как при заглушенном, так и при заведенном двигателе. Если вы решили установить вольтметр своими руками, то вам будет полезно знать, что при заглушенном моторе напряжение должно составлять 12.5 вольт, в то время как на заведенном – 13.5-14.5 вольт. В том случае, если данный параметр будет более высоким или низким, потребуется произвести диагностику бортовой сети машины. Вольтметр в авто будет незаменимым, будь то стрелочный вариант или цифровой автомобильный, станет незаменимым атрибутом для тех, кто любит отдыхать на природе. С его помощью вы всегда будете знать, какое напряжение в сети вашего транспортного средства и как не допустить его снижения ниже нормы. Ни для кого не секрет, что ориентироваться на штатные сигнализаторы о разряде АКБ – это не совсем правильно, поскольку такие устройства обычно предупреждают водителя тогда, когда предпринимать какие-то действия уже поздно. Схема вольтметра может быть подключена к специальному выносному дисплею, который можно установить в любом месте автомобиле, например, прямо в центральную консоль.
- Комбинированный. Что касается комбинированных приборов, то они могут быть дополнительно оснащены термометрами, тахометрами, амперметрами и т.д. Благодаря термометру водитель всегда сможет знать, какая температура в салоне авто или на улице, в моторном отсеке транспортного средства. С помощью тахометра у автолюбителя всегда будет возможность мониторинга количества оборотов мотора. Как правило, если вы покупаете комбинированный гаджет с тахометром, в комплекте должны идти все необходимые датчики, которые позволяют производить замер данного показателя от 50 градусов мороза до 120 градусов тепла. В целом процедура монтажа прибора такого типа в свою автомобиль – не особо сложная процедура, с которой вполне можно справиться своими силами.



























