Кодовый механический замок на калитку, инструкция по установке механического запорного устройства, видео уроки по установке замка
Установка замка на ограждение — это завершающий этап при строительстве любого забора, калитки или ворот. При этом — естественным желанием владельца любого участка является выбор максимально надежного и качественного запорного устройства.

калитка с запорным устройством
Это вполне объяснимо — ведь никто в реалиях нашего времени не застрахован от взломов и проникновений на свою территорию.
кодовый замок — спокойствие и безопасность
Поэтому, к выбору запорного приспособления стоит подойти внимательно и не скупиться на действительно хорошее устройство, способное защитить Вас в любое время.
виды запорных устройств
Рассмотрим такой вариант замков — как кодовые замки, устанавливаемые на калитку.
Кодовые замки для калиток

кодовый замок — надежное средство защиты
Эти устройства всё чаще можно встретить и на полках специализированных магазинов, и уже установленными на самих участках. Существуют разные типы замков, работающих с кодом. Рассмотрим их подробнее.
Типы кодовых замков
1. Механическое устройство замка
Преимущество таких замков в том, отсутствие замочной скважины не даёт возможности взломщику произвести вскрытие отмычкой или любой другой скруткой.
Недостаток подобных устройств тоже существенный — слишком рассеянный хозяин может забыть код, например, если замок установлен не так давно, или если его давно не открывали.

механический замок — конструкция
Кодовый механический замок обычно устанавливается на калитку. Самый простой его тип — когда при закрытии двери, калитка автоматически защелкивается. При этом открыть её снаружи можно лишь набрав правильный код.
Принцип работы такого замка заключается в специальных кольцах внутри самого устройства. Эти кольца устанавливаются в соответствующее положение, в совокупности со штифтами.
2. Электромеханическое устройство замка
электромеханический замок на калитку
Существуют также комбинированные, электромеханические замки для калитки. Это устройство — более сложное, оно оборудовано механическими приводами, которые с свою очередь работают на электричестве.
Такие замки имеют более высокий класс надёжности, они устанавливаются обычно на мощных воротах, так как имеют крупные габариты.
Недостатки таких замков — в их цене и сложной установке. Тем не менее, электромеханические замки — это достойный способ обезопасить себя, ведь они по -настоящему надёжны.
Принцип работы электромеханического замка следующий: внутри устройства может находиться особая комбинация, которая состоит из механических элементов и электронных элементов.

врезной замок на калитку
По способу монтажа замков — выделяют накладные и врезные устройства.
В первом случае замки напоминают обычные накладные замки.
Единственное отличие — это выступающая кнопка на корпусе замка. При нажатии на неё — замок открывается.
Если заблокировать кнопку, то калитка останется открытой постоянно.
Также в конструкции таких замков имеется особый цилиндровый механизм, который позволяет открывать замок с помощью обычного ключа, в случае перебоев с электричеством.
3. Электронное устройство замка
Принцип работы электронного о замка следующий: внутри устройства установлен специальный электронный блок, предварительно запрограммированный на какую-то
электронный замок
определенную комбинацию цифр. При наборе правильного кода — замок без проблем легко откроется.
Установка механического кодового замка
Часто владельцев калитки интересует вопрос – возможно ли установить кодовый замок на неё, без обращения в сторонние компании? Это вполне возможно. Рассмотрим установку механического замка собственными силами.
https://youtube.com/watch?v=videoseries
Необходимые инструменты
При приобретении устройства замка — убедитесь, чтобы инструкция по его установке была в комплекте. Это существенно поможет. Кроме самого замка, потребуется также:
1. Дрель и набор металлических сверл 2. Шуруповерт 3. Плоскогубцы 4. Болгарка 5. Кусачки 6. Отвертки
7. Рулетка
Устройство цилиндрового замка
Цилиндрический замок открывается с помощью небольшого ключа, который с одной стороны имеет зубцы разной формы и размера.
Цилиндрический замок может быть врезным или навесным и иметь следующие составные части:
- верхние и нижние штифты;
- спиральные пружины, приводящие их в действие и возвращающие в исходное состояние после изъятия ключа из личинки.
Механизм цилиндрового запорного устройства вращается, приводя в движение ригель, только тогда, когда штифты располагаются заподлицо с поверхностью личинки. Это достигается, если в ключевой паз вставлен «свой» ключ, который позволяет собрать их в нужном положении. Если в механизм личинки вставить «чужой» ключ, то штифты внутри будут располагаться неправильно, что не даст повернуть его и открыть замок.
Конструкция цилиндрового дверного замка может быть одинарной и сдвоенной. Одинарные механизмы используются у дверных замков, которые можно открыть ключом только снаружи. Сдвоенные предназначены для тех замков, которые управляются ключом с двух сторон.
Механизм сувальдного замка
Сувальдный замок считается одним из самых надежных среди всех запорных устройств для входной пластиковой, металлический или деревянной двери. Его секрет состоит в группе пластин или сувальд, которые имеют вырезы различной формы. Каждая из них соответствует выступам и впадинам на ключе, который позволяют собрать пластины нужным образом, и открыть замок.
Надежность сувальдного замка зависит от количества сувальд. Каждый отдельный вариант размещения различных по контуру сувальдных пластин называется серией. Увеличивая число сувальд с разным расположением выступов и впадин, можно увеличить количество серий. Для замка с тремя пластинами оно составляет 6. Для четырехсувальдных замков набор пластин дает соответственно 24 различных серии. В замках, которые имеют два ряда сувальд количество серий доходит до 150. Для их открытия используются двухбородочные ключи.
Принцип действия сувальдного замка похож на цилиндрический, только роль штифтов в нем выполняют стальные пластины. Для повышения защиты, чтобы было сложнее собрать пластины и затруднить открытие замка случайным ключом, вырезы сувальд делают различных размеров, а сами пластины разной толщины.
Бессувальдный замок
Строение бессувальдного замка характеризуется только одной пластиной, поэтому этот замок считается самым ненадежным. Поэтому специалисты рекомендуют устанавливать его на внутренние двери.
https://youtube.com/watch?v=u%2520
Схема кодового замка представляет собой ригель, который приводится в действие при нажатии требуемой комбинации цифр в случае механического принципа действия устройства. Для электронных замков нужно ввести секретную комбинацию или воспользоваться магнитным ключом.
Электронные устройства более надежны, чем механические, и широко применяются на входных дверях в офисы, здания и жилые многоквартирные дома.
Достоинства кодовых замков
Благодаря своей системе, такие замки имеют большую степень защиты от несанкционированного проникновения. Но также имеется и недостаток установка кодового замка, ведь секретный код случайно могут узнать посторонние люди, или его можно забыть, поэтому нужно придерживаться мер безопасности при использовании такого замка.
Установка кодовых замков на дверь происходит по тому же принципу, как и обычных замков, с той лишь разницей, что при этом требуется особое внимание при монтаже электрической проводки, а также блока для управления электросхемой
Устанавливать такие замки можно как на входные двери, так и на сейфы или кейсы и чемоданы, и по своим различиям конструктивного типа они могут быть электрическими, механическими, а также электромеханическими.В дополнение к таким замкам мы рекомендуем установить качественное видеонаблюдение.
Установка кодовых замков на дверь происходит по тому же принципу, как и обычных замков, с той лишь разницей, что при этом требуется особое внимание при монтаже электрической проводки, а также блока для управления электросхемой. Замки, которые имеют новую конструкцию, можно открывать без ключа, дистанционно
Чтобы произвести качественную установку кодового замка, необходимо пригласить опытного мастера, так как для этого требуется высокая квалификация. Поэтому более разумным будет поручить монтаж нашим профессионалам, которые не только правильно подберут место для крепления замка, но также обеспечат необходимый уровень безопасности при использовании закрывающего механизма.
Кодовые замки дверные, которые имеют хорошую конструкцию запирающего устройства, обычно укомплектованы приспособлениями, которые при аварийном отключении света могут обеспечить автономное питание для электрического оборудования. Установить такие замки можно на любой тип двери, как деревянную, так и металлическую. Если в процессе эксплуатации произойдет поломка кодового замка, то не стоит отчаиваться и торопиться покупать новое запорное устройство. Благодаря своей конструкции такие замки имеют довольно высокий уровень в ремонтоспособности, что поможет сделать его срок использования довольно длительным.
Для надежного запирания дверей в жилых и не жилых помещениях можно использовать кодовый замок на входную дверь Меттэм, который одинаково отлично может быть установлен как на металлической, так и деревянной двери, а также независимо, какая будет дверь – левая или правая. Принцип работы такого замка довольно прост, для его открытия необходимо одновременно использовать, то есть нажать одновременно на все кнопки, которые использовались при кодировке.
Только в таком случае замок автоматически откроется. Для того чтобы произвести открытие замка с внутренней стороны, достаточно отодвинуть в сторону рычаг.
Для того чтобы повысить надежность и секретность такого замка, нужно использовать для кодировки не менее трех кнопок. Если потребуется сменить код на замке, нужно будет открутить винты и снять рычаг с блоком пружин, и сменить направление скоса сувальд в необходимом направлении для тех кнопок, которые будут использоваться для открытия кодового замка. Если замок, вопреки рекомендациям, будет устанавливаться самостоятельно, то необходимо устанавливать только тот кодовый замок инструкция, к которому прилагается в обязательном порядке.
Советы по подбору кодового замка для велосипеда
Чтобы замок приносил как можно больше пользы и был максимально эффективным в использовании, перед покупкой воспользуйтесь советами:
Обратите внимание на бренд. Покупайте только подлинные модели, а не дешевые копии, которые не обеспечат должный уровень защиты.
Выбирайте среди качественных материалов, которые проблематично перекусить инструментами
Лучший вариант – это замок с элементами из закаленной стали.
Убедитесь, что механизм действительно работает и закрывается каждый раз при необходимости.
Выбирайте ту модель, которая не издает щелчков или вибраций при подборе кода, характерных в процессе поиска верного пароля.
Покупайте сразу несколько велосипедных замков для усиления уровня безопасности.
Разновидности личинок
Конструкция секретки замка входной двери имеет различную сложность. Они подразделяются на одно- и двусторонние. В первом случае личинка в дверном замке открывается только с одной стороны. С другой стороны личинка оснащена заглушкой или ручкой.
Возвратных пружин может быть несколько пар. Подпружиненных штифтов личинка в дверном замке имеет две разновидности: кодовые, с которыми контактирует ключ, и запорные, блокирующие механизм.

В зависимости от их расположения секретки разделяются на:
- Однорядные и двухрядные. В первых штифты, выполненные из стали или латуни, устанавливаются в одни ряд. Ключ имеет насечки только с одного бока. Во вторых – два ряда штифтов управляются ключом, имеющим насечки с двух сторон.
- Трех- и четырехрядные. Такие имеют в каждом ряду по несколько штифтов (не менее двух). Ряды, как правило, располагаются крест на крест.
- С коническим расположением. От двух до четырех рядов штифтов располагаются в разных плоскостях, что существенно увеличивает секретность личинки.
- С поворачивающимися штифтами. Имеется одни ряд штифтов, но они поворотного типа. Используется в быту очень редко.
В простонародье для удобства их разделяют на следующие виды:
- Цилиндровые.
- Штифтовые.
- Дисковые.
- Крестообразные.
Ну, еще есть так называемые особой сложности. Личинка в дверном замке входной двери имеет три градации секретности:
- Низкая. Замок имеет порядка 10 тысяч комбинаций. Механизм производится из материалов низкой прочности. Ключ обладает простым профилем.
- Средняя. Обеспечивается до 50 тысяч секретных комбинаций. Механизм отличается сложностью взлома, но не всегда высоким качеством изготовления.
- Высшая. Замок имеет свыше 100 тысяч комбинаций. Изготавливается только из качественных материалов. Точность сборки – самая высокая.
Как открыть замок, если забыл код
Существуют несколько способов, как открыть замок, если забыл пароль, и каждый из них зависит от типа запорного механизма, установленного в дверной конструкции. На сегодняшний день производится несколько типов устройств, которые открываются без помощи ключа. Они классифицируются:
- по типу замка – навесные, накладные либо врезные модели;
- по принципу действия – механические и электронные;
- по способу открытия – кнопки, поворотные диски или ролики, устройство, считывающее отпечаток пальца, электронный ключ-карта;
- по количеству вводимых символов шифра – от 3 до 6 цифр.
Можно открыть кодовый замок с электронным принципом действия, если забыл код, используя следующие варианты:

- Применив механический ключ, который идет в комплекте с каждым электронным замком и предназначен на случай отключения электроэнергии либо возможных неисправностей с сенсорной наборной панелью.
- Попробовав ввести установленный по умолчанию заводской код, если Вы его не изменяли. Это могут быть примитивные наборы цифр, наподобие: 0000, 1111, 1234 и т. п.
- Перебрав в памяти все цифровые комбинации, которые Вы могли применить для установки шифра на замке: дата или год рождения, пин-код банковской карты, любые другие значимые даты и числа. Можно также довериться мышечной памяти, позволив пальцам автоматически набрать код.
- Внимательно присмотревшись к панели с кодом на замке для набора шифра. Кнопки, которые используются чаще всего, от прикосновения пальцев становятся чуть темнее, изображение цифр стирается.
Замок с механическими кнопками можно вскрыть, попробовав нажать на каждую кнопку по порядку, не прилагая к этому усилия. У клавиш, которые используются чаще, имеется более свободный ход, так как поддерживающие пружины в результате частой эксплуатации ослабляются. Определив такие кнопки, останется только расположить их в правильной последовательности.
Можно также прислушаться к звукам, которые появляются при нажатии на пластины с кодом. На многих моделях кнопки, которые входят в комбинацию шифра, издают чуть слышный щелчок.
Важно! При вскрытии устройства с кодом внимательно прислушивайтесь к звукам, которые возникают при наборе шифра: на многих механизмах клавиши при нажатии издают легкий щелкающий звук.
Как осуществить перекодировку замка самостоятельно
При установке новой двери с перекодируемым замком, хозяину вручают комплект ключей (включая запасные) и ключ для смены замочного кода.
Сама процедура, в ходе которой осуществляется перекодирование замка, требует около 5 минут вашего времени. Выполняют это как с внешней, так и с внутренней стороны замка. Работа проводится очень аккуратно, чтобы не повредить замок.
Перекодировка замка выполняется таким образом:
- дверь открывают и полностью поворачивают в замке ключ, чтобы полностью выскочила защелка. Дальше в отверстие, которое находится под защелкой, вводят специальный перекодировочный ключ и прижимают его внутрь замка двери до самого конца. Потом ключ поворачивают до отказа против часовой стрелки и только после щелчка его вынимают;
- далее в замок вводят новый ключ (который идет в комплекте) и возвращают защелку в исходное положение путем повторного поворота ключа в замочной скважине;
- перекодировка произведена и теперь необходимо несколько раз открыть, и закрыть замок для того, чтобы убедиться, что устройство нормально функционирует.
Различия механических и кодовых замков
Кодовый замок можно без особого труда настроить самостоятельно, не прибегая к помощи специалистов
Кодовые замки появились сравнительно недавно, но уже стали очень популярными, поскольку они более надежны и просты по сравнению с обычными запорными механизмами. Взломать их гораздо сложнее, чем привычные механичные замки.
Кодовый замок можно без особого труда настроить самостоятельно, не прибегая к помощи специалистов. При этом не потребуются какие-либо специальные навыки и знания. Достаточно изучить инструкцию по эксплуатации замка.
Главный плюс такого устройства – отсутствие необходимости в ключе. Его заменяет специальный код – набор цифр. Рассмотрим, какие основные разновидности кодовых замков представлены на рынке, как их правильно установить и настроить самостоятельно.
Две главные группы таких устройств – врезные и навесные. Первые используются преимущественно на межкомнатных дверях и входных, а вторые – на дверях, установленных в помещениях, используемых для производственных и хозяйственных целей. Отличие между ними исключительно в способе монтажа. По методу управления механизмом замка они могут быть электронными или механическими.
Устройство кодовых дверных замков
Кодовые замки являются отличным решением для деревянных, пластиковых и металлических входных дверей. Устанавливают их на ворота, гаражи. Ставят на двери подъездов и хозяйственных построек.

Внутренние и внешние составляющие запорного механизма:
- корпус;
- защелка;
- крышка;
- накладка с номерами кнопок;
- ответная планка;
- кнопки замка;
- пусковая головка.
Принцип действия зависит от набора деталей, но очень простой: вводится код и замок открывается. Подходят такие механизмы для правых и левых дверных полотен, так как система оснащается защелкой, которую можно переставлять вправо или влево.
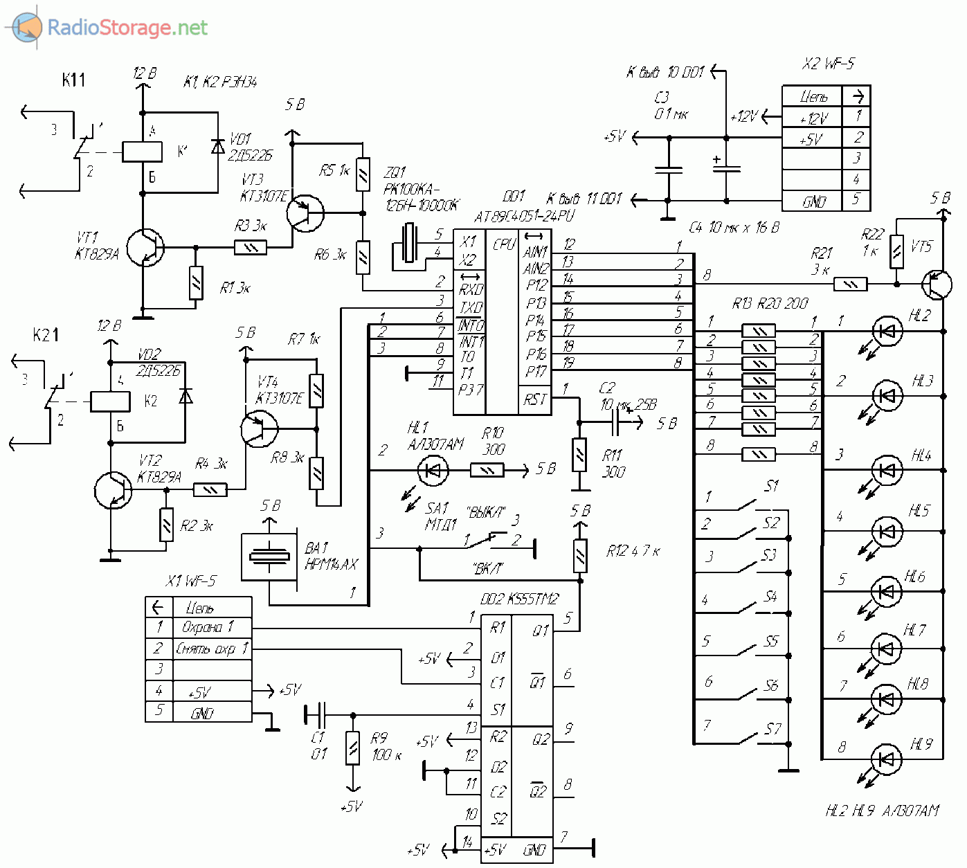
Схема охранного устройства
Алгоритм работы ПОУ № 1 (принципиальная схема рисунок 2) следующий. Внешними (выносными) элементами по отношению к ПОУ являются семь концевых выключателей (S1…S7), которые позволяют контролировать состояние семи дверей с помощью индикаторов HL2…HL8. Один концевой выключатель контролирует состояние одной двери.
Если дверь закрыта — концевой выключатель разомкнут. Соответствующий индикатор — не горит (погашен).

Рис.2. Принципиальная схема охранного устройства.

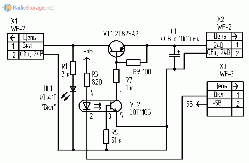
Рис. 3. Схема электронного ключа для задвижки (на ток до 15А).
Если дверь открыта — концевой выключатель замкнут. Соответствующий индикатор — периодически мигает. В интерфейс контроля и управления ПОУ входят: тумблер SA1, индикаторы HL1… HL9. Конструктивно, все вышеуказанные элементы целесообразно разместить на отдельной панели управления устройства.
Элементы интерфейса управления ПОУ имеют следующее назначение:
- SA1 — тумблер включения сигнализации. При установке данного тумблера в положение «ВКЛ» — устройство ставится под охрану. Устройство ставится под охрану, через ~ 10 сек. с момента установки тумблера SA1 в положение «ВКЛ» из положения «ВЫКЛ». После установки устройства под охрану, сигнализация срабатывает через ~ 10 сек с момента замыкания любого концевого выключателя S1…S8;
- HL1 — индикатор активации режима охраны. Если устройство находится в режиме «охрана», данный индикатор — горит, если в режиме » контроль состояния дверей» данный индикатор — погашен;
- HL9 — функциональный индикатор микроконтроллера DD1. Данный индикатор периодически мигает, сразу после подачи питания на устройство. Мигающий индикатор HL9 указывает на то, что микроконтроллер DD1 «не завис», а функционирует по заданному алгоритму.
ПОУ построена на микроконтроллере DD1, рабочая частота которого задается генератором с внешним резонатором ZQ1 на 10 МГц. К порту РЗ микроконтроллера DD1 подключены тумблер SA1, пьезоэлектрический излучатель ВА1, индикатор HL1, ключи на транзисторах VT1…VT4. К порту Р1 микроконтроллера DD1 подключены концевые выключатели S1…S7 и индикаторы HL2…HL9.
Питание на данные индикаторы поступает через ключ на транзисторе VT5, который управляется с вывода 19 микроконтроллера DD1. Резисторы R13…R20 — токоограничительные для, индикаторов HL2…HL25. Резистор R10 — токоограничительный для индикатора HL1.
Реле К1, К2 управляются соответственно с выводов 2, 3 DD1.
Спустя 10 сек с момента подачи лог. 0 на вывод 3 микроконтроллера DD1- ПОУ ставится под охрану. Для этого необходимо установить тумблер SA1 в положение «ВКЛ» или установить прямой выход D-триггера DD2( вы вод 5 DD2) в лог. 0. Рассмотрим работу устройства в данном режиме.
Если включится любой из концевых выключателей S1…S7 ( будет открыта любая дверь) то на соответствующем выводе порта Р1 микроконтроллера DD1 будет присутствовать сигнал уровня логического 0. Через ~ 10 сек. с момента замыкания концевого выключателя включится звуковая сигнализация (пьезоэлектрический излучатель ВА1).
При этом на выводе 3 микроконтроллер DD1 установит уровень логического 0 (Включится реле К2). Реле К1 будет периодически включаться и выключаться с периодом ~ 1 сек ( на выводе 2 микроконтроллера DD1 выходной сигнал будет иметь форму меандра).
Сигнализация включится и в том случае если любой из концевых выключателей S1…S7 включится на короткое время (например, открыть и тут же закрыть дверь форточку). Сигнализация выключается установкой тумблера SA1 в положение «ВЫКЛ» или установкой прямого выхода D-триггера DD2 в лог. 1. Доступ к тумблеру SA1 целесообразно ограничить.
Пусть тумблер SA1 установлен в в положение «ВЫКЛ. Тогда при открывании дверей будут только периодически мигать соответствующие индикаторы. При этом, при открывании одной двери, в течении 2 сек. будет работать звуковая сигнализация (пьезоэлектрический излучатель ВА1).
К контактам реле К1, К2 можно подключить различные исполнительные механизмы или их цепи управления (механизм блокировки дверей, ревун и т. д.). Разработанная программа на ассемблере занимает всего-то порядка 0,4 КБайт памяти программ микроконтроллера.
Настройка велосипедного кодового замка

Чтобы понимать, как открыть велосипедный замок с кодом, нужно знать пароль. Для усложнения процесса взлома обязательно поменяйте заводскую последовательность цифр. Многие владельцы ленятся это сделать и в результате теряют велосипед.
Порядок действий для смены пароля кодового замка:
- Откройте замок, используя заводскую комбинацию. Обычно это «0000» или «5555».
- Возле цифр найдите специальное кольцо, сдвиньте его согласно направлению стрелки до максимального положения.
- Введите новую цифровую комбинацию.
- Верните специальное кольцо в прежнее положение.
- Воспользуйтесь замком по назначению.
А такая ситуация далеко не редкость.
Простой кодовый замок
Наиболее простой вариант кодового замка имеет три или четыре окошка для цифр. Для ввода возможных комбинаций, количество которых составляет 1000 единиц, достаточно одного часа.
Если с одной стороны, это упрощает случаи, при которых владелец забыл код и хочет самостоятельно узнать, как открыть велосипедный замок. То с другой стороны, такая легкость процесса взлома привлекает многих любителей наживы.
Как открыть велосипедный кодовый замок, если забыл цифровую комбинацию?
- Введите комбинацию из одинаковых цифр. Например, «0000» или «1111».
- Растяните конструкцию замка в противоположные стороны.
- Поочередно меняйте цифры. При правильной последовательности соседних цифр появится характерный просвет.
- Продолжайте менять цифры, пока не получите все просветы, что приведет к открытию замка.
У большинства моделей при открытии вы почувствуете вибрацию механизмов или услышите щелчок.
Кодовый замок Cyclotech

Если вы забыли пароль от такого велосипедного замка, как Cyclotech, то открыть его будет сложнее, но вполне реально. Понадобятся только настойчивость и запас лишнего времени.
Как открыть кодовый велосипедный замок Сyclotech?
- Установите любую первую цифру.
- Определите, где находится отметка, через которую необходимо пройти цифре для перехода на следующий уровень.
- Пройдите найденную отметку на каждом уровне. Продолжайте, пока не получите первоначальную комбинацию на новом уровне.
- На третьем уровне прокручивайте тумблер в обратную сторону, то есть против часовой стрелки.
Существует второй способ, как открыть велосипедный замок Сyclotech. Этот вариант подойдет вам больше, если вы не отличаетесь усидчивостью или же не обладаете большим запасом времени. Порядок действий:
- Раскройте пластиковую защиту, чтобы получить доступ к механизму, который держит кодовые диски.
- Достаньте торцевую шпильку, а также пружинку, которая сжимает барабаны с цифрами.
- Вытащите все барабаны и шайбы, находящиеся между ними. Чтобы снять шайбы, крутите их по часовой стрелке.
- После снятия последнего барабана потяните трос.
- Замок откроется.
Далее верните обратно все элементы на прежние места. Выберите в качестве нового кода более простую для вас комбинацию.
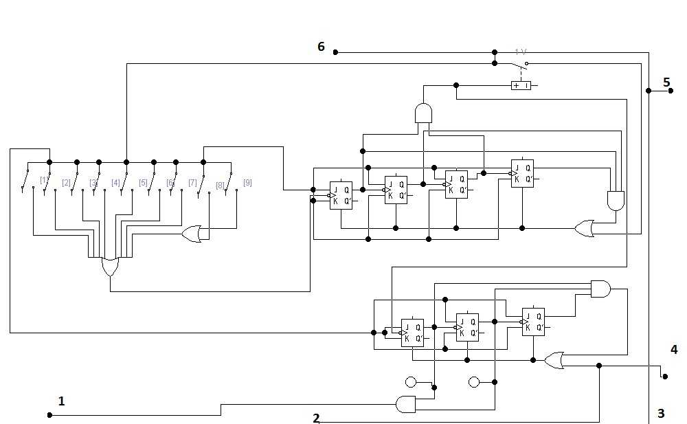
Реализуемая схема кодового замка
Предлагаемая схема кодового замка отличается простотой и надежностью в работе. Все использованные в устройстве компоненты легко доступны и широко используются.
Замок содержит наборное поле из кнопок SB1—SB 9 и дверную кнопку SB10, элементы совпадения DD1. 4, DD2. 4, DD3. 3, DD4. 3 и четыре триггера на элементах DD 1. 1, DD1. 2, DD2. 1, DD2. 2, DD3. 1, DD3. 2, DD4. 1, DD4. 2, ключевой каскад на транзисторе VT1 и тиристоре VS1.
В исходном состоянии (при закрытой двери) контакты дверной кнопки SB10 разомкнуты, и все триггеры находятся в состоянии, при котором на выводах 4 элементов DD1. 2, DD2. 2, DD3. 2 присутствует напряжение высокого уровня. При этом на базе транзистора VT1 будет напряжение низкого уровня, ключевой каскад закрыт, элементы задвижки обесточены.
При управлении замком применяют пятизначный код. Эти кнопки и служат «ключом» к замку. Код замка задают сменой порядка подключения проводов к ключам.
Нажатием кнопки, соответствующей первой цифре кода, переключается триггер на элементах DD1. 2, DD1. 1. Напряжение высокого уровня с него поступает на вывод элемента совпадения DD1. 4. При нажатии следующей кнопки (вторая цифра кода) на вывод элемента DD1. 4 поступает уровень логической единицы, что приводит к переключению триггера на элементах DD2. 1 и DD2. 2. С его выхода высокий уровень поступает на вход элемента совпадения DD2. 4. Таким же образом Срабатывают и остальные цифры.
В результате такого последовательного переключения всех триггеров на один из входов элемента совпадения DD4. 3 поступает напряжение высокого уровня. Такой же уровень воздействует и на второй вход DD4. 3 через резистор R4. После набора пятой цифры кода на третьем входе элемента совпадения DD4. 3 также появится напряжение высокого уровня, а на его выходе — напряжение низкого уровня. Этот сигнал инвертируется элементом DD3. 4, и на базу транзистора VT1 через резистор R7 поступает уровень логической единицы. Транзистор VT1 открывается, что ведет к открыванию тиристора VS1, замыкающего цепь питания задвижки.
Если в процессе набора кода будет нажата кнопка с цифрой, не входящей в него, то все триггеры возвратятся в исходное состояние. После этого код нужно набирать заново. Триггеры устанавливаются в исходное состояние и при открывании двери. Сброс в этом случае осуществляется кнопкой SB10.
Во избежание ложного срабатывания электромагнита при подаче напряжения питания включена цепь R6, С1. При появлении напряжения питания напряжение на конденсаторе С1 возрастает постепенно, благодаря чему все триггеры устанавливаются в исходное состояние.
Так же на схеме присутствует сигнализация, которая срабатывает после того как клавиши будут нажаты 15 раз, т.е. после 3-ей неправильной попытки ввести код.

Структурная схема
Рис. 4
На Рис. 5 приведена принципиальная схема замка. Выводам 1-5 соответствуют вывода на кодозадающие кнопки. Выводам 7,8 вывода на датчик открытия двери. Вывод 9 выходит на тиристор VS 1. А вывод 10 на питание сигнализации.

Принципиальная схема замка.
Рис. 5
На рис. 6 представлена схема задвижки. На единственный вход идет сигнал от замка, открывающий тиристор.

Рис. 6
На Рис.7 представлена принципиальная схема сигнализации. Выводу 1 соответствует выход на сирену. Выводы 2 и 3 выходят на кнопку отключения и сброса счетчика сигнализации. Выводам 4, 5 соответствует датчик открытия двери. А на ввод 6 подается питание.

Рис. 7
Вывод
В результате проделанной работы были закреплены и обобщены знания, полученные на учебных занятиях, получен навык для самостоятельного применения полученных знаний для комплексного решения конкретных практических задач. Проанализировав методы решения задачи разработки кодового замка, был разработан наиболее доступный вариант решения.




























