Действие схемы
Действие схемы 3-фазного полностью контролируемого мостового выпрямителя описывается в этой странице. Трехфазный полностью контролируемый мостовой выпрямитель может быть сконструирован, используя шесть тиристоров. Можно видеть, что напряжение фазы А является наивысшим из трех фазных напряжений, когда Θ находится между 30° и 150°.
Также можно видеть, что напряжение фазы В является наивысшим трехфазных напряжений, когда Θ находится в между 150 и 270° и что напряжение фазы С является наивысшим из фазных напряжений, когда Θ находится между 270 и 390° или 30° в следующем цикле.
Напряжение фазы А является самым низким трехфазных напряжений, когда Θ находится между 210 и 330°. Можно также видеть, что напряжение фазы В является самым низким из фазных напряжений, когда Θ находится между 330 и 450° или 90° в следующем цикле, и что напряжение фазы С является самым низким, когда Θ находится 90 и 210°.
Если используются диоды, диод d1 вместо s1 проводил бы напряжение от 30 до 150°, диод d3 проводил бы от 150 до 270° и диод d5 – от 270 до 390° или 30° в следующем цикле. Таким же образом, диод d4 проводил бы от 210 до 30°, диод d6 – от 330 до 450° или 90° в следующем цикле, и диод d2 проводил бы от 90 до 210°. Положительный рельс выходного напряжения моста соединяется с наивысшими сегментами конверта трехфазных напряжений и отрицательного рельса выведенного напряжения к самым низким сегментам конверта.
На любой момент кроме переходных периодов, когда электрический ток перемещен от одного диода к другому, только одна из следующих пар работает в каждый момент.
| Промежуток Θ | Работающий диод |
| 30 до 90 | D1 и D6 |
| 90 до 150 | D1 и D2 |
| 150 до 210 | D2 и D3 |
| 210 до 270 | D3 и D4 |
| 270 до 330 | D4 и D5 |
| 330 до 360 и 0 до 30 | D5 и D6 |
Будет интересно Что такое короткое замыкание
Если используются тиристоры, их включение может быть задержано выбором нужного угла открытия. Когда тиристоры открываются при угле 0, выход из мостового выпрямителя такой же, как из схемы с диодами. Например, видно, что d1 начинает проводить только после Θ = 30°. Действительно, он может начать проводить только после Θ = 30°, так, как он реверсивно направлен до Θ = 30°. Смещение через d1 становится равным 0, когда Θ = 30° и диод d1 начинает становиться прямонаправленным только после Θ = 30°.
Когда Va(Θ)= E*sin (Θ), диод d1 обратно направлен перед Θ = 30° и прямонаправлен когда Θ = 30°. При нулевом угле открытия тиристоров s1 открывается, когда Θ = 30°. Это означает, что если синхронизирующий сигнал нужен для открытия s1, то сигнальное напряжение Va(Θ) отстает на 30° и если угол открытия Θ, тиристор s1 запущен, когда Θ = α + 30°. Предоставляют, что проводимость непрерывна, следующая таблица представляет пару тиристоров в проводимости в любой момент.
| Промежуток Θ | Работающий диод |
| α + 30 до α + 90 | S1 и S6 |
| α + 90 до α + 150 | S1 и S2 |
| α + 150 до α + 210 | S2 и S3 |
| α + 210 до α + 270 | S3 и S4 |
| α + 270 до α + 330 | S4 и S5 |
| α + 330 до α + 360 и α + 0 до α + 30 | S5 и S6 |
Работа мостового выпрямителя иллюстрируется с помощью апплета, который следует за этим параграфом. Вы можете установить угол открытия в рамках 0° < угол открытия < 180° и вы также можете установить мгновенный угол.
Апплет показывает пару тиристоров в проводящем состоянии в выбранный момент. Путь электрического тока показывается в красном цвете на схеме. Мгновенный угол может быть набран в его текстовом поле, или изменен перемещением кнопки линии прокрутки. Вращающаяся векторная диаграмма весьма полезна, чтобы иллюстрировать, как работает схема. Как только угол открытия установлен, позиция вектора для угла открытия установлен.

Выпрямитель трехфазный большой мощности
Затем с изменением мгновенного угла проводящая пара соединяется с толстыми оранжевыми дугами. (на рисунке) Один способ представить себе – вообразить две щетки, которые являются 120° шириной и устройство в фазе соединенное с поведением щеток.
Щетка, которая имеет “угол открытия” написано рядом она действует как щетка соединенная с положительным рельсом и другая действует как будто бы она соединена с отрицательным рельсом. Эта диаграмма иллюстрирует, как схема выпрямителя действует как коммутатор и преобразует переменный ток в постоянный. Выходное напряжение определяется амплитудой фазового напряжения, являясь единым значением.
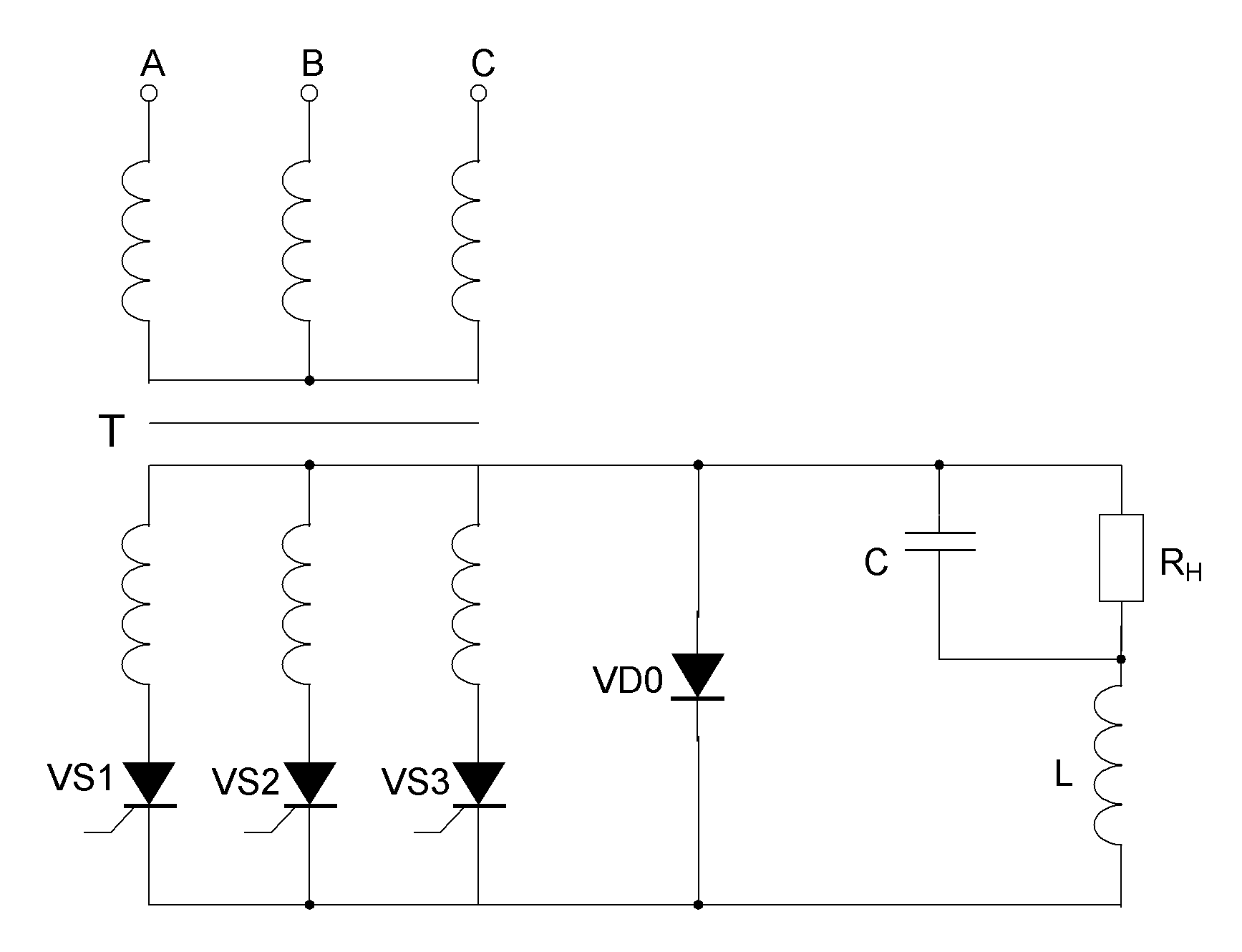
Трехфазный прибор (схема Ларионова)
Трехфазный мостовой выпрямитель (рис. 2.2, а) можно рассматривать как соединение двух трехфазных выпрямителей с нулевым выводом, у одного из которых диоды VD1, VD3, VD5 образуют катодную группу, а у другого диоды VD2, VD4, VD6 образуют анодную группу. Трансформаторы у этих выпрямителей совмещены в один. При работе мостовой схемы ток проводят всегда два диода; один в анодной, а другой – в катодной группе.
В любой момент времени в катодной группе будет открыт тот диод, потенциал которого по отношению к средней точке трансформатора выше (более положительный) потенциала анода других диодов. В анодной группе проводит тот диод, потенциал, которого ниже (более отрицателен) по отношению к потенциалам катодов других диодов.
Например, в момент времени θ = θ1 (рис. 2.2, б) в катодной группе проводит диод VD1, в анодной – VD6. Переход тока с диода на диод в обоих группах происходит в точках естественной коммутации К1, К2, К3,…, А1, А2, А3 и т.д. Порядок вступления диодов в работу соответствует их номерам.
Будет интересно Электрическая цепь и ее элементы
Таким образом, по отношению к нулевой точке трансформатора потенциал общих катодов измеряется по верхней огибающей, а потенциал общих анодов – по нижней огибающей кривых фазных напряжений ua, ub, uc.
Мгновенное выпрямленное напряжение ud мостового выпрямителя равно разности потенциалов катодной и анодной групп и соответствует ординатам, заключенным между верхней и нижней огибающими. Пульсации выпрямленного напряжении ud и тока id a, при активной нагрузке ключ К замкнут происходят с шестикратной частотой по отношению к частоте сети.
Форма выпрямленного тока и тока через диод показана на рис. 2.2, в, г, при активной нагрузке выпрямителя rв и работе выпрямителя на обмотку возбуждения (см. рис. 2.2 в, штриховая линия). Обратное напряжение имеет форму, как в нулевой схеме, но в два раза меньшей амплитуды. Ток в каждой фазе вторичной обмотки трансформатора протекает дважды за период в противоположных направлениях. В связи с этим в мостовой схеме отсутствует вынужденное подмагничивание сердечника трансформатора.
Форма первичного тока находится из условия компенсации магнитодвижущих сил (МДС) первичной и вторичной обмоток при соединении первичной обмотки в звезду. Выпрямитель при этом нагружен на обмотку возбуждения.
Расчетные соотношения для мостовой схемы находятся из общих формул (2.1 – 2.8), при m = 6. При сравнительном анализе трехфазной нулевой и мостовой схем можно сделать те же выводы, что и для соответствующих однофазных схем.
Улучшение гармонического состава кривых выпрямленного напряжения и сетевого тока достигается в многофазных схемах выпрямления, используемых для машин большой мощности. На практике широко применяют двенадцатифазные схемы выпрямления (m = 12), образованные последовательным или параллельным соединением двух мостовых выпрямителей.
![]()
Расчет выпрямителей
Описание выпрямителей
Трехфазный мостовой выпрямитель
Основное отличие устройств от своих однофазных аналогов проявляется в следующем:
- первые устанавливаются в линиях 220 Вольт и служат для получения постоянных токов незначительной величины (до 50-ти Ампер);
- трехфазные выпрямители используются в цепях, где рабочие (выпрямленные) токи существенно превышают этот показатель и достигают нескольких сотен Ампер.
- в сравнении с однофазными образцами эти приборы имеют более сложное устройство.
Известны схемы выпрямления трехфазного напряжения, позволяющие получить на выходе минимальный уровень пульсаций.
В электротехнике они называются «трехфазные мостовые выпрямители», так как по способу открывания диодов, управляемых полярностью напряжения, они напоминают мост через реку с односторонним движением. Только направление потока электронов в них чередуется с частотой 50 Гц, недоступной для проезда машин поочередно в каждую из сторон.
Новое на alldoma.ru
В промзоне района Хорошево-Мневники построят новый жилой квартал!
Промышленную зону в районе Хорошево-Мневники на северо-западе столицы реорганизуют и благоустроят, сообщил главный архитектор Москвы Сергей Кузнецов.
Подробнее…
«Главстрой Санкт-Петербург» предлагает приобрести жилье комфорт-класса в ипотеку по ставке всего 0,5% годовых!
«Главстрой Санкт-Петербург» первым из застройщиков, базирующихся в Северной столице, предлагает в текущих условиях специальную ипотечную программу со ставкой 0,5% годовых на первый год.
Подробнее…
WE KNOW – новое имя !
Один из лидеров в сфере риелторских и консалтинговых услуг на рынке жилой недвижимости столицы официально объявил о начале работы под новым брендом. Теперь официально переименована в WE KNOW. Она больше не является частью консалтинговой компании S.A. Ricci и никак от нее не зависит.
Подробнее…
«Кортрос Live»: новый онлайн-формат общения с аудиторией ГК «Кортрос»!
Федеральный застройщик ГК «Кортрос» активно продвигает компанию и свои проекты, используя онлайн формат корпоративного YouTube канала. В рамках этого проекта топ-менеджеры и сотрудники компании рассказывают в прямом эфире о новостях группы, о преимуществах объектов ГК «Кортрос», специфике онлайн-сделок и отвечают клиентам на все интересующие вопросы.
Подробнее…
«Садовые кварталы» стали самым продаваемым элитным проектом 2020 года! Эксперты компании Est-a-Tet подвели итоги 2020 года на рынке элитных столичных новостроек и пришли к выводу, что жилой комплекс «Садовые кварталы», реализуемый в Хамовниках, стал самым востребованным проектом данного сегмента – в прошлом году в нем было продано более 17 тыс. кв. м жилья. Подробнее…
Классификация по назначению и устройству
Выпрямительные схемы
Однополупериодный выпрямитель.
Схема однополупериодного выпрямителя выглядит следующим образом:

Пусть на входе у нас переменное напряжение, меняющееся по синусоидальному закону:
Резистор же R_н играет роль нагрузки. То есть мы должны обеспечить протекание через него постоянного тока. Давайте разберемся как эта простейшая схема сможет решить нашу задачу!
Итак, диод D_1 пропускает ток только в одном направлении, в те моменты, когда к нему приложено прямое смещение, что соответствует положительным полупериодам (U_{вх}\gt0) входного сигнала. Когда к диоду будет приложено обратное смещение (отрицательные полупериоды), он будет закрыт и по цепи будет протекать только незначительный обратный ток. И в результате сигнал на нагрузке будет выглядеть так:
Обратным током обычно можно пренебречь, поэтому в итоге мы получаем, что ток через нагрузку протекает только в одном направлении. Но назвать его постоянным не представляется возможным Ток через нагрузку хоть и является выпрямленным (протекает только в одном направлении), но носит пульсирующий характер.
Для сглаживания этих пульсаций в схему выпрямителя тока обычно добавляется конденсатор:

Идея заключается в том, что во время положительного полупериода, конденсатор заряжается (запасает энергию). А во время отрицательного полупериода конденсатор, напротив, разряжается (отдает энергию в нагрузку).
Таким образом, за счет накопленной энергии конденсатор обеспечивает протекание тока через нагрузку и в отрицательные полупериоды входного сигнала. При этом емкость конденсатора должна быть достаточной для того, чтобы он не успевал разряжаться за время, равное половине периода.
Проверяем напряжение на нагрузке для этой схемы:

В точке 1 конденсатор заряжен до напряжения U_1. Далее входное напряжение понижается, а конденсатор, в свою очередь, начинает разряжаться на нагрузку. Поэтому выходное напряжение не падает до нуля вслед за входным.
В точке 2 конденсатор успел разрядиться до напряжения U_2. В то же время значение входного сигнала также становится равным этой же величине, поэтому конденсатор снова начинает заряжаться. И эти процессы в дальнейшем циклически повторяются.
А теперь поэкспериментируем и используем в схеме однополупериодного выпрямителя конденсатор меньшей емкости:

И здесь мы видим, что конденсатор из-за меньшей емкости успевает разрядиться гораздо сильнее, и это приводит к увеличению пульсаций, а следовательно к ухудшению работы всей схемы.
На промышленных частотах 50 – 60 Гц однополупериодный выпрямитель практически не применяется из-за того, что для таких частот потребуются конденсаторы с очень большой емкостью (а значит и внушительными габаритами).
Смотрите сами, чем ниже частота, тем больше период сигнала (а вместе с тем, и длительности положительного и отрицательного полупериодов). А чем больше длительность отрицательного полупериода, тем дольше конденсатор должен быть способен разряжаться на нагрузку. А это уже требует большей емкости.
Таким образом, на более низких частотах в силу своих ограничений эта схема не нашла широкого применения. Однако, на частотах в несколько десятков КГц однополупериодный выпрямитель используется вполне успешно.
Рассмотрим преимущества и недостатки однополупериодного выпрямителя:
- К основным достоинствам схемы, в первую очередь, конечно же, можно отнести простоту и, соответственно, небольшую себестоимость – используется всего один диод.
- Кроме того, снижено падение напряжения. , при протекании тока через диод на нем самом падает определенное напряжение. По сравнению с мостовой схемой (которую мы разберем в следующей статье), ток протекает только через один диод (а не через два), а значит и падение напряжения меньше.
Основных недостатков также можно выделить несколько:
- Схема использует энергию только положительного полупериода входного сигнала. То есть половина полезной энергии, которую также можно было бы использовать, уходит просто в никуда. В связи с этим КПД выпрямителя крайне низок.
- И даже с использованием сглаживающих конденсаторов величина пульсаций довольно-таки значительна, что также является очень серьезным недостатком.
Итак, давайте резюмируем! Мы разобрали схему и принцип работы однофазного однополупериодного выпрямителя тока, а в следующей статье перейдем к более сложным схемам выпрямителей, не пропустите!
Однополупериодный выпрямитель.
Сглаживание
Однофазный электрический двухполупериодный выпрямитель, независимо от того, сколько диодов он совмещает, требует дополнительного сглаживания выходного напряжения. Пульсация сильно влияет на работу самого устройства, для которого собран такой выпрямитель. Для сглаживания пульсации тока схема выпрямления дополняется фильтрами. Они могут быть собраны из:
- Высокоемкостного конденсатора. Такой фильтр является емкостным или «С-фильтром». В момент открытия диода, конденсатор заполняется током и играет роль емкости. В момент закрытия диода, происходит постепенная разрядка емкости, тем самым сглаживается напряжение без каких-либо скачков.
- Катушки индуктивности. Катушка индуктивности в качестве фильтра может использоваться в дополнение к конденсатору или вместо него. Работает такой фильтр по принципу отсутствия мгновенного изменения тока на катушке. При прохождении положительной полуволны по катушке, значение тока увеличивается плавно и медленно. При изменении полуволны на отрицательное значение, ток в катушке меняется с запаздыванием, что значительно снижает резкость пульсации.
При проектировании диодных выпрямителей учитывается нагрузка последующих элементов цепи. Так, если сопротивление после выпрямителя значительно малое, то использование емкостного фильтра нецелесообразно. При малой нагрузке потребуется более емкостный конденсатор. Таким образом для подобных схем с малым сопротивлением, более рационально использовать индуктивный фильтр.
Что собой представляет мостовой выпрямитель
Такие выпрямители характеризируются наличием диодного моста. Они преобразовывают входной синусоидальный сигнал в такой, который не имеет отрицательных полупериодов. Это можно сделать различными способами, от выбора которых зависит качество работы выпрямительного моста.
Схема мостового выпрямителя строится на использовании диодов. В этих радиодеталях применяются полупроводники p-типа и n-типа. Если через них проходит сигнал определённой полярности, то он пропускается без изменений. Если знак меняется, на выходе получается нулевой ток.
Существуют различные варианты мостовых схем. Самая простая — однофазная мостовая схема выпрямления. Ее использование обеспечивает на выходе положительные полупериоды, разделённые нулевыми участками. Мостовой однофазный выпрямитель выполняет выпрямление невысокого качества.
При использовании более сложных диодных мостов можно получить сигнал, в котором отрицательные импульсы заменены такими же, но положительными. Выпрямительный мост с четырьмя диодами обеспечивает на выходе сигнал удвоенной частоты.
Мостовой трехфазный выпрямитель, схема которого включает три диодных моста, расположенных параллельно, позволяет получать наиболее высокое качество выпрямления.
Проектирование
Расчет даже простого двухполупериодного преобразователя является непростой задачей. Существенно упростить ее можно используя специальное программное обеспечение. Мы рекомендуем остановить выбор на программе Electronics Workbench, которая позволяет выполнить схематическое моделирование аналоговых и цифровых электрических устройств.
Смоделировав в этой программе двухполупериодный выпрямитель можно получить наглядное представление о принципе его работы. Встроенные формулы позволяют рассчитать максимальное обратное напряжение для диодов, оптимальную емкость гасящего конденсатора и т.д.
Источник
Распространенные схемы двухполупериодных выпрямителей
Однополупериодный выпрямитель

Схема однополупериодный выпрямитель
Этот выпрямитель работает только в течение положительного полупериода синусоиды. Это можно видеть на следующем графике:

Выпрямленный ток после однополупериодного выпрямителя
На выходе после диода мы получаем пульсирующее напряжение, нам нужно сделать из него постоянное, то есть из пульсирующего тока получить постоянный. Для этих целей служит электролитический конденсатор большой емкости, подключенный параллельно выходу питания в соответствии с полярностью. На фотографии ниже можно увидеть внешний вид подобного конденсатора:

Электролитический конденсатор большой емкости
Такой конденсатор благодаря большой емкости разряжается в течении отрицательного полупериода синусоиды. Обычно для фильтрации напряжения в выпрямителях применяют электролитические конденсаторы от 2200 микрофарад
В усилителях и других устройствах, где важно чтобы напряжение не проседало при увеличении мощности нагрузки, ставят конденсаторы на большую емкость, чем 2200 микрофарад. Для устройств питающих бытовую аппаратуру обычно конденсаторов такой емкости бывает достаточно
На следующем графике (выделено красным), мы можем видеть, как конденсатор поддерживает напряжение стабильным во время прохождения отрицательной полуволны.

Выпрямленный ток в однополупериодном выпрямителе после конденсатора
Принцип действия двухполупериодной схемы
Рассмотрим два варианта реализации двухполупериодного преобразователя (выпрямителя): балансный и мостовой. Схема первого показана на рисунке ниже.

Простейший неуправляемый балансный преобразователь на двух диодах с использованием трансформатора со средним выводом
Используемые элементы:
- Tr – трансформатор, у которого имеются две одинаковые вторичные обмотки (или одна с отводом по середине);
- DV1 и DV2 – вентили (диоды);
- Cf – емкостной фильтр;
- Rn – сопротивление нагрузки.
Приведем сразу для наглядности осциллограмму в контрольных точках.

Диаграмма прибора балансного типа
- U1 – осциллограмма на входе;
- U2 – график перед емкостным фильтром;
- Un – диаграмма на выходе устройства.
Данная схема — это два совмещенных однополупериодных преобразователя, то есть на два раздельных источника приходится одна общая нагрузка. Результат работы такого устройства наглядно демонстрирует график U2. Из него видно, что в процессе используются оба полупериода, что и дало название этим преобразователям.
Осциллограмма наглядно демонстрирует преимущества такого устройства, а именно, следующие факты:
- частота пульсаций на выходе устройства удваивается;
- уменьшение «провалов» между импульсами допускает использование меньшей фильтрующей емкости;
- двухтактный преобразователь обладает большим КПД, чем однополупериодный.
Теперь рассмотрим мостовой тип, он изображен на рисунке ниже.

Схема: Пример использования диодного моста
Осциллограмма устройства мостового типа практически не отличается от балансного, поэтому приводить ее нет смысла. Основное преимущество такой схемы – нет необходимости использовать более сложный трансформатор.
Видео: Двухполупериодный выпрямительный мост
Преобразователи, где используется полупроводниковый диодный мост, широко применяются как в электротехнике (например, в аппаратах для сварки, где номинальный ток может доходить до 500 ампер), так и радиоэлектронике, в качестве источника для слаботочных цепей.
Заметим, что помимо полупроводниковых можно использовать и вакуумные диоды – кенотроны (ниже показан пример схемы такого устройства).

Схема: преобразователь на двуханодном кенотроне 6Ц4П
Собственно, представленная схема – это классическая реализация балансного преобразователя двухполупериодного типа. На сегодняшний день вакуумные диоды практически не применяются, их заменили полупроводниковые аналоги.
Последовательное и параллельное соединения диодов.
Выпрямительные схемы
Выпрямление электрических колебаний, это процесс, в результате которого переменное входное колебание преобразуется в выходное колебание только одного знака (рисунок 1.5). Процесс выпрямления используется в устройствах электропитания (блоках питания) и демодуляторах.
Выпрямление всегда осуществляется при использовании нелинейных элементов, обладающих свойством однонаправленного пропускания электрического тока. Благодаря таким свойствам на выходе выпрямляющего элемента получают ток одного знака.
Для выпрямления применяют полупроводниковые и вакуумные (кенотроны) диоды, газоразрядные диоды (газотроны), тиратроны, кремниевые и селеновые элементы, тиристоры и другие элементы с нелинейными свойствами в зависимости от применения, значений выпрямленных напряжений и токов, отбираемых нагрузкой. В маломощных электронных устройствах для выпрямления чаще всего применяют полупроводниковые диоды.
Название “выпрямитель” используется, прежде всего, для схем, преобразующих переменный ток в постоянный. Выпрямителем называется также и сам элемент с однонаправленными свойствами, используемые в процессе выпрямления.
Однополупериодным выпрямителем называется такой выпрямитель, на выходе которого после процесса выпрямления остаются колебания одного знака. Схема однополупериодного выпрямителя, возбуждаемого синусоидальным сигналом, представлена на рисунке 1.6.
Диод, включенный таким образом, что приводит ток только при положительных полупериодах входного колебания, т.е. когда напряжение на его аноде больше потенциала катода. Среднее значение колебания, полученного в результате выпрямления синусоидального напряжения с действующим значением и максимальным значением , равно
Например, при выпрямлении напряжения с действующим значением , после выпрямления получаем напряжение .
В отрицательный полупериод диод не проводит ток, и все подведенное к выпрямителю напряжение действует на диоде как обратное напряжение выпрямителя. При изменение направления включения диода он будет проводить в отрицательные полупериоды и не проводить в положительные.
Рассматриваемая схема выпрямителя называется последовательной. Название связано с тем, что нагрузка включается последовательно с нелинейным элементом (вентилем).
Двухполупериодным выпрямителем называют такой выпрямитель, в котором после процесса выпрямления остаются участки входного колебания, имеющие один знак. К ним после изменения знака добавляются участки, имеющие противоположный знак.
Принципиальная схема двухполупериодного выпрямителя, управляемого синусоидальным сигналом от трансформатора, показана на рисунке 1.7.
В периоды времени, когда на аноде диода Д1 действует положительное напряжение, на аноде диода Д2 присутствует отрицательное и наоборот. Это происходит потому, что средняя точка вторичной обмотки трансформатора заземлена, и, следовательно, она имеет нулевой потенциал. При положительной полуволне напряжения на вторичной обмотке диод Д1 пропускает ток, а диод Д2 не пропускает.
При отрицательной полуволне положительное напряжение действует на диоде Д2, который при этом проводит, а диод Д1, смещенный в обратном направлении, не проводит. Среднее значение напряжения, полученого на выходе двухполупериодного выпрямителя в 2 раза больше напряжения, полученного на выходе однополупериодного выпрямителя.
Технические параметры выпрямителя:
— Коэффициент пульсаций выпрямителя называется отношение максимального значения переменной составляющей напряжения на выходе выпрямителя к значению его постоянной составляющей на этом выходе. В большинстве применений желательно, чтобы коэффициент пульсаций был как можно меньше. Уменьшение пульсаций достигается путем применения соответствующих фильтров.
— Коэффициент использования трансформатора в выпрямительной схеме, определяется как отношение двух мощностей: выходной мощности постоянного тока и номинальной мощности вторичной обмотки трансформатора.
— Коэффициент полезного действия, это параметр, характеризующий эффективность схемы выпрямителя при преобразовании переменного напряжения в постоянное. КПД выпрямителя выражается отношением мощности постоянного тока, выделяемой в нагрузке, к входной мощности переменного тока. Коэффициент полезного действия определяется для резистивной нагрузки.
—
Частотная пульсация выпрямителя, это основная частота переменной составляющей, существующей на выходе выпрямителя. В случае однополупериодного выпрямителя частота пульсаций равна частоте входного колебания. Фильтрация пульсаций тем проще, чем выше частота пульсации.






























