Варианты замены
Получить источник напряжения 380 В можно и через использование трёх фаз от источников электрического питания с напряжением 220 В, однако в высотных домах делать это рекомендуется только с согласия осуществляющей энергетический надзор компании. При наличии возможности подсоединения электрооборудования к трёхфазному щитку распределения, который обычно находится в подъезде, преобразователь напряжения не нужен — достаточно трёхфазного удлинителя
Существующие способы преобразования однофазного тока в трёхфазный хоть и эффективны, однако имеют некоторые минусы:
- нередкая потеря мощности двигателя;
- невозможность получения трёхфазного тока без присутствия помех;
- мощностные ограничения частотных преобразователей;
- наличие видов электрических двигателей, которые не получится запустить подобными способами в однофазной сети;
- конденсаторы мощности не очень удобны в использовании, так как система получается большой и представляет опасность для помещения.

Сделать подобный прибор в домашних условиях возможно, но достаточно проблематично и трудозатратно, поэтому покупка инвертора будет куда более простым и безопасным решением, учитывая широкий выбор товаров в этом сегменте.
SVARKA-INFO.COM — виртуальный справочник сварщика
СВАРКА ТРЕХФАЗНОЙ ДУГОЙ
, трехфазная сварка — особый вид дуговой сварки, при которой используется трехфазная дуга, состоящая из трех раздельных дуг, питаемых каждая от отдельной фазы трехфазного тока, но горящих в общем плавильном пространстве. Питание трехфазной дуги может быть осуществлено и от однофазных трансформаторов. Существуют различные схемы С. т. д., однако наиболее распространенной является схема, при которой две фазы источника питания подключаются к двум электродам, а третья — к свариваемому изделию. При этом две дуги горят между каждым из электродов и изделием, а третья — между электродами. Различают ручную, автоматическую и полуавтоматическую сварку трехфазной дугой. Первая производится с ручной подачей в зону дуги двух параллельно расположенных электродов, разделенных непроводящим покрытием и закрепленных в одном электрододержателе, обеспечивающем подвод тока раздельно к каждому стержню и перемещаемом вручную вдоль шва. При полуавтоматической сварке трехфазной дугой используется косвенное действие дуги. Она производится с механизированной подачей трех параллельных электродов, разделенных непроводящим покрытием. Ручная и полуавтоматическая сварка трехфазной дугой используются редко, в основном для заплавления отверстий. К электродным покрытиям, кроме обычных требований по химическому воздействию па расплавленный металл, по ионизирующим свойствам, предъявляется еще требование ограничения в некоторых пределах электропроводности и вязкости шлаков, так как в противном случае при высоких температурах нагрева электрода возможно короткое замыкание по межэлектродной части покрытия. Автоматическая сварка трехфазной дугой осуществляется аналогично автоматической сварке под флюсом — с механизированной подачей в зону дуги двух обычных электродных проволок, механизированным перемещением дуги вдоль шва и засыпкой зоны, дуги слоем гранулированного флюса. Специализированные установки для сварки трехфазной дугой отличаются от обычных дуговых сварочных установок особой конструкцией головки, а также наличием специального трансформатора (трансформатор для сварки трехфазной дугой). Существуют также конструкции многодуговых автоматов для сварки под флюсом, допускающие их использование и для С. т. д. На рис. 1 дана наиболее часто применяемая схема сварки трехфазной дугой. На рис. 2 изображен электрододержатель для сварки трехфазной дугой, предназначенный для крепления в нем двойного электрода.
Рис. 1.
Рис. 2. ‹ СВАРКА СПАРЕННЫМИ ЭЛЕКТРОДАМИвверхСВАРКА УЛЬТРАКОРОТКОЙ ДУГОЙ ›
Как делается преобразователь из 220в в 380 самостоятельно с помощью трансформатора
Преобразователь энергии – одно из самых распространенных устройств, которое может применяться как новичками, так и опытными мастерами. При помощи трансформаторов можно добиться любого напряжения в пределах допустимого ресурса устройства, в том числе и 380 Вольт. Что касается использования конденсатора для накопления энергии, то его необходимость всегда остаётся на усмотрение самого потребителя.
Вам это будет интересно Все об пайке
Для того, чтобы обеспечить стабильное электропитание на трёх фазах, следует использовать специальный трёхфазный трансформатор. Основная функция агрегата, помимо изменения напряжения, – это преобразование однофазного тока в трехфазный. Подобные приборы в ассортименте представлены в большинстве магазинах электротехники.
Катушки преобразователя напряжения скреплены треугольным зажимом. Напряжение будет подаваться на обе первичные катушки напрямую, а на последнюю с помощью накопительного устройства. Конденсатор должен выбираться исходя из 7 мкФ, которые приходятся на каждые 100 Ватт мощности.

Процесс работы без конденсатора
Внимание! Важно, чтобы минимальная заводская мощность прибора была не менее 400 Ватт. Кроме того, следует учесть, что подобные устройства запрещено переводить в рабочий режим без нагрузки
Если подобное случается, то требуемое напряжение будет достигнуто, но мощность электромотора при этом будет понижена, а коэффициент полезного действия, в свою очередь, начнёт резко стремиться к нулю.
Трехфазная дуга
Главная / Библиотека / Общие вопросы сварки / Трехфазная дуга
В практике сварки и наплавки металлов часто применяется система дуговых разрядов между тремя электродами, расположенными настолько близко, что выделяющаяся в дугах тепловая энергия действует в общем пространстве, называемом плавильным. Если при этом электроды подключены к трем фазам одной и той же сети, то дуга называется трехфазной. Наиболее распространенная модификация трехфазной дуги и схема ее питания приведены на рис. 195. Две фазы подключены к стержневым электродам, а третья к свариваемому изделию (рис. 195, а). Последовательность и длительность горения каждой из трех дуг зависит от последовательности и чередования фаз и параметров сварочной цепи. Напряжение и ток в дугах также могут существенно изменяться путем изменения расстояния между электродами и индуктивностей La, Lb, Lc в цепи каждой фазы.
Схема горения дуг через каждые 1/6 периода переменного тока приведена на рис. 195, б, 1—6. В каждый момент горит не более двух дуг, хотя при соответствующих напряжениях холостого хода источника питания могут существовать интервалы времени, когда между всеми тремя парами электродов действуют напряжения, достаточные для поддержания дуги. Это объясняется тем, что на торцах электродов не могут существовать одновременно катодное и анодное пятна, как не могут совмещаться в одном и том же пространстве катодная и анодная области.

Рис. 195. Трехфазовая дуга
Очередная дуга между новой парой электродов возникает при существовании разряда на одном из них. Развитие очередной дуги происходит в условиях существования плазмы в зоне ее будущего существования без существенного повышения напряжения между электродами или без пиков зажигания. В связи с этим трехфазные дуги характеризуются высокой устойчивостью и для их питания возможно применение источников с более низким напряжением холостого хода, чем для питания однофазных дуг. Анализ процессов в таких источниках, показал что устойчивое возбуждение и существование составляющих трехфазной дуги возможно при отношении Uxx/Uд = 1,17. Для однофазной дуги это отношение не может быть снижено меньше 1,8.
Статические и динамические характеристики каждой из трех дуг пока не исследованы. Подогревающее действие близко расположенной соседней дуги приводит к уменьшению градиентов напряжений в столбах. Одновременное существование двух катодных или анодных пятен на одном электроде, особенно на тонком стержневом, может вызвать сжатие дуги со всеми вытекающими отсюда последствиями.
Взаимное подогревающее действие соседних дуг может стать причиной существенного расхождения ветвей динамических характеристик при режимах, при которых в однофазной дуге это явление не наблюдается.
Важнейшей технологической особенностью трехфазной дуги, обусловливающей ее техническое применение, является возможность регулирования с помощью индуктивностей La, Lb и Lc мощности и теплоты, расходуемой на плавление электродов и основного металла. Так, увеличивая токи ia и ib и уменьшая ток ic (см. рис. 195), можно повысить долю присадочного металла в шве или наплавке и уменьшить интенсивность плавления основного металла. Применяя в качестве одного из стержневых электродов легированную проволоку, можно менять состав наплавленного металла за счет изменения тока на эту проволоку и т. д.
| ← Типы сварочных дуг | Управление переносом электродного металла → |
Поделиться ссылкой:
Типы инверторов
Форма генерируемого инвертором напряжения бывает разнообразной:
- синусоидальная;
- приближённая к синусоидальной;
- импульсная.

Однофазные преобразователи бывают двух видов: выдающие чистый синус, либо модифицированную выходную синусоиду. Последняя является упрощённой формой сигнала сети и допускается большинством стандартных электроприборов.
Чистую синусоиду требуют аппараты, оснащённые электродвигателем или трансформатором, а также устройства способные работать только с такой формой напряжения.
Трёхфазные преобразователи в основном используют при необходимости создать трёхфазный ток для электрических двигателей. Обмотки двигателя здесь будут напрямую подключены к выходу преобразователя. Мощность его должна выбираться в зависимости от её максимального значения для прибора-потребителя.
Обыкновенно инвертор функционирует в трёх рабочих режимах:
- режим пуска — используется при заряде ёмкости, пуске холодильника и пр. В этом режиме мощность может на мгновения превысить номинал преобразователя в два раза, однако это считается нормальным для большинства устройств;
- длительный — режим, работы по номиналу преобразователя;
- перегрузочный — включается в случаях превышения номинала мощностью потребляющего энергию прибора (в 1,3 раза), позволяет стандартной модели инвертора работать до получаса.

Конструкционные особенности
Преобразователь включает в себя защитную систему, которая предупреждает возможную перегрузку по токам коротких замыканий и скачкам напряжения, и предохраняет от перегревания. Разработанные модели инвертора с 220 на 380 осуществляют плавный запуск двигателя, обеспечивающий возрастание напряжения на старте при неизменной величине его соотношения с фазным током.
Масса и объёмы инвертора допускают его транспортировку, однако стоит такой прибор недёшево. В связи с этим приобретение инвертора при редком использовании трёхфазных электроприборов считается нецелесообразным.
Усовершенствованные модели предлагают набор дополнительных опций, таких как:
- комплект удлинительных кабелей и шлейфов;
- пульты дистанционного управления;
- датчики технологических параметров;
- тормозные резисторы и прерыватели;
- входные и выходные фильтры; платы сопряжения и модуля и пр.

Где применяется
Область применения трехфазных инверторов достаточно большая, а в некоторых случаях без них просто невозможно обойтись. Управление электродвигателями будет гораздо эффективнее, когда используются модифицированные современные трехфазные инверторные устройства. Они включаются в общую схему с одно- и трехфазными асинхронными двигателями, коллекторными агрегатами, а также с трехфазными двигателями постоянного тока.
Для управления разными типами двигателей используются свои режимы, поддерживаемые соответствующим программным обеспечением. Это дает возможность подключать практически любые двигатели в обмотках которых имеется от 1 до 3 фаз. В виде исключения можно отметить конструкцию биполярных двухфазных шаговых двигателей, оборудованных двумя независимыми обмотками.

В состав комплектующих такого инвертора входит основная плата управления, входы и выходы питания, а также интерфейс для ввода необходимых данных и вывода текущих показаний на дисплей или табло. Довольно часто управления осуществляется с помощью компьютера. Подключение инвертора выполняется через специальный разъем, установленный на плате.
В современных инверторах управления предусмотрен демонстрационный режим, при котором поочередно запускается показ основных функций – пуска и остановки, изменения скорости и реверса. Для переключений между функциями предусмотрены 4 кнопки, расположенные на плате.
Классическая схема «звезда» / «треугольник»
При питании «напрямую» от промышленной сети с линейным напряжением 380 В подойдут оба типа двигателей. Нужно лишь убедиться, что схема включения обмоток собрана на нужное напряжение.
Однако на практике для питания в схеме «звезда» / «треугольник» применяют второй тип приводов (380/660 В). Данная схема используется для уменьшения пускового тока мощных двигателей, который может превышать рабочий в несколько раз. Несмотря на то, что этот ток кратковременный, в течение разгона питающая сеть и привод испытывают значительные электрические и механические перегрузки – ведь в первую долю секунды ток двигателя может в 10 раз превышать номинал, плавно снижаясь в процессе разгона.
Схема подключения «звезда» / «треугольник» приведена во многих источниках, поэтому лишь напомним коротко, как она работает.
Чтобы сделать процесс пуска более щадящим, сначала напряжение 380 В подают на обмотки двигателя, включенные по схеме «звезда». Поскольку рабочее напряжение этой схемы должно быть больше (660 В), двигатель работает на пониженной мощности. Через несколько секунд, после того, как привод раскрутится, включается «треугольник», для которого 380 В является рабочим напряжением, и двигатель выходит на номинальную мощность.
Классическую схему мы рассмотрели, а теперь разберём, в каких случаях использовать подключение двигателей в «звезде» и «треугольнике» при питании от преобразователя частоты.
Мониторинг электрических режимов и защита
Инвертор 3L EVA обеспечивает широкий набор встроенных функций, в частности мониторинг фазных токов. Для контроля нагрузки по всем трем фазам используются гальванически изолированные датчики, выходы которых соединены с соответствующими выводами сигнального коннектора и устройством защиты. Уровень отключения тока перегрузки (ОСР) составляет 125% от номинального значения (150 А × 1,25 = 187,5 ±8 А), при его достижении схема управления инвертора блокирует только те силовые ключи, в которых выявлено аварийное состояние.
Сигналы с датчиков температуры трех модулей MiniSKiiP поступают на разъем и схему защиты через оптическую изоляцию. Отключение IGBT производится при достижении уровня (115 ±4) °C. Таким же образом осуществляется гальваническая развязка сигнала, пропорционального напряжению на DC-шине (VDC). Выбранный пороговый уровень отключения силового каскада ((465 ±14) В) исключает возможность возникновения опасных для IGBT коммутационных перенапряжений. Инвертор 3L EVA не содержит тормозной чоппер, способный снизить уровень напряжения в звене постоянного тока, поэтому оно должно быть ограничено пользователем на уровне не более 750 В.
Чтобы обеспечить защиту силовых транзисторов от экстремально высоких токов короткого замыкания, в каждой фазе имеется схема детектирования выхода IGBT T1 и Т2 из насыщения (DESAT). Если падение напряжения на открытом ключе превышает 3 В (при номинальной нагрузке VCE ≈ 1 В), драйвер мгновенно отключает соответствующий транзистор и после некоторой временной задержки — все IGBT в фазной стойке. При этом на плате управления загорается светодиод DESAT.
Уникальной особенностью схемы защиты инвертора 3L EVA является наличие функции активного ограничения напряжения по каждому IGBT. При номинальном значении VCE (430–475 В, в зависимости от окружающей температуры и разброса параметров) через ограничительные стабилитроны, установленные между коллектором и затвором, протекает незначительный ток утечки. После достижения порогового уровня напряжения на коллекторе VCE ≈ 600 В (определяется суммарным падением напряжения на стабилитронах) транзистор переходит в состояние проводимости (активного ограничения). С учетом предельной блокирующей способности транзисторов (VCEmax = 650 В) при этом обеспечивается достаточный запас по перегрузке.
Что нужно учитывать при выборе инвертора для вашей установки
КПД инвертора — это отношение эффективной выходной мощности переменного тока к входной мощности постоянного тока. Однако эти максимальные значения не означают, что устройство будет постоянно работать на максимальной мощности, поскольку на конечную мощность влияют и другие параметры: скорость адаптации MPPT или качество сборки и используемых компонентов.

Дополнительные технические параметры влияют на производительность, поэтому выбор должен быть основан не только на параметрах эффективности
При выборе подходящего инвертора стоит обратить внимание на:
- скорость поиска и поддержания точки максимальной мощности MPPT;
- КПД инвертора при частичной нагрузке;
- устойчивость к изменениям напряжения сети переменного тока;
- диапазон температур, в котором работает устройство. Рекомендуемые значения от -25°C до +60°C;
- гибкость эксплуатации и управления;
- соответствие стандартам безопасности и качества.
Виды преобразователей частоты
Существует несколько типов частотников, которые на данный момент являются самыми распространенными для производства и использования:
Электромашинные (электроиндукционные) преобразователи: используются в тех случаях, когда невозможно или нецелесообразно применение электронных ПЧ. Конструктивно такие устройства являются асинхронными двигателями с фазным ротором, которые работают в режиме генератора-преобразователя.

Данные устройства являются преобразователями со скалярным управлением. На выходе из данного аппарата создается напряжение заданной амплитуды и частоты для поддержания определенного магнитного потока в обмотках статора. Они применяются в тех случаях, когда не требуется поддерживать скорость вращения ротора в зависимости от нагрузки (насосы, вентиляторы и прочее оборудование).
Электронные преобразователи: широко применяется в любых условиях работы для различного оборудования. Такие устройства являются векторными, они автоматически вычисляют взаимодействие магнитных полей статора и ротора и обеспечивают постоянное значение частоты вращения ротора вне зависимости от нагрузки.

- Циклоконверторы;
- Циклоинверторы;
- ПЧ с промежуточным звеном постоянного тока:
- Частотный преобразователь источника тока;
- Частотный преобразователь источника напряжения (с амплитудно- или широтно- импульсной модуляцией).
По сфере применения оборудование может быть:
- для оборудования мощностью до 315 кВт;
- векторные преобразователи для мощности до 500 кВт;
- взрывозащищённые устройства для применения во взрывоопасных и запыленных условиях;
- частотные преобразователи, монтируемые на электродвигатели;

Каждый тип частотного преобразователя имеет определенные преимущества и недостатки и применим для различного оборудования и нагрузок, а также условий работы.
Управление частотным преобразователем может быть ручным или внешним. Ручное управление осуществляется с пульта управления ПЧ, которым можно отрегулировать частоту вращения или остановить работу. Внешнее управление выполняется при помощи автоматических систем управления (АСУТП), которые могут контролировать все параметры устройства и позволяют переключать схему или режим работы (через ПЧ или байпас). Также внешнее управление позволяет программировать работу преобразователя в зависимости от условий работы, нагрузки, времени, что позволяет работать в автоматическом режиме.
Что такое трехфазная сеть?
Фаза означает изменение направления между величинами электросети в один и тот же момент времени. В случае 3-х ф. тока, используют три напряжения, ориентированных в 3-х различных направлениях. Таким образом, напряжение сети вычисляется сложением векторных величин, и не равняется алгебраической сумме всех напряжений.
Рассмотрим на примере того же двигателя. При подаче напряжения 380 В на катушку используются разные пары фаз в определенной последовательности для каждой обмотки. Собственно поэтому характеризуют цепь 380 Вольтами, а не скалярным сложением (220 + 220 + 220 = 660)В. Это объяснение очень упрощено и не совсем полно, но, надеемся, хорошо представлено. Да и написано так, чтобы было ясно, нам, электрическим«чайникам».
Излагая техническим слогом, в трехфазовой электросети, цепи проводников несут три переменных значений физических величин, которые достигают мгновенные пики в разное время. Принимая один проводник в качестве эталона, остальные два течения запаздывают во времени на одну треть и две трети от одного цикла тока. Эта задержка между фазами, имеет эффект передачи мощности в течение каждого цикла, а также позволяет производить вращающееся магнитное поле.
SVARKA-INFO.COM — виртуальный справочник сварщика
СВАРКА ТРЕХФАЗНОЙ ДУГОЙ
, трехфазная сварка — особый вид дуговой сварки, при которой используется трехфазная дуга, состоящая из трех раздельных дуг, питаемых каждая от отдельной фазы трехфазного тока, но горящих в общем плавильном пространстве. Питание трехфазной дуги может быть осуществлено и от однофазных трансформаторов. Существуют различные схемы С. т. д., однако наиболее распространенной является схема, при которой две фазы источника питания подключаются к двум электродам, а третья — к свариваемому изделию. При этом две дуги горят между каждым из электродов и изделием, а третья — между электродами. Различают ручную, автоматическую и полуавтоматическую сварку трехфазной дугой. Первая производится с ручной подачей в зону дуги двух параллельно расположенных электродов, разделенных непроводящим покрытием и закрепленных в одном электрододержателе, обеспечивающем подвод тока раздельно к каждому стержню и перемещаемом вручную вдоль шва. При полуавтоматической сварке трехфазной дугой используется косвенное действие дуги. Она производится с механизированной подачей трех параллельных электродов, разделенных непроводящим покрытием. Ручная и полуавтоматическая сварка трехфазной дугой используются редко, в основном для заплавления отверстий. К электродным покрытиям, кроме обычных требований по химическому воздействию па расплавленный металл, по ионизирующим свойствам, предъявляется еще требование ограничения в некоторых пределах электропроводности и вязкости шлаков, так как в противном случае при высоких температурах нагрева электрода возможно короткое замыкание по межэлектродной части покрытия. Автоматическая сварка трехфазной дугой осуществляется аналогично автоматической сварке под флюсом — с механизированной подачей в зону дуги двух обычных электродных проволок, механизированным перемещением дуги вдоль шва и засыпкой зоны, дуги слоем гранулированного флюса. Специализированные установки для сварки трехфазной дугой отличаются от обычных дуговых сварочных установок особой конструкцией головки, а также наличием специального трансформатора (трансформатор для сварки трехфазной дугой). Существуют также конструкции многодуговых автоматов для сварки под флюсом, допускающие их использование и для С. т. д. На рис. 1 дана наиболее часто применяемая схема сварки трехфазной дугой. На рис. 2 изображен электрододержатель для сварки трехфазной дугой, предназначенный для крепления в нем двойного электрода.
Рис. 1.
Рис. 2. ‹ СВАРКА СПАРЕННЫМИ ЭЛЕКТРОДАМИвверхСВАРКА УЛЬТРАКОРОТКОЙ ДУГОЙ ›
Назначение и принцип работы инвертора
Важно отметить, что скорость вращения могут регулировать и другие устройства, но все они имеют множество недостатков:
Многим известно, что использование частотных преобразователей для регулировки скорости является самым эффективным методом. Это устройство обеспечивает плавный пуск и остановку, а также осуществляет контроль всех процессов, которые происходят в двигателе. Риск возникновения аварийных ситуаций, при использовании преобразователя частоты, крайне незначителен.
Для обеспечения плавной регулировки и быстродействия разработана специальная схема частотного преобразователя. Его использование в значительной мере увеличивает время непрерывной работы трехфазного двигателя и экономит электроэнергию. Преобразователь позволяет довести КПД до 98%. Это достигается увеличением частоты коммутации. Механические регуляторы на такое не способны.

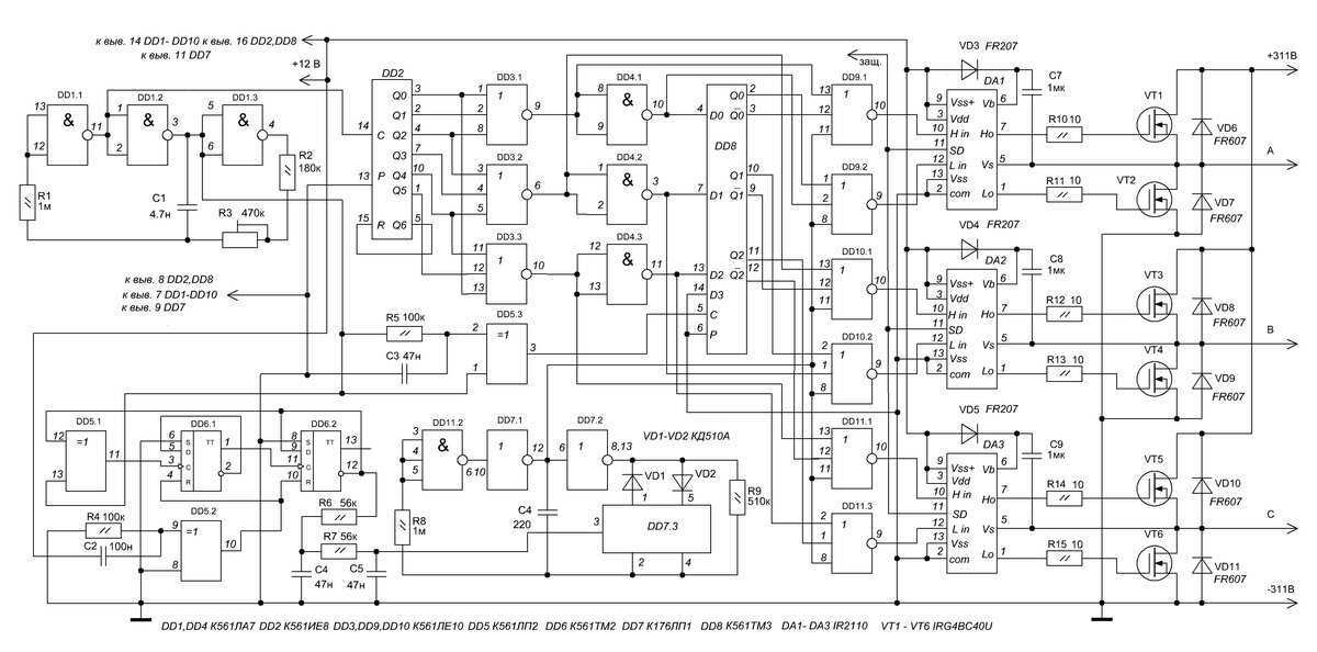
Частотник для трехфазного электродвигателя своими руками (схема)
Подключение преобразователя к электродвигателю можно осуществить по схемам «треугольник» и «звезда».
Мнение эксперта
It-Technology, Cпециалист по электроэнергетике и электронике
Задавайте вопросы «Специалисту по модернизации систем энергогенерации»
Как из 220 сделать 380 вольт: 5 способов Главная особенность трёхфазной сети заключается в том, что напряжение в питающих проводниках сдвинуто относительно друг друга на 120. Спрашивайте, я на связи!
Для чего может быть нужен электродвигателю частотный преобразователь
Применение частотных преобразователей позволяет снизить затраты на электроэнергию, расходы на амортизацию двигателей и оборудования. Их возможно использовать для дешевых двигателей с короткозамкнутым ротором, что снижает издержки производства.
Многие электродвигатели работают в условиях частой смены режимов работы (частые пуски и остановки, изменяющуюся нагрузку). Частотные преобразователи позволяют плавно запускать электродвигатель и снижают максимальный пусковой момент и нагрев оборудования
Это важно, например, в грузоподъемных машинах и позволяет снизить негативное влияние резких пусков, а также исключить раскачивание груза и рывки при остановке
При помощи ПЧ можно плавно регулировать работу нагнетательных вентиляторов, насосов и позволяет автоматизировать технологические процессы (применяются в котельных, на горнодобывающих производствах, в нефтедобывающей и нефтеперерабатывающей сферах, на водопроводных станциях и других предприятиях).
Использование частотных преобразователей в транспортерах, конвейерах, лифтах позволяет увеличить срок службы их узлов, так как снижает рывки, удары и другие негативные факторы при пусках и остановке оборудования
Они могут плавно увеличивать и уменьшать частоту вращения двигателя, осуществлять реверсивное движение, что важно для большого количества высокоточного промышленного оборудования
Преимущества частотных преобразователей:
- Снижение затрат на электроэнергию: за счет снижения пусковых токов и регулирования мощности двигателя исходя из нагрузки;
- Увеличение надежности и долговечности оборудования: позволяет продлить срок эксплуатации и увеличить срок от одного технического облуживания до другого;
- Позволяет внедрить внешний контроль и управление оборудованием с удаленных компьютерных устройств и способность встраивания в системы автоматизации;
- Частотные преобразователи могут работать с любой мощностью нагрузки (от одного киловатта до десятков мегаватт);
- Наличие специальных компонентов в составе частотных преобразователей позволяет защитить от перегрузок, обрыва фазы и короткого замыкания, а также обеспечить безопасную работу и отключение оборудования при возникновении аварийной ситуации.
Конечно, глядя на такой список достоинств можно задаться вопросом, почему бы их не использовать для всех двигателей на предприятии? Ответ тут очевиден, увы, но это высокая стоимость частотников, их монтаж и наладка. Не каждое предприятие может позволить себе эти расходы.
Особенности и схема подключения частотного преобразователя к разным типам электродвигателей
Преобразователи напряжения с 12 на 220 вольт
Асинхронные электродвигатели: устройство, принцип работы, характеристики
Схема работы устройства плавного пуска, его назначение и конструкция
Что такое импульсный блок питания и где применяется
Устройство и принцип действия силовых трансформаторов





























