Конструкция и особенности
Такой источник питания полностью выполнен на электронных компонентах и в нём отсутствуют механические и электромеханические узлы. Этим обеспечивается высокая надёжность устройства и длительный срок его эксплуатации.
ИБП с двойным преобразованием напряжения состоит из следующих элементов:
- Сетевой фильтр;
- Выпрямитель;
- 1-й преобразователь;
- Аккумулятор;
- 2-й преобразователь (инвертор);
- Микроконтроллер;
- Кварцевый генератор;
- Система «байпас» (bypass).

- Сетевой фильтр осуществляет первичную коррекцию сетевого напряжения, сглаживая выбросы и подавляя высокочастотную составляющую;
- В диодном выпрямителе, собранном по мостовой схеме, происходит преобразование переменного тока в постоянный;
- Для зарядки аккумулятора часто используется дополнительный преобразователь, из-за чего такие устройства ошибочно называют ИБП тройного преобразования;
- Управление работой аккумулятора осуществляет контроллер, который не допускает глубокого разряда, в случае необходимости отключая аккумулятор от линии;
- Инвертор, выполненный на мощных MOSFET-транзисторах, выполняет преобразование постоянного напряжения обратно в переменное с очень высокими характеристиками;
- Управление всей работой отельных узлов преобразователя осуществляется и синхронизируется микропроцессором с кварцевым генератором.
В ИБП с двойным преобразованием напряжения имеется система «байпас» или обход. Работа её заключается в следующем. Если напряжение сети соответствует требованиям, необходимым для корректного питания потребителей, «байпас» подаёт напряжение сети на нагрузку напрямую, минуя все электронные компоненты за исключением сетевого фильтра. При отклонении напряжения сети от номинала свыше определённого предела происходит подключение стабилизатора, и питание потребителя начинает осуществляться через блок.

Резервные ИБП
Так называемые резервные ИБП являются самыми простыми и доступными. Принцип работы бесперебойника данного типа крайне прост: электропитание нагрузки осуществляется через сеть, если там имеется напряжение, в противном случае происходит переключение питания от АКБ. Зарядка АКБ осуществляется вовремя работы ИБП. Согласно статистике, эффективность таких ИБП при сбоях питания составляет 55-60%.
В большинстве случаев рассказать о том, как работает ИБП для компьютера, можно сославшись на принцип работы . Большинство домашних бесперебойников для компьютера выполнены по данной технологии. Уровень защиты, который они могут обеспечить является самым низким из всех существующих бесперебойников. Фильтрация сигнала осуществляется лишь частично. Зачастую такого уровня защиты для домашней техники вполне достаточно, так как качество питания в таких сетях несколько выше, чем в промышленных.
Резервные ИБП прекрасно работают в паре с компьютером, но при этом они абсолютно не совместимы для работы в паре с насосами, котлами отопления и другой подобной техникой, так как работа ИБП резервного типа не обеспечивает синусоидальную форму напряжения
. Для компьютеров это не критично, так как в них используются коммутируемые источники питания. Этот факт позволяет таким устройствам выдержать небольшой провал питания за счёт наличия некоторого количества энергии в собственных конденсаторах. Время переключения офлайн с сети на АКБ колеблется от 2 до 15 миллисекунд. Схема работы ИБП включает в себя инвертор, который превращает постоянный ток АКБ в переменный. Следует заметить, что такие ИБП, как правило, являются маломощными.
Бесперебойное питания потребителей постоянного тока
Для некоторых приборов нужно обеспечить бесперебойное питание постоянным током 12, 24 или 48 В. ИБП такого плана тоже есть в продаже. В их маркировке присутствует аббревиатура “DC”. Блоки с подачей напряжения 60, 110 или 220 В тоже существуют, но их применяют в промышленности или энергетике.
Отличие бесперебойников постоянного тока во внутреннем устройстве от классических моделей заключается в отсутствии инвертора. Аккумуляторы подключают непосредственно к выходу через контактор с токоограничительным измерительным шунтом для предотвращения недопустимо глубокого разряда батарей.
Иногда на выходе может стоять стабилизирующий конвертор, если запитанные от ИБП приборы чувствительны к небольшим колебаниям напряжения.
Такие резервные источники питания используют для защиты следующего бытового оборудования, работающего от постоянного тока:
- и охраны;
- всевозможных датчиков (протечки, дыма, огня, движения и др.);
- систем освещения;
- телекоммуникационных приборов;
- систем связи;
- компонентов системы управления .
Многие ИБП постоянного тока имеют опцию подключения внешних аккумуляторов. В этом случае автономное функционирование обслуживаемых ими приборов может быть очень длительным.
Виды корпусов
Бесперебойники выпускаются в следующих видах корпуса:
- Настенные. Устанавливаются при помощи навесного крепления вблизи от сети. Данные ИБП отличаются малой мощностью и небольшими габаритами, за счет чего применяются для защиты котлов отопления и ПК.
- Напольные (башенные). Размещаются на плоской поверхности в вертикальном положении. В зависимости от мощности представляют собой как моноблоки для установки на полу или столе, так и промышленные установки для защиты оборудования.
- Стоечные бесперебойники. За счет горизонтального положения предназначены для установки в стойки и шкафы шириной 50 см. Данный тип корпуса не предназначен для дома, но популярен в промышленной и телекоммуникационной сфере.
- Универсальные ИБП. Представляют собой бесперебойники с возможностью изменения ориентации. В зависимости от назначения их можно расположить в вертикальном и горизонтальном положении. Поэтому универсальные ИБП подходят как для напольной установки, так и для эксплуатации в стойке или шкафу.

Универсальный ИБП.
Децентрализованный или централизованный ИБП
Лучше ли один большой ИБП? Или лучше иметь несколько
небольших ИБП? Ответ зависит от множества факторов. В децентрализованной (или
распределенной) конфигурации ИБП, множественные ИБП поддерживают каждый по небольшому количеству устройств или всего одно устройство. Децентрализованные
ИБП обычно используют разъемное подключение и обычно имеют номинальную мощность
до 6кВА. В централизованной конфигурации один большой ИБП поддерживает
несколько устойств-потребителей. Централизованный ИБП обычно жестко
подключается к распределитель- ному щиту. В следующих таблицах представлены
факторы, которые следует принять к рассмотрению при выборе между
децентрализованной и централизованной архитектурой ИБП.
Децентрализованные ИБП
|
Преимущества |
Недостатки |
|
Не требуется специального подключения. Можно использовать существующие |
Если здание поддерживается генератором, небольшие ИБП резервного и линейно-интерактивного типов могут иметь проблемы с функционированием от генераторного питания. |
|
Оставляют место для будущего роста емкости и не привязывают будущее |
Требуются временной и человеческий ресурсы для контроля нескольких ИБП, |
|
Существующие небольшие ИБП не требуется выбрасывать. (Кстати, многие |
Децентрализованная конструкция не предоставляет возможности просто отключить |
|
Поддержание качества питания происходит непосредственно рядом с потребителями, что устраняет опасность потери качества при передаче |
Добавление резерва, дополнительного времени поддержания питания или |
|
Обеспечивает гибкость в отношении защиты и функциональности. Например, |
Множественные звуковые аварийные сигналы и оповещения могут раздражать |

Централизованные ИБП
|
Преимущества |
Недостатки |
|
Обычно сроки службы ИБП более длительны. |
Одиночный ИБП может представлять собой общую точку отказа. Однако, можно |
|
Одиночный большой ИБП легче контролировать, обслуживать и эксплуатировать, |
Один большой ИБП сложнее приблизить физически к потребителям питания. Скорее |
|
Большой ИБП будет трехфазным, обычно это означает большую эффективность и меньшие затраты. |
Централизованные решения требуют больше места для ИБП, которое может быть |
|
Централизованный ИБП обычно располагается вне доступных и используемых мест. |
Обычно требуется профессиональный сервисный персонал для установки, |
|
Централизованный ИБП может быть размещен в месте с более качественным |
Затраты на установку и подключение могут быть более высоки. |
|
Когда требуется замена батарей, вам надо думать всего об одном ИБП. |
Комбинация конфигураций
Не следует забывать о том, что централизованная и децентрализованная стратегии не обязательно употребляются строго отдельно. Эти
две стратегии могут быть использованы в комбинации для обеспечения
резервирования для критических приложений. Например, весь объект защищается
одним большим централизованным ИБП, но специальный отдел, например,
круглосуточный центр обработки звонков, может иметь отдельные ИБП для резерва
защиты и возможного расширения времени работы.

Однофазное питание
В электротехнике под термином «однофазное питание» понимают
распределение питания, при котором переменный ток всех линий меняется в унисон.
Однофазные сети используются там, где нагрузкой является освещение и обогрев, а количество мощных электродвигателей в ней незначительно.
Однофазное питание – это тот тип питания, который в,
основном, присутствует у вас дома. Обычно домашняя сеть питания – это
однофазное напряжение 220−230В переменного тока. Если вы подключите осциллограф
к обычной домашней розетке, вы увидите синусоидальный сигнал напряжения с действующим значением 230В и частотой колебаний 50 периодов в секунду, т.е. 50 Гц. Питание в виде подобного колебательного сигнала обычно называется
переменным током.
Альтернативой ему является постоянный ток, производимый,
например, батареями. Переменный ток в электросетях имеет, как минимум, три
преимущества перед постоянным.
- Электрогенераторы производят первично переменный ток, таким образом,
преобразование в постоянный ток требует дополнительных действий. - Трансформаторы, на которых строится электро- сеть, работают только с переменным током.
- Преобразовать переменный ток в постоянный несложно, в то время как
оборудование для обратного преобразования достаточно дорого. Это делает
переменный ток лучшим выбором.
Централизованный принцип
Централизованный принцип представляет собой подчиненное управление ведущим ИБП нескольких ведомых, выходные частоты которых синхронизируются ведущим по выделенному интерфейсу параллельной работы (принцип Master/Slaves). При этом различают подчинение постоянное или переменное во времени.
Постоянное подчинение характеризуется тем, что один из ИБП назначается постоянно ведущим и отсутствует его резервирование. При выходе его из строя вся система оказывается неработоспособной . Такой способ управления может быть использован только для наращивания мощности системы. Другим примером постоянно подчиненного управления несколькими силовыми модулями ИБП для организации их параллельной работы является многомодульный принцип построения ИБП с выделенным модулем системного управления . Последний предназначен для получения, обработки информации о состоянии и режиме работы силовых модулей, их синхронизации и аварийного отключения. Для повышения надежности системы возможно использование основного и резервного модулей системного управления, образующих спаренную систему управления. При выходе из строя основного модуля управления резервный принимает на себя полностью или частично функции управления системой.
Переменное во времени подчинение — это приоритетный способ управления, когда ведущему ИБП присваивается высший ранг и он осуществляет синхронизацию ведомых ИБП, аналогично постоянному подчинению. Однако при выходе его из строя маркер приоритета передается следующему назначенному по рангу ИБП и т. д. Такой способ нашел широкое применение при организации параллельного включения трехфазных ИБП.
Форм-факторы ИБП
ИБП применяются во множестве различных систем от настольных ПК до крупных центров обработки данных поэтому они выпускаются в различных форм-факторах корпусов.
1. Настольные и вертикальные ИБП
a. Eaton Ellipse легко размещается на столе или под
столом
b. ИБП Eaton 9130 в вертикальном корпусе размещается под
столом или в сетевой стойке.
2. Настенные ИБП
ИБП Eaton 5115 для установки в стойку может быть закреплен
на стене
3. ИБП для установки в стойку
ИБП со стоечным креплением Eaton 9130 занимает всего 2 единицы высоты пространства стойки (подходит к стойкам с одной или двумя
плоскостями крепления)
4. ИБП в универсальном стоечном / вертикальном
корпусе
ИБП Eaton 5130 могут монтироваться в стойку или
устанавливаться вертикально
5. Масштабируемые ИБП
a. Eaton BladeUPS – это масштабируемые ИБП с возможностью
резервирования в стоечных корпусах
b. Eaton MX Frame
6. Большие стойки ИБП
ИБП Eaton 9390 и 9395 разработаны для использования в качестве центрального источника питания для разнообразной нагрузки, например, в центрах обработки данных.
Бесперебойник для дома — как выбрать?
Первым делом, определитесь, какой тип ИБП вам нужен — онлайн или линейно-интерактивный .
Подсчитайте примерную нагрузку на ИБП, необходимую для одновременной работы, например, котла, насоса, охранной системы, чайника, мини-холодильника и аварийного освещения
Обратите внимание, что нужно учитывать пусковые токи (самое высокое значение из списка этих приборов, вы же не собираетесь включать все приборы одновременно), а не работу оборудования в стандартном режиме. Лучше всего проконсультироваться по этим вопросам у специалистов компании Stark, выпускающей на российский рынок высококачественные ИБП.
Правильно подбирайте аккумуляторные батареи и их количество из ожидаемого времени автономной работы
Сопоставьте это время и планируемую мощность работающего оборудования. Для увеличения срока службы оборудования, зарядного устройства и самих батарей выбирайте модели, рекомендованные производителями ИБП, а также ИБП с контролем уровня заряда АКБ. Компания Stark рекомендует для своих ИБП аккумуляторы следующих фирм: B.B. Battery, Ventura.
Узнайте, какова гарантия, есть ли авторизированные центры, работающие с выбранным вами оборудованием. Предоставляются ли услуги установки, настройки и т.п. К слову, компания Stark предлагает гарантийное обслуживание в 180 авторизированных центрах по всей России.
Обращайте внимание на сертификаты, адаптацию оборудования к российским условиям и т.п. В комплектацию должна входить инструкция и программное обеспечение на русском языке, доступное руководство по эксплуатации. Это продлит срок службы бесперебойника для дома.
Доверяйте безопасность вашего дома только надежным и проверенным производителям. Компания Stark — это немецкое качество бесперебойников для дома, полная адаптация оборудования к использованию в России и экологическая направленность (возможна коммуникация ИБП с солнечными батареями и ветрогенераторами).
7. Что лучше ИБП или стабилизатор
ИБП и стабилизатор, не смотря на свою похожесть выполняют разные функции.
7.1. Сравнительная характеристика
Стабилизатор работает постоянно и выравнивает напряжение на входе. На выходе выдается постоянный уровень напряжения, требуемый для устройства нагрузки. В случае аварии по питанию (на входе 0 напряжения) стабилизатор просто отключится.
ИБП также стабилизирует напряжение на выходе, но при отключении внешнего напряжения еще продолжает некоторое время поддерживать уровень напряжения питания нагрузки.
7.2. Преимущества
Преимущества стабилизатора:
- Стабильное напряжение на выходе;
- Высокий КПД;
- Низкая цена.
Недостатки:
Не работает без внешнего питания.
Преимущества ИБП:
- Надежная защита от внешних факторов;
- Широкий диапазон входных напряжений;
- Работа от аккумулятора при отключении внешнего питания.
Недостатки :
- КПД ниже из-за постоянного преобразования напряжения;
- Повышенный шум в момент скачков электроэнергии;
- Высокая цена.
Возможно, вам также будет интересно
Станислав Резников Олег Гильбурд Евгений Парфенов В статье рассмотрены, обобщены и унифицированы бестрансформаторные однонаправленные и обратимые импульсно-модуляторные конверторы и циклоконверторы, а также инверторы на их основе. Предложена базовая структура обратимого прямоходового двуполярного конвертора (ОПДК) для обеспечения двусторонней совместимости питающих каналов постоянного и переменного тока. Однонаправленные преобразователи Базовыми простейшими импульсными модуляторами для построения полупроводниковых статических преобразователей
Введение Устройства защитного отключения (УЗО) широко применяются во всех странах в электросетях жилых зданий и промышленных предприятий в качестве дополнительной меры защиты людей от поражения электрическим током (УЗО с дифференциальным током срабатывания до 30 мА ) и для защиты от пожара, к которому может привести возрастание температуры при протекании тока через место повреждения изоляции кабелей и других видов электрооборудования (УЗО с токами срабатывания
Для того чтобы получить преимущества от использования полупроводниковых приборов на основе полупроводников с широкой запрещенной зоной (WBG), необходимо снизить суммарное значение паразитной индуктивности системы. Новая технология Hitachi, ориентированная на концепцию мощных высоковольтных модулей, называется next High Power Density Dual, или HPD2. Технология предлагает не только резкое сокращение внутренней индуктивности (на 75% по сравнению с обычными модулями), но и увеличение удельной мощности по сравнению с модулями F-серии, представленными Hitachi в 2014 году. Тогда компании удалось добиться повышения удельной мощности на 20% в сравнении с аналогичными компонентами.
Однако модули nHPD2 обеспечивают еще более высокую плотность мощности (увеличение до 10%). Разработанная технология дополнена функцией измерения тока, которая позволяет детектировать перепад напряжения на внутренней индуктивности выводов. Хотя получить высокую точность измерения при чрезвычайно малой индуктивности модуля сложно, в данной статье предлагается новый алгоритм измерения тока с использованием внутренней индуктивности и проводится его проверка для подтверждения требуемой точности.
Вопросы для выбора ИБП
Какую номинальную мощность ИБП
выбрать
Для будущего расширения мы рекомендуем устанавливать ИБП,
который будет загружен примерно на 75%. В дополнение, батареи стареют и теряют
емкость со временем, заложив запас мощности, вы также получаете запас по батареям.
Какая мощность ИБП требуется именно
Вам
Определите общую потребляемую мощность вашего оборудования в ваттах. Добавьте 10−20 процентов на будущее развитие и выберите минимальное
время работы от батарей.
Что будет в случае перегрузки ИБП
Если защищенное оборудование и/или нагрузка потребляет
больше тока, чем ИБП может предоставить. ИБП переключает нагрузку на байпас (на
несколько минут), пока условия не вернутся к норме. Если перегрузка продолжится
в течение определенного времени, ИБП выключится.
Что вызывает перегрузку ИБП
Есть два возможных ответа: (1) Выбран ИБП
недостаточной номинальной мощности (например, нагрузка, которая потребляет 1200 ВА, была подключена к ИБП с номиналом 1000 ВА), или (2) пользователь
подключил к ИБП больше оборудования, чем первоначально рассчитывалось.
Централизованное или
децентрализованное решение на ИБП
В централизованной конфигурации один большой ИБП
поддерживает несколько устройств-потребителей. Централизованный ИБП часто
жестко подключается к распределительному щиту. Децентрализованная конфигурация
позволяет множеству ИБП защищать по несколько устройств. Децентрализованные ИБП
обычно подключаются к питанию и нагрузке с помощью розеток и вилок.
Для чего нужен ИБП
В первую очередь эти устройства предотвращают повреждения оборудования и не допускают сбоев в работе электронных систем. Они дают возможность корректно завершить работу в случае неожиданного отключения электричества.
С помощью ИБП успешно преодолеваются перебои и электрические помехи, периодически возникающие в домашних и рабочих сетях. Среди них чаще всего встречаются следующие:
- Провалы напряжения. В этом состоянии напряжение внезапно понижается на значительную величину. Для его восстановления требуются различные временные промежутки, в некоторых случаях — десятки секунд. Причина провалов чаще всего связана с ограниченной мощностью подстанции, особенно зимой, а также с запуском и дальнейшей работой мощного оборудования. Физически низкое напряжение проявляется в виде мерцающих лампочек.
- Импульс напряжения. В данном случае напряжение резко изменяется, с амплитудой до 2000 вольт, а затем выходит на обычный уровень за очень короткое время. Для этого требуется не более 10 миллисекунд. Основной причиной считается работа промышленного оборудования, кондиционеров, лифтов, действие грозовых разрядов и т.д.
- Отсутствие напряжения в течение короткого времени. Данный промежуток составляет не более 20 миллисекунд и практически незаметен. Тем не менее, на электронное оборудование оказывается негативное влияние
- Отсутствие напряжения в течение продолжительного времени. Данный период может составлять от 20 миллисекунд до нескольких часов. Причиной являются перегрузки, неблагоприятные погодные условия и физические повреждения на подстанциях, из-за которых линии электропередачи отключаются.
- Изменения частоты в течение короткого периода времени, когда к сети подключается мощное оборудование. Негативное влияние оказывают и радиочастотные шумы при подключении радиопередатчиков, нагрузок, генераторов и промышленного оборудования.
Компании, выпускающие электронику, провели исследования, в результате которых выяснилось, что каждый персональный компьютер в течение месяца не менее 120 раз подвергается различным негативным воздействиям, так или иначе связанным с проблемами напряжения в электрических сетях.
5. Правила подбора ИБП
ИБП подбираются по нескольким параметрам. Это:
- Время работы;
- Характеристики нагрузки;
- По рекомендациям производителей;
- По специальным формулам.
Бесперебойник должен дать пользователю время для корректного закрытия приложений открытых на его компьютере. Это время зависит от мощности потребляемой нагрузки, от вида нагрузки. Ведь в качестве нагрузки может быть не только бытовой компьютер, но и сервер, на котором хранятся очень важные данные, или газовый котел, электроника которого должна быть защищена, но не так критична по требованиям.
5.1. Как рассчитать время работы ИБП
На каждом ИБП имеется маркировка, сообщающая о параметрах устройства. Простой расчет возможен по мощности, которую обеспечивает бесперебойник и мощности потребителя. Мощность нагрузки (самое простое: можно увидеть мощность блока питания компьютера на маркировке) не должна быть выше мощности объявленной производителем источника бесперебойного питания. Тогда у Вас гарантировано будет время (приблизительно 15-20 минут) для корректного выключения компьютера.
5.2. Факторы, влияющие на время работы
Как уже было сказано это:
- Потребляемая мощность и характер потребления;
- Емкость батарей и их техническое состояние;
- Сила тока зарядного устройства ИБП.
Нагрузка может иметь различный характер. Соответственно учитываются потери при передаче энергии от АКБ до нагрузки. Для этого используют различные коэффициенты. Для компьютера обычно выбирают коэффициент 0,85.
Аккумуляторы имеют емкость (измеряются в ампер-часах), и напряжение заряда. Со временем их емкость снижается. На скорость выхода из строя влияют:
- Потребляемая мощность – должен быть запас по мощности;
- Условия и частота включения – количество циклов заряда/разряда ограничены;
- Глубина разряда – нельзя чтобы АКБ разряжалась до 0%;
- Рабочая температура АКБ – при температуре выше 40 градусов батарея разряжается быстрее.
5.3. По рекомендации производителя
Как выбрать ИПБ
Производитель ИБП с большой точностью может прогнозировать время автономной работы так как перед началом выпуска в продажу тщательно тестирует свою продукцию. Поэтому на его рекомендации всегда можно опереться при подборе бесперебойника.
5.4. По формулам
Для расчета времени работы есть усредненный расчет времени автономной работы:
Емкость аккумулятора (Ампер-час) * напряжение аккумуляторов (вольт)/ постоянную нагрузку (Ватт)
То есть если емкость АКБ – 50 Ампер-часов, напряжение – 12 В, мощность нагрузки -600 Вт, то 50*12/600 = 1 час. Это и будет время автономной нагрузки.
Есть уточненная формула:
tибп = Uакб * Сакб * N * K * Кгр * Кде/ Рнагр
tибп — время автономной работы ИБП при отключении сети, ч;Uакб — напряжение одной аккумуляторной батареи, В;Сакб емкость аккумуляторной батареи, А* ч;N — количество аккумуляторов в батарее;K — КПД преобразователя (h=0,75-0,8);Кгр — коэффициент глубины разряда 0,8 –0,9 (80%-90%);Кде — коэффициент доступной емкости 0,7 – 1,0 (зависит от режима разряда и температуры);Рнагр — мощность нагрузки.
6. Дополнительные функции
Кроме основной функции ИБП – обеспечение питания аппаратуры электроэнергией при сбоях в подаче электроэнергии все источники бесперебойного питания имеют в своем составе фильтры ограничивающие импульсные помехи. Более серьезные еще регулируют напряжение на входе. Бесперебойник с двойным преобразованием обеспечивают гальваническую развязку входа и выхода надежно защищая от всяких «энергетических катаклизмов».
6.1. Синхронизация с ПК
В комплект поставки входит специальная программа, позволяющая подключить ИБП к компьютеру и контролировать ситуацию с электропитанием. Подключение производится через USB-, RS-232- или RJ-45 разъем.
6.2. Холодный старт
Это возможность включить компьютер с ИБП при отсутствии внешнего электропитания и последующей работы. Например, срочная отправка или прием почты.
6.3. Розетка
Выход ИБП может оборудован несколькими розетками различного типа.
Это:
- Обычная евророзетка (CEE 7/4);
- Компьютерная (IEC 320 C13 или IEC 320 C19);
Трехфазное питание
Будучи наиболее эффективным видом электроэнергии для
транспортировки на большие расстояния, трехфазное напряжение также повышает
эффективность работы промышленного оборудования. Трехфазное питание выглядит
как три однофазных сигнала со сдвигом фаз на угол 120° или одну треть периода
синусоиды (см. рисунок 1 ниже).
Трехфазное напряжение может быть измерено по каждой
фазе относительно нейтрали или между любыми двумя фазами. Отношение напряжения
фаза-нейтраль к напряжению фаза-фаза равно квадратному корню из числа 3 (например, 230В и 400В соответственно).
В свою очередь, однофазное напряжение распределяется по домашним розеткам для питания бытового оборудования, такого как компьютеры,
светильники и телевизоры. Как видно на рисунке 2, если вы посмотрите с помощью
осциллографа на напряжение в домашней розетке, вы увидите единственный сигнал.
Это происходит потому, что здесь однофазное питание получается просто
использованием одной фазы из трехфазной сети. Ее действующее значение
напряжения – 230В, а частота колебаний 50Гц (или 50 раз в секунду).
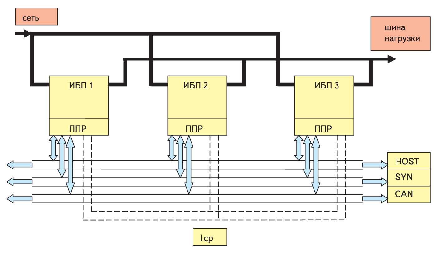
Мультиплексный канал информационного обмена
В качестве физической среды передачи сигналов по общей шине мультиплексного канала информационного обмена между ИБП используется многожильный плоский кабель с волновым сопротивлением 120 Ом . Для исключения отражения сигнала в шине необходимо обеспечить согласование значений эквивалентного нагрузочного сопротивления шины и соответствующего волнового сопротивления кабеля. Рекомендуемая длина интерфейсного кабеля для подключения двух портов мультиплексного канала информационного обмена ИБП не должна превышать 3 м.
Общая шина состоит из четырех двухпроводных каналов: трех цифровых и одного аналогового. По цифровым каналам передаются сигналы: HOST — приоритет (захват магистрали), SYN — синхронизация и CAN — прием/передача данных о состоянии ИБП (рис. 3).

Рис. 3. Мультиплексный канал информационного обмена между ИБП
По аналоговому каналу осуществляется передача с трансформаторов тока (ТТ) сигналов, пропорциональных выходным токам (In) каждого ИБП. Выходные обмотки ТТ и их нагрузочные сопротивления Rт подключены через ограничительные сопротивления Ro к двухпроводной обшей шине аналогового канала межмодульного интерфейса (рис. 4).

Рис. 4. Схема подключения аналогового канала интерфейса ИБП к общей шине (ОШ)
На общей шине возникает напряжение, пропорциональное среднему значению выходных токов ИБП (Iср).

где k1 — коэффициент пропорциональности; n — число параллельно включенных ИБП.
Напряжение Uош поступает на соответствующий вход АЦП МК1 через аналоговый модуль формирования сигнала AVR.I (Iср) на плате управления каждого ИБП (рис. 4). На другой вход АЦП МК1 приходит сигнал LOAD.I, пропорциональный выходному току данного ИБП (In). В результате сравнения In и Iср МК1 принимает решение об изменении частоты инвертора, что сдвигает фазу выходного напряжения и выравнивает ток ИБП (In) до значения Iср. Погрешность измерения и разброс параметров элементов цепей обработки и масштабирования сигналов In, Iср определяют возможную точность распределения нагрузки между ИБП при параллельной работе, которая достигает 4–6%. Рекомендуемое количество параллельно включаемых ИБП не должно превышать 4.
Плата интерфейса параллельной работы ИБП является согласующим устройством, связывающим общую шину мультиплексного канала с МК1 платы управления. Плата параллельной работы (ППР) обеспечивает:
- гальваническую развязку абонентов от линии передачи информации — общей шины (ОШ) за счет использования оптронных пар;
- согласование уровней сигналов, передаваемых и принимаемых из ОШ.
Функциональная схема ППР приведена на рис. 5. ППР содержит четыре формирователя интерфейсных сигналов мультиплексного канала.

Рис. 5. Функциональная схема ППР
CAN-приемо-передатчик (типа SN65HVD230) обеспечивает согласование абонента с ОШ по уровню сигнала и вносимому сопротивлению и обеспечивает обмен данными между ОШ и МК1 ИБП. Цифровой формирователь сигналов синхронизации SYN передает в ОШ синхроимпульсы чтения и передачи данных. Формирователь сигналов захвата магистрали в данный период времени HOST обеспечивает приоритет одного из ИБП по обмену информации с другими ИБП. Аналоговый формирователь сигналов, пропорциональных выходному току ИБП (O/P I), содержит реле подключения канала к ОШ и L-C фильтр для помехозащищенности канала. При первоначальном включении системы подключение к ОШ трансформатора тока очередного ИБП происходит с помощью реле по сигналу PAR RLY, вырабатываемому МК1 при условии синхронизации выходной частоты данного ИБП с другими ИБП.
Включение параллельной системы ИБП осуществляется поочередным включением каждого ИБП сетевым автоматом в режим байпас. Когда последний ИБП после самотестирования войдет в этот режим, ИБП поочередно переводятся в инверторный режим. После выполнения условий синхронизации ИБП МК1 формирует сигнал включения выходного реле (ВР), подключающего ИБП к шине нагрузки (рис. 3). После выхода всех ИБП в инверторный режим подключается нагрузка. Наличие выходного реле в каждом устройстве позволяет отключить его в случае неисправности от общей шины нагрузки, обеспечивая тем самым работоспособность всей системы с остальными ИБП.






























