Приборы для измерения силы тока
Амперметр – это устройство для определения силы как постоянного, так и переменного тока в электрической цепи. Исходя из предназначения приборов для определенных величин тока, различают амперметры, миллиамперметры и микроамперметры. В зависимости от принципа действия и особенностей применения, различают следующие виды амперметров. Рассмотрим детально их специфику и основные параметры:
аналоговые амперметры, в которых предусмотрена магнитоэлектрическая система. Они производятся на базе катушки из тонкой проволоки, вращающейся между магнитными полюсами. В процессе прохода тока через катушку она фиксируется под воздействием вращающего момента, значение которого пропорционально величине тока. В устройстве предусмотрена специальная пружина, которая препятствует повороту катушки, а упругость пружины пропорциональна углу вращения. При установлении баланса данные моменты выравниваются, а стрелка устанавливается на значении, пропорциональном величине тока на данный момент.
Преимуществом аналоговых приборов является то, что нет необходимости в обеспечении независимого питания для определения результата, поскольку в процессе измерения используется питание непосредственно электроцепи, которая замеряется. Также плюсом выступает повышенная чувствительность. Среди минусов следует назвать длительное время для фиксации стрелки в устойчивом положении.

электромагнитные – разработаны в виде механизмов с зафиксированной катушкой, по которой проходит ток. Также предусмотрено несколько сердечников на оси. Приборы предназначены для фиксации измерительными щупами постоянного тока. Элементами устройств являются измеритель и шкала с промаркированными делениями.
Несомненными плюсами такого типа приборов является возможность измерения силы переменного и постоянного тока, а также удобство использования. Недостатками считаются низкая чувствительность, вследствие чего они используются в сферах, где нет необходимости в сверхточных показателях;
- электродинамические приборы – их принцип действия базируется на взаимодействии магнитных полей напряжения, протекающего по зафиксированной и вращающейся катушками. В устройствах применяется одновременное и попеременное включение катушек, использоваться прибор может при повышенных частотах до 200 Гц. Приборы обладают чувствительностью к посторонним магнитным полям, поэтому измерения не отличаются высокой точностью, причем замеры рекомендуется проводить в отдалении от прочих источников магнитного поля;
- ферродинамические – являются одними из наиболее современных и используемых типов амперметров, поскольку практически не реагируют на прочие магнитные поля и отличаются прочностью. Элементами устройства выступают замкнутый магнитопроводник из ферромагнитного материала, сердечник в основании и зафиксированная катушка. Основная сфера использования приборов такого вида – оборона и комплексы обеспечения безопасности, поскольку они обеспечивают высокую точность полученного результата измерений;
- цифровые амперметры – современные модернизированные устройства, имеющие высокую популярность благодаря удобству использования и точности показателей. Благодаря устойчивости цифрового мультиметра к внешним условиям, температуре и изменениям давления, его можно использовать в условиях вибрации и тряски. Также они подлежат использованию в горизонтальном и вертикальном положениях, что не отражается на точности результата.

Полученные данные в цифровом виде позволяют отслеживать и контролировать показатели автоматически даже при отсутствии оператора.
Разбираясь в вопросе, для чего нужен прибор амперметр, следует отметить, что его ключевой и единственной функцией является измерение силы постоянного и переменного тока на конкретном участке электрической цепи. На основании полученных данных можно делать научные выводы, а на практике приборы применяются для повышения эффективности и производительности различных устройств на основании полученных данных.
Амперметры широко используются на промышленных предприятиях, осуществляющих выработку и распределение электро- и тепловой энергии
Также предназначение прибора немаловажно в сферах:
- электролаборатории;
- автомобилестроительная отрасль;
- точные науки;
- строительная сфера.
Также приборы широко используются в быту. К примеру, специалисты, занимающиеся ремонтом автомобилей, замеряют при помощи амперметра значения электропотребления различных устройств.

Принципы работы
Принцип работы зависит от типа модификации, а для этого стоит рассмотреть устройство амперметра постоянного тока.

Основные элементы механической модели:
- рамка;
- наконечники;
- центральная катушка;
- подключенный сердечник;
- магнит;
- пружина.
Если рассматривать магнитоэлектрические модели, они включают следующие элементы:
Принцип работы механических модификаций построен на полярности подключения к цепи. На стрелку оказывается воздействие магнитного поля. Направление грузика зависит от амплитуды импульсов. При возрастании электричества стрелка отклоняется в левую сторону.
Сравнение амперметра и вольтметра
Каждое из двух устройств используется для измерения определенных данных при исследовании электрического тока. Из названий приборов сразу понятно, что они замеряют: амперами исчисляется сила тока, в вольтах – напряжение. Однако принцип работы у амперметра и вольтметра один и тот же. Во время замера происходит взаимодействие двух полей – электрического и магнитного. Стрелка на табло отклоняется и фиксирует показатели.
Тем не менее, есть моменты, указывающие на разницу между амперметром и вольтметром. И связаны они с уровнем внутреннего сопротивления, которое создается при измерении силы тока или напряжения. В амперметре внутреннее сопротивление находится на предельно низком уровне. Его в конструкции устройства создает шунт – а по факту низкоомный резистор. Во время работы амперметра шунт берет на себя нагрузку от источника электричества и тем самым обеспечивает максимально точное определение силы тока.
У вольтметра, напротив, добавочный внутренний резистор создает повышенное внутреннее сопротивление – и таким образом показатели напряжения тока имеют минимальное искажение от действительных значений.
Еще один факт, определяющий, в чем разница и отличие амперметра и вольтметра, можно обнаружить при подключении устройств к электрической цепи. Способы подключения разные. Так, для работы амперметра необходимо последовательное подсоединение, а прямого подключения к источнику питания или выводным контактам допускать нельзя. Это может привести к короткому замыканию или выходу из строя измерительного устройства.
В работе с вольтметром прямой контакт допустим
Создается параллельное подключение к элементам цепи, но при этом важно не спутать полярность. Клемму вольтметра с (+) подсоединяют к электрическому проводу с (+), а «минусовой» провод от источника тока следует стыковать с соответствующей клеммой вольтметра (-)
Таблица выводов
| Амперметр | Вольтметр |
| Измеряет силу тока | Фиксирует параметры напряжения тока |
| Внутреннее сопротивление ниже, чем в измеряемой цепи | Внутреннее сопротивление выше, чем в измеряемой цепи |
| Последовательное подключение к цепи | Параллельное подключение к электрической цепи |
| При измерении источник питания отключается, прямой контакт с ним недопустим | Подключается напрямую к источнику тока |
Как подключить амперметр
Амперметр необходимо подключать в строгой последовательности – он располагается между источником электропитания и нагрузкой. Для проведения правильных измерений необходимо четко знать тип напряжения в источнике электропитания – постоянный или переменный ток. Использовать необходимо только соответствующий для конкретного типа тока прибор.
Разъясним детально, как необходимо подключить амперметр, чтобы получить точные и корректные показатели тока:
- требуется выбрать необходимый шунт, максимальный ток которого ниже тока, который нужно замерять;
- затем амперметр подключается к шунтам специальными гайками, расположенными на самом амперметре;
- подключение амперметра осуществляется только после обесточивания измеряемого прибора посредством разрыва электрической цепи;
- включите амперметр в цепь с шунтом;
- соедините элементы правильно, чтобы обеспечить четкое соблюдение полярности для корректного отображения данных;
- подключите электропитание, после чего можно считывать результаты на амперметре.
В качестве мер предосторожности отметим, что ни при каких обстоятельствах не следует подключать амперметр в розетку без какой-либо нагрузки. Поскольку устройство обладает небольшим входным сопротивлением, при подключении без нагрузки он просто сгорит
Сферы применения амперметров включает как крупные промышленные предприятия по выработке и распределению электроэнергии, так и строительство, автомобилестроение, наука. Также они применяются в бытовой сфере среди владельцев автомобилей для проведения самостоятельных измерений автомобильных приборов.
Источники
- https://odinelectric.ru/wiring/tools/chto-takoe-ampermetr
- https://www.meratest.ru/articles/shto_takoe_ampermetr/
- https://rusenergetics.ru/praktika/princip-dejstviya-ampermetra
- https://pue8.ru/elektrotekhnik/813-ampermetr-naznachenie-skhemy-podklyucheniya-primenenie-tipy.html
- https://amperof.ru/instrument/ampermetr-ustrojstvo-pribora.html
- https://principraboty.ru/princip-raboty-ampermetra/
- https://ElectroInfo.net/instrumentarij/ustrojstvo-ampermetra-i-princip-ego-dejstvija.html
Приборы для измерения силы тока
Если в каком-либо проводнике течет ток, то он характеризуется такой величиной, как «сила тока». Сила тока в свою очередь характеризуется количеством электронов, которые проходят через поперечное сечение проводника за единицу времени. Но мы все учились в школе и знаем, что электронов в проводнике миллиарды миллиардов и считать количество электронов было бы бессмысленно.
Поэтому ученые вывернулись из этой ситуации и придумали единицу измерения силы тока и назвали ее «Ампер», в честь французского физика-математика Андре Мари Ампера. Что же собой представляет 1 Ампер?
Если сила тока в проводнике равна 1 амперу, то за одну секунду через поперечное сечение провода проходит заряд, равный 1 Кулону. Или простым языком, все электроны в сумме должны давать заряд в 1 Кулон и они должны в течение одной секунды пройти через поперечное сечение проводника.

Шкала амперметра
Если учесть, что заряд одного электрона 1.6х10-19 , то можно узнать, сколько электронов в 1 Кулоне. А вот для того, чтобы измерять амперы, ученые придумали прибор и назвали его «амперметром».
Амперметр – прибор для измерения силы тока в амперах. Шкалу амперметров градуируют в амперах, килоамперах, миллиамперах или микроамперах в соответствии с пределами измерения прибора. В электрическую цепь амперметр включается последовательно; для увеличения предела измерений – с шунтом или через трансформатор.
Амперметр – это прибор для измерения силы тока в электрической цепи. Любой амперметр рассчитан на измерение токов определенной величины. В электронике в основном оперируют микроАмперами (мкА), миллиАмперами (мА), а также Амперами (А). Следовательно, в зависимости от величины измеряемого тока приборы для измерения силы тока делятся на амперметры (PA1), миллиамперметры (PA2) и микроамперметры (PA3).
![]()
двойной вольметр-амперметр
Измерение значений переменного тока
Знать силу тока, проходящую через определенный участок цепи довольно важно. Это помогает рассчитать сечение кабеля и избежать перегрева токопроводящих жил
Эта статья поможет начинающим электрикам разобраться в нюансах работы и подключения измерительного прибора. Но сначала вспомним немного азов из школьной программы.
Как известно, амперметром называется измерительный прибор, позволяющий определить силу постоянного и переменного тока в электрической цепи. В зависимости от планируемой сферы применения, шкалу измерительного устройства градуируют в амперах, микро- или миллиамперах. Для измерений больших величин используется прибор, шкала которого разделена на килоамперы.
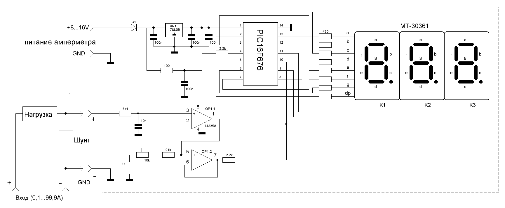
![]()
Схема цифрового амперметра
Сотые будут соответствовать четвертому дисплею, которого у нас нет, например «03», если мы ищем нуль сверху, ошибка будет больше, например «08». Повторение процесса три раза в лучшем случае должно быть идеальным.
Будет интересно Что такое цифровой амперметр и чем он лучше обычного
Разновидности амперметров тока.
Существует два типа устройств, для измерения силы тока, два вида амперметров тока. Тип первый и тип второй.
- Тип первый — аналоговый (он же стрелочный амперметр).
- Тип второй — цифровой.
Тип первый — стрелочный амперметр тока, выглядит он вот таким образом:
Система этого амперметра тока магнитоэлектрическая. А в составе устройства: постоянный магнит, внутри которого вращается катушка из тонкой проволоки. В момент подачи тока катушка направлена на поле при действии момента вращения. Причём величина момента является пропорциональной силе тока. Имеется в устройстве и специальная пружина, которая в момент подачи тока является неким препятствием для вращающейся катушки. Момент упругости пружины в свою очередь пропорционален углу закручивания.
Измерение силы тока происходит таким образом, что при уравновешивании вышеописанных моментов стрелка и показывает искомое значение, равное силе тока, силе воздействия.
Чтобы увеличить предел измерения необходимо параллельно амперметру установить шунт. Резистор, определённой величины, которая рассчитана заранее. Такое устройство названо — резистор шунтирующий.
Для точных измерений с резистором в цепи необходимо придерживаться простых правил. Если в цепи действует измерительный прибор — вольтметр, то входное сопротивление необходимо делать немного больше у самого прибора. В случае работы с амперметром ситуация другая и входное сопротивление прибора следует сделать меньше. В противном случае, если не придерживаться таких правил измерение окажется неверным, и некорректными окажутся показания амперметра. Вся измерительная техника всегда была разработана с учётом неких особенностей и грамотное и правильное использование только залог успешного измерения и результата в целом.
Насколько внимательно отнесётесь к режиму работы устройств мультиметров, настолько правильными окажутся опыты и текущие измерения. Пренебрегая законами и правилами эксплуатации приборов и техники можно не только выяснить неверные результаты измерений, но и испортить устройство, вывести его из строя.
По сей день пользуются аналоговыми амперметрами тока. И это не случайно, их плюсов так много, что люди ещё не скоро смогут от них отказаться. И смогут ли отказаться вообще? Плюсы прибора под названием аналоговый амперметр:
Советуем изучить Конденсатор 104
— не нуждаются в независимом питании;
— удобны в отображении информации;
— имеется винтик, на большинстве моделей, который корректирует точность измерения.
Минус тоже есть, но он всего один и очень невзрачный:
— небольшая инертность стрелок может заставить несколько секунд ожидать результаты измерений.
Тип второй — амперметр тока цифровой. В его составе значатся:
— АЦП (аналого-цифровой преобразователь). Именно он преобразует силу тока в данные цифровые, что в дальнейшем можно видеть на дисплее устройства. Дисплей современного ЖК вида.
Огромное отличие таких видов амперметров только в том, что нет стрелки и нет инертности. Результаты измерения можно видеть сразу на дисплее. Разные виды амперметров тока выводят информацию на экран с различной скоростью. Современные виды к тому же и малогабаритны.
Имеются и минусы таких новичков:
— наличие собственного источника питания должно быть непременно.
Деление на этом амперметров не закончилось. Существуют также виды, которые измеряют силу тока переменного напряжения и измеряющие силу тока постоянного напряжения. Но это не значит, что при отсутствии амперметра для измерения переменного тока Вы не сможете её измерить. Измерить можно, и поможет вот такая схема:
Поможет не собирать каждый раз подобную систему мультиметр. Устройство сочетает в себе сразу несколько функций и может измерить силу тока и постоянного и переменного.
Вот схема для измерения силы тока амперметром:
Измерение тока. Амперметр.
И начнем с измерения тока. Прибор, используемый для этих целей, называется амперметр, и в цепь он включается последовательно. Рассмотрим небольшой пример:

Как видите, здесь источник питания подключен напрямую к резистору, символизирующему полезную нагрузку. Кроме того, в цепи присутствует амперметр, включенный последовательно с резистором. По закону Ома сила тока в данной цепи:
I = \frac{U}{R} = \frac{12}{100} = 0.12
Получили величину, равную 0.12 А, что в точности совпадает с практическим результатом, который демонстрирует амперметр в цепи
Важным параметром этого прибора является его внутреннее сопротивление r_А
Почему это так важно? Смотрите сами — при отсутствии амперметра ток определяется по закону Ома, как мы и рассчитывали чуть выше. Но при наличии амперметра в цепи ток изменится, поскольку изменится общее сопротивление, и мы получим следующее значение:
I = \frac{U}{R_1+r_А}
Если бы амперметр был абсолютно идеальным, и его сопротивление равнялось нулю, то он бы не оказал никакого влияния на работу электрической цепи, параметры которой необходимо измерить, но на практике все не совсем так, и сопротивление прибора не равно 0. Конечно, сопротивление амперметра достаточно мало (поскольку производители стремятся максимально его уменьшить), поэтому во многих примерах и задачах им пренебрегают, но не стоит забывать, что оно все-таки и есть и оно ненулевое.
При разговоре об измерении силы тока невозможно не упомянуть о способе, который позволяет расширить пределы, в которых может работать амперметр. Этот метод заключается в том, что параллельно амперметру включается шунт (резистор), имеющий определенное сопротивление:
R = \frac{r_А}{n\medspace-\medspace 1}
В этой формуле n — это коэффициент шунтирования — число, которое показывает во сколько раз будут увеличены пределы, в рамках которых амперметр может производить свои измерения. Возможно это все может показаться не совсем понятным и логичным, поэтому сейчас мы рассмотрим практический пример, который позволит во всем разобраться.
Пусть максимальное значение, которое может измерить амперметр составляет 1 А. А схема, силу тока в которой нам нужно определить имеет следующий вид:

Отличие от предыдущей схемы заключается в том, что напряжение источника питания на этой схеме в 100 раз больше, соответственно, и ток в цепи станет больше и будет равен 12 А. Напряжение в 1200 В взято исключительно ради примера, сокровенного практического смысла в этом нет ) Итак, из-за ограничения на максимальное значение измеряемого тока напрямую использовать наш амперметр мы не сможем. Так вот для таких задач и нужно использовать дополнительный шунт:

В данной задаче нам необходимо измерить ток I. Мы предполагаем, что его значение превысит максимально допустимую величину для используемого амперметра, поэтому добавляем в схему еще один элемент, который будет выполнять роль шунта. Пусть мы хотим увеличить пределы измерения амперметра в 25 раз, это значит, что прибор будет показывать значение, которое в 25 раз меньше, чем величина измеряемого тока. Нам останется только умножить показания прибора на известное нам число и получим нужное значение. Для реализации задумки мы должны поставить шунт параллельно амперметру, причем сопротивление его должно быть равно значению, которое мы определяем по формуле:
R = \frac{r_А}{n\medspace-\medspace 1}
В данном случае n = 25, но мы проведем все расчеты в общем виде, чтобы показать, что величины могут быть абсолютно любыми, принцип шунтирования будет работать одинаково.
Итак, поскольку напряжения на шунте и на амперметре равны, мы можем записать первое уравнение:
I_А\medspace r_А = I_R\medspace R
Выразим ток шунта через ток амперметра:
I_R = I_А\medspace \frac{r_А}{R}
Измеряемый ток равен:
I = I_R + I_А
Подставим в это уравнение предыдущее выражение для тока шунта:
I = I_А + I_А\medspace \frac{r_А}{R}
Но сопротивление шунта нам также известно (R = \frac{r_А}{n\medspace-\medspace 1}). В итоге мы получаем:
I = I_А\medspace (1 + \frac{r_А\medspace (n\medspace-\medspace 1)}{r_А}\enspace) = I_А\medspace n
Вот мы и получили то, что и хотели. Значение, которое покажет амперметр в данной цепи будет в n раз меньше, чем сила тока, величину которой нужно измерить.
С измерениями тока в цепи все понятно, давайте перейдем к следующему вопросу, а именно определению напряжения.
Типы амперметров
Исходя из вида отсчетного устройства амперметры делятся на приборы с:
- со стрелочным указателем
- со световым указателем;
- с пишущим устройством;
- электронные устройства.
По принципу действия амперметры разделяются
- Электромагнитные – предназначены для использования в цепях постоянного, переменного тока. Обычно используются в привычных электроустановках переменного тока с частотой 50 Гц.
- Магнитоэлектрические — предназначены для фиксации силы тока малых значений постоянного тока. Они имеют магнитоэлектрическое измерительное устройство и шкалу с проградуированными делениями.
-
Термоэлектрические приборы предназначены для измерения силы тока в цепях высоких частот. В состав таких приборов входят магнитоэлектрический механизм, выполненный в виде проводника, к которому приваривается термопара. Васильев Дмитрий Петрович
Профессор электротехники СПбГПУ
Задать вопрос
Протекающий по проводку ток вызывает его нагрев, который фиксируется термопарой. Формирующееся излучение своим влиянием вызывает отклонение рамки на угол, который пропорционален силе тока.
- Ферродинамические приборы — состоят из замкнутого магнитопровода, выполненного из ферромагнитного материала, сердечника и неподвижной катушки. Характеризуются высокой точностью измерения, надёжностью конструкции и низкой чувствительностью к воздействию электромагнитных полей.
- Электродинамические устройства предназначены для замеров величины силы тока в цепях постоянного / переменного токов повышенных частот (до 200 Гц). Они чувствительны к перегрузкам и внешним электромагнитным полям. Но из-за высокой точности замеров их используют в роли контрольных приборов для поверки действующих амперметров.
- Цифровые амперметры – современная модель приборов, сочетающая преимущества аналоговых приборов. На сегодня такие устройства завоевывали лидирующие позиции. Это объясняется удобством в работе, легкостью использования, небольшими размерами и высокой точностью получаемых результатов измерений.

Абрамян Евгений Павлович
Доцент кафедры электротехники СПбГПУ
Задать вопрос
Кроме того, цифровые приборы можно использовать в разнообразных условиях: он не боится тряски, вибрации и пр. воздействий.
Рассмотрим несколько амперметров разных производителей и разных типов:
Амперметры Ам-2 DigiTOP
Технические характеристики:
- Количество входов 1
- Измеряемый переменный ток 1 …50 А
- Погрешность измерения 1%
- Дискретность индикации 0,1 А
- напряжение питания -100…-400 В, 50 (+1) Гц Габаритные размеры 90x51x64 мм

Орлов Анатолий Владимирович
Начальник службы РЗиА Новгородских электрических сетей
Задать вопрос
Работоспособность и долговечность бытовой электротехники зависят от качества получаемой электроэнергии. Как правило, к выходу из строя электронной техники, будь то холодильники, телевизоры или стиральные машины, приводит повышение напряжения выше допустимых пределов. Наиболее опасно длительное повышение напряжения выше допустимой отметки. При этом выходят из строя блоки питания электронной техники, перегреваются обмотки электродвигателей, нередко происходит возгорание.
Амперметр лабораторный Э537
Данный прибор (амперметр Э537) предназначается для точного измерения силы тока в цепях переменного и постоянного тока.
Класс точности 0,5.
Диапазоны измерения 0,5 / 1 A;
Масса 1,2 кг.
Технические характеристики амперметра Э537
- Конечное значение диапазона измерений 0,5 А/1 А
- Класс точности 0,5
- Область нормальных частот (Гц) 45 — 100 Гц
- Область рабочих частот (Гц) 100 — 1500 Гц
- Габаритные размеры 140 х 195 х 105 мм
Амперметр СА3020
Цифровое устройство амперметр базовой модели выпускается в нескольких типовых модификациях в зависимости от базового значения параметров замеряемого тока. При заказе данной модели цифрового амперметра, требуется заявить, с каким базовым параметром силы тока Вам придётся работать: 1 А, 2 А или 5 А.
Базовые параметры замеряемого тока, Iн-1 Ампер (СА3020-1), 2 Ампер (СА3020-2) или 5 Ампер (СА3020-5);
- Границы замеряемых токов от 0,01 Iн до 1,5 Iн;
- Диапазон частот по замеряемым токам от 45 до 850 Герц;
- Границы базовой допускаемой существующей погрешности ±0,2% к оптимальному значению параметров замеряемой силы тока;
- Напряжение по питанию — сеть переменного тока напряжением (85-260) Вольт и частотой (47-65) Герц или постоянное напряжение (120 — 300) Вольт;
- Потребляемая устройством мощность не больше чем 4 ВА;
- Размерные габариты 144x72x190 мм;
- Масса не больше чем 0,55 кг;
- Мощность, потребляемая измерительной цепью амперметров серии 3020, не превышает: для СА3020-1 – 0,12 ВA; для СА3020-2 – 0,25 ВA; для СА3020-5 – 0,6 ВA.
Виды приборов
Приборы классифицируются по роду тока, принципу действия, классу точности.
Род тока
Переменный
Устройство амперметра, подключаемое последовательно в электрическую цепь, пропускает через себя полный рабочий ток. При этом сопротивление амперметра должно быть достаточно низкое. Этот фактор заложен в основу принципа действия электрического измерителя.
Важно! Амперметр нельзя подключать параллельно в цепь, только последовательно. Ибо весь электроток потечет через него, в результате чего прибор может перегореть. В идеале прибор должен иметь нулевые сопротивление и падение напряжения, тогда потери мощности в электроустройстве будут равны нулю
Но такие идеальные условия практически недостижимы. Фактически, чем меньше импеданс, тем лучше совместимость устройств
В идеале прибор должен иметь нулевые сопротивление и падение напряжения, тогда потери мощности в электроустройстве будут равны нулю. Но такие идеальные условия практически недостижимы. Фактически, чем меньше импеданс, тем лучше совместимость устройств.
Постоянный
В низковольтных цепях с аккумуляторной батареей токи обычно измеряются высокочувствительными мини-устройствами – гальванометрами. Гальванометр – это устройство, используемое для обнаружения тока в цепи. При этом само устройство работает как электропривод. Оно производит вращательное движение указателя в ответ на электроток, протекающий через катушки в постоянном магнитном поле.

Принцип действия
Магнитоэлектрические
Такой прибор не универсален, поскольку используется только для измерения постоянного тока. Область применения магнитоэлектрических приборов широко распространяется на сферы промышленности и образования (в качестве компонентов лабораторных установок).
Электромагнитные
Схема электромагнитных измерителей несложная. В корпусе могут находиться несколько сердечников (либо один), установленных на оси. В отличие от магнитоэлектрических моделей:
- С их помощью измеряются как постоянный, так и переменный ток. Это делает электроустройства универсальными и значительно расширяет сферу их применения;
- Низкозатратное энергопотребление при функционировании;
- Высокая чувствительность и точность измерений.
Электродинамические
Электродинамический амперметр устроен несколько более сложным образом, нежели предыдущие электроустройства. В нем есть две катушки: одна – неподвижная, а вторая – подвижная.
Приборы этого типа могут быть использованы для измерения как постоянного, так и переменного тока. Другим преимуществом является отсутствие ошибки гистерезиса. Основными недостатками являются низкий коэффициент вращающего момента, высокие потери на трение, выше, чем в других измерительных приборах.
Мнение эксперта
It-Technology, Cпециалист по электроэнергетике и электронике
Задавайте вопросы «Специалисту по модернизации систем энергогенерации»
Электроизмерительные приборы: амперметр, вольтметр, омметр Также они применяются в бытовой сфере среди владельцев автомобилей для проведения самостоятельных измерений автомобильных приборов. Спрашивайте, я на связи!
Разновидности
Описываемый измерительный прибор прошел долгий путь и множество модернизаций. На сегодняшний день существуют аналоговые и цифровые виды этих устройств. Также существуют: магнитоэлектрические, электромагнитные, электродинамические, ферродинамические типы амперметров. Каждый тип имеет свои особенности устройства и работы с ним. Далее будет описан более подробно каждый тип.
Магнитоэлектрический прибор
Особенностью этих приборов является магнитная катушка, которая приходит в движение при воздействии электрического напряжения.
Все подобные устройства используются для измерения силы постоянного тока. Преимуществом является очень высокая чувствительность и точность измерения.
Электромагнитный
Прибор не имеет в своей конструкции вращающейся катушки.
Изменение угла положения стрелки на циферблате происходит за счет магнитного поля, воздействующего на сердечники катушек. Подобные амперметры универсального типа. С их помощью можно замерять силу постоянного и переменного тока. Главным недостатком является наличие погрешности.
Электродинамический
Прибор по конструкции схож с магнитоэлектрическим. Основное отличие заключается в наличие подвижной и неподвижной катушек.
При подключении, магнитные поля двух элементов воздействуют друг на друга, что приводит к изменению положения стрелки. Прибор достаточно точный. Единственный недостаток в том, что на его работу могут влиять посторонние магнитные поля.
Ферродинамический
Этот измерительный прибор считается наиболее точным. Устройство амперметра, включает в себя провод из феррита, металлический сердечник и катушку.
Работает прибор по принципу вращения катушки, за счет образования магнитного поля. Основной особенностью является полная независимость от воздействий посторонних магнитных полей. Обладает высокой чувствительностью.
Электронный
С развитием электроники, амперметры стали выпускать в цифровых вариациях. Наиболее известны 2: простой бытовой мультиметр и тестер с токоизмерительными клещами.
Основным преимуществом подобных приборов является простота и универсальность измерения силы тока. Они не восприимчивы к воздействию внешних магнитных полей, не боятся ударов, мелких повреждений и тряски. Близок к идеальному амперметру.
Все описанные приборы используются и по сей день, в приборостроении, лабораториях, промышленности и отдельными энтузиастами.






























