Введение
DHT11 – это датчик температуры и влажности воздух, который использует один провод для передачи 40 бит данных. Первые 16 бит – это целая и дробная части значения влажности, следующие 16 бит – целая и дробная части значения температуры, и последние 8 бит – это контрольная сумма.
Чтобы DHT11 и микроконтроллер начали общаться друг с другом, их необходимо засинхронизировать. Чтобы засинхронизировать их, микроконтроллер посылает сигнал старта, который представляет собой импульс длительностью 20 мкс на выводе данных. После импульса, микроконтроллер ждет получения данных. В программе мы должны изменить направление вывода данных. Вы можете прочитать подробности о DHT11 в техническом описании. У вас может быть датчик, как в 4-выводном, так и в 3-выводном корпусе; но мы используем 3-выводную версию. Между этими версиями нет никакой разницы, а дополнительный вывод ни к чему не подключен.

Приборы с механической шкалой
Одним из приборов, который имеет механическую шкалу, является бытовой таймер. Работает он от обычной розетки. Такой прибор позволяет управлять домашней техникой в определенном диапазоне времени. В нем установлено «розеточное» реле, которое ограничено суточным циклом срабатывания.
Для использования суточного таймера его нужно настроить:
- Приподнять все элементы, которые располагаются по дисковой окружности.
- Опустить все элементы, которые отвечают за настройку времени.
- Прокручивая диск, установить его на текущий промежуток времени.

К примеру, если элементы опущены на шкале, отмеченной цифрами 9 и 14, то нагрузка активируется в 9 часов утра и будет выключена в 14:00. За сутки можно создать до 48 включений аппарата.
Для этого нужно активировать кнопку, которая находится на боковой части корпуса. Если ее запустить, таймер включится в срочном режиме, даже если он был включен.
Описание работы таймера на микроконтроллере
Индикатор имеет 8 семи-сегментных цифр. Индикация времени начинается четырьмя цифрами посередине. Часы и минуты разделяются десятичной точкой. Индикация включенной или выключенной нагрузки таймера отображается с правой стороны индикатора (0 –выключено,1 – включено)
Все управление таймером осуществляется посредством 4-х кнопок. Если нажать и удерживать кнопку «Установка» на протяжении 2 секунд, то активируется режим установки. Сначала устанавливается реальное время (часы и минуты). После установки времени необходимо один раз нажать на «установка»
Для установки времени включения и выключения микроконтроллерного таймера необходимо нажать соответствующую кнопку. Также после выбора необходимого значения необходимо один раз нажать «установка».
Функционирование микроконтроллера осуществляется от встроенного RC-генератора частотой 8 МГц. Схема внутренних часы функционируют от кварцевого генератора 32768 Гц. Все основное время микроконтроллер находится в режиме sleep, поэтому среднее значение тока потребления составляет примерно 5…7 мкА.
В роли ключа используется IRLML2502 (BSS138). Тактильные кнопки произвольные. Прочие радиоэлементы SMD. Штекер для программирования микроконтроллера PLS5 с нумерацией выводов как в PICKit2.
Это схема таймера на микроконтроллере PIC16F628A позаимствована с хорошего португальского сайта по радиоэлектронике. Микроконтроллер тактируется от внутреннего генератора, который можно считать достаточно точным для данного момента, так как выводы 15 и 16 остаются свободными, то можно использовать внешний кварцевый резонатор для еще большей точности в работе.

В таймере для управления девайсом присутствуют три кнопки: «START/STOP», «MIN» и «SEC»
«START/STOP»
— для запуска и приостановки таймера.«MIN»
— для задания временного интервала в минутах. Можно установить от 0 до 99.«SEC»
— тож, но для установки секунд. Секунду также устанавливаются от 0 до 59.
Одновременное нажатие кнопок «MIN» и «SEC» сбросит схему таймера во время работы.
Когда установленое время на таймере израсходуется, раздастся, звуковой сигнал и загорится светодиод. В роли звукоизлучателя используется зуммер электромагнитного типа. После этого, при нажатии на кнопку, осуществится сброс таймера и светодиод потухнет.
В то время, когда таймер осуществляет обратный отсчет на выводе 13 имеется высокий уровень, а при завершении времени отсчета таймером установится низкий логический уровень. Данный вывод можно задействовать для управления каким либо исполнительным устройством. Питание схемы происходит через стабилизированный источника тока на .

Перемычка J1 используется для калибровки таймера. При ее замыкании он входит в режим программирования. С помощью кнопок «MIN» и «SEC» можноизменять значение внутреннего параметра, который замедляет или ускорять работу таймера. Это значение сохраняется в EEPROM микроконтроллера. Если находясь в режиме программирования нажать кнопку «START/STOP», то этот параметр сбросится к настройкам по умолчанию.
|
Простой таймер на pic16f630 |
Таймеру можно задать времянной интервал от одной минуты до 21 часа с дискретным шагом в минуту. В конструкции имеется 12 управляющих выключателей, каждому из которых, соответствует свое временя выдержки. Так как микроконтроллер работает от собственного генератора погрешность отсчета времени достаточно мала, не более 30 секунд за час.

Таймер в PIC
В микроконтроллерах есть полезная вещь – таймер. Таймер можно использовать как счётчик или с его помощью формировать импульсы заданной длины (ШИМ). С использованием таймера можно, например, построить часы или генератор.
В микроконтроллера 16 семейства есть 3 таймера: TRM0, TRM1 и TRM2. Каждый из них больше подходит для определённого типа работы. Рассмотрим эти таймеры подробнее:
TRM0

- 8-битный таймер (считает от 0 до 255)
- тактируется от системной частоты или от внешнего источника
- считает по переднему или заднему фронту сигнала
- 8-битный предделитель
- прерывание генерируется при переполнении (при переходе от 255 к 0)
- таймер работает постоянно
Этот таймер можно использовать для генерации импульсов заданной длины или для подсчёта входящих импульсов.
Управление таймером осуществляется регистром OPTION_REG (OPTION в программе).

TRM1

- 16-битный таймер (0..65535)
- может тактироваться как от внешнего источника сигналов, так и от
- дополнительного часового кварца
- максимально предделитель — 1:8
- таймер считает только передние фронты сигнала
- таймер может использоваться модулем CCP
- таймер можно отключать
Применения аналогичные TMR0.
Управление таймером осуществляется регистром T1CON.

TRM2

- 8-битный таймер
- тактируется только от системной частоты
- предделитель 1:1 , 1:4 , 1:16
- таймер можно отключать
Этот таймер имеет другой принцип работы. Таймер считает импульсы от нуля до заданного PR2. После совпадения TRM2 и PR2 сигнал поступает на 4-битный постделитель и генерируется прерывание. Такая система позволяет генерировать частоты с минимальным шагом. Таймер может посылать сигналы на CCP в качестве базы тайминга ШИМа.
Управление таймером осуществляется регистром T2CON.

Пример
Перейдём к коду прошивки. В примере задействованы два счётчика TRM0 для счётчика входных импульсов и TRM1 для мигания 2-мя светодиодами.
Включим таймеры TRM0 для счётчика и TRM1 для мигания 2-мя светодиодами.
INTCON=0b11100000; // Настройка прерываний OPTION=0b00101000; // Настройка TMR0 T1CON =0b00110001; // Настройка TMR1 TMR1IE=1;
В основном коде программы только вывод значения счётчика на дисплей.
void main()
{
low_init(); // инициализация МК
InitLCD(); // инициализация дисплея
TMR0=0; // обнуляем таймер TMR0
LED=0; // обнуляем переменную отвечающею за светодиоды
while(1==1)
{
IntToLCD(0,0,TMR0); // вывести на дисплей содержимое таймера
delay(1000); // задержка
}
}
Основное же действие разворачивается в обработчике прерываний.
void interrupt isr(void)
{
if(T0IF) // при переполнение TMR0
{
T0IF=0; // сбрасываем флаг о его переполнение
}
if(TMR1IF) // при переполнение TMR1
{
LED++; // управление светодиодами
if(LED>3)
{
LED=0;
}
PORTA=LED;
TMR1IF=0; // сбрасываем флаг
}
}
В обработчике первого таймера TRM0: при его переполнение нечего полезного не происходит, только сбрасывается флаг переполнения. При переполнение второго таймера TRM1: светодиоды зажигаются по-новому (на них выводиться двоичный счётчик), и сбрасывается флаг переполнения второго таймера.
Ниже приведены фотография и видео работы таймеров из примера.

Работа таймеров
Alex_EXE | 19.04.2011 | Микроконтроллеры |
Управление и настройка инкубатора
При первом нажатии кнопки меню регулятор переходит в режим установки температуры, о чём свидетельствует МИГАНИЕ ТОЧКИ кнопками плюс или минус устанавливаем температуру, которую нужно поддерживать в инкубаторе по умолчанию стоит 37,4 градуса.
При втором нажатии кнопки меню устанавливаем гистерезис разницу между включением и отключением. Можно установить в приделах от 0 до 0,9 градуса. По умолчанию стоит 0,1 (нагреватель отключается например при достижении температуры 37,4 включается при температуре 37,3) режим отличается буквой «Г» в четвёртом разряде.
Следующее нажатие кнопки меню переходим в режим установки коррекции показания датчика температуры DS18B20, пределы установки от -0,9 до 0,9 соответственно, если -0,1 вычитаем 0,1 градуса от считываемого с датчика значения. По умолчанию это значение 0,0.режим отличается маленькой буквой «с» в четвёртом разряде.
Четвёртое нажатие кнопки меню переходим в режим установки паузы между включения двигателя поворота лотков. Время устанавливается в минутах, максимальное значение 999 минут. Режим отличается буквой «Н» в четвёртом разряде.
Пятое нажатие кнопки меню переводит регулятор в режим установки времени работы двигателя, задается в секундах. Максимальное значение 999 секунд. Режим отображается большой буквой «С» в четвёртом разряде.
Шестое нажатие кнопки меню переводит регулятор в рабочий режим с сохранением всех изменений в энергосберегающую память контроллера. В общим сохраняются все настройки, которые вы сделали. И инкубатор готов к работе.
Особо тут рассказывать нечего.
Из плюсов данной схемы. Простота сборки. При достижении температуры на датчике 40 градусов питание схемы отключится, и инкубатор выключится полностью. Для включения инкубатора необходимо передёрнуть шнур питания
Из минусов. При обрыве либо любой другой неисправности датчика инкубатора нагреватель не отключится! Неудобное меню настройки параметров работы инкубатора.
Рисунок печатной платы. Индикатор ставится со стороны печатных проводников (индикатор управления инкубатором) Тут же на рисунке изображена и плата для измерителя влажности. (индикатор измерителя влажности ставится с лицевой стороны платы ) Схема инкубатора и схема измерителя влажности, были взяты из разных источников, поэтому это две разные независимые схемы, которые объединены в одну, только на печатной плате.
Управление влажностью инкубатора производится, большим или меньшим открытием вентиляционных отверстий в инкубаторе, либо большим, меньшим добавлением воды в латок с водой. Других способов управления влажностью в инкубаторе нет.
Настройка температуры, точность датчика температуры, и управление двигателем лотка переворота яиц. Всё это настраивается в соответствующем меню с помощью кнопок + —
Для тех, кто будет прошивать МК серии PIC для облегчения подключения программатора к МК, вот вам распиновка выводов МК серии PIC.
P.S. Если в рисунке схемы найдёте ошибки, ориентируйтесь по печатной плате, они 100% рабочие печатки (проверено неоднократным повторением схемы).
Автором схемы инкубатора и прошивки для него является: Оспанов Е.М.
Автором схемы измерителя влажности и прошивки для него является: Колтуник Ю.Ю.
Ссылка на страничку сайта автора измерителя влажности. http://www.kondratev-v.ru/izmereniya/elektronnyj-gigrometr-dlya-inkubatora.html#comment-2343
Что ещё сказать. По поводу целесообразности самостоятельной сборки, подобного инкубатора с нуля. Это спорный вопрос. Так как на том же Али экспресс , готовый терморегулятор W1209 , стоит как, одна МК PIC16F628A.
СтатьяСкачать
Видео о постройке инкубатора.
Достоинства и недостатки подобных устройств
Использование подобных устройств упрощает эксплуатацию различного электрического оборудования и бытовых приборов, поэтому к достоинствам розетки с таймером можно отнести такие показатели, как:
- появляется возможность автоматизации процесса включения и выключения нагрузки различного назначения ? особенного это касается электронных устройств;
- при правильно выполненных настройках можно добиться снижения потребления электрической энергии;
- режим работы подключённых элементов нагрузки потребитель настраивает самостоятельно в соответствии со своим графиком и ритмом жизни;
При расчётах за потреблённую электрическую энергию двухтарифного режима использования снижение расходов на оплату счетов, в случае применения розеток с таймером, может сократиться на 20-30 %.
- в моделях со встроенным аккумулятором настройки сохраняются даже при отключении централизованного электроснабжения, что позволяет продолжить работу подключённых устройств в прежнем цикле, после подачи напряжения в электрическую сеть;
- возможность создания имитации присутствия людей в пустой квартире (загородном доме) позволит обезопасить его от незаконного проникновения посторонних лиц;
- режим работы можно настроить на длительный срок эксплуатации.
Розетка с таймером механического типа У моделей, оснащённых электронных таймером, основным недостатком является то, что при отключении централизованного электроснабжения процесс работы таймера не останавливается, а работает «сам по себе». Это может быть нежелательно при подключении к подобным устройствам приборов отопления или включение бытовых приборов в заданном цикле использования (ночное время и т.д.).
Модель «TG-14A»
У приборов с механическим типом управления недостатков несколько больше, к ним относятся:
- неточность работы по отношению к часовому циклу;
- прибор во время работы «тикает», что может мешать, особенно в ночное время;
- режим программирования ограничен и составляет до 24 часов;
- износ механизма таймера приводит к ограниченным срокам использования подобных устройств.
TG 14A
Как прошивать микроконтроллер? С чего начать изучение?
Официальный программатор для семейств PIC – это PICkit V3, является наиболее распространенным. Программный код загружается в чип с помощью ПО, которое есть на диске, он идёт в комплекте с программатором. IDE имеет название MPlab. Является официальной средой разработки от производителя, между прочим, бесплатной. Для изучения устройств есть отличная книга на русском языке «Pic-микроконтроллеры. Полное руководство» автор её Сид Катцен. Кроме этой книги вы найдете огромное количество видео-уроков и текстовых материалов, которые вам помогут.
Применение микроконтроллеров PIC весьма широко, многие радиолюбители собирают металлоискатели и счетчики Гейгера на этих МК.
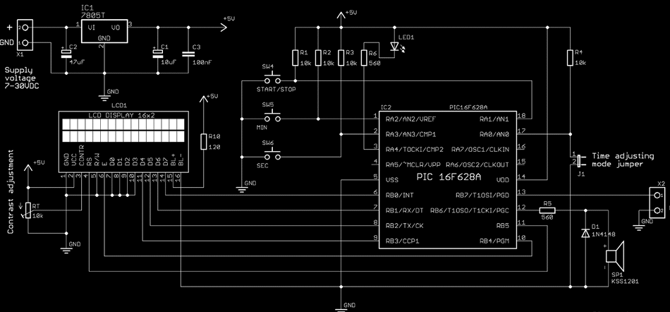
Таймер на PIC16F628A. Описание работы
Как уже было сказано ранее, этот проект создан на основе уже существующего проекта, но на самом деле обе схемы отличаются друг от друга, и поэтому код был практически полностью переписан. В таймере для управления есть три кнопки: «START/STOP», «MIN» и «SEC»
- «START/STOP» — для запуска и приостановки таймера.
- «MIN» — для установки минут. Количество минут устанавливаются от 0 до 99, а затем все начинается снова с 0.
- «SEC» — для установки секунд. Секунду также устанавливаются от 0 до 59 и потом снова с 0.
Одновременное нажатие на «MIN» и «SEC» приводит к сбросу таймера во время работы.
Когда время на таймере достигает 00:00, раздается звуковой сигнал (3 коротких и 1 длинный звуковой сигнал) и светодиод HL1 загорается. В качестве звукоизлучателя применен зуммер электромагнитного типа. После этого, при нажатии одной из кнопок, происходит сброс таймера и выключение светодиода HL1.
Когда таймер производит обратный отсчет на выводе 13 (RB7) находится высокий уровень, а при остановке таймера появляется низкий логический уровень. Данный вывод можно использовать для управления внешними исполнительными устройствами. питание таймера осуществляется от cстабилизированного источника на .
Перемычка J1 предназначена для калибровки таймера. При ее замыкании таймер входит в режим настройки. С помощью кнопок «MIN» и «SEC» можно увеличить/уменьшить значение внутреннего параметра, который позволяет замедлять или ускорять работу таймера. Это значение сохраняется в EEPROM. Если находясь в этом режиме нажать кнопку «START/STOP», то этот параметр будет сброшен до значения по умолчанию.
Код написан и скомпилирован с mikroC PRO для PIC.
Параметры проекта:
- Генератор: INTOSC
- Частота генератора: 4 МГц
- Сторожевой Таймер: отключен
- Power-up таймер: включен
- RA5/MCLR/VPP: отключен
- Brown-out: включен
Фото готового таймера.
Особенность индикации данного устройства состоит в том, что используется отдельный регистр сдвига(74HC4094
) для каждого семисегментного индикатора. Последовательный выход из первого регистра может быть подключен к входу второго, и так далее. Чтобы заполнить все индикаторы нужно послать особую комбинацию последовательных данных.
Преимущество такого подхода в том, что не требуется обновлять сегменты все время, на самом деле надо просто заполнить данные в регистрах и все
Это приводит к тому что дисплей начинает ярче светиться, устраняется эффект мерцания и освобождаются ресурсы микроконтроллера, которые могут быть доступны для другой, более важной работы. Кроме того, только три линии данных нужны чтобы контролировать этот дисплей, что очень полезно, если мы не имеем достаточно портов ввода/вывода
Обратная сторона такого подхода заключается в том, что сегменты потребляют больше тока, чем в мультиплексном режиме. На схеме вы также можете увидеть пьезозуммер, стабилизатор напряжения (220В -> 5В) и реле.

Сегменты связаны хаотично и это потому, что печатную плату проще таким образом развести. Вы можете подключить сегменты так, как вам нравится, но в «таблицу сегментов» в исходном коде должны быть внесены соответствующие изменения.
Управление устройством: — Две кнопки используются для установки времени обратного отсчета с 10 секунд шагом; — Третья кнопка (старт/стоп) для запуска и остановки; — Когда отсчет завершается таймер выключает нагрузку и включает звуковой сигнал; — Первый две кнопки отключены во время процедуры обратного отсчета; — Последнее установленное время сохраняется в EEPROM. EEPROM будет хранить настройки после выключения питания и при включении питания таймер будет отображать ранее сохраненное время;- Микроконтроллер будет уходит в режим сна после двух минут бездействия, а потребляемый ток снижается до менее чем 5 мА;- Нажав на кнопку старт/стоп, он будет просыпаться.






Установка фьюз битов микроконтроллера
Архив для статьи «Таймер для засветки фоторезиста на Attiny2313»
Описание:
Исходный код(Bascom), файл прошивки микроконтроллера, проект Proteus, печатные платы Eagle
Размер файла:
298.48 KB Количество загрузок:
1 068
Светит незнакомая звезда, снова мы оторваны от дома, травим мы «печатки» до утра…
Одна старая песня.
С карандашом в руках я хорошенько подумал над тем, какой должна быть моя установка, вырисовался примерный концепт. Затем я заказал ящик у знакомого в небольшой мебельной мастерской. Там раскроили и отторцевали ЛДСП по моему эскизу.
Другие функции

Современные системы управления обладают разнообразием возможностей. В некоторых моделях дополнительные функции программируемых реле отображены в трех основных и двух смешанных режимах, которые обозначаются следующим образом:
- H – таймер недельный;
- U – реле напряжения;
- F – фотореле;
- HU – недельный таймер с контролируемым напряжением;
- FU – фотореле с контролем напряжения.
Таймер недельный автоматически выполняет ежедневную важную функцию. Например, оптимизация параметров тепличного или инкубаторного хозяйства. Может управлять работой фонтанных устройств, рекламных конструкций.
Реле U обеспечивает защиту электрооборудования от возможных колебаний сетевого напряжения. Подключенное устройство отображает на дисплее его реальную величину.
Если значение в заданных пределах – включается нагрузка. Когда напряжение выходит за пределы верхнего или нижнего порога, нагрузка не подключается.

Фотореле для уличного
Фотореле – оптимальный вариант программируемой работы осветительной арматуры. Может применяться как в быту, так и для управления подсветкой различных сооружений, освещением садово-парковых площадей, улиц, других публичных мест.
Также существуют приборы, совмещающие функции таймера, фотореле и реле напряжения. Энергонезависимая память такого устройства позволяет сохранять запрограммированные параметры не только при перепадах напряжения, но даже при отключениях питания. Обычно, допустимое значение тока нагрузки для реле прибора – до 16 ампер. Если же рабочий ток больше, оборудование комплектуется магнитным пускателем или контактором.
Перечисленные приборы предназначены для коммутации нагрузки, согласно установленному времени, контроля напряжения и отключения потребителей при значительных колебаниях в электрической сети. Причем после восстановления параметров происходит их автоматическое включение. Выполняется переключение установленного уровня освещенности, другие программируемые действия.
Таймер на PIC для управления электроприборами

Таймер на PIC для управления электроприборами
Электрический таймер предназначен для программного управления бытовыми устройствами, освещением и другими устройствами. Таймер можно использовать для аквариумного и другого оборудования. Использование таймера позволит сберегать электроэнергию, не понижая уровень комфорта.
Вариант 1
В состав данного устройства заходит три таймера. Таймер 1.1 и таймер 1.2 любой из их позволяет задавать время включения и выключения нагрузки, которая подключается к реле KV1. Таймер 2.1 и таймер 2.2 также позволяет задавать время включения и выключения нагрузки, которая подключается к общему реле KV2. Таймер 3 представляет собой оборотный таймер, который управляет нагрузкой через KV3.
В данном устройстве использован микроконтроллер PIC16F628A. Элементы С1, С2, ZQ1 являются наружными частотозадающими элементами внутреннего тактового генератора. Для отображения инфы употребляется индикатор HG1 с контроллером KS0066. Индикатор может отображать две строчки по шестнадцать знаков. Подстроечным резистором R4 можно регулировать контрастность изображения.
При использовании реле с током катушки более 100 мА, то транзисторы КТ315В следует поменять на транзисторы очень допустимый ток коллектора, которых больше тока катушки реле.
Режим отображения текущего времени.
SB1, SB2 – уменьшение или повышение значений времени при настройке.
Режим отображения таймера 1.1.
Если время включения установлено равным времени выключения то считается не применяемым.
Предназначение кнопок и управление ими такое же, как и в режиме текущего времени.
Таймеры 1.2, 2.1 и 2.2 по индикации и управлению подобны таймеру 1.1.
Режим отображения таймера 3
Таймер 3 — это оборотный таймер.
Для входа в режим опции таймера 3 нужно надавить и задерживать, до возникновения мигающего курсора, кнопку SB5.
В режиме опции перемещение курсора осуществляется клавишами SB3 и SB4, а изменение значений клавишами SB1 и SB2. При отсчете времени приостановить таймер 3 можно нажав SB5.
После повторного нажатия SB5 таймер продолжит отсчет времени и когда его значение будет равно нулю, нагрузка отключится.
Переключение меж режимами отображения осуществляется кнопками SB1 и SB2.
Биты конфигурации микроконтроллера.
Вариант 2
Режим отображения текущего времени
SB1, SB2 – уменьшение или повышение значений времени при настройке.
Режим отображения таймера
Перечень радиоэлементов
Обозначение Тип Номинал Количество ПримечаниеМагазинМой блокнот DD1 МК PIC 8-бит PIC16F628A 1 Поиск в win-sourceВ блокнотHG1 LCD 16x2BC1602B21 Поиск в win-sourceВ блокнотZQ1 Кварцевый резонатор4 МГц1 Поиск в win-sourceВ блокнотVD1-VD3 Диодик КД105Б 3 Поиск в win-sourceВ блокнотVT1-VT3 Биполярный транзистор КТ315В 3 Поиск в win-sourceВ блокнотC1, C2 Конденсатор15…30 пФ2 Поиск в win-sourceВ блокнотR1, R3, R5 Резистор 1 кОм 3 Поиск в win-sourceВ блокнотR2, R6 Резистор 4.7 кОм 2 Поиск в win-sourceВ блокнотR4 Подстроечный резистор10 кОм1 Поиск в win-sourceВ блокнотДобавить все
Скачать перечень частей (PDF)
ВАРИАНТ 1.hex (9 Кб) ВАРИАНТ 2.hex (8 Кб)Таймер PIC Микроконтроллер
Сборка установки
Установка ПП, вид снаружи
Вид изнутри
Кусок оргстекла мне досталось от разбомбленных электронных часов с автозаправки. Изнутри обклеено чёрной самоклейкой и сделаны вырезы для индикатора. Да, с царапинами стекло, ну и пусть — не на выставку же.

Не вошло по высоте реле, пришлось немного попортить экстерьер
Крепим поролон на крышку для прижатия ПП
Клеем полоски двухстороннего скотча
Отрываем защитную бумажку
Прижимаем крышкой — готово!!!
В качестве предметного стекла применил обычное оконное. Мощности ламп достаточно для надёжного и равномерного засвета, поэтому кварцевое стекло искать не стал (хотя его можно выкорчевать из старого сканера).
Инструкция по применению
Алгоритм приведения механических розеток-таймером в целом идентичен для всех моделей.
Переключатель режимов работы таймера устанавливаете в положение непрерывной работы.
Вращением исполнительного диска выставляете текущее время – соответствующую ему риску напротив неподвижной метки.
Утапливаете или поднимаете группы контактов на внешнем крае исполнительного диска, устанавливая периоды включения-выключения
Обращайте внимание на их расположение относительно рисок на исполнительном диске. Оно должно соответствовать желаемому времени коммутации.
Вставляете вилку шнура управляемого устройства в штепсельный разъем таймера.
Подключаете к сети.
Переводите кнопку режима таймера из положения «Непрерывное» в «Управляемое».. Обратите внимание на то, что розетка-таймер работает только в том случае, если вилка шнура управляемого устройства сопряжена с его штепсельным разъемом
В рабочем состоянии аппарат должен тихонько жужжать
Обратите внимание на то, что розетка-таймер работает только в том случае, если вилка шнура управляемого устройства сопряжена с его штепсельным разъемом. В рабочем состоянии аппарат должен тихонько жужжать. Установленный режим коммутации будет повторяться ежедневно
Для его изменения розетку-таймер отключают от питающей сети
Установленный режим коммутации будет повторяться ежедневно. Для его изменения розетку-таймер отключают от питающей сети
В рабочем состоянии аппарат должен тихонько жужжать. Установленный режим коммутации будет повторяться ежедневно. Для его изменения розетку-таймер отключают от питающей сети.
Простой частотомер на микросхеме своими руками — характеристики и схема
Параметры предлагаемого частотомера приведены в следующей таблице:
| Режим работы | Частотомер | Частотомер | Цифровая шкала |
| Диапазон измерений | 1 Гц…20 МГц | 1–200 МГц | 1–200 МГц |
| Дискретность | 1 Гц | 10 Гц | 100 Гц |
| Чувствительность | 40 мВ | 100 мВ | 100 мВ |
Данный частотомер обладает целым рядом преимуществ по сравнению с предшествующими:
- современная дешевая и легко доступная элементная база;
- максимальная измеряемая частота — 200 МГц;
- совмещение в одном приборе частотомера и цифровой шкалы;
- возможность увеличения максимальной измеряемой частоты до 1,2 ГГц при незначительной доработке входной части прибора;
- возможность коммутации во время работы до 4 ПЧ.
Принципиальная схема частотомера и необходимые детали
Список необходимых радиоэлементов:
- 6 микросхем — DD1 (К555ЛА3); DD2 (К193ИЕ3); DD4 (КР1816ВЕ31); DD5, DD7 (2хК555ИР22); DD6 (К555ИД7); DD8 (К573РФ2).
- Логическая ИС (DD3) — К555ИЕ19.
- 17 биполярных транзисторов (VT1, VT2–VT17) — КТ368А и 16хКТ361В
- Стабилитрон (VD1) — КС113А.
- 7 конденсаторов — С1 (0.01 мкФ); С2, С8 (2х0.1 мкФ); С3 (56 пФ); С4 (1000 пФ); С5 (22 пФ); С6 (12 пФ).
- Подстроечный конденсатор (С7) — 5-20 пФ.
- Электролитический конденсатор (С9) — 3.3 мкФ.
- 41 резистор — R1 (51 Ом); R2, R25–R40 (17х68 кОм, R2 по ошибке в схеме указана как R3); R3 (10 кОм); R4, R6 (2х560 Ом); R5 (33 Ом); R6, R7 (2х1 кОм, в схеме по ошибке два резистора R6); R8–R23 (16х20 кОм); R24 (2 кОм).
- Кварцевый резонатор (ZQ1) — 8.86 МГц.
- Вакуумно люминисцентный индикатор (HL1) — ИВ-18.
- Переключатель (S1)
- Блок переключателей (S2)
Печатная плата частотомера и рекомендации по монтажу своими руками
Печатная плата частотомера:Видео, как собрать частотомер на одной микросхеме:
Программа
При установке компилятора XC8 вы также добавили и некоторые заголовочные и исходные файлы. В этом руководстве мы используем файлы библиотеки по работе с LCD, которые идут с компилятором XC8: XLCD.H и несколько исходных файлов. Чтобы всё немного упростить, я скопировал содержимое всех исходных файлов в один файл. На моей установке Ubuntu исходные файлы XLCD находятся в каталоге:
/opt/microchip/xc8/v1.34/sources/pic18/plib/XLCD
Там было 10 файлов, bysyxlcd.c, openxlcd.c, putrxlcd.c и т.д.. Я поместил содержимое всех этих файлов в один файл и назвал его my_xlcd.c. Этот файл теперь содержит все функции. Файлы my_xlcd.c и xlcd.h необходимо скопировать в каталог проекта (файл xlcd.h находился в каталоге /opt/microchip/xc8/v1.34/include/plib). Файл xlcd.h – это стандартный файл, который нуждается в небольшом редактировании. Нам необходимо изменить данные о подключении LCD к микроконтроллеру, чтобы они совпадали с нашей схемой:
Теперь связь между LCD дисплеем и микроконтроллером задана. С этими двумя файлами (my_xlcd.h и my_xlcd.c) больше ничего делать не требуется.
Далее основная программа. Она начинается с включения нескольких заголовочных файлов, битов конфигурации, определений, объявления переменных и функций:
Чтобы заставить LCD дисплей работать с нашим микроконтроллером, нам необходимо создать несколько функций задержек. В начале вашего файла XLCD.H говорится, что:
Пользователь должен обеспечить три функции задержки:
- обеспечивает задержку в 18 циклов;
- обеспечивает задержку в 15 мс;
- обеспечивает задержку в 5 мс.
Мы должны добавить еще и четвертую функцию задержки,
Ниже приведены функция инициализации LCD и функции задержек:
Далее на очереди функции подачи стартового сигнала, чтения байта и проверки ответа:
Чтобы узнать, когда микроконтроллер передает сигнал старта, и когда DHT11 закончил передачу своих 40 бит, нам нужна функция прерывания:
И наконец, основная часть программы:
Это был один из способов использования DHT11 совместно с PIC контроллером и LCD дисплеем.
Варианты написания:
PIC16F628AI/P, PIC16F628A I/P
На английском языке: Datasheet PIC16F628A-I/P — Microchip 8- bit Microcontrollers (MCU) 3.5 Kb 224 RAM 16 I/O

41 предложений от 26 поставщиков
Микропроцессор PIC, Ядро 8bit, 3.5K-Flash 224B-SRAM 128B-EPROM, 20MHz, 3.0V…5.5V, -40°C…85°CМикроконтроллеры PIC (Peripheral Interface Controller) — это программируемые ППЗУ, имеют малое энергопотребление,…
| РИВ ЭлектрониксРоссия | PIC16F628A-I/PMicrochip | 100 ₽ | Купить |
| AliExpressВесь мир | 1 шт. PIC12F683-I/P PIC16F1827-I/P PIC16F505-I/P PIC16F627A-I/P PIC16F628-04/P PIC16F628A-I/P PIC16F630-I/P PIC16F648A-I/P DIP | 31 ₽ | Купить |
| ЭлрусРоссия | PIC16F628A-I/PMicrochip | от 92 ₽ | Купить |
| TMElectronicsРоссия | PIC16F628A-I/PMicrochip | от 159 ₽ | Купить |
Подбираем компоненты
В качестве индикатора, мы выбрали светодиодный трех-разрядный индикатор с общим анодом — у него всего 11 выводов, очень удобно. Купить не сложно, и в принципе, довольно экономично в энергопотреблении (но конечно не LCD).
Микроконтроллер — STM8S003F3P6 — с ним мы уже работали, так что все знакомо. ST-link уже есть.
Микросхема заряда и вся обвязка у МК, как у велокомпьютера.
В качестве пищалки, очень компактная и громкая пищалка HC0903A
Аккумулятор — LIR2032. Всего 45 mAh, но этого хватит на 40 часов непрерывной работы таймера. От кварцевого резонатора решили отказаться (нужны выводы), особенная точность нам не нужна, ну и у STM8 довольно точный внутренний генератор. Микросхема заряда — TP4056.
ЧАСТОТОМЕР НА PIC16F628A
Ещё несколько лет назад измерители частоты делали на отдельных микросхемах с КМОП логикой, но так как вы уже стали PIC-программистами, используем для него микроконтроллер. Предлагаемый частотомер очень прост и вместе с тем показывает надёжную работу схемы. Здесь мы будем использовать 7-сегментный светодиодный дисплей, не ЖК, на котором будет простой частотомер до 1 МГц, который использует 6-разрядов индикатора. Если нужны более высокие частоты измерений — смотрите эти схемы с делителями на входе.
Принципиальная схема частотомера

Микроконтроллер PIC16F628A служит для того, чтобы выполнить всю работу без каких-либо дополнительных микросхем. На 16F628A 16 I/O выводов, два из которых используются для кварцевого генератора, один предназначен для ввода сигнала, а другой может быть использован только для ввода, что дает нам только 12 полезных I/O контактов. Решение — поставить транзистор, который открывается при выключении всех других цифр.

Светодиодный 7-сегментный дисплей, используемый здесь, с общим катодом типа BC56-12SRWA. Когда все сигналы находятся на высоком уровне, транзистор Q1 открывается и переключается на первой цифре. Ток для каждого сегмента составляет около 7 мА.

Вся схема частотомера потребляет тока порядка 30 мА в среднем. Микроконтроллер использует свой внутренний 4 MHz генератор для тактирования CPU. А внешний кварцевый генератор с частотой 32768 Hz нужен для установки 1 второго временного интервала. Tmr0 используется для подсчета входного сигнала на выводе RA4.

В качестве входного сигнала нужно будет 5 вольт прямоугольного вида. Сам частотомер может измерять до 1 мегагерца, что более чем достаточно для любительских проектов. Это сделано для удобства, так как счетчик может достигать показаний 999999 Гц — и ничего переключать не нужно. Меряем хоть 11 герц, хоть 139,622 килогерц.

В общем если у кого есть желание повторить этот проект самим, вот файлы. Плата в архиве немного отличается от той, что на фотографии, были позже сделаны некоторые оптимизации. А программный код открыт — можно его при умении оптимизировать.
