Выключение света по хлопку: польза и преимущества
Высокотехнологичный аппарат замыкает и размыкает электрическую цепь при подаче звукового сигнала, например, хлопка в ладоши. Он способен дистанционно управлять не только светом в доме, но и другими электробытовыми приборами: вентилятором, увлажнителем, музыкальным центром, аппаратурой, подсветкой аквариума. Это полезное устройство заменяет или дублирует традиционный выключатель/пульт ДУ, экономя время пользователей на совершение действий. Оборудовать акустическими выключателями можно все электропотребители, находящиеся в зоне акустической чувствительности аппарата.
Как собрать?

Чтобы изготовить чудо-техники самостоятельно, необходимы навыки и знания:
- по чтению простейших электрических схем;
- опыт работы с паяльником;
- умение разбираться в электрорадиодеталях;
- практика в изготовлении печатных плат.
Выключатель будет функционировать от напряжения 9 вольт. В качестве источника питания подойдёт прямоугольная батарейка, но её можно заменить аккумулятором. При использовании понижающего трансформатора или DC–DC преобразователя можно работать от сети 220 Вт.
СоветЕсли нет навыков или квалификации, лучше не пытаться сделать его самостоятельно. Для таких людей предусмотрен огромный выбор готовых вариантов.
Список деталей
Резисторы:
- R1– 10К;
- R2– 1M;
- R3– 22К;
- R5– 2К;
- R6– 1,8К;
- R7– 330 Ом;
- R8– 1,5K.
Транзисторы:
- VT1– KT315;
- VT2– RT315;
- V3– 3107 (DC557).
Конденсаторы:
- С1– 2200 пФ;
- C2– 1 мкФ*10В.
Диод — VD1– 1N.
Разное:
- M1- микросхема электрическая;
- HL1– светодиод или реле;
- контактная колодка.
ВниманиеЕсли в качестве нагрузки будет использоваться реле, то резистор R8 необходимо поменять на 2 Ом
Изготовление печатной платы
Объяснять подробно как изготовить печатную плату я не буду, так как это займет много времени. Файл печатной платы открывается с помощью программы sprint-layout 6.0: sprint-layout-6.zip (скачиваний: 697) В схеме используется диод VD1, он нужен для защиты транзистора VT3 от ЭДС катушки реле. Если вы будете подключать в качестве нагрузки реле, то диод нужно поставить, если будет использоваться лёгкая нагрузка, то вместо него можно поставить перемычку. После изготовления платы, во избежании окисления, пролудите порожки оловом. Откройте программу sprint-layout 6.0 и припаяйте все детали на ней, согласно расположению. Если всё сделано правильно, детали и номиналы не перепутаны, то устройство должно заработать сразу без каких либо проблем. Вот так выглядит собранный акустический выключатель. И ещё одно фото с подключённый батареей и светодиодом на нагрузке. Хотелось бы сказать об одной проблеме которая может возникнуть. В схеме стоит резистор R8 на 1.5 кОм, если вы будете использовать в качестве нагрузки светодиод то его можно оставить, если планируете устанавливать реле, то замените резистор на 2 Ом. Больше проблем возникнуть не должно )) В итоге получился не дорогой но очень эффективный и полезный прибор, который обязательно найдет своё применение в хозяйстве! ))
Дистанционный выключатель света. Три варианта
В данной статье приведем несколько вариантов схем, при помощи которых можно изготовить дистанционный выключатель света.
Дистанционный выключатель света при помощи ПДУ
Это простая схема для дистанционного включения и выключения любого электрического устройства при помощи обычного пульта дистанционного управления (ПДУ).
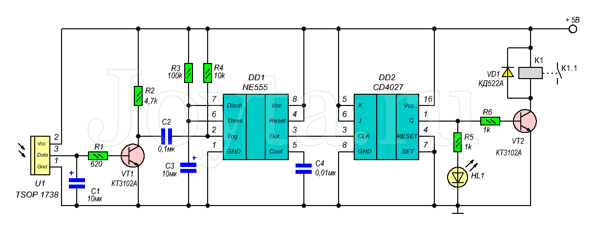
Дальность действия дистанционного выключателя составляет около 10 метров. В качестве датчика используется 3-контактный ИК- приемник (TSOP 1738 или его аналог), работающий на частоте 38 кГц. При обнаружении ИК-излучения, на выходе датчика появляется сигнал лог.0, который в свою очередь усиливается транзистором VT1.

С выхода транзистора VT1 усиленный сигнал запускает ждущий мультивибратор на таймере NE555 . Импульс с выход (3) таймера, имеющий длительность в 1 секунду, переключает JK-триггер, чей выход (1) через транзистор (VT2) управляет электромагнитным реле. С каждым новым сигналом от NE555, выход JK-триггера будет изменяться на противоположное состояние.
Светодиод HL1 используются для отображения состояния выходного каскада во время работы устройства. Схема запитана от стабилизатора напряжения 7805. Конденсатор С2 и резистор R4 предназначены для предотвращения ложного срабатывания таймера NE555.
Дистанционный выключатель света по хлопку
Вариант 1
Эта схема дистанционного акустического выключателя предназначена для дистанционного включения / выключения света либо изменения скорости вращения напольного вентилятора. Особенность данного дистанционного выключателя в том, что управление нагрузкой происходит по звуковому сигналу (хлопку). Так же данная схема может быть востребована, в целях безопасности, для бесконтактного включения и выключения электроприборов в помещениях с повышенной влажностью.

Устройство имеет три канала управления, каждый из которых оснащен индикатором на светодиоде. Основу схемы акустического выключателя составляют две микросхемы: таймер NE555 и десятичный счетчик-делитель К561ИЕ8 (аналог CD4017)
Микросхема NE555 в данном случае подключена в режиме ждущего мультивибратора. При изменении сигнала на входе 2 таймера NE555, на его выходе 3 появляется одиночный импульс, после чего ждущий мультивибратор переходит в исходное состояние. С помощью формулы, приведенной ниже, можно длительность выходного импульса:
В то время, когда кто-то хлопает в ладоши, звуковой сигнал при помощи конденсаторного микрофона преобразуется в электрический. Затем этот сигнал поступает на базу транзистора VT1, который в свою очередь запускает ждущий мультивибратор на NE555.
Сигнал с выхода 3 таймера NE555 поступает на счетный вход (вывод 14) микросхемы К561ИЕ8. После получения сигнала тактовой частоты, счет начинается с нуля. С каждым новым входным сигналом (хлопком) происходит последовательное появление сигнала высокого уровня на выходах К561ИЕ8. (Подробное описание К561ИЕ8.)
Поскольку схема имеет три канала для управления, то следующий выход (вывод 10) подключены к выводу обнуления счетчика (вывод 15), и при появлении на выводе 10 лог.1 происходит сброс счетчика, в результате чего все три канала обнуляются и счет начинается снова.
При первом хлопке на вывод 2 будет лог.1 — загорится светодиод HL1 и включится реле К1, при следующем хлопке лог.1 появится уже на выводе 4 — загорится светодиод HL2 и включится реле К2, при этом на выводе 2 будет лог.0 и светодиод HL1 погаснет (реле К1 отключится) и так далее.
Вариант 2
Звуковой сигнал, принятый микрофоном, усиливается микрофонным усилителем на ОУ 741. С выхода ОУ сигнал поступает на вход десятичного счетчика К561ИЕ8, работа которого была описана в предыдущей схеме.

C помощью резистора R3 регулируют чувствительность ОУ 741. Резистор R1 устанавливает чувствительность микрофона. Резистор R4 предназначен для исключения ложных срабатываний счетчика К561ИЕ8. Свечение светодиода HL1 указывает на выключенное состояние нагрузки.
Дистанционный выключатель света на основе лазера
Эта простая схема дистанционного выключателя построена на таймере NE555. В качестве управляющего элемента использована лазерная указка. Эта схема была опробована в работе с расстояния 50 метров и показала хорошие результаты. По большому счету дальность действия зависит от мощности и качества самого лазера. Электрическая схема дистанционного выключателя:

Сфера применения
Целесообразность монтажа акустического прибора давно оценили и в бытовом аспекте, и в производственных масштабах. Один из доводов в пользу датчиков звука – продление срока службы источников света, которые в отличие от простых ламп накаливания, не отличаются демократической стоимостью. Монтаж простого или самодельного прибора обходится дешевле, чем замена перегоревших лампочек, оплата электроэнергии по счетчику, цена ее перерасхода.
Использовать звуковые датчики можно:
- в дальних помещениях (комнатах, кладовых, складах, верандах закрытого типа), куда заходят не часто, особенно, в зимнее время;
- в функциональных помещениях лечебных зданий или производства, где выключатель не используется из-за загрязненного состояния рук, или соображений безопасности;
- в переходах (подворотнях, коридорах общественных зданий – офисов, бизнес-центров, государственных учреждений);
- в гаражах, операционных, других помещениях, где установка стандартного выключателя в принципе невозможна.
Включение света по хлопку в жилых комнатах, туалете, ванной и кухне, не очень востребовано. Гораздо чаще оно применяется в коридоре, где свет выключается после того, как человек разделся и вышел в другое место. Например, когда человек сидит на унитазе, он может находиться в спокойном состоянии, и тогда устройство, не улавливая шума от движения, автоматически погасит освещение.

Установка устройства
Собрать простой акустический выключатель по хлопку можно своими руками, он состоит из следующих деталей:
- Резисторы;
- Конденсатор С12;
- Диодный мост (скажем, VD7-VD10);
- Транзисторы.
Обратите внимание, что конденсаторы должны быть не мене, чем на 40 Вольт. Но не всем нравится самостоятельно складывать электронные приборы, поэтому будет проще купить хлопковый звуковой выключатель в магазине
Там можно подобрать модель под любые потребности и возможности.

Установка хлопкового регулятора производится по классической схеме, в которой он используется вместе обычного одноклавишного или двухклавишного. У каждого отдельного устройства индивидуальная схема подключения, но принципиально они все очень похожи. Если вкратце, то нужно в сети подключить одноклавишную модель так, чтобы он питал хлопковый. Как это сделать:
- Стандартная схема работы выключателя и лампы имеет следующий вид: от щитка через распределительную коробку подводится питание к стандартному выключателю. Нейтраль от щитка ведется к лампе (или нескольким лампам). Лампы параллельно подключаются к отключающему устройству;
- Вам нужно разорвать цепь питания, которая идет на клавишный выключатель и установить её на акустический. Сделать это очень просто. Главным достоинством работы такого прибора является его малая размерность. Штробить стену не потребуется, т. к. преимущественно такой контроллер устанавливается на корпус светильника;
- Стандартно у выключателя две пары проводов: белые и черные. Белые отводятся на питание, черные на нагрузку. К примеру, белые соединяются с фазовым и нейтральным кабелями от щитка, а черные – от ламп;
- Соединять отдельные шнуры можно специальными клеммами или простой обмоткой. Паять места креплений не рекомендуется;
- После этого нужно включить обычный клавишный выключатель и проверить работу системы. Если понадобится полностью убрать его из системы, то переустановите провода питания так, чтобы они подводились к хлопковой модели напрямую.

Очень удобно то, что можно подключить один выключатель для нескольких ламп, он будет контролировать отдельные группы приборов. После установки обязательно установите регулятор громкости на нужный уровень, иначе свет будет загораться по малейшему хлопку или напротив, не включиться даже от сильного стука. Чаще всего регулятор представляет собой небольшой поворотный рычаг, который нужно докрутить до необходимого уровня.
Видео: особенности устройства хлопковых выключателей
Принцип работы
Устройство функционирует за счет установленного в нем микроконтроллера. Контроллер санкционирует включение и выключение света по хлопку. Данный прибор при желании можно использовать для контроля за другими электробытовыми устройствами (кондиционерами, вентиляторами и т. п.).
В составе обычного звукового выключателя света имеется электронный микрофон с предусилителем. Этот компонент усиливает поступающий в устройство звук, что позволяет фиксировать даже самые негромкие хлопки. Деятельность усилителя управляется с помощью транзисторов VT1 и VT2. Схема контролируется парой резисторов R2, а для выравнивания сигнала используются диоды VD1 и VD2.

Звук от хлопка проходит через микрофон, там усиливается и трансформируется электрический импульс. Далее происходит выравнивание звука благодаря работе выпрямляющих диодов. Звук находится под контролем резистора (если уровень громкости звука ниже заданного, резистор не допустит срабатывания прибора). Когда выравнивается сигнал на конденсаторе, возрастает напряжение, открывается транзисторный ключ VT3.
Свет отключается и включается после последовательной зарядки и разрядки конденсаторов. По окончании полного цикла деятельности (по еще одному хлопку) резистор и конденсатор C10 разряжаются за четыре секунды. Это приводит устройство к выключению.
Применение хлопкового выключателя
Хлопковый выключатель позволяет проводить включение света по хлопку. Для того чтобы отключить это устройство вам также необходимо хлопнуть в ладоши. Это устройство имеет достаточно простой алгоритм работы. После первого хлопка вы включите устройство, а после второго оно будет выключено.
Выключатели по хлопку необходимо устанавливать в тихих помещениях. К этим помещениям можно отнести:
- Спальню.
- Кладовую.
- Подсобку.
- Подвал.
Их не рекомендуется устанавливать в помещениях, где постоянно собирается много людей. Лишние шумы могут повлиять на качество его работы. К этим помещениям можно отнести офисы, мастерские и производительные площадки.
Чаще всего хлопковый выключатель устанавливают в спальне. Если вы будете лежать в постели, то больше не потребуется вставать с постели. Включить светильник по хлопку можно с помощью этого устройства.
При его установке не следует путать это устройство с акустическим выключателем. Акустические устройства будут срабатывать на шум, а хлопковый выключатель только на хлопок. В первую очередь это устройство будет полезно детям. Раньше выключатели устанавливали высоко и дети не могли до них дотянуться. Теперь ребенок может включить свет по хлопку.
Как работает акустический выключатель
Алгоритм работы простейшего акустического выключателя выглядит так: когда раздается хлопок – лампа включается, при следующем хлопке – она гаснет и так повторяется все время. При этом в любом состоянии лампочка может находиться бесконечно долго. Мы же соберем более продвинутое устройство.
Первый алгоритм работы нашего акустического выключателя функционирует таким образом: один хлопок – зажигается одна лампа, второй – вторая, третий – третья, четвертый – все лампы гаснут. Далее все повторится снова.
Второй алгоритм – все происходит в обратной последовательности: первый хлопок – включаются три лампы, второй – одна гаснет и остаются светиться две лампы, третий – остается светиться одна лампа, четвертый – все лампочки выключаются. Такой вариант хорошо подходит для «ночника», поскольку с каждым хлопком свет становит тусклее, а затем гаснет.
Применение акустических (хлопковых) выключателей
Такие устройства набирают популярность ввиду удобства применения и практической полезности
Достаточно обратить внимание на замызганные пятна вокруг традиционного выключателя, появляющиеся на стене уже скоро после ремонта. Бесконтактный прибор избавляет от этого неприятного эффекта
Полезен он и для младшего поколения, если приборы управления освещением установлены на традиционном для России месте, а не внизу, как это принято в Европе. Просто хлопком в ладоши ребёнок легко включит и выключит свет в комнате.
Таким же образом акустический выключатель будет полезен для инвалидов — колясочников и лежачих больных. Кроме того, он может стать для них сигнальной системой, чтобы при необходимости просить о помощи. Небольшая переделка схемы позволит подавать не только световой, но и звуковой сигнал.
Популярное наименование устройства «хлопковый», скорее всего, является случайным, ведь прибор может срабатывать и на другие резкие звуки, включая свист, стук и прочие сигналы.
Смонтированный хлопковый контроллер
Можно полагать, что приборы такого класса станут непременными принадлежностями системы управления жилищем под названием «умный дом».
Что это такое
Название акустическая система не отражает всего, что может делать современный звуковой датчик, потому что в нем отражается только основной принцип работы – распознавание волн от звука вариабельного происхождения. А современная усовершенствованная конструкция может настраиваться только на один вид звука, записанный, как эталонный, срабатывать на любой шум, реагировать на команды, выполнят несколько функций по мере возникшей необходимости.
Основное предназначение прибора
Включение и выключение освещения, его можно применять на лестничных клетках подъездов, в которых нет лифта, в проемах темных подворотен, где нет необходимости постоянного освещения. Настройка на шум шагов, производимое движение, скрип открывающейся двери, щелчок открываемого замка – все это приводит к тому, что датчик включения и выключения сначала зажигает свет для проходящего, а затем его гасит через выверенный промежуток времени.
Принцип работы
Звуковой датчик включения работает по двум основным принципам. В первом случае он нужен, чтобы сразу после раздавшегося звука, зажечь отключенное в тишине освещение. Команда, поданная на реле раздавшимся шумом, включает свет на время, достаточное для прохождения определенного расстояния. По такому принципу работает датчик на лестничных пролетах, в темных местах двора, на участках земельных владений, где нет стационарного освещения или просто в нем нет особенной необходимости.
Второй принцип работы обеспечивает реле задержки. Он позволяет устройству срабатывать только от определенного шума – характерного или продолжительного. Такое реле включения света позволяет не тратить электроэнергию на движение более мелкого объекта, чем человек домашнего животного, грызуна на приусадебном участке, не реагировать на посторонние шумы – природные или механического происхождения.
Свет по хлопку
Популярная разновидность реле, работающего от команды более интенсивной, чем шорох одежды, звук шагов и даже щелчок открываемого замка. В активе датчика может быть одна или две мотивации – хлопок включает свет, два хлопка – выключает. Установка в квартире такого акустического устройства многим специалистам представляется нецелесообразным, особенно, если оно работает по первому варианту. После прохождения определенного времени свет отключается и человек снова оказывается в темноте.
Компоненты устройства
Можно предложить несколько схем устройства прибора.
Комплектация по варианту 1
Это самая несложная схема. Она отличается применением микрофона при кратном усилении звукового сигнала. Для неё потребуется несколько транзисторов KT 315 и один мощный KT 818. С микрофона сигнал передаётся на KT 315, многократно усиливается и проходит в KT 818, контролирующий реле замыкания и размыкания контактов нагрузки, будь то лампочка или любой другой потребитель. Чувствительность устройства позволяет его срабатывание на включение/выключение на расстояние 4–5 метров, что вполне применимо для использования в бытового применения.
Оптимальным является выбор электретного микрофона, один из выводов которого соединяется с корпусом. Потребление электроэнергии невелико, напряжение составляет 4–16 вольт.
Транзисторы КТ315
Транзисторы КТ818
Устройство по варианту 2
Схема прибора в этом случае посложнее, но она и надёжнее предыдущей. Для её реализации понадобятся:
- резистор;
- конденсатор;
- стабилитрон;
- управляемые тиристоры.
Транзисторный триггер нужно подключить на делитель напряжения и резистор. Триггер получает питание через диод и резистор. Конденсатор и стабилитрон предназначены для выравнивания напряжения.
Устойчивая работа триггера возможна при включении одного из двух управляемых тиристоров. Реагируя на звук от микрофона, делитель напряжения переводит их в другое состояние.
Нагрузка на выключатель не превышает 100 ватт. При необходимости увеличения этой характеристики нужно применить диоды более высокой мощности. Транзисторы устанавливаются с использованием радиаторов.
Принципиальная схема простейшего хлопкового выключателя
Порядок испытаний хлопковых выключателей
После установки и подключения прибора его нужно проверить в реальных условиях эксплуатации. Проверка заключается в имитации бытовых шумов и реакции на них установленной системы. Обычными для дома шумами можно считать следующие:
- шум бытового пылесоса;
- работа электродрели;
- стук тарелок;
- звук от работы с молотком;
- телефонные звонки и пр.
Поочерёдно создавая такие шумовые эффекты проверяем, на какие из них может срабатывать устройство. Нежелательные реакции прибора можно попробовать устранить регулировкой чувствительности микрофона. Эта возможность реализуется во всех моделях устройств.
Изготовление такого выключателя подробно показано на видео
Для изготовления своими руками акустического выключателя, несомненно, нужны твёрдые знания в области радиоэлектроники и электротехники, а вот установка стандартного устройства вполне по силам исполнителю с минимальными навыками электромонтажа. Успехов вам!
Назначение и применение
Изначально датчиками движения пользовались с целью охраны территории внутри и снаружи здания. Позднее область применения распространилась на частный сектор. Современные технологии позволяют контролировать освещение с помощью различных подобных устройств.
Охранные системы
Используемые приборы для охраны территории при срабатывании могут включить освещение, видеокамеры и сигнализацию. В помещении устанавливают чаще ИК детекторы, которые настраивают на контроль открытого пространства. Однако для узких коридоров лучше выбирать УЗ или радиоволновое устройство.
Снаружи применяются датчики, срабатывающие на тепловое излучение и комбинированного типа. Для охраны периметра актуальнее выбирать активные.
Что касается автомобильных охранных систем, то здесь важна компактность. Этот параметр имеют ультразвуковое и радиоволновое оборудование.
Управление освещением
Для включения света применяются, как правило, пассивные датчики, реагирующие на тепловое излучение. Главным параметром для выбора считается дальность действия. Она составляет 12 м.
Угол обозрения может быть разным. Срабатывание происходит только, когда человек находится в контролируемой зоне. Если встроен датчик освещения, то в светлое время дня освещение не включается. Это позволяет сэкономить на затрачиваемом электричестве.
В системах умного дома
Управление различных технических устройств, которыми оснащен дом, осуществляется посредством пульта или мобильного телефона. Для этого устанавливаются различного рода датчики.
Приборы, реагирующие на движение, функционально предназначены для включения света и охраны территории. Любые изменения в системе безопасности фиксируются видеокамерами, которые автоматически направляются в зону движения. Владелец и охранник параллельно получает сигнал об этом.
Освещение может быть настроено в двух вариантах:
- выключение происходит через настраиваемый промежуток времени;
- свет горит в течение всего периода нахождения человека в зоне действия датчика.

Схема акустического выключателя
Существует огромное множество схем акустических выключателей (АВ): на транзисторах, логических микросхемах, триггерах и т.п., но мы будем собирать наш аппарат на микроконтроллере. Применяя микроконтроллер можно довольно просто реализовать алгоритмы различной сложности с минимальной переделкой схемы либо вовсе без переделок.
Первый и неотъемлемый элемент любого акустического выключателя – это микрофон. Микрофон преобразует сигнал звуковой частоты в переменное напряжение. Нам подойдет самый простой электретный микрофон.
Одним выводом микрофон подключается к минусу, а вторым через подстроечный резистор R1, сопротивлением 510 кОм, – к плюсу. С помощью R1 регулируется чувствительность микрофона. Далее переменный сигнал с выхода микрофона через разделительный конденсатор C1, емкостью 1 мкФ, подается на усилитель, выполненный на одном транзисторе BC547. Эмиттер транзистора соединен с минусом, а коллектор посредством резистора R2, сопротивлением 1 кОм, — с плюсом. Настройка усилителя осуществляется с помощью подстроечного резистора R3, сопротивлением 1 МОм.

Далее усиленный сигнал подается на вход микроконтроллера ATmega8. В зависимости от количества поступивших импульсов, что соответствует количеству хлопков, микроконтроллер выдает высокий или низкий потенциал на соответствующие выводы. В данной схеме у нас применяются три вывода микроконтроллера МК, которые работают на выход. Они питают три аналогичные цепи. Рассмотрим работу одной цепи.
Когда на выводе МК высокий потенциал (+5 В) транзистор VT2 серии 2N2222, соединенный с МК резистором R4 (1 кОм), открывается и получает питание катушка реле К1. При срабатывании реле К1 замыкаются его контакты в цепи питания лампы и таким образом она засвечивается.
Катушку реле К1 следует шунтировать обратным диодом VD1 для защиты от перенапряжения, поскольку катушка обладает некоторой индуктивностью, и при разрыве цепи может возникнуть бросок напряжения, хотя и не значительный в данном случае, но лучше перестраховаться. Подойдет практический любой диод с током не менее 100 мА, можно применить 1N4148.
Реле можно применять любое, но следует ориентироваться на такие параметры: напряжение питания 5 В, напряжение замыкающих контактов – переменное, 230 В. Ток контактов определяется нагрузкой цепи, которую будут замыкать-размыкать контакты. Я применял реле следующего типа: HW32-005VDC-A. Если найдете реле с током питания катушки не более 20 мА, то можно обойтись без транзисторного ключа.
Питание схемы акустического выключателя осуществляется от стабилизированного источника питания, напряжением 5 В. Можно взять любой готовый блок питания либо собрать его самому, как рассказано в этой статье.






























