Электричество
Электричество – это природное явление, подтверждающее существование, взаимодействие и движение электрических зарядов. Электричество впервые было обнаружено еще в VII веке до н.э. греческим философом Фалесом
Фалес обратил внимание на то, что если кусочек янтаря потереть о шерсть, он начинает притягивать к себе легкие предметы. Янтарь на древнегреческом – электрон. Вот так и представляю себе, сидит Фалес, трет кусок янтаря о свой гиматий (это шерстяная верхняя одежда у древних греков), а затем с озадаченным видом смотрит, как к янтарю притягиваются волосы, обрывки ниток, перья и клочки бумаги
Вот так и представляю себе, сидит Фалес, трет кусок янтаря о свой гиматий (это шерстяная верхняя одежда у древних греков), а затем с озадаченным видом смотрит, как к янтарю притягиваются волосы, обрывки ниток, перья и клочки бумаги.
Данное явление называется статическим электричеством. Вы можете повторить данный опыт. Для этого хорошенько потрите шерстяной тканью обычную пластмассовую линейку и поднесите ее к мелким бумажным кусочкам.
Следует отметить, что долгое время это явление не изучалось. И только в 1600 году в своем сочинении «О магните, магнитных телах и о большом магните – Земле» английский естествоиспытатель Уильям Гилберт ввел термин – электричество. В своей работе он описал свои опыты с наэлектризованными предметами, а также установил, что наэлектризовываться могут и другие вещества.
Далее на протяжении трех веков самые передовые ученые мира исследуют электричество, пишут трактаты, формулируют законы, изобретают электрические машины и только в 1897 году Джозеф Томсон открывает первый материальный носитель электричества – электрон, частицу, благодаря которой возможны электрические процессы в веществах.
Электрон – это элементарная частица, имеет отрицательный заряд примерно равный -1,602·10-19 Кл (Кулон). Обозначается е или е–.
Трёхфазное или однофазное подключение
В зависимости от того, какой тип подключения используют, определение потребляемой мощности производится по-разному.
Расчет мощности
В однофазной сети потребляемая энергия считается по простейшей формуле:
P=U∙I∙cosϕ,
где cosϕ – коэффициент мощности, характеризующий сдвиг фаз между током и напряжением в реактивной нагрузке.
Мощность 3 х фазной сети является суммой потребления по каждой фазе в отдельности. Формула мощности 3 х фазного тока имеет следующий вид:
Pобщ=Uа∙Iа∙cosϕа+ Ub∙Ib∙cosϕb+ Uc∙Ic∙cosϕc,
где U, I, cosϕ – напряжение, сила тока и коэффициент мощности в каждой фазе, соответственно.
К сведению. Видно, что в общем случае трехфазное соединение требует большее количество приборов учета.
Иногда посчитать потребление энергии можно по упрощенному варианту. При симметричном потреблении, например, при подключении асинхронного двигателя, токи потребления одинаковы, и формула принимает следующий вид:
P=3Uф∙Iф∙cosϕ=√3Uл∙Iл∙cosϕ,
где:
- Uф, Iф – фазные напряжение и ток;
- Uл, Iл – линейные напряжение и ток.

Асинхронный двигатель
Необходимость перевода ампер в киловатты
Мощность и сила тока две основные характеристики, которые необходимо знать, чтобы правильно установить защитные устройства при работе с электрическими приборами, подключаемыми к сети. Каждый подключенный к сети прибор должен быть защищен индивидуально подбираемыми защитными устройствами. В то же время, проводка электросети может оплавиться и загореться, если защитные устройства подобраны неправильно и не соответствуют техническим характеристикам сети. Ведь все электрические провода, которые используются, имеют собственную токонесущую способность, зависящую от сечения жилы провода, причем нужно учитывать материал, из которого эти жилы произведены.
Защитные устройства обычно срабатывают при скачках напряжения, которые могут вывести из строя приборы, включенные в сеть на этот момент. Чтобы этого не произошло, защита должна отключить ветку, к которой подключены маломощные приборы. Но на реле стоит только обозначение силы тока в амперах. А электроприборы, которые мы включаем в сеть, маркируются потребляемой мощностью в ваттах и киловаттах. Связь между мощностью и силой тока очень тесная.
Чтобы это понять, нужно разобраться в терминологии и принципах действия электрической сети.
- Обычно рассматривают напряжение в сети, которое представляет собой разность потенциалов, то есть работу, которая происходит при перемещении электрического заряда от одной точки в электрической сети к другой. Напряжение в любой электрической сети обозначается в вольтах.
- Силой тока, которая измеряется в амперах, называется число ампер, проходящих по проводнику за определенную единицу времени.
- Мощностью тока называется скорость перемещения заряда по проводнику и измеряется она в ваттах или киловаттах.
Чтобы электрические приборы высокой мощности могли нормально работать в сети, она должна обладать высокой скоростью передачи энергии, проходящей через эту сеть, то есть в сети должен быть ток высокой мощности. Поэтому автоматы, которые срабатывают на увеличение нагрузки на прибор, должны иметь более высокий порог реакции на пиковую нагрузку, чем для менее мощных устройств, подключаемых к данной конкретной электрической сети. Для создания резерва безопасности работы таких автоматов и возникает необходимость расчета точной нагрузки.
Измерение мощности
Измерение активной мощности в сетях производится с помощью ваттметра
Цифровой ваттметр Аналоговый ваттметр
В зависимости от схемы соединения нагрузки и его характера (симметричная или несимметричная) схемы подключения приборов могут разниться. Рассмотрим случай с симметричной нагрузкой:
Схема включения ваттметра при симметричной нагрузке
Здесь измерение проводится всего лишь в одной фазе и далее согласно формуле умножается на три. Этот способ позволяет сэкономить на приборах и уменьшить габариты измерительной установки. Применяется, когда не нужна большая точность измерения в каждой фазе.
Измерение при несимметричной нагрузке:
Схема включения ваттметра при несимметричной нагрузке
Этот способ более точный, так как позволяет измерить мощность каждой фазы, но это требует трех приборов, больших габаритных размеров установки и обработки показаний с трех приборов.
Измерении в цепи без нулевого проводника:
Схема включения ваттметра при отсутствии нулевого провода
Эта схема требует двух приборов. Этот способ основывается на первом законе Кирхгофа
IA+IB+IC=0. Из этого следует, что сумма показаний двух ваттметров равна трехфазной мощности этой цепи. Ниже показана векторная диаграмма для данного случая:
Векторная диаграмма включения двух ваттметров при различных видах нагрузки
Мы можем сделать вывод, что показания приборов зависят не только от величины, но еще и от характера нагрузки.
Из диаграммы следует, что мы можем определить показание приборов аналитически:
Проанализировав полученный результат можем сделать вывод что, при преобладании активной нагрузки (φ=0) результаты измерения ваттметров тождественны (W1=W2). При активной и индуктивной (R-L) показания W1 меньше чем W2 (W1 60 0 показания W1 вообще отрицательные (W1 W2, а при φ 0 показания W2 Солнечное затмение испытывает надежность электрической сети
Устройство контактора с управлением от сети постоянного тока
Мощность периодических несинусоидальных токов
Перевод энергосистемы на постоянный ток может…
Удельная мощность: что нам необходимо знать?
Выбор автомата по номинальному току
Рассмотренные формулы широко применяются в расчетах вводного автоматического выключателя. Применяя одну из них – I = P/209 при нагрузке Р в 1 кВт, получается сила тока для однофазной сети 1000 Вт/209 = 4,78 А. Результат можно округлить в большую сторону до 5 А, поскольку реальное напряжение в сети не всегда соответствует 220 В.
Таким образом, получилась сила тока в 5 А на 1 кВт нагрузки. То есть, устройство мощностью более 1 кВт нельзя подключать, например, в удлинитель с маркировкой 5 А, поскольку он не рассчитан на более высокие токи. Автоматические выключатели обладают собственным номиналом по току. Исходя из этого, легко определить нагрузку, которую они способны выдержать. Для упрощения вычислений существует таблица. Автомат номиналом 6 А соответствует мощности 1,2 кВт, 8 А – 1,6 кВт, 10 А – 2 кВт, 16 А – 3,2 кВт, 20 А – 4 кВт, 25 А – 5 кВт, 32 А – 6,4 кВт, 40 А – 8 кВт, 50 А – 10 кВт, 63 А – 12,6 кВт, 80 А – 16 кВт, 100 А – 20 кВт. Исходя из этих же номиналов проводятся расчеты автомата по мощности на 380в.
Метод 5 А на 1 кВт может использоваться и для определения силы тока, возникающей в сети, когда в нее подключаются какие-либо бытовые приборы и оборудование. В расчетах нужно пользоваться максимальной потребляемой мощностью во время пиковых нагрузок. Для этого применяются технические характеристики оборудования, взятые из паспортных данных. При их отсутствии можно взять ориентировочные параметры стандартных электроприборов.
Отдельно рассчитывается группа освещения. Как правило, мощность приборов освещения оценивается в пределах 1,5-2 кВт, поэтому для них будет достаточно отдельного автомата номиналом 10 А.
Если сложить все имеющиеся мощности, получается довольно высокий суммарный показатель. Однако на практике полная мощность никогда не используется, поскольку существуют ограничения на выделяемую электрическую мощность для каждой квартиры. В современном жилом доме, при наличии электроплит, она составляет от 10 до 12 кВт. Поэтому на вводе устанавливается автомат с номинальным током 50 А. Точно так же выполняется расчет мощности трехфазных автоматов.
Полученные 12 кВт распределяются по всей квартире с учетом размещения мощных и обычных потребителей
Особое внимание следует обратить на кухню и ванную комнату, где устанавливаются электроплиты, водонагреватели, стиральные машины и другое энергоемкое оборудование. Как правило, они подводятся к отдельным автоматическим выключателям соответствующего номинала, а сечение кабелей для подключения также рассчитывается в индивидуальном порядке
Мощные бытовые агрегаты подключаются не только к автоматам, но и к устройствам защитного отключения. Часть общей мощности следует оставить для освещения и розеток, установленных в помещениях. Правильно выполненные расчеты позволят качественно смонтировать проводку и выбрать нужный выключатель. В этом случае эксплуатация оборудования будет безопасной и долговечной.
Расчет тока для трехфазной сети
В случае использования трехфазного электроснабжения вычисление силы тока производится по формуле: I = P/1,73U, в которой P означает потребляемую мощность, а U – напряжение в трехфазной сети. 1,73 является специальным коэффициентом, применяемым для трехфазных сетей.
Так как напряжение в этом случае составляет 380 вольт, то вся формула будет иметь вид: I = P/657,4.
Точно так же, как и в однофазной сети, диаметр и сечение проводников можно определить с помощью таблицы, отражающей зависимости этих параметров от различных нагрузок.
|
Диаметры жил проводников (мм) |
Сечение жил проводников (мм2) |
Медные жилы |
Алюминиевые жилы |
||
|
Сила тока (А) |
Мощность (кВт) |
Сила (А) |
Мощность (кВт) |
||
|
0,8 |
0,5 |
6 |
2,25 |
||
|
0,98 |
0,75 |
10 |
3,8 |
||
|
1,13 |
1,0 |
14 |
5,3 |
||
|
1,38 |
1,5 |
15 |
5,7 |
10 |
3,8 |
|
1,6 |
2,0 |
19 |
7,2 |
14 |
5,3 |
|
1,78 |
2,5 |
21 |
7,9 |
16 |
6,0 |
|
2,26 |
4,0 |
27 |
10,0 |
21 |
7,9 |
|
2,76 |
6,0 |
34 |
12,0 |
26 |
9,8 |
|
3,57 |
10,0 |
50 |
19,0 |
38 |
14,0 |
|
4,51 |
16,0 |
80 |
30,0 |
55 |
20,0 |
|
5,64 |
25,0 |
100 |
38,0 |
65 |
24,0 |
В некоторых случаях расчет тока по напряжению и мощности следует проводить с учетом полной реактивной мощности, присутствующей в электродвигателях, сварочном и другом оборудовании. Для таких устройств коэффициент мощности будет равен 0,8.
Формула для расчета мощности трехфазной сети
Суббота, вечер. Затеял стирку, запустил стиральную машинку. Попутно решил пропылесосить, заодно включил электрочайник, чтобы после испить чаю. И свет погас, оставив квартиру в кромешной тьме. Знакомая картина? Дабы такового не вышло, необходимо знать, как высчитать нагрузку на сеть, зная мощность электрического тока.

Особенности трехфазной системы
Для оборудования электричеством жилых домов и квартир применяют два вида схем:
- однофазовая;
- трехфазная.
Электросеть от электрических станций выходит с 3 фазами, попадает к домам в таком же виде, дальше разветвляется на отдельные фазы.

Этот метод передачи электроэнергии считается экономным, так как уменьшает утраты при транспортировке.
Как узнать свою схему
Выяснить количество фаз у себя в доме либо квартире просто, для этого необходимо открыть распределительный щиток и посчитать провода, по которым ток поступает в квартиру.

При однофазовой сети количество проводов будет 2: фаза, ноль.

Время от времени встречается 3 провод-заземление. В трехфазной системе проводов 4: 3 фазы, ноль. Провод заземления также может быть добавлен.


Любая фаза соединяется с примыкающими. Сила тока от источника фазная, между собой-линейная.

Схема “Звезда”
Фазы соединяются в одной точке. В этой точке суммарное напряжение будет равно 0. Сила тока только фазная, а напряжение может варьироваться от линейного до фазного. Что это дает юзеру? Линейное напряжение в квартире 380 В, а фазовое-220 В.

Большая часть устройств работают при напряжении 220 В, но некоторые приборы нуждаются в большем напряжении: старенькые электрической плиты, массивные обогреватели и котлы, электроинструмент промышленного предназначения.
Благодаря таковой схеме хоть какой устройство будет работать без заморочек.

Характеристики трехфазной цепи
Трехфазная сеть имеет ряд преимуществ:
- уменьшает утраты при транспортировке электричества на далекие расстояния;
- кабели и оборудование имеют наименьший расход чем у монофазной сети;
- энергосистема сбалансирована;
- в системе для работы находятся сходу 2 формы напряжения: линейное 380 В и фазное 220 В.

Расчет
Вычисление мощности трехфазной системы дело затруднительное, так как в сети ток не неизменный, а переменный.

При неизменном токе мощность рассчитывается методом умножения напряжения и силы тока. При переменном токе все величины нестабильны из-за наличия нескольких фаз. Также имеет значение метод соединения. При однофазовой системе мощность рассчитывается также методом умножения напряжения и силы тока, но с учетом коэффициента мощности-cos, который охарактеризовывает сдвиг фаз при реактивной нагрузке между напряжением и током.
Вычисление происходит по следующей формуле полной расчета мощности по току в трехфазной сети:
Pобщ=Uа∙Iа∙cosа+ Ub∙Ib∙cosb+ Uc∙Ic∙cosc
где U-напряжение, I-сила тока, cos-коэффициент мощности, a, b и c-фазы.
Измерение мощности в трехфазных цепях проводят прибором-ваттметр.

При симметричной нагрузке определяют только одну фазу и итог измерения множат на 3. При замере сходу 3 фаз будет нужно 3 устройства. При отсутствии фазы “ноль” измерение проводится 2 устройствами и расчет мощности рассчитывается по 1 закону Кирхгофа:
Ia+Ib+Ic=0
Сумма показаний 2-ух ваттметров даст показатель мощности трехфазной цепи.

Узнаем потребляемую мощность электричества
Как рассчитать мощность и зачем это нужно?
Познание предельной потребляемой мощности дозволит организовать верно электроснабжение квартиры либо домовладения.

Дабы ее вычислить, нужно подсчитать мощность употребления у однофазовых устройств и изучить устройства-трехфазники. Характеристики указываются в технических паспортах изделий либо в техническом справочнике. Зная эти характеристики и используя формулу вычисления мощности, определяется сила тока в трехфазной системе, которая дает нагрузку на проводку.

При помощи приобретенной инфы подбираются предохранители и провода, которые будут применяться при прокладке внутренней электросети.
Рассчитываем мощность трехфазной сети
Для удобства и скорых вычислений есть онлайн сервисы с калькуляторами, в каких можно стремительно посчитать мощность сети, введя известные юзеру характеристики.
Виды мощностей
Мощностью называется измеряемая физическая величина, которая равна скорости изменения с преобразованием, передачей или потреблением системной энергии. Согласно более узкому понятию, это показатель, который равен отношению затраченного времени на работы к самому периоду, который тратится на работу. Обозначается в механике символом N. В электротехнической науке используется буква P. Нередко можно увидеть также символ W, от слова ватт.
Мощность переменного тока -это произведение силы тока с напряжением и косинусом сдвига фаз. При этом беспрепятственно можно посчитать только активную и реактивную разновидность. Узнать полное мощностное значение можно через векторную зависимость этих показателей и площади.
Основные мощностные разновидности
Активная мощность
Активной называется полезная сила, определяющая процесс прямого преобразования электроэнергии в необходимый вид силы. В каждом электроприборе преобразовывается она по-своему. К примеру, в лампочке получается свет с теплом, в утюге — тепло, а в электрическом двигателе — механическая энергия. Соответственно, показывает КПД устройства.
Активная разновидность
Реактивная мощность
Реактивной называется та, которая определяется при помощи электромагнитного поля. Образуется при работе электроприборов
Обратите внимание! Это вредная и паразитная мощностная характеристика, которая определяется тем, каков характер нагрузки. Для лампочки она равняется нулю, а для электродвигателя она может быть равна большим значением. Разница между величинами в том, что активно действующая мощностная характеристика показывает КПД устройств, а реактивная является передачей этого КПД
Разница также наблюдается в определении, символе, формуле и значимости
Разница между величинами в том, что активно действующая мощностная характеристика показывает КПД устройств, а реактивная является передачей этого КПД. Разница также наблюдается в определении, символе, формуле и значимости.
Обратите внимание! Что касается значения, то вторая нужна лишь для того, чтобы управлять создавшимся напряжением от первой величины и преодолевать мощностные колебания. Обе измеряются в ваттах и имеют большое значение в электромагнитном излучении, механической форме генератора или акустической волне. Активно применяются в промышленности
Активно применяются в промышленности.
Реактивная разновидность
Полная мощность
Полная — это сумма активной с реактивной мощностью. Равна сетевому мощностному показателю. Это произведение напряжения с током в момент игнорирования фазы угла между ними. Вся рассеиваемая с поглощаемой и возвращаемой энергией — это полная энергия.
Это произведение напряжения и тока, единица измерения которого это ватт, перемноженный на ампер. При активности цепи, полная равняется активной. Если речь идет об индуктивной или емкостной схеме, то полная больше, чем активная.
Полная разновидность
Комплексная мощность
Это сумма всех мощностных показателей фаз источника электроэнергии. Это комплексный показатель, модуль которого равняется полному мощностному показателю электроцепи. Аргументом является фазовый сдвиг между электротоком с сетевым напряжением. Может быть выражена уравнением, где суммарный мощностный показатель, который генерируют источники электроэнергии, равен суммарному мощностному показателю, который потребляется в электроцепи.
Обратите внимание! Вычисляется посредством использования соответствующей формулы. Так, необходимо комплексное напряжение перемножить на комплексны ток или же удвоенное значение комплексного тока перемножить на импеданс. Также можно удвоенное значение комплексного напряжения поделить на удвоенное значение импеданса
Также можно удвоенное значение комплексного напряжения поделить на удвоенное значение импеданса.
Комплексная разновидность
Выбор сечения кабеля по току нагрузки. Расчет сечения кабеля для трехфазной сети

Выбору площади поперечного сечения проводов (иначе говоря, толщины) уделяется большое внимание на практике и в теории. В этой статье попробуем разобраться с понятием «площадь сечения» и проанализируем справочные данные
В этой статье попробуем разобраться с понятием «площадь сечения» и проанализируем справочные данные.
Расчет сечения провода
Строго говоря, понятие «толщина» для провода используется в разговорной речи, а более научные термины — диаметр и площадь сечения. На практике толщину провода всегда характеризуют площадью сечения.
S = π (D/2) 2, где
- S — площадь сечения провода, мм 2
- π — 3,14
- D — диаметр токопроводящей жилы провода, мм. Его можно измерить, например, штангенциркулем.
Формулу площади сечения провода можно записать в более удобном виде: S = 0,8 D².
Поправка. Откровенно говоря, 0,8 — округленный коэффициент. Более точная формула: π (1/2) 2= π / 4 = 0,785. Спасибо внимательным читателям
Приборы для измерения величин
Измерения электротехнических величин производятся специальными устройствами. Ток измеряется амперметром, напряжение — вольтметром, а мощность можно померить ваттметром, либо вычислить ее по формуле из значений первых двух значений.
С помощью онлайн-калькулятора можно вычислить не только ток при известной мощности потребителей, но и сечение нужных для электропроводки проводов.
Вычисление силы тока и параметров проводки по мощности потребителей электроэнергии — очень важная часть проектирования здания или квартиры, поэтому нужно подойти к этому взвешенно и ответственно.
https://youtube.com/watch?v=APdMGJakxDI
Полезные советы
Схемы для подключения
Принципы работы устройств
Главные понятия
Счетчики от Энергомера
Меры предосторожности
Лампы накаливания
Видеоинструкции для мастера
Проверка мультиметром
Оборудование для защиты сети от короткого замыкания
Вы уже знаете, как посчитать амперы, зная мощность и напряжение, или вычислить мощность, когда известны сила тока и напряжение. Но иногда даже точные и верные расчеты не спасают от короткого замыкания. ЧП может случиться на трехфазной линии по не зависящим от пользователя причинам: попадание постороннего объекта на провода, обрыв из-за падения дерева. В таком случае даже если вы максимально правильно рассчитали силу тока по мощности и в вашем доме самая идеальная проводка, возможен пожар или выход электроприборов из строя. Защитить свою сеть можно следующими способами:
- поставить плавкий предохранитель. Если амперы в электроцепи превысят допустимые значения, то предохранитель расплавится, цепь будет нарушена. Цена плавкого предохранителя – 400-600 рублей. Выбирайте товар отечественного производства, рассчитанный на работу с нашими электросетями;
- установить автоматический выключатель. Это современное оборудование, которое надежно защищает бытовые приборы от преждевременного выхода из строя вследствие проблемы с проводами. Стоит от 200 до 2 тысяч рублей. Сработает за секунды в отличие от плавкого предохранителя, которому на размыкание потребуется примерно полминуты. При подключении изучите подробную информацию о маркировках проводов.
Автоматический выключатель тока защитит бытовую технику от поломок из-за короткого замыкания сети.
Как рассчитать ток защитного автомата
Для группы розеток, предназначенных для питания бытовых электроприборов на кухне, необходимо подобрать защитный автоматический выключатель. Мощности приборов по паспортным данным составляют 2,0, 1,5 и 0,6 кВт.
Решение. В квартире используется однофазная переменная сеть 220 вольт. Общая мощность всех приборов, подключенных в работу одновременно, составит 2,0+1,5+0,6=4,1 кВт=4100 Вт.
По формуле I = P / U определим общий ток группы потребителей: 4100/220=18,64 А.
Ближайший по номиналу автоматический выключатель имеет величину срабатывания 20 ампер. Его и выбираем. Автомат меньшего значения на 16 А будет постоянно отключаться от перегрузки.
Ниже приводится таблица для скрытой проводки при однофазной схеме подключения квартиры для подбора провода при напряжении 220 В
| Сечение жилы провода, мм 2 | Диаметр жилы проводника, мм | Медные жилы | Алюминиевые жилы | ||
| Ток, А | Мощность, Вт | Ток, А | Мощность, кВт | ||
| 0,50 | 0,80 | 6 | 1300 | ||
| 0,75 | 0,98 | 10 | 2200 | ||
| 1,00 | 1,13 | 14 | 3100 | ||
| 1,50 | 1,38 | 15 | 3300 | 10 | 2200 |
| 2,00 | 1,60 | 19 | 4200 | 14 | 3100 |
| 2,50 | 1,78 | 21 | 4600 | 16 | 3500 |
| 4,00 | 2,26 | 27 | 5900 | 21 | 4600 |
| 6,00 | 2,76 | 34 | 7500 | 26 | 5700 |
| 10,00 | 3,57 | 50 | 11000 | 38 | 8400 |
| 16,00 | 4,51 | 80 | 17600 | 55 | 12100 |
| 25,00 | 5,64 | 100 | 22000 | 65 | 14300 |
Как видно из таблицы сечение жил зависит кроме нагрузки и от материала, из которого изготовлен провод.
Трёхфазное или однофазное подключение
В сети обмотки смещены на 120 градусов. Если представить этот сдвиг в виде 2-х вращающихся векторов — они тоже размещены под таким же градусом наклона.

И линейное напряжение не будет равняться сумме векторов. Другими словами, представьте прямой угол (равный 90 градусам), линии которого по 220 В. Если их соединить, чтобы образовать полноценный треугольник — расстояние для соединения будет равно 380 В, как показано на фото внизу.

Подключение сети было уже разобрано вверху. Про подключение однофазного прибора ничего не было сказано. Но вы уже знаете, что однофазный имеет целых 4 провода подключения, в отличие от устройства с тремя фазами.
- На первую клемму подается питание-фаза.
- Вторая клемма является выходом нагрузки электропотребителя.
- Ноль приходится на третью клемму.
- Выход нулевой подается на четвертую.

Т.е. первый и второй провода проходят через автомат и входят в саму квартиру. А остальные 2 приходятся на нулевое заземление. Примерами однофазных потребителей являются розетки.

Формула Закона Джоуля-Ленца
Величину резистора для изготовления блока нагрузки для блока питания компьютера мы рассчитали, но нужно еще определить какой резистор должен быть мощности? Тут поможет другой закон физики, который, независимо друг от друга открыли одновременно два ученых физика. В 1841 году Джеймс Джоуль, а в 1842 году Эмиль Ленц. Этот закон и назвали в их честь – Закон Джоуля-Ленца.
Потребляемая нагрузкой мощность прямо пропорциональна приложенной величине напряжения и протекающей силе тока. Другими словами, при изменении величины напряжения и тока будет пропорционально будет изменяться и потребляемая мощность.
- где
- P – мощность, измеряется в ваттах и обозначается Вт;
- U – напряжение, измеряется в вольтах и обозначается буквой В;
- I – сила ток, измеряется в амперах и обозначается буквой А.
Зная напряжения питания и силу тока, потребляемую электроприбором, можно по формуле определить, какую он потребляет мощность. Достаточно ввести данные в окошки ниже приведенного онлайн калькулятора.
| Онлайн калькулятор для определения потребляемой мощности | |
|---|---|
| Напряжение, В: | |
| Сила тока, А: | |
Закон Джоуля-Ленца позволяет также узнать силу тока, потребляемую электроприбором зная его мощность и напряжение питания. Величина потребляемого тока необходима, например, для выбора сечения провода при прокладке электропроводки или для расчета номинала.
| Онлайн калькулятор для определения силы тока в зависимости от потребляемой мощности | |
|---|---|
| Потребляемая мощность, Вт: | |
| Напряжение питания, В: | |
Например, рассчитаем потребляемый ток стиральной машины. По паспорту потребляемая мощность составляет 2200 Вт, напряжение в бытовой электросети составляет 220 В. Подставляем данные в окошки калькулятора, получаем, что стиральная машина потребляет ток величиной 10 А.
Еще один пример, Вы решили в автомобиле установить дополнительную фару или усилитель звука. Зная потребляемую мощность устанавливаемого электроприбора легко рассчитать потребляемый ток и правильно подобрать для подключения к электропроводке автомобиля. Допустим, дополнительная фара потребляет мощность 100 Вт (мощность установленной в фару лампочки), бортовое напряжение сети автомобиля 12 В. Подставляем значения мощности и напряжения в окошки калькулятора, получаем, что величина потребляемого тока составит 8,33 А.
Разобравшись всего в двух простейших формулах, Вы легко сможете рассчитать текущие по проводам токи, потребляемую мощность любых электроприборов – практически начнете разбираться в основах электротехники.
Как узнать свою схему
Для правильного определения и расчета мощности требуется знание нескольких факторов:
- Количества фаз питания;
- Способа соединения потребителей.
При однофазном подключении используется два провода:
- Фазный провод;
- Нулевой провод.
Для трехфазной сети характерно наличие трех или четырех проводников (подключение с заземленной нейтралью). При этом используется две различных схемы включения:
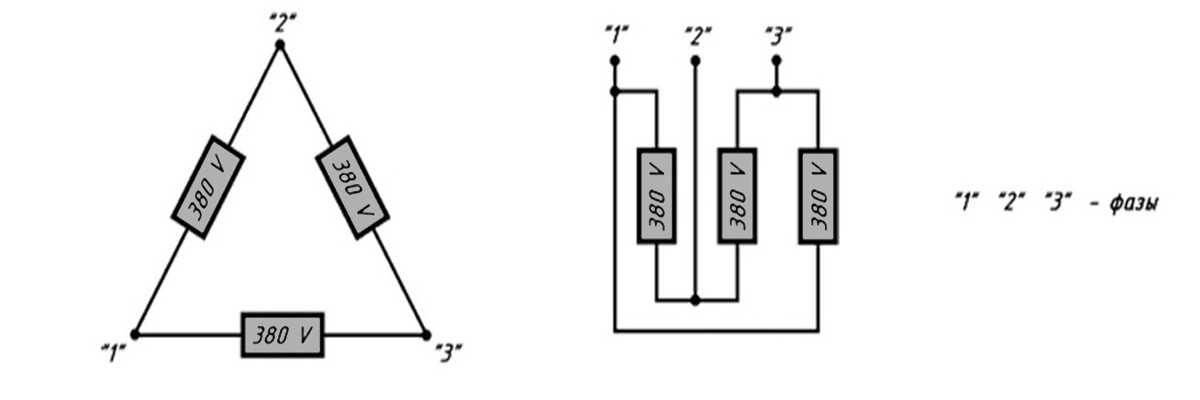
- «Треугольник». Каждая нагрузка подсоединяется с двумя соседними. Напряжение каждой фазы подводится к точкам соединения потребителей.
- «Звезда». Все три потребителя соединяются в одной точке. Ко вторым концам подключаются фазы питания. Это схема с изолированной нейтралью. В схеме с заземленной нейтралью точка соединения потребителей подключается к нулевому проводнику.

Соединение источника и потребителей
Выбор электроприборов
Чтобы узнать, какой бытовой прибор подойдет для электропроводки дома, а для какого лучше использовать промышленную, нужно обратить внимание на его мощность. Этот параметр всегда написан в руководстве по эксплуатации или технических характеристиках устройства
Стоит насторожиться, если мощность указана больше 1,5 кВт, так как для таких приборов нужно использовать увеличенное сечение проводов питающей сети. Обычно домашние электроприборы имеют меньшую мощность.
Далее следует определиться с выбором автоматического выключателя для групп потребителей электротока. Его следует выбирать именно на группу, с целью экономии места в распределительном щитке, и чтобы быть более свободным в подключении приборов к разным розеткам. Какие группы лучше выбрать:
- Электроплита;
- Стиральная машина и водонагреватель;
- Остальные розетки и освещение.
В домах с электроплитами наиболее высоким потреблением будет обладать именно плита. Ее мощность оценивается в 10 кВт, что при стандартном напряжении 220 В означает ток потребления 45 А, cosφ здесь равен 1. На электроплиту нужен отдельный автомат, поэтому здесь он выбирается его на 50 ампер.
Большим токопотреблением отличается также и стиральная машина. Стандартная стиралка потребляет 2,5 кВт, что соответствует 12,5 А. Несмотря на cosφ = 0,8 у электродвигателя стиральной машины, в ней большое количество электроники, поэтому для расчета берем cosφ = 1. Еще большая мощность у водонагревателя — до 8 кВт. Если предполагается использовать их одновременно со стиралкой — стоит брать автомат повышенного ампеража, так как суммарная мощность двух этих приборов составит 10,5 кВт, то есть нужен еще один автомат на 50 А. А лучше сделать два отдельных автомата: 40 А — на водонагреватель, и 15 А — на стиральную машину.
Остальные розетки и освещение можно определить в отдельную группу. Их общее энергопотребление оценивается в 1,5 кВт, то есть автомата на 10 А будет достаточно для третьей группы.






























