Особенности проверки

контактыДля проведения комплексной проверки диодного моста достаточно двух инструментов — цифрового комбинированного прибора (мультиметра) и лампочки с номинальным напряжением 12 Вольт. Все работы реально сделать самостоятельно, без привлечения дорогостоящих мастеров. Чтобы получить доступ к узлу, снимайте защитный корпус, после чего отключайте вывода регулятора. При этом учитывайте цветовые особенности диодов:
- Выпрямители красного цвета — «плюс».
- Выпрямители черного цвета — «минус».
Проверить целостность диодов на ВАЗ можно двумя способами. Для большей надежности рекомендуется их применять в комплексе.
Сначала рассмотрим, как проверить диодный мост мультиметром. Этот вариант занимает меньше всего времени и пользуется наибольшим спросом у автовладельцев. Алгоритм следующий:
- Демонтируйте группу выпрямителей с генератора. Без снятия устройства с автомобиля выполнить проверку, к сожалению, не выйдет. Это вызвано тем, что каждый диод требуется проверять по отдельности. Если же они будут «в схеме», точно диагностировать поломку вряд ли удастся.
- Переводите переключатель цифрового прибора в режим прозвонки. После этого соединяйте щупы друг с другом — вы услышите писк из специального динамика устройства. Если вы используете простой прибор, в котором эта опция не предусмотрена, переводите переключатель в позицию «1кОм».
- «Садитесь» щупами к вводу и выводу диода, после чего фиксируйте показатель. Далее сделайте обратный замер. Выпрямитель можно считать целым, если при одном измерении показало бесконечность, а при другом — 0,5-0,7 МОм. В случае когда в обоих случаях на приборе высветилось минимальное сопротивление, или же он показывает бесконечность в первом и во втором варианте, это сигнализирует о неисправности одного (группы) диодов.
Теперь рассмотрим, как проверить диодный мост лампочкой? Такой вариант хорош в случае, когда под рукой нет мультиметра. Роль «прибора» в этом случае выполняет лампочка на 12 Вольт.
Алгоритм такой:
- Подключайте «минусовую» клемму аккумулятора к диодному мосту. При этом следите, чтобы пластинка плотно контактировала с внешней частью генератора.
- Проверьте каждый диод по отдельности. Берите один вывод лампы и подключайте его к «минусу» генератора, а второй — к «плюсу» клеммы под номером «тридцать» (от АКБ). Если лампочка засветилась, это говорит о проблемах с одним или несколькими диодами. Кроме того, свечение часто свидетельствует о наличии КЗ в цепи.
- Проверьте «минусовые» диоды. Для этого подсоединяйте «минус» лампочки к кожуху генератора, а другой провод — к крепежному болту на мосту. Если при такой проверке имеет место моргание или свечение лампы, с «минусовой» группой имеются проблемы.
- Проверьте «плюсовые» диоды. Для этого положительный вывод ставьте на «тридцатую» клемму, а отрицательный — к крепежному болту. Свечения лампы быть не должно. Если же такая проблема имеет место, имеют место сбои в одном или нескольких «плюсовых» диодах.
- Проверьте дополнительную группу выпрямителей. Берите отрицательный край и оставляйте его на прежней позиции, а положительный конец прикладывайте к клемме «шестьдесят один». Свечение лампочки сигнализирует о наличии проблемы.
Если проверка диодного моста показала неисправность, берите пробитый диод и ставьте на его место новую (исправную) деталь. Оптимальный и более простой вариант — приобрести весь диодный мост в комплексе, но в этом случае придется потратить больше денег.
При соблюдении упомянутых выше рекомендаций диагностика неисправности занимает не больше 1-2 часов. Так что не стоит торопиться на СТО — сделайте работу своими руками. Так удается набраться опыта и сэкономить личный бюджет.
Как проверить регулятор напряжения генератора мультиметром
Для того чтобы обеспечить нормальную работу лампочек, стеклоподъемников, стеклоочистителей и другого электрооборудования, а также зарядку аккумулятора, нужно поддерживать значение постоянного тока на уровне 13,5-14,5 вольт. Если этот показатель будет меньше, то не зарядится батарея, а если он превысит этот уровень – бортовые электроприборы выйдут из строя. Высокое напряжение наносит определенный вред и аккумулятору, сокращая срок эксплуатации из-за перезарядки.
Поэтому для преобразования тока, вырабатываемого генератором, существует специальное устройство – реле-регулятор напряжения. С его помощью бортовая сеть обеспечивается током, у которого поддерживаются требуемые параметры, независимо от оборотов коленчатого вала. Нередко возникают ситуации, когда возникает необходимость проверить напряжение генератора мультиметром.

Современные реле являются электронными, а их конструкция – неразборная. В случае выхода их из строя, они не подлежать регулировкам или ремонту, а требуют полной замены. Это считается единственным недостатком этих устройств, поскольку в остальном реле имеют массу достоинств: компактность, долговечность, высокая точность параметров тока.
Когда же регулятор напряжения можно считать неисправным?
- Фары меняют яркость свечения, в зависимости от оборотов двигателя.
- Наблюдается недостаточный заряд аккумулятора или, наоборот, его перезарядка, сопровождающаяся выкипанием электролита.
- В салоне автомобиля может ощущаться горелый запах. Поломка регулятора может произойти из-за попадания влаги, различных механических повреждений, короткого замыкания и других нестандартных кратковременных электрических воздействий.
- Иногда регулятор бывает изначально некачественным, если это сомнительная продукция от неизвестных производителей.
Существуют разные методы, как проверить реле-регулятор генератора мультиметром и установить его работоспособность. Наиболее простым считается проверка мультиметром, без демонтажа устройства. С этой целью выполняется измерение напряжения, поступающего в аккумулятор для его зарядки. Для такой проверки потребуется помощник, регулирующий обороты двигателя педалью акселератора.
Процедура проверки проходит в несколько этапов:
- Двигатель автомобиля запускается и прогревается в течение 5-ти минут.
- Открыть капот во время работы двигателя и соединить контакты мультиметра с клеммами батареи. Подключение нужно выполнять с соблюдением полярности, а переключатель выставляется на отметку 20 В.
- Оценка зарядного напряжения, поступающего от генератора, выполняется при определенных условиях. Необходимо проверить сколько выдает генератор мультиметром. Ближний свет должен быть включен, а все остальные потребители – выключены. Коленчатый вал вращается со скоростью от 1,5 до 2,5 тыс. об/мин. Если напряжение составляет более 14,8 вольт, в этом случае регулятор считается неисправным и подлежит замене. При напряжении ниже 13,5 В причиной неисправности может быть не только реле. Неисправность может заключаться в проводке или самом генераторе.
- Более точные результаты получаются путем оценки интенсивности тока, поступающего при нагрузке. Для этого потребуется включение дальнего света, вентилятора печки, стеклоочистителя и других потребителей. В такой ситуации величина зарядного тока не должна быть ниже отметки 13,5 вольт. Если показатель все-таки меньше этого значения, то при включении всего электрооборудования, аккумулятор не будет получать нормальную зарядку.
Мультиметр
Проверка тестером позволяет определить исправность диода или подтвердить его поломку. Самый часто применяемый измерительный прибор в этой области – мультиметр. Он используется для замера всех основных параметров компонентов электросхем: силы тока, напряжения, сопротивления, емкости. Более дорогие модели способны измерить температуру предмета, узнать коэффициент усиления, емкость конденсаторов, провести прозвонку цепи на короткое замыкание.
Почти все современные виды мультиметра могут работать как с постоянным, так и с синусоидальным типом электротока. Среди представленных на рынке устройств наиболее востребованы цифровые и аналоговые виды. И хотя первый вид более продаваем, второй до сих пор активно используют в своей работе профессионалы.
Основными преимуществами классических аналоговых мультиметров является их надежность и низкая стоимость (по сравнению с цифровыми). Однако минус проявляется в меньшей точности, допускающей погрешность в 1,5-2%.

Цифровые приборы часто используются в домашних условиях. Они более точны (погрешность до 0,5%), просты в эксплуатации и обладают большим разрешением измерений.

Данные тестеры не требуют калибровки перед каждым замером и обладают устойчивостью к вибрации.
Существует и третий вид в чьем устройстве предусмотрен и стрелочный, и цифровой индикатор.
Помимо основного корпуса к тестеру прилагаются 2 щупа с проводами красного и черного цвета.
Внизу на панели прибора можно увидеть несколько разъемов:
- «COM» — общий, заземленный (для черного щупа);
- «VΩmA» — разъем, позволяющий прозвонить контакты, измерить силу и частоту тока (для красного щупа);
- «10 А» — гнездо для провода, позволяющего измерить ток до 10А.
Четвертое гнездо «°С mA Lx», присутствующее на некоторых моделях, измеряет дополнительные параметры (температуру, коэффициент усиления и емкость конденсатора).

Также на лицевой панели можно увидеть поворотный диск, опоясанный шкалой с цифровыми значениями и метками. С помощью этого диска можно выставлять необходимые значения, настраивать на нужные режимы или выполнений определенных функций.

Диагностика диодного моста при помощи мультиметра
Прежде чем понять, почему может гореть диодный мост, предварительно нужно демонтировать сломанный блок. После чего на измерительном приборе устанавливается звуковая индикация. Если такой функции в мультиметре не предусмотрено, то проверка происходит в режиме 1 кОм. Для всех диодов проводятся индивидуальные измерения. В процессе проверки рабочим контактом нужно прикоснуться к концам диода несколько раз, при этом меняя местами щупы прибора. В одном случае тест показывает бесконечно большое сопротивление, а во втором параметры должны колебаться в интервале от 500 до 700 Ом. Если результаты измерений окажутся одинаковыми в разных направлениях – это свидетельствует что тестируемый диод вышел из строя, и требуется его замена.
Как определить исправность генератора
Информация о состоянии работы основного агрегата, отвечающего за выработку электрической энергии в машине, для удобства автомобилистов выводится на приборную панель. Значок на панели приборов, напоминающий аккумулятор после запуска силового агрегата транспортного средства должен гаснуть. Это обозначает, что питание основных электрических узлов было переключено с аккумуляторной батареи на генератор. Если индикатор не гаснет – это свидетельствует о поломке в электрической цепи. Также на проблемы может указывать недостаточный заряд аккумулятора ввиду недополучения нормального номинала тока.
Разборка и снятие генератора
При неработающем генераторе, для того чтобы выполнить диагностику всех ответственных узлов на работоспособность, потребуется произвести его разборку.
Алгоритм разборки генератора для тестирования на работоспособность мультиметром:
- Перед тем, как прозвонить генератор, отключают аккумулятор, снимая с него клемму «–».
- Отсоединяют провод розового цвета, отвечающий за пуск генератора. Снимают крепежную гайку с «+» болта.
- Ослабляют не сильно натяжение гаек вверху и внизу, откручивают натяжные болты, снимают ремень.
- Поворачивают генератор под прямым углом. После этого можно снять нижний болт.
- Выполняют внешний осмотр корпуса и очищают его.
- Перед тем, как проверить генератор, демонтируют мост для проведения тестирования.
Как выбрать тестер?
Выбор тестера – не менее ответственное занятие, чем диагностика выпрямителя и правильно подобранный прибор является гарантией успешной диагностики оборудования.
Если в недавнем прошлом при покупке мультиметра автовладельцы сталкивались с дефицитом оборудования, сейчас их можно приобрести практически в каждом магазине.
Ранее мы упоминали о лампе накаливания и по сути – это самый дешевый прибор. Такой тестер подойдет для выявления небольших неисправностей выпрямителя, и для поиска более сложных проблем он не пригоден. Поэтому рекомендуется приобрести современные мультиметры, многие из которых автоматические и выпускаются с жидкокристаллическими экранами.
В заключении хотелось бы обратить внимание на следующие вещи:
- каждый автовладелец должен уметь проверить диодный мост на генераторе, поскольку это считается базовым навыком в обслуживании собственного автомобиля;
- «прозвонка», «цэшка» и другие тестеры не всегда показывают конечный результат даже при правильном использовании, поэтому диагностировать поломку лучше несколькими приборами;
- в случае замены выпрямителя генератора не стоит забывать о его защите от попадания влаги;
- покупка деталей на стихийном рынке обойдется дешевле, чем в магазине, однако существует риск купить неисправный товар;
- для точной диагностики моста лучше приобрести несколько мультимертов.
Устранение неисправностей
Есть два основных варианта решения проблемы. Первый – точная диагностика на стенде: после обнаружения признаков сгоревших диодов проводится проверка и определяется, какие именно элементы вышли из строя. После этого неисправные диоды выпаиваются, а на их место впаиваются новые
Очень важно брать именно такую же марку, любые аналоги прослужат недолго
Гораздо проще поменять узел в сборе, это и быстрее и качественнее, так как можно быть уверенным, что запчасть проходит какое-то время. Цена детали невысока, к примеру, на ВАЗ 2110 она составляет около 650 рублей. Замена не отличается сложностью и может быть произведена самостоятельно.

Выявить неисправность диодного моста и заменить его не составит труда для любого автолюбителя с минимальным набором инструмента. Если проверка показала поломку, генератор лучше всего снять и провести ремонт. Процесс несложный, занимает не более часа.
Источник
Если неисправность обнаружилась
Диоды крепятся на пластинах путём прессовки в отверстие меньшего диаметра, поэтому самостоятельная замена неисправного полупроводника — хлопотное дело, не гарантирующее 100% успеха. Диодные мосты для отечественных автомобилей недороги, поэтому при обнаружении неисправности его меняют на новый.
Выпрямительные блоки современных иномарок стоят внушительных денег, поэтому замена диода в таком мосту экономически оправдана. Проведение данной процедуры лучше доверить специалисту.
От состояния диодного моста зависит качество работы всей электрической системы автомобиля. При появлении ранее перечисленных признаков неисправности нужно незамедлительно провести его диагностику, ремонт или замену.
Как проверить регулятор напряжения генератора
Современный регулятор, совмещенный со щеточным узлом, применяется на большинстве автомобилей иностранного и отечественного производства. Для начала оценим доступ к генератору. Если он труднодоступен и неудобен, то лучше будет снять его с автомобиля. Если же доступ свободный, то снимаем с него реле, не снимая генератор. Но перед этим обязательно нужно снять минусовую клемму с аккумулятора.
Регулятор крепится к генератору со стороны задней крышки обычно двумя болтами. Откручиваем их и аккуратно, чтобы не повредить щетки, снимаем его, предварительно отсоединив от него провода.
Для дальнейшей проверки нам понадобится либо блок питания, либо зарядное устройство, лампа на кальвания на 12 вольт. Главное, чтобы можно было увеличивать и уменьшать напряжение от 10 до 16 вольт. Если для проверки будет использоваться зарядное устройство, то понадобится еще и аккумулятор. Дело в том, что многие зарядные устройства не работают без него.
Подключаем зарядное устройство к аккумуляторной батарее в штатном режиме. Дополнительно к клеммам батареи подсоединяем мультиметр и два провода. Один на плюс, другой на минус. И соединяем их с реле-регулятором. Плюсовая клемма регулятора — это штекер. Минус — металлическая пластинка под одним из крепежных отверстий. Проводами подсоединяем к щеткам лампочку. Стенд готов, можно начать проверку. Блок питания подключается так же, только без аккумулятора.
Подключаем зарядное устройство к внешней сети и включаем его. Ручка регулятора нагрузки должна быть на минимальном уровне. Начинаем потихоньку поднимать напряжение. При этом накал лампочки должен понемногу увеличиваться. При нагрузке 12 вольт и более она должна гореть в полный накал. Продолжаем плавно поднимать напряжение до тех пор, пока не потухнет лампочка, или нагрузка не достигнет значения 15 вольт. Если регулятор исправен, то лампочка должна погаснуть на значении напряжения 14,2 -14,5. При снижении нагрузки лампочка опять загорится.
Если лампочка тухнет до 14 вольт, или достигнуто напряжение более 14,8 вольт, а лампочка все еще горит, то такой регулятор надо менять.
Проверка отдельного регулятора напряжения генератора
Таким же способом проверяется отдельно стоящий стабилизатор. В основном он крепится на кузове в моторном отсеке. Но иногда и на крышку генератора. В любом случае откручиваем его и подсоединяем к стенду. Пусть, например, это будет стабилизатор типа Я112 В.
Плюсовой провод подсоединяем к клеммам «Б» и «В», минус подаем на корпус. Контрольную лампочку соединяем с клеммами «В» и «Ш». Далее делаем все точно так же, как и с совмещенным стабилизатором. Плавно поднимаем нагрузку, при достижении 14,5 вольт должна произойти отсечка. Если отсечки нет, то меняем регулятор.
Проверяем устаревший 591.3702−01
Этот устаревший тип реле устанавливался почти на все заднеприводные автомобили. Относится он к отдельно стоящим. Всегда крепился к кузову моторного отсека. Схема подключения для проверки слегка отличается от вышеописанной. Действия и суть проверки остаются прежними.
Здесь имеется всего два контакта. Маркировка выполнена цифрами «67» и «15». Контакт под номером «67» — это минусовая клемма. Соответственно «15» — плюс. Минусовой провод с зарядного устройства закрепляем на корпусе устройства. Плюсовой крепим на клемме 15. Провода контрольной лампочки соединяем: один на корпусе, второй и клемме «67». Наш стенд готов к проверке.
Как проверить мультиметром регулятор к1216ен1
И напоследок пару слов о реле к1216ен1. Этот регулятор устанавливался на заднеприводные, и переднеприводные ВАЗы с инжекторными двигателями. Если учесть тот факт, что таких автомобилей эксплуатируется немало по всему постсоветскому пространству, нельзя обойти его стороной.
Этот регулятор принадлежит к совмещенному реле со щеточным узлом. Его предварительная и основная проверка проводится по вышеописанному методу. Никаких особых отличий нет.
https://youtube.com/watch?v=NFz7cy4rd5U
Проверка генератора мультиметром на автомобиле
Есть методически правильная последовательность проверки – от простого к сложному.
Тестирование реле-регулятора
Этот модуль предназначен для поддержания постоянного напряжения (насколько это возможно) на выходе генератора. При движении автомобиля, скорость вращения вала генератора постоянно меняется.
Напряжение «скачет» в пределах от 12 до 20 вольт. Регулятор ограничивает величину. От его работоспособности зависит не только зарядка аккумулятора. При скачках или недостатке напряжения все электронные блоки автомобиля работают нестабильно, и могут просто перегореть.
Как проверить напряжение генератора при заведенном двигателе? Режим: «измерение постоянного напряжения», предел измерений: 20-50 вольт. Точки измерения – выходные контакты непосредственно на генераторе, или клеммы аккумуляторной батареи.
Напряжение должно быть в пределах 14-14,2 В, при любых оборотах коленвала. Попросите помощника несколько раз нажать на акселератор, а сами следите за показаниями.
Поверка генератора непосредственно на автомобиле — видео
Проверяем диодный мост
Если неисправность не обнаружена, придется разбирать корпус генератора.
Он расположен под вентиляционной крышкой, на тыльной стороне генератора. Конструкция своеобразная, но понятная даже для водителя без электротехнического образования.
Режим: «прозвонка». Диоды проверяются без выпаивания из схемы. Прозвонка в обоих направлениях. При этом «пищать» мультиметр должен лишь в одну сторону. Если ток не проходит вовсе, либо протекает в обе стороны – диод меняется.
Проверять проще относительно корпуса. Второй щуп касается изолированного контакта диода.
Важно! Перед тем, как прозвонить генератор мультиметром, очистите контакты и проведите визуальный осмотр электрической части прибора.
Проверяем ротор генератора
Если диодный мост в порядке, щетки на регуляторе напряжения не сточены, визуальных повреждений и загрязнений не обнаружено – смотрим ротор генератора.
Режим: «измерение сопротивления». Проверяем сопротивление между токосъемными кольцами обмотки возбуждения. Сопротивление разное для каждой модели генератора, общий принцип – величина не должна быть большой.
Затем «прозваниваем» отсутствие которого замыкания между обмотками и корпусом ротора. Оцениваем состояние витков.
Обратите внимание
При обнаружении обрыва или короткого замыкания, не старайтесь самостоятельно устранить неисправность.
Генератор автомобиля – энерго и температурно нагруженный прибор. Перемоткой обмоток должны заниматься профильные специалисты.
Последним проверяется статор
Как самая сложно демонтируемая часть агрегата. Его можно диагностировать лишь после извлечения из корпуса генератора.
В первую очередь традиционный визуальный осмотр. Проверяем целостность изоляции проволоки, отсутствие обрывов и следов обгорания. Затем в режиме «прозвонка» ищем короткое замыкание обмоток с корпусом статора.
Сопротивление должно стремиться к бесконечности. Если пробоев на корпус не выявлено – проверяем сопротивление всех обмоток. Их в генераторе три – система асинхронная. Величина сопротивления индивидуальна для каждой модели агрегата, но сопротивление всех обмоток в одном агрегате, должно быть одинаковым.
Важно! Обязательно проверьте мультиметром все силовые кабели от генератора до аккумулятора. Сопротивление должно быть минимальным, и не меняться при изгибе проводника.
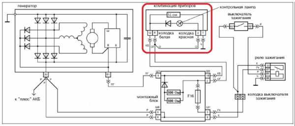
Последний этап проверки – контрольная цепь лампы на приборной панели
Сигнализация контролирует уровень заряда аккумуляторной батареи, а также исправность генератора и регулятора напряжения
Последний этап проверки – контрольная цепь лампы на приборной панели. Сигнализация контролирует уровень заряда аккумуляторной батареи, а также исправность генератора и регулятора напряжения.
Схема не очень сложная, состоит из сопротивления определенной величины, диода и лампы.
Правильность работы этого узла порой зависит от качества пайки и окисла на контактах. Даже сопротивление спирали лампочки, учитывается при калибровке контрольной схемы.
Поэтому при замене лампы на светодиод, лампа часто загорается невпопад. Тут простым мультиметром не обойтись, требуется подключение диагностического сканера с возможностью моделирования неисправностей.
Обратите внимание
Совет: При сборах в дальнее автопутешествие, обязательно возьмите с собой мультиметр. Прибор не займет много места, но может выручить вас в критической ситуации.
Проверка генератора не снимая с машины — видео инструкция
Проверка генератора не снимая с машины — видео инструкция
Признаки выхода из строя диодов
Основной проблемой в выпрямительном мосту являются диоды. Начинать проверку агрегата вырабатывающего электричество в машине следует только после выявления следующих косвенных проблем:
- напряжение на выходных клеммах генератора ниже значения в 13,5 Вольт;
- индикатор на панели приборов в салоне автомобиля продолжает гореть после пуска силового агрегата;
- стрелка на вольтметре при снятии показаний смещается в зону красного цвета;
- индикатор аккумулятора не загорается после включения зажигания.
Похожие симптомы выявляются при поломке регулятора напряжения, ввиду этого его исправность проверяют в первую очередь. Существуют разные причины, почему выходит из строя выпрямительный мост, из-за чего требуется его ремонт или полная замена.
Что нужно знать о диодных мостах
Для начала мы рассмотрим, какими бывают и что внутри диодного моста. Встречаются данные элементы схемы в двух исполнениях:
- Из дискретных (отдельных) диодов. Обычно распаяны на плате и соединены дорожками в правильную схему.
- Диодные сборки. Сборки могут представлять собой как однофазные мосты для выпрямления обоих полупериодов переменного напряжения, так и сборки из двух диодов, соединенные в цепь общим катодом или анодом и другие варианты включения.
В любом случае выпрямительный однофазный диодный мост состоит из четырех полупроводниковых диодов, соединенных между собой последовательно-параллельным образом. Переменное напряжение подается на две точки, в которых соединены анод с катодом (разноименные полюса диодов). Постоянное напряжение снимается с точек соединения одноименных полюсов: плюс с катодов, минус с анодов.
На схеме место подключения переменного напряжения обозначено символами AC или «~», а выходы с постоянным напряжением «+» и «-«. Зарисуйте себе эту схему, она нам пригодится при проверке.

Если представить реальный диодный мост и совместить его с этой схемой получится что-то вроде:

Это интересно: Какие лампы HB4 лучше поставить в автомобиль — знакомим с вопросом
Устройство
Диодный мост является электрическим устройством, которое предназначено для того, чтобы преобразовывать или выпрямлять переменный вид тока и создавать его пульсирующим или постоянным. Подобным выпрямлением называют двухполупериодным. Также есть другое понятие в справочнике. Диодный мост считается там мостовой схемой диодных соединений, чтобы выпрямлять переменный ток и делать из него постоянный. Это самый простой и самый распространенный выпрямитель, используемый в радиотехнике с электроникой, автомобилем и других сферах, там, где нужно получить пульсирующее и постоянное напряжение.

Определение
Вторым названием диодного моста является двухполупериодный выпрямитель. Он включает в себя полупроводниковые выпрямительные диоды или шотткины электродиоды. Элементы могут быть отдельно распаяны на плате. В современном варианте объединяются диоды в одном корпусе. Это называется диодной сборкой.

Устройство диодного моста
Применение диодных мостов обширное. Их можно увидеть в электронике, трансформаторном и импульсном блоке питания и люминесцентной лампе. В сварочный аппарат ставятся полупроводниковые диодные сборки, крепящиеся к теплоотводящим устройствам.
Диодный мост обычно устанавливается на входе цепи питания при выпрямлении сетевого напряжение. Подобное решение может быть применено в импульсном блоке питания, в том числе компьютерном блоке питания. Также может быть использовано во вторичной трансформаторной обмотке блока питания, старого телевизора или маломощной домашней магнитолы.
Современные блоки питания оснащены импульсными схемами, где диодный мост занимается выпрямлением именно сетевого напряжения, а трансформатор занимается управлением полупроводниковых ключей или транзисторов.
Обратите внимание! Сбои в диодном мосте могут быть из-за быстрой разрядки аккумулятора, отсутствия подзарядки его от генераторного устройства, перезарядки аккумулятора и кипения электролита

Быстрая разрядка аккумулятора как причина сбоя работы электродов
Как выглядит диодный мост
Найти выпрямитель на плате не трудно, но внешний вид отличается в зависимости от устройства. Часто четыре диода впаяны рядом и собраны в одном корпусе — это выпрямительная сборка. На фото представлено несколько вариантов:

В таких вариантах четыре вывода: два обозначаются как «+» и «-» (выходы), а два без символов или указываются как «~» или «АС» (входы).
Диодный мост генератора автомобиля выглядит по-другому: это пара металлических электропроводящих пластин, на которых в определенной последовательности расположены диоды.


На мосту могут быть не только силовые, но и вспомогательные диоды:

Здесь зеленым помечены силовые диоды. Тестировать лучше все, тем более что сделать это не трудно.

Разбираемся по какой причине горит диодный мост в автомобильном генераторе
Основной узел в электрической системе любого транспортного средства – генератор. Без этого узла исправный автомобиль даже на новой полностью заряженной аккумуляторной батарее долго ехать не будет. Следовательно, данный агрегат должен всё время быть в работоспособном состоянии, то есть полностью исправным.
При этом первичную диагностику машины можно провести, не вставая с кресла водителя. Однако ремонт или детальная проверка требуют демонтажа источника постоянного тока с дальнейшей его разборкой, чтобы открыть доступ к диодам. Но перед этим автомобилист должен знать основные способы проверки диодного моста.
Основные выводы
Варианты, как проверить диод мультиметром, довольно просты и доступны даже непрофессионалам.
- Перед проверкой необходимо определить тип полупроводника.
- Для дома удобнее приобрести цифровой мультиметр с более точными измерениями.
- Новейшие модели тестеров снимают сразу несколько параметров.
- При проведении проверки необходимо следить за правильным поднесением щупов к соответствующим электродам.
- Оценка работоспособности дается на основе 2-ух параметров: соответствии величины напряжения типу диодов при прямом подключении и нулевом значении при обратном.
- Произвести проверку можно не выпаивая полупроводник.
Главное, в ходе процедуры правильно произвести все подключения и верно истолковать полученные данные. Это позволит вовремя произвести замену комплектующей и решить проблему в кратчайший срок и с минимальными затратами.
Выпрямительный блок генератора (диодный мост) автомобиля предназначен для преобразования переменного тока, вырабатываемого генератором, в постоянный с дальнейшей подачей его в бортовую сеть и на зарядку аккумуляторной батареи. Неисправность диодного моста (короткое замыкание, обрыв или «пробой») является причиной исчезновения или уменьшения выдаваемого им тока.
Исправный диод проводит ток только в одном направлении и никак в другом. Если он пропускает ток в обеих направлениях, налицо неисправность — короткое замыкание (диод «пробит»). Если он вообще не пропускает ток ни в каком направлении, налицо другая неисправность — «обрыв». От этого и будем отталкиваться при проведении проверки.
Проверить исправность диодного моста в домашних условиях можно с помощью обычного мультиметра в режиме «прозвонки диодов». Однако, хотя этот способ и проще, но не такой надежный, так как прибор дает совсем небольшие токи нагрузки и неисправный диод можно просто не определить.
Поэтому, диоды следует проверять под нагрузкой, например, с помощью контрольной лампы в несколько ватт — чем больше, тем лучше. Для этого воспользуемся обычной автомобильной лампочкой 12В мощностью 21 Вт, источником тока послужит аккумуляторная батарея. К плюсовой «+» клемме последовательно подключаем лампу с плюсовым проводом, к минусовой «-» клемме минусовой провод. При замыкании проводов лампа загорается.
1. Для начала, проверим диодный мост на короткое замыкание между пластинами. Прижимаем положительный «+» провод к верхней пластине, а отрицательный к нижней. Если лампа не загорелась, то короткое замыкание отсутствует.
*При смене полярности лампа должна загореться, так как ток от нижней пластины свободно проходит через отрицательный и положительный диоды к верхней пластине — цепь замыкается.
2. Проверим положительные диоды на «пробой» и обрыв. Положительный «+» провод прижимаем к верхней пластине, отрицательный «-» поочередно к точкам соединения диодов.
Если диоды исправны, то лампочка не загорается. При смене полярности лампочка загорается — обрыва нет.
3. Проверим отрицательные диоды на «пробой» и обрыв. Отрицательный «-» провод прижимаем к нижней пластине, положительный «+» поочередно к точкам соединения диодов.
Если диоды исправны, то лампочка не загорается. При смене полярности лампочка загорается — обрыва нет.
4. Проверяем дополнительные диоды на «пробой» и обрыв. Прижимаем положительный «+» провод к входу «61» генератора. Отрицательный «-» провод поочередно к точкам соединения диодов.
Если диоды исправны, то лампочка не загорается. При смене полярности лампочка загорается — обрыва нет.
Кроме исправности и неисправности диодов с помощью мультиметра косвенно мы можем определить их качество. Для этого переводим прибор в режим «прозвона диодов» или измерения сопротивления 2000 Ом и проверяем каждый диод.
Он должен показать сопротивление порядка 400-700 Ом, при этом различие в показаниях между тремя диодами не должно превышать 5 Ом. Если какой-либо из диодов показывает значительную разницу, то диодный мост может работать неправильно и его лучше заменить.
Более подробная проверка диодного моста проводится на специальном стенде при помощи осциллографа.






























