↑ Список источников
1. LM386 — Low Voltage Audio Power Amplifier . 2. Дайджест КВ+УКВ // Радиоаматор, 2009, №2, с. 56 (Как получить усиление 74 дБ от микросхемы LM386). 3. Мосягин В. Узконаправленный микрофон // Радио, 2002, №5, с. 54, 55. 4. Merryfield T. Super-Ear Audio Telescope // Everyday Practical Electronics, 2005, №6, p. 388 – 392. 5. Stewart J. The Big Ear // Nuts & Volts, 2008, №10, p. 34 – 39. 6. Фолкенберри Л. Применения операционных усилителей и линейных ИС. – М.: Мир, 1985. 572 с. (с. 250 — 254). 7. Дайджест (Тест микрофонного эффекта конденсаторов) // Радиохобби, 2000, №5, с. 25. 8. Большая статья о маленьком усилителе на микросхеме TDA2822M. Датагорская статья. 9. Справочник. Микросхема УМЗЧ LA4525. Микросхема УМЗЧ LA4534M // Радиоконструктор, 2008, №9, с. 20 — 22. 10. Мосягин В.В. Юному радиолюбителю для прочтения с паяльником. (Серия «СОЛОН – радиолюбителям», выпуск 17). – М.: СОЛОН – Пресс, 2003. – 208 с. 11. Мосягин В.В. Секреты радиолюбительского мастерства. (Серия «СОЛОН – радиолюбителям) – М.: СОЛОН – Пресс, 2005. – 216 с.
↑ Усилительные схемы на ИС LM386
↑ Усилитель с коэффициентом усиления 200
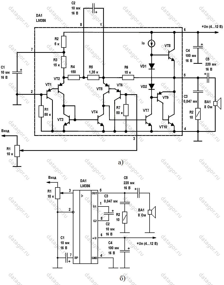
Принципиальная схема усилителя с коэффициентом усиления Ku=200 (46 дБ), изображена на рис. 2 а, б. На первом из них (рис. 2 а) показана функциональная схема ИС LM386, позволяющая лучше понять работу усилителя, а на втором (рис. 2 б) микросхема изображена в виде «чёрного ящика», по ней легче выполнять разводку печатной платы и проверку правильности установки смонтированных на ней элементов.

Рис. 2. Усилитель с коэффициентом усиления 200
Резистор R1 служит регулятором громкости, конденсатор C1 является фильтрующим
Конденсатор C2 шунтирует выводы 1 и 8 микросхемы DA1 по переменному току, благодаря чему достигается максимальный коэффициент усиления; конденсатор C4 служит для развязки по питанию, что важно в условиях работы с разряженной батареей, когда её внутреннее сопротивление увеличивается
Цепочка C3, R2 предназначена для повышения стабильности при работе усилителя на ёмкостную нагрузку. Иногда её установкой пренебрегают, что не является преступлением, но нежелательно, поскольку может преподнести «сюрприз» в самый неподходящий момент. Нагрузка ВА1 подключена к выходу ИС через разделительный конденсатор С5.
↑ Усилитель с минимальным количеством внешних элементов и коэффициентом усиления 20
На рис. 3 показана схема с минимальным количеством элементов, имеющая коэффициент усиления по напряжению Ku=20 (26 дБ). Здесь выводы 1 и 8 микросхемы оставлены свободными, исключён из схемы фильтрующий конденсатор, подключаемый к выводу 7. В результате весь усилитель содержит всего семь элементов, включая и динамическую головку ВА1.

Рис. 3. Усилитель с минимальным количеством внешних элементов и коэффициентом усиления 20
↑ Усилитель с коэффициентом усиления 50
Ещё один вариант схемы приведён на рис. 4. При значениях элементов, показанных на этой схеме, обеспечивается усиление по напряжению Ku=50 (34 дБ).

Рис. 4. Усилитель с коэффициентом усиления 50
По сравнению с предыдущей схемой добавлено три элемента: два конденсатора и резистор. В табл. 2 приведены значения резистора R2 для получения других коэффициентов усиления по напряжению.

↑ Усилитель с подъёмом низких частот
Примером усилителя, в котором производится формирование требуемой частотной характеристики, является схема, показанная на рис. 5. Здесь усиление по напряжению изменено шунтированием внутреннего резистора обратной связи (R6), доступного через выводы 1 и 5 микросхемы LM386. Шунтирование цепочкой R2, C2 позволяет получить подъем частотной характеристики около 6 дБ на частоте 85 Гц, что может быть использовано для улучшения звучания малогабаритных акустических систем.
Коэффициент усиления по напряжению усилителя на частоте 1 кГц составляет Ku=10 (20 дБ).

Рис. 5. Усилитель с подъёмом низких частот
↑ Принципиальная схема усилителя для АМ радиоприёмника
Ещё один пример применения ИС в качестве усилителя для малогабаритного АМ радиоприёмника показан на 6. В этой схеме радиовещательный сигнал после детектора поступает через конденсатор С1, устраняющий передачу постоянной составляющей на регулятор громкости R1.

Рис. 6. Принципиальная схема усилителя для АМ радиоприёмника
Сигнал со среднего вывода R1 поступает на неинвертирующий вход микросхемы DA1 через развязывающую цепочку – фильтр нижних частот R2, C2, устраняющий попадание остатков высокочастотного напряжения. Для этих же целей на выходе усилителя включена цепочка L1, C7. Дело в том, что усилитель на микросхеме DA1 довольно широкополосный (полоса пропускания составляет около 300 кГц) и без принятия подобных мер служит отличным источником радиоизлучений в длинноволновом и средневолновом диапазонах волн.
Резистор R3, включённый параллельно катушке L1, служит для устранения нежелательных резонансов в звуковом диапазоне частот. Коэффициент усиления по напряжению усилителя максимален (Ku=200).
Наряду с оксидным конденсатором С6 включён керамический конденсатор С5, используемый для высокочастотной развязки по цепи источника питания; не забыт в этой схеме и фильтрующий конденсатор, подключаемый к выводу 7 микросхемы (С3).
Катушка L1 представляет собой ферритовую бусинку с пропущенным проводом внутри (Ferrite Bead).
Компоненты, необходимые для схемы усилителя звука LM386
- Микросхема LM386
- Конденсаторный микрофон
- Динамик 8 Ом
- Конденсаторы — 220 мкФ, 10 мкФ (два), 0,1 мкФ, 0,05 мкФ
- Резистор- 10к (два)
- Потенциометр- 100к
- Аккумулятор 5-12В
Контакты 1 и 8: это контакты управления усилением, внутреннее усиление установлено на 20, но его можно увеличить до 200, используя конденсатор между контактами 1 и 8. Мы использовали конденсатор C1 емкостью 10 мкФ, чтобы получить максимальное усиление, т.е. 200 • Коэффициент усиления можно отрегулировать до любого значения от 20 до 200, используя соответствующий конденсатор.
Контакты 2 и 3: это входные PIN-коды для звуковых сигналов. Контакт 2 — это отрицательная входная клемма, подключенная к земле. Контакт 3 — это положительный входной терминал, на который подается звуковой сигнал для усиления. В нашей схеме он подключен к положительному выводу конденсаторного микрофона с помощью потенциометра RV1 100 кОм. Потенциометр действует как ручка регулировки громкости.
Конденсатор C5 из 0.1uF также был использован вместе с потенциометром, чтобы удалить постоянную составляющую входного сигнала и позволяют только аудио (компонент переменного тока), подаваемого в LM386.
Контакты 4 и 6: это контакты источника питания IC, контакт 6 для + Vcc и контакт 4 для заземления. Схема может питаться напряжением от 5 до 12 В.
Контакт 5: это выходной PIN-код, с которого мы получаем усиленный звуковой сигнал.
Выходной сигнал имеет как переменную, так и постоянную составляющую, а постоянная составляющая нежелательна и не может подаваться на динамик. Итак, чтобы удалить эту составляющую постоянного тока, был использован конденсатор C2 емкостью 220 мкФ. Он выполняет ту же функцию, что и конденсатор C5 (0,1 мкФ) на входе.
Наряду с этим конденсатором, A схема фильтра из конденсатора С3 (.05uF) и резистор R1 (10k) была использована на выходе PIN 5. Этого фильтр также называется «Зобель сеть», этот электронный фильтр используется для удаления внезапных высокого частота колебаний или шума.
Контакт 7: это клемма байпаса. Его можно оставить открытым или заземлить с помощью конденсатора для стабильности.
Шаг 2: Неужели и правда меньше Ватта?
Вы удивитесь, каким «громким» может быть всего 1 Вт. Если не брать глубокие басы, 1 Вт вполне хватит для динамиков ноутбука или аудиоустройств для мобильного телефона. Ну а если говорить о наушниках, которые находятся в непосредственной близости к барабанным перепонкам, то там нескольких милливатт достаточно, чтобы звук оглушал.
Запомните важное правило:
- Удвоение мощности добавляет 3 дБ акустической мощности.
- Что означает, что разница между 50 Вт и 100 Вт – 3 дБ.
- Разница между 100 Вт и 200 Вт — те же 3 дБ.
- А между 500 Вт и 1000 ВТ? Тоже 3 дБ!
Как вы видите, с увеличением мощности отдача не увеличивается.
В вкратце отношения между дБ, мощностью и звуковым давлением дают такой эффект: чтобы удвоить давление звука нужно учетверить мощность усилителя, а это значит возможность регулировать уровень громкости по желанию слушателя. Чтобы эта тема стала понятнее, рекомендую почитать статьи о зависимости громкости (дБ) от мощности (Вт) и о зависимости силы звука от мощности усилителя.
Самые популярные и мощные усилители (как NAD 3020) могли давать «всего» 20 Вт на 8Ом-динамики, что по нынешним меркам не является чем-то, достойным внимания. Факт остается фактом – такие факторы, как диапазон воспроизводимых частот, суммарное гармоническое искажение и прозрачность звука являются гораздо более важными показателями идеального звучания, чем просто мощность.
Предварительный усилитель
Уровень электрического сигнала на его выходе таков, что если его подать на громкоговорители, то мы ничего не услышим. Так для чего же он нужен?
Прежде всего, — для коммутации. Все вышеназванные источники подключаются к предусилителю в оптимальном для каждого из них режиме.
Дело в том, что разные источники имеют разный выходной уровень сигнала: CD-плеер или тюнер выдают сигнал т.н. линейного уровня (порядка полу-вольта), а виниловый проигрыватель — во много сотен раз меньше.
Кроме того, пользователь должен иметь возможность переключать источники, и те при этом должны звучать с примерно одинаковой громкостью. Для этого требуется согласование уровней сигналов разных источников и их подъем до уровня, который достаточен для работы входного каскада усилителя мощности.
Еще одна функция предварительного усилителя — организация и коммутация т.н. сквозных каналов, т.е. возможности во время прослушивания еще и записывать сигнал на тот или иной рекордер, в том числе осуществлять два эти процесса независимо.
Другая важная функция — регулирование выходной громкости и частотной коррекции сигнала, для чего на передней панели располагаются регуляторы громкости и уровней высоких и низких частот. Часто присутствует и кнопка прямого сигнала, т.е. обхода частотного корректора, и кнопка так называемой тонкомпенсации, предназначенной для подъема низких и высоких частот при прослушивании на пониженной громкости. Предварительный усилитель может иметь и дополнительный фильтр инфранизких частот, особенно полезный при использовании проигрывателя грампластинок.
На задней панели предусилителя находятся гнезда входов для подключения источников, обычно их 5-6 и они выполнены по т.н. несимметричной схеме для подключения разъемов типа RCA (в обиходе называемых «тюльпанами»), там же находятся и гнезда выходов. Обычно их два — главный для подключения к усилителю мощности и дополнительный для записи. На некоторых дорогих моделях бывают и т.н. симметричные соединения типа XLR, обычно используемые в профессиональном оборудовании. Их главное достоинство — возможность без помех передавать слабый сигнал на очень большое, в десятки метров, расстояние, — для обычного домашнего прослушивания это малосущественно, так что нет никакого резона переплачивать за функцию, которой Вы, скорее всего, не воспользуетесь.
Практически все современные усилители имеют возможность дистанционного управления громкостью и переключением источников, часто с их помощью можно управлять и некоторыми функциями других приборов той же фирмы, например, включением воспроизведения CD-плеера и т.п. одной фирмы. Следует учесть, что раздельное усиление, т.е. предварительный усилитель и усилитель мощности — дорогое решение, так как стоимость каждого из них начинается от 20 тыс .руб.
↑ Характеристики, функциональная схема и выбор внешних элементов усилителей на ИС LM386
Усилитель мощности звуковой частоты LM386 применяется в портативной радиоэлектронной аппаратуре.
Аналогом LM386 является KA386 фирмы Samsung, отечественный аналог – КР1438УН2. У российских любителей интегральная схема LM386 стала популярна с падением «железного занавеса», до этого времени тогда ещё советские электронщики облюбовали в качестве массового усилителя микросхему К157УД1, предназначенную для применения в аппаратуре магнитной записи.

На рис. 1 изображена функциональная схема LM386. На ней транзисторы структуры p-n-p VT1, VT2 и VT5, VT6 образуют дифференциальный усилитель, в котором каждый из входов соединён с общим проводом через резисторы R1 и R2, собственно и определяющие типовое входное сопротивление 50 кОм.
Нагрузкой дифференциального усилителя является токовое зеркало на транзисторах VT3, VT4, а выход (транзистор VT5) соединён с входом усилителя напряжения VT7, включённого по схеме с общим эмиттером. В цепь коллектора VT7 последовательно включены диоды VD1, VD2, служащие для создания смещения на базах выходного каскада, и источник тока Io.
Усилитель мощности работает в классе АВ и выполнен на транзисторах VT8 – VT10, включённых по схеме с общим коллектором, поэтому коэффициент усиления выходного каскада по напряжению близок к единице.

Обратите внимание, что для минимизации падения напряжения на транзисторах выходного каскада и получения максимальной выходной мощности в схеме не предусмотрены элементы защиты от перегрузок. Резисторы R2 и R3 задают ток транзисторов дифференциального усилителя
Точка соединения резисторов R2 и R3 выведена на внешний вывод микросхемы (вывод 7), предназначенный для подключения внешнего фильтрующего конденсатора
Резисторы R2 и R3 задают ток транзисторов дифференциального усилителя. Точка соединения резисторов R2 и R3 выведена на внешний вывод микросхемы (вывод 7), предназначенный для подключения внешнего фильтрующего конденсатора.
Эмиттеры транзисторов дифференциального каскада VT2 и VT5 включены несколько нестандартно: не соединены вместе, а содержат резисторы отрицательной обратной связи. Два из них — R4 и R5 последовательно включены между эмиттерами VT2 и VT5, а третий — R6, подключён к эмиттеру VT5 и выходу выходного каскада (эмиттеры VT8, VT9).
Коэффициент усиления по напряжению при таком включении равен удвоенному отношению сопротивления R6 к сумме сопротивлений резисторов, установленных между эмиттерами транзисторов VT2 и VT5 (R4 + R5):
Вывод эмиттера VT5 и точка соединения резисторов R4, R5 выведены на внешние выводы микросхемы (выводы 1 и 8 соответственно) и предназначены для установки требуемого коэффициента усиления, который может варьироваться в диапазоне от 20 до 200. Если закоротить выводы 1 и 8 по переменному току с помощью внешнего конденсатора, то в выражении (1) сопротивление внутреннего резистора R5 принимаем равным нулю, и полное усиление по напряжению составит 200.
Включив между выводами 1 и 8 последовательную цепочку, состоящую из резистора и конденсатора, можем варьировать коэффициент усиления от 20 до 200:
где Rвн – сопротивление внешнего резистора, кОм.
Ёмкость внешнего конденсатора Свн должна быть выбрана такой, чтобы в рабочем диапазоне частот его сопротивление переменному току было много меньше, чем Rвн. При Rвн=0 получаем Ku=200; при Rвн=∞ получаем Ku=20, а при Rвн=680 Ом коэффициент усиления Ku=50.
Для получения требуемой амплитудно-частотной характеристики (АЧХ) можно включать комплексные элементы как между выводами 1 и 8, так и между выводами 1 и 5 микросхемы.
Элементы формирования требуемой АЧХ можно включать не только между указанными выводами, но и общим проводом . Например, можно установить между выводом 1 и общим проводом цепочку, состоящую из оксидного конденсатора и внешнего резистора Rвн.
Интересно, что в этом случае удаётся получить коэффициент усиления порядка 70 дБ. При Rвн=4,7 Ом получаем Ku=70 дБ; при Rвн=15 Ом имеем Ku=60 дБ, а при Rвн=47 Ом коэффициент усиления составит Ku=50 дБ.
Такие схемы могут найти применение в высокочувствительных устройствах (приёмники прямого преобразования, сверхчувствительные микрофоны и др.), при этом удаётся обойтись без дополнительного усилительного каскада на транзисторе, включаемого перед усилителем на микросхеме LM386.
↑ Другие варианты применения микросхемы LM386
↑ Усилитель на LM386 с гнездом для подключения наушников
На рис. 7 показан усилитель с возможностью подключения головных телефонов. На схеме входное напряжение от источника аудиосигнала подаётся через конденсатор С1, устраняющий постоянную составляющую на регулятор громкости R1.

Рис. 7. Усилитель с гнездом для подключения наушников
Второй конденсатор (С2), включённый между средним выводом R1 и неинвертирующим входом, в принципе не нужен, но такое схемотехническое решение устраняет шорохи при возможном плохом качестве переменного резистора, а также уменьшает смещение половинного напряжения на выходе усилителя.
Гнездо для подключения наушников включено через развязывающий конденсатор С5 таким образом, что при отсутствии штекера наушников подключён динамик ВА1, а при включении штекера – динамик отключается.
Назначение остальных элементов усилителя было рассмотрено выше. Коэффициент усиления по напряжению минимален (Ku=20).
↑ Переговорное устройство на LM386
Взяв за основу усилитель с максимальным коэффициентом усиления (рис. 2), можно получить простое переговорное устройство. Как видно из схемы, представленной на рис. 8, в неё добавлен выключатель питания и переключатель «Приём – передача», обеспечивающий попеременную работу динамических головок ВА1 и ВА2 в качестве микрофона или громкоговорителя.

Рис. 8. Переговорное устройство
Устройство позволяет организовать проводную связь между двумя абонентами. Дальность связи достигает нескольких сотен метров.
Область применения этой конструкции: связь между двумя абонентами, игры и т. п. Усилитель с динамической головкой ВА1 располагается на основном пункте связи, а другая динамическая головка – на удалённом пункте связи. Соединение основного и удалённого пунктов связи выполняют многожильным телефонным двухпроводным кабелем. Конструкция питается от батареи напряжением 9 В типа «Крона».
↑ Генератор синусоидальных сигналов с малыми искажениями на LM386
Этот же усилитель без больших затрат превращается в генератор синусоидальных сигналов с малым коэффициентом гармоник. Схема генератора с мостом Вина показана на рис. 9.

Рис. 9. Генератор синусоидальных сигналов с малыми искажениями
Напомним, что частота генератора определяется выражением:
fo=½Π√(R1R2C1C2)
Чаще всего выбирают R1=R2 и C1=C2, при этом выражение упрощается:
fo=½ΠR1C1
Вторым требованием является то, что коэффициент отрицательной обратной связи усилителя должен быть равен точно 1/3 . При указанных условиях в схеме возникают незатухающие колебания. Если этот коэффициент меньше 1/3, амплитуда колебаний будет быстро увеличиваться со временем, пока выходное напряжение не превратится в меандр.
Если коэффициент отрицательной обратной связи более 1/3, амплитуда колебаний через некоторое время будет стремиться к нулю. Ясно, что установить идеальное значение коэффициента можно, если применить систему автоматической регулировки амплитуды.
Для этого предусмотрена цепь отрицательной обратной связи R3, HL1, которая так воздействует на коэффициент усиления, чтобы амплитуда колебаний стабилизировалась при весьма малых нелинейных искажениях (порядка 0,05%).
Если выходное напряжение генератора по каким-либо причинам увеличивается, увеличится и ток через R3, а также напряжение на нелинейном элементе – лампе накаливания HL1. Нить лампы накаливания разогреется, и её сопротивление увеличится, что приведёт к уменьшению глубины отрицательной обратной связи и уменьшению напряжения на выходе генератора. При уменьшении выходного напряжения генератора процессы происходят в обратном направлении, в результате обеспечивается автоматическая стабилизация коэффициента усиления.
При указанных на принципиальной схеме значениях элементов частота генерируемых колебаний составляет 1 кГц, а амплитуда – около 2 В эфф.
↑ Генератор прямоугольных импульсов на LM386
Схема, показанная на рис. 10, представляет собой генератор сигналов прямоугольной формы.

Рис. 10. Генератор прямоугольных импульсов
Усилитель DA1 играет роль компаратора. Положительная обратная связь реализуется с помощью делителя R1, R2, подключённого к неинвертирующему входу усилителя. Коэффициент обратной связи Kос=R2/(R1+R2). В состав отрицательной обратной связи включена интегрирующая цепь R3, C1.
Период колебаний генератора для симметричных сигналов прямоугольной формы составляет:
T=2R3C1ln[(1+Kос)/(1-Kос)]
При Кос=0,462 формула упрощается:
Т=2R3C1, и частота f=½R3С1
Максимальная частота генерируемых схемой колебаний ограничена скоростью нарастания выходного напряжения усилителя DA1.
LM386 Часть 2
Ещё раз о покупке электронных комплектующих на Aliexpress. На этот раз LM386 в корпусе DIP8. Список сокращений: Кг (THD) — коэффициент гармоник ООС — отрицательная обратная связь ЗК — звуковая карта PC — персональный компьютер (англоязычное сокращение) 1. Покупка. После положительных результатов с модулями LM386 захотелось продолжить эксперименты. Были куплены 10 шт. LM386 в корпусе DIP8.

Микросхемы приехали. Вскоре состоялась проверка. Схема стенда — проще простого: всего-то надо подключить питание к выводам микросхемы и померить напряжение на выходе (вывод 5).

Если микросхема исправна, на 5-м выводе присутствует напряжение около половины питающего. Т.к. проверка выполнялась от 4В источника, на выходе ожидалось около 2В.
И тут сюрпрайз: +0,6В. Естественно, в стенде побывали все 10 штук микросхем. У всех — одинаковые симптомы. Сделал фото, открыл спор, через время получил обратно свой доллар.
Отзыв на али:
Дополнительная информация

2. Некоторые замечания о бракованных LM386.
Упрощённая схема LM386:

2.1. Резистор ООС между выводами 1 и 5 легко проверяется омметром: вместо 15 кОм было значение около 20 кОм.
2.2. Обозначение на корпусе: 18CXY LM386 M-82
— это БРАК!
Бракованные микросхемы отправились в мусорное ведро. На их замену с местном инет-магазине были куплены LM386 от производителя UTC. Фото не приводится, т.к. отсутствие полноценного макро объектива не позволяет отснять надписи на корпусе.
3. Продолжение экспериментов. Вновь прибывшие микросхемы также были проверены на стенде: +1,9В на выводе 5, т.е. всё ОК. Сопротивление резистора ООС — около 15 кОм, что вполне соответствует документации.
Спектр выходного сигнала. Условия замера: — питание 4В от LiIon аккумулятора через защитный диод Шоттки 1N5819
— экранированный корпус — оба входа закорочены на землю через 1 кОм

Если очень внимательно читать документацию на LM386, можно заметить, что входной сигнал подаётся на вывод 3 (неинвертирующий). Вывод 2 (инвертирующий вход), как правило, не используется.
Была собрана модель LM386 в симуляторе Multisim10. И проверены две схемы: — входной сигнал подаётся на вход 2 (инвертирующий)

— входной сигнал подаётся на вход 3 (неинвертирующий)

Можно заметить: Кг получился разный (0,28% и 0,44%). Было логично повторить замеры вживую.
Входной сигнал (10 мВ 1 кГц) — на вход 2 (инвертирующий):

Входной сигнал (10 мВ 1 кГц) — на вход 3 (неинвертирующий):

Выводы: — Кг по входам 2 и 3 примерно одинаковый, но при использовании входа 3 немного ниже — не всегда симуляторы дают адекватную оценку таких деликатных параметров, как Кг (THD)
4. Особенности питания LM386 от других источников.
Все замеры выше выполнены при использовании 4В источника (свежезаряженная LiIon аккумулятор, который при малых разрядных токах обеспечивает «чистое» питание 4,0..4,1В под нагрузкой). В цепи питания всегда присутствует защитный диод Шоттки 1N5819.
Падение напряжения на диоде около 0,2В никаким образом не влияет на работоспособность микросхемы.
Некоторые критики внимательные читатели могут заметить, что работоспособность LM386 гарантируется от 4В и выше. С этим никто не спорит.
Как обычно, хочется где-то съэкономить и\или упростить себе жизнь.
4.1. Питание от USB. Условия замера: — +5В подано через RC-фильтр (51 Ом и 47 мкФ) — использован только плюсовой провод от USB — входы закорочены на землю через резисторы 1 кОм

На спектре появилась «расчёска». (
4.2. Питание от повербанка Условия замера: — +5В подано через RC-фильтр (51 Ом и 47 мкФ) — входы закорочены на землю через резисторы 1 кОм

«Расчёска» также присутствует.
ВЫВОДЫ
: — покупать микросхемы необходимо у проверенных продавцов — использование LM386 предпочтительно от LiIon аккумулятора — в зависимости от задачи возможно использование входов 2 и 3 — Кг (THD) в пределах 0,1% при выходном напряжении 200 мВ (типичное значение чувствительности линейных входов звуковой аппаратуры и линейного входа ЗК)
Всем удачных разработок!
PS По незнанию в обзор были добавлены файлы .ovl По сути это текстовые файлы, которые создаёт и использует программа SpectraLab.
Объём этих файлов оказался настолько большим, что при попытке опубликовать обзор сайт выдал ошибку «Более 15000 символов». Поэтому пришлось удалить лишние строки кода из отчёта.
Для желающих скачать все исходные материалы данного обзора, ссылка на гуглодиск.
↑ Универсальный усилитель на ИС LM386
Показанная на рис. 11 схема универсального УМЗЧ на ИС LM386 открывает простор для творчества, поскольку предоставляет готовый функциональный узел для широкого спектра применений (см. табл. 3). Исключён фрагмент. Полный вариант статьи доступен меценатам и полноправным членам сообщества. Читай условия доступа.
Рис. 11. Универсальный усилитель на ИС LM386

↑ Детали универсального усилителя и монтажная плата
Применены резисторы типа МЛТ, МОН, С2-33Н мощностью 0,25 или 0,125 Вт. Конденсаторы керамические КМ-5, КМ-6, К10-17, К10-47, а также плёночные К73-9, К73-17 или К73-24; оксидные конденсаторы К50-35. Динамическая головка – широкополосная, с сопротивлением 8 Ом, мощностью 0,5…3 Вт, например 1ГДШ-6-8. Все детали могут быть заменены импортными аналогами. Детали
DA1 – Микросхема LM386N (L), корпус DIP8-300 – 1 шт., SCS-8 Розетка dip узкая – 1 шт., R1 – Рез.-0,25W-4,7 кОм (Жёлтый, фиолетовый, красный, золотистый) – 1 шт., R2 – Рез.-0,25W-10 кОм (Коричневый, чёрный, оранжевый, золотистый) – 1 шт., R3 – Рез.-0,25W-680 Ом (Голубой, серый, коричневый, золотистый) – 1 шт., R4 – Рез.-0,25W-300 Ом (Оранжевый, чёрный, коричневый, золотистый) – 1 шт., R5 – Рез.-0,25W-160 Ом (Коричневый, голубой, коричневый, золотистый) – 1 шт., R6 – Рез.-0,25W-51 Ом (Зелёный, коричневый, чёрный, золотистый) – 1 шт., R7 – Рез.-0,25W-47 Ом (Жёлтый, фиолетовый, чёрный, золотистый) – 1 шт., R8 – Рез.-0,25W-15 Ом (Коричневый, зелёный, чёрный, золотистый) – 1 шт., R9 – Рез.-0,25W-4,7 Ом (Жёлтый, фиолетовый, золотистый, золотистый) – 1 шт., R10 – Рез.-0,25W-10 Ом (Коричневый, чёрный, чёрный, золотистый) – 1 шт., R – Переменный резистор 10 кОм под гайку СП3-4ам – 1 шт., C1 – Конд.X7R 0,22 мкФ керам.имп (EIA Code 224); К10-17 б-Н90-10% 0,22 мкФ – 1 шт., C2 – Конд.X7R 1000пФ керам.имп (102); КМ-6 б- 1000 пФ – 1 шт., C3, C4 – Конд.10/16V 0511 +105С – 1 шт., C5, C9 – Конд.X7R 0,047 мкФ керам.имп (473); К10-17-1а-Н90 0,047 мкФ – 2 шт., C7 – Конд.X7R 0,033 мкФ керам.имп (333); К10-47-100В 0,033 мкФ – 1 шт., C6, C8, C10 – Конд.220/16V 0611 +85°C – 3 шт., J1…J9 – Вилка на плату PLS-2 – 9 шт., Печатная плата 75Ч25 мм – 1 шт.
На рис. 12 показана монтажная плата усилителя.

Рис. 12. Монтажная плата универсального УМЗЧ на LM386
Для экспериментов с усилителем подходит лабораторный источник питания на основе аккумуляторной батареи .




























