Принцип работы
Для того, чтобы продемонстрировать, как работает быстродействующий компаратор с гистерезисом, нужно взять схему с двумя выходами.
Фото — схема работы компаратора
Схема включения, по которой можно понять принцип работы компаратора, показана выше. Используя аналоговый сигнал во + входе, именуемым «неинвертируемым», и выходе, который называется под названием «инвертируемый», устройство использует два аналогичных разнополярных сигнала. При этом если аналоговый вход больше, чем аналоговый выход, то выход будет «1», и это включит открытый коллектор транзистора Q8 на эквивалентной схеме LM339, которую нужно включить. Но, если вход находится на отрицательном уровне, то сигнал будет равняться «0», из-за чего, коллектор будет находиться в закрытом виде.
Практически всегда двухпороговый или фазовый компаратор (например, на транзисторах, без усилителя) воздействует на входы в логических цепях, соответственно, работает по уровню определенной сети питания. Это своеобразный элемент перехода между аналоговыми и цифровыми сигналами. Такой принцип действия позволяет не уточнять определенность или неопределенность выходов сигналов, т. к. компаратор всегда имеет некий захват петли гистерезиса (независимо от её уровня) или окончательный коэффициент усиления.
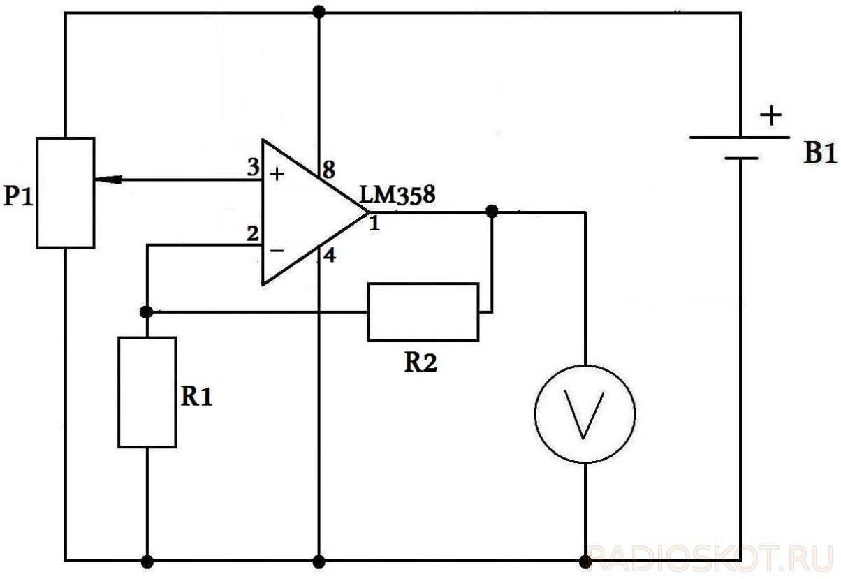
Неинвертирующий усилитель

Графический символ неинвертирующего усилителя
Напряжение, подаваемое на вход We (+) выше, чем подаваемое на We (-), поэтому выходной сигнал большой, потому что он близок к напряжению питания Uпит, за вычетом падения напряжения на усилителе Uwo (We (+) > We (-) => Wy ~ Uпит – Uwo). Часть выходного сигнала возвращается через резистор на вход We (-), таким образом этот сигнал становится больше, чем напряжение на We (+), и напряжение на выходе становится близким к 0 В (We (+) < We (-)) => Wy ~ 0 В). Вследствие падения напряжения на выходе (и отсутствия на нем усиления сигнала на We (-)) напряжение на We (+) снова будет больше We (-).
На практике быстро устанавливается состояние равновесия при котором выходной сигнал будет постоянным. Его размер легко рассчитать по формуле:
Uwy = Uwe (+) x [(R1 + R2) / R1]
Предположим, что на вход We (+) поступает напряжение 0,5 В, а на выходе хотим получить в 5 раз больше, то есть 2,5 В. Подставим данные в формулу:
Uwy = Uwe (+) x [(R1 + R2) / R1]
2,5 В = 0,5 В x [(R1 + R2) / R1]
[(R1 + R2) / R1] = 2,5 В / 0,5 В
[(R1 + R2) / R1] = 5
Отношение суммы сопротивлений резисторов R2 и R1 к R1 должно дать нам 5. Итак, предположим, что сопротивление R2 = 10 кОм и R1 = 2,2 кОм (соотношение их сопротивлений составляет 5,54).
Соберем всё на макетной плате по следующей схеме:

Прежде всего необходимо убедиться, что на вход We (+) подается соответствующее напряжение. Для этого подключите вольтметр между землей и третьей ножкой усилителя, а затем поверните ручку потенциометра до тех пор, пока мультиметр не покажет результат 0,5 В (или как можно более близкий).

Теперь измерьте напряжение на выходе усилителя, то есть между первым контактом и массой. Теоретически должны получить результат близкий к 2,5 В. Между тем, показание вольтметра составляет целых 2,88 В.

Откуда эта разница? Помните, мы не использовали резисторы с коэффициентом 5,54, а не 5. Давайте снова подставим данные (на этот раз реальные) в формулу:
Uwy = Uwe (+) x [(R1 + R2) / R1]
Uwy = 0,51 В x [(2,16 кОм + 10 кОм) / 2,16 кОм
Uwy = 0,51 В x 5,63
Uwy = 2,87 В
Теоретически и практически получили почти такой же результат – 2,87 В.
Схема индикатора
В электрической схеме контроля уровня заряженности аккумулятора на 12 Вольт не содержится ни стабилитронов, ни сложных микросхем, ни транзисторов. Она состоит из включенных последовательно резисторов и светодиодов.

Схема индикатора
Работа устройства основана на начальном напряжении загорания светодиода, представляющего собой полупроводник.
При включении с резисторами последовательно каждый светодиод загорается после превышения напряжением суммы светодиодов на соответствующем отрезке цепи.
Предел напряжения открытия или загорания светодиода находится в диапазоне 1,8-2,6 В в зависимости от его модели. Каждый последующий элемент начинает гореть после включения предыдущего.
Руководство по изготовлению устройства в домашних условиях
Самым простым и дешевым вариантом является ИН, изготовленный своими руками. Его назначение – контролировать, как работает АКБ при значении напряжения в бортовой сети в пределах 6-14В.
Для схемы понадобятся следующие детали:
- печатная плата;
- резисторы: 2 сопротивлением 1 кОМ, 1 сопротивлением 2 кОм и 3 сопротивлением 220 Ом;
- транзисторы: ВС547 — 1 и ВС557 — 1;
- стабилитроны: один на 9,1 В, один на 10 В;
- светодиодные лампочки (RGB): красный, синий, зеленый.
У светодиодов с помощью тестера нужно определить и проверить выводы, чтобы они соответствовали цвету. Собирается прибор согласно схеме.
Схема самодельного прибора
Компоненты примеряют на плату и вырезают ее соответствующих размеров. Желательно компоновать комплектующие так, чтобы они занимали поменьше места.
По изготовленному устройству нельзя определить конкретные значения напряжения батареи, можно лишь ориентироваться в каких пределах оно находится:
- красный горит, если напряжение от 6 до 11 В;
- синий соответствует напряжению от 11 до 13 В;
- зеленый означает полную зарядку, то есть напряжение превышает 13 В.
Индикатор напряжения аккумулятора можно устанавливать в любом месте салона. Удобнее всего размещать его в нижней части рулевой колонки: светодиоды будут хорошо видны, и не будут мешать управлению. Кроме того, прибор легко будет подключить к замку зажигания. После установки водитель сможет всегда знать, насколько заряжена батарея его автомобиля и заряжать свой аккумулятор в случае необходимости.
Описание микросхемы LM358
Подтверждением высокой популярности микросхемы являются ее рабочие характеристики, позволяющие создавать много различных устройств. К основным показательным характеристикам компонента следует отнести нижеследующие.
Приемлемые рабочие параметры: в микросхеме предусмотрено одно и двухполюсное питание, широкий диапазон напряжений питания от 3 до 32 В, приемлемая скорость нарастания выходного сигнала, равная всего 0,6 В/мкс. Также микросхема потребляет всего 0,7 мА, а напряжение смещения составит всего 0,2мВ.
Мастерам на все руки будет интересна статья о схеме подключения автоприцепа и распиновке розетки фаркопа.
В каких корпусах выпускаются микросхемы
Корпус может быть как DIP8 – обозначение LM358N, так и SO8 – LM358D. Первый предназначен для реализации объемного монтажа, второй – для поверхностного. От типа корпуса не зависят характеристики элемента – они всегда одинаковы. Но существует немало аналогов микросхемы, у которых параметры немного отличаются. Всегда есть плюсы и минусы. Обычно, если у элемента большой диапазон рабочих напряжений например, страдает какая-либо другая характеристика.

Существует еще металлокерамический корпус, но такие микросхемы используют в том случае, если эксплуатация устройства будет происходить в тяжелых условиях. В радиолюбительской практике удобнее всего использовать микросхемы в корпусах для поверхностного монтажа
Они очень хорошо паяются, что имеет важное значение при работе. Ведь намного удобнее оказывается работать с элементами, у которых ножки имеют большую длину
Маркировка
Префикс LM сначала использовался при маркировке общего назначения компанией National Semiconductor. Цифры “358” это ее серийный номер. В 2011 году эта компания была приобретена другим производителем электроники Texas Instruments. С этого года префикс “LM” является кодом производителя Texas Instruments, но несмотря на это, этот код используют и другие производители при маркировке своей продукции. Микросхемы LM358, LM358-N и LM358-P имеют одинаковые технические параметры. У большинства компаний-производителей символами “-N” , “-P” обозначаются пластиковые корпуса PDIP.

В технических описания встречается такие виды: LM358A, LM358B, LM358BA. Так указывается версии следующего поколения промышленного стандарта LM358. Устройства «B» могут быть доступны в более современных микрокорпусах TSOT и WSON.
Зачем следить за состоянием аккумулятора?
Автомобильный аккумулятор состоит из шести последовательно соединённых аккумуляторных батарей с напряжением питания 2,1 — 2,16В. В норме АКБ должен выдавать 13 — 13,5В. Нельзя допускать значительного разряда аккумуляторной батареи, поскольку при этом падает плотность и, соответственно, повышается температура промерзания электролита.
Чем выше износ аккумулятора, тем меньшее время он удерживает заряд. В тёплое время года это не критично, а вот зимой забытые во включённом состоянии габаритные огни к моменту возвращения способны полностью «убить» аккумулятор, превратив содержимое в кусок льда.
В таблице можно увидеть температуру промерзания электролита, в зависимости от степени заряженности агрегата.
| Зависимость температуры промерзания электролита от степени заряда аккумулятора | ||||
| Плотность электролита, мг/см. куб. | Напряжение, В (без нагрузки) | Напряжение, В (с нагрузкой 100 А) | Степень заряда АКБ, % | Температура замерзания электролита, гр. Цельсия |
| 1110 | 11,7 | 8,4 | 0,0 | -7 |
| 1130 | 11,8 | 8,7 | 10,0 | -9 |
| 1140 | 11,9 | 8,8 | 20,0 | -11 |
| 1150 | 11,9 | 9,0 | 25,0 | -13 |
| 1160 | 12,0 | 9,1 | 30,0 | -14 |
| 1180 | 12,1 | 9,5 | 45,0 | -18 |
| 1190 | 12,2 | 9,6 | 50,0 | -24 |
| 1210 | 12,3 | 9,9 | 60,0 | -32 |
| 1220 | 12,4 | 10,1 | 70,0 | -37 |
| 1230 | 12,4 | 10,2 | 75,0 | -42 |
| 1240 | 12,5 | 10,3 | 80,0 | -46 |
| 1270 | 12,7 | 10,8 | 100,0 | -60 |
Критическим считается падение уровня заряда ниже 70%. Все автомобильные электроприборы потребляют не напряжение, а ток. Без нагрузки даже сильно разряженный аккумулятор может показывать нормальное напряжение. Но при низком уровне, во время запуска двигателя, будет отмечаться сильная «просадка» напряжения, что является тревожным сигналом.
Своевременно заметить приближающуюся катастрофу возможно лишь в том случае, когда непосредственно в салоне установлен индикатор. Если во время работы автомобиля он постоянно сигнализирует о разрядке – пора ехать на СТО.
Делаем своими руками индикатор заряда аккумулятора контроллер
Это ещё одна статья о всем известной микросхеме TP4056, многим она уже полюбилась и была протестирована неоднократно армией радиолюбителей. Да и ко мне дошли слухи о чудодейственной микросхеме. Заказал у китайцев пять подопытных, стал думать гадать, как собрать — навесом или на платке. Тут самая обычная схема — несколько деталек и сама микросхема.

Тут мне под руку попали кусочки текстолита и решил собрать на печатной плате, но не все так просто. Картридж у меня выдохнулся от пары десятков перезаправок. Встал вопрос купить новый, но цена у него заоблачная, как для меня. Тогда есть только один выход, рисовать лаком для ногтей, но лака мне больше не дают, сказали, что лак покупался не для того, чтоб я тратил его на какие-то бляшки нет, это не опечатка, какие-то бляшки — да, не ожидал.
В общем сидел я и думал чем бы себя занять, вспомнил, что платки можно рисовать не только лаком, но и парафином и маркером, парафин не для меня, я только если на Пасху яйцо раскрасить могу, и то не очень. Но с маркером идея неплоха.
Вольтметр автомобильный на микросхеме К1003ПП1
Данная схема вольтметра для автомобиля построена на микросхеме К1003ПП1 и позволяет отслеживать напряжение бортовой сети по свечению 3 светодиодов:
- При напряжении менее 11 вольт горит светодиод HL1
- При напряжении 11,1…14,4 вольт горит светодиод HL2
- При напряжении более 14,6 вольт горит светодиод HL3
Настройка. После подачи на вход напряжения от любого блока питания (11,1…14,4В), переменным резистором R4 необходимо добиться свечения светодиода HL2.
Индикатор напряжения автомобильного аккумулятора
2 – паяльник; припой; монтажные провода; кусачки; пинцет; отвертка, канцелярский нож, дрель, мультиметр, блок питания для настройки.
Собираем следующим образом.
Шаг 1. Берем сгоревшую автомобильную USB зарядку, разбираем ее, Выпаиваем из ее платы все радиодетали.
В одной половинке корпуса зарядки в ее верхней части делаем 3 отверстия под светодиоды, и устанавливаем в них светодиоды, зеленый – в середину. На печатной плате делаем соответствующие отверстия под стабилитроны и резисторы. Лишние печатные дорожки можно удалить канцелярским ножом.
В разрыв провода между катодом светодиода HL1 и резистора R1 ставим переменный резистор 6,8 ком, подключаем питание на вход схемы 10,8 в, и поворачивая движок переменного резистора добиваемся свечения светодиода HL1. затем отключив питание, измеряем общее сопротивление резисторов (R1 и переменного резистора). Ставим постоянный резистор измеренного номинала в схему, удалив из нее переменный резистор.
Настройка светодиода HL1 закончена, так же настраиваем и остальные светодиоды. Для настройки HL2 подаем питание 11.8-12 в. Для настройки HL3 – 15 в. После установки нужных нам резисторов в схему, подаем питание на вход схемы 15в –должны светиться все три светодиода. Убавляем питание до 14 в светодиод HL3 должен погаснуть. При напряжении на входе ниже 11,8 в – должен погаснуть светодиод HL2. А при напряжении ниже 10,8 в должен погаснуть и светодиод HL1. Если это все так, как здесь описано, значит индикатор работает правильно. А если нет, то надо еще точнее подобрать все резисторы.
Схема простого вольтметр-индикатора бортовой сети автомобиля
Фактически на всех прежних отечественных автомобилях имеется стрелочные индикаторы напряж. на аккумуляторе. Индикаторы простые, функционируя в ограниченном диапазоне напряжений, помогают автовладельцу своевременно обнаружить перегрузку генератора, исчезновение контакта или неполадки в работе реле-регулятора.
В нынешних отечественных автомобилях и фактически во всех современных «иномарках» вольтметра нет. Есть лишь индикаторная лампа, которая обязана светиться при значительном уменьшении напряжения на аккумуляторе.
Но, во-первых, для аккумулятора страшно не только значительное снижение напряжения, но так, же и перезаряд.
Во-вторых, как показывает практика, штатный индикатор фактически не откликается на выключение аккумулятора на работающем двигателе. То есть, если, например, отсоединилась клемма, вы это обнаружите, лишь тогда, когда попытаетесь запустить двигатель.
Смещение напряжения и тока
Транзисторы дифференциальной схемы, помимо приложенных к напряжениям, также учитывают для сравнения их напряжение эмиттер-база. Эти напряжения складываются с внешними, что влияет на определение потенциала эмиттера и решение, какой транзистор подключить.
| Это свойство называется смещением и является плохим явлением для схем с дифференциальным входом. |
Под смещением следует понимать источник напряжения, который «имеет» компаратор и который последовательно подключен к одному из входов. Производители никогда не указывают точное значение смещения, так как оно зависит от агрегата, температуры и других факторов. Вместо этого они указывают диапазоны, например ± 5 мВ. Для электроники это означает, что такой компаратор должен возбуждаться дифференциальным напряжением, превышающим 5 мВ, потому что меньшие по размеру могут не правильно распознаваться.
Фрагмент каталожной записи LM311
В дополнение к смещению напряжения существует также смещение тока, то есть разница между токами, потребляемыми базами транзисторов, управляющих входами. Она упоминается гораздо реже, чем смещение напряжения, но вы должны знать о его существовании — это также вызвано различиями в параметрах транзисторов.
Зарядное устройство для автомобильных аккумуляторов – Поделки для авто
Компьютерный блок питания (КБП) можно легко переделать в зарядное устройство (ЗУ) для аккумуляторов стартерных автомобилей с емкостью до 120А/час.
Для переделки подойдут КБП в которых стоит микросхема ШИМ контроллера TL494 или его аналог К7500 (кстати, буквы зависят от фирмы-производителя, так что достаточно ориентироваться на цифры).

Переделка состоит из 2-х основных шагов. Это получение на выходе напряжения около 15В и добавление регулируемого стабилизатора тока для установки нужного тока зарядки. Т.е. мы получим автоматическое ЗУ, заряжающее стабильным током. По мере зарядки ток будет уменьшаться и в конце будет равен нулю.

КБП имеет несколько выходных напряжений: 3.3В, 5В, 12В. Нам понадобится только шина 12В (желтые провода). Для зарядки авто аккумуляторов требуется напряжение 14.5 -15В, следовательно, нам нужно повысить 12В до этого уровня.

Проверяем выбранный КБП на работоспособность. Для его запуска без компьютера надо соединить зеленый провод с черным (земля). Мультиметром проверяем все выходные напряжения, если все в порядке снимаем плату из корпуса и отпаиваем ненужные выходные провода. Оставляем только пару желтых, пару черных и зеленый. Рекомендую использовать достаточно мощный паяльник.

Далее с помощью мультиметра находим резистор, идущий от первого вывода контроллера 7500 к 12В-ой шине. В моем БП это 27кОм. Затем отпаиваем один конец этого резистора (назовем его Rx) от платы. Берем переменный резистор около 10кОм (мощность неважна), соединяем проводом средний и один из крайних выводов друг с другом и с точкой на плате откуда выпаяли вывод Rx. Другой крайний вывод переменного резистора соединяем с оставшимся в воздухе выводом Rx. Т.о. мы получили последовательное соединение Rx и переменного резистора. Этим переменным резистором мы должны выставить выходное напряжение около 15В.
Стабилизатор или ограничитель тока построен на базе операционного усилителя (ОУ) LM358, впрочем, подойдут любые другие. В корпусе этого ОУ 2 элемента, но нам достаточно одного. ОУ подключен по схеме компаратора, сравнивающего напряжение на низкоомном резисторе R3 с опорным, который задается стабилитроном
Если регулятором R1 мы меняем это напряжение, то компаратор стремится сбалансировать напряжение на входах 2 и 3 изменением выходного напряжения (вывод1), тем самым управляя полевым транзистором. А он управляет током через нагрузку. Полевик должен быть достаточно мощным, т.к. через него проходит весь зарядный ток. Я применил IRFZ44 (можно ставить любой с аналогичными параметрами).

Его надо обязательно поставить на теплоотвод, я просто прикрутил к корпусу. Нарисовал печатную плату для стабилизатора тока и спаял детали.Плата в формате .lay …
Теперь соединяем все узлы в соответствии с рисунком и монтируем в корпус.
На переднюю панель выведены регулятор ограничивающий ток заряда, стрелочный амперметр постоянного тока со шкалой до 10А (можно и цифровой), тумблер замыкающий зеленый провод с землей и выходные клеммы.
Автор; АКА КАсьян
xn—-7sbgjfsnhxbk7a.xn--p1ai
Простое зарядное устройство стабилизатор тока из подручных материалов
Существует огромное число готовых схем и конструкций, позволяющих заряжать автомобильный аккумулятор. Эта статья на тему переделки компьютерного блока питания под автоматическое зарядное устройство автомобильного аккумулятора. В ней рассказывается о том, как собрать автоматический стабилизатор тока с возможностью регулировки выходного тока.
Схема стабилизатора, используемая в нашем собираемом зарядном устройстве, довольно проста и основана на базе операционного усилителя (ОУ) без обратной связи с большим коэффициентом усиления.
В качестве такого операционного усилителя, или правильнее будет его назвать компаратором, используется микросхема LM358. На изображении видно, что она имеет:
- два входа (инвертирующий и неинвертирующий);
- один выход.
Задача LM358 состоит в том, чтобы сбалансировать параметры на выходе путём увеличения или уменьшения напряжения на входах.
Зарядное устройство или простой стабилизатор – это прибор, который:
- сглаживает пульсации сети;
- поддерживает прямую линию графика тока на одном уровне.
Как это осуществляется? В нашем случае на один вход подаётся опорное напряжение, задаваемое с помощью стабилитрона. Второй вход подключен после шунта, предназначенного для роли датчика тока. Когда подключается к выходу разряженный аккумулятор, в цепи возрастает ток и соответственно возникает падение напряжения на низкоомном резисторе. На микросхеме LM358 появляется разность напряжений между двумя входами. Устройство стремится сбалансировать эту разность, тем самым увеличивая параметры на выходе.
Глядя на схему мы видим, что на выход подключен полевой транзистор, который управляет нагрузкой. По мере заряда аккумулятора на клеммах устройства начинает повышаться напряжение, следовательно, начинает расти оно и на одном из входов ОУ. Возникает разность напряжений между входами, которую ОУ пытается выровнять путём уменьшения напряжения на выходе, тем самым уменьшая ток в основной цепи.
В итоге, аккумулятор заряжается до нужного напряжения, то есть выставленного значения на клеммах зарядного устройства. Падение напряжения на резисторе R3 становится минимальным, либо его не будет вообще. При выравнивании напряжения на входах транзистор закрывается, тем самым отключая нагрузку от зарядного устройства.
Особенностью данной схемы является то, что она позволяет ограничивать ток заряда. Делается это с помощью переменного резистора, который включён последовательно в делитель. И собственно поворачивая ручку этого резистора можно изменять параметры на одном из входов. Возникающую разность опять же выравнивают путём увеличения либо уменьшения параметров.
Универсальных схем не бывает. Кого-то интересует вопрос увеличения тока нагрузки. Например, что нужно поменять в схеме для 15 А? Необходимо будет поставить переменник не 5, а 10 кОм. Так же сделав предварительный расчёт и заменив соответствующие элементы, можно запросто настроить схему под свои нужды.
Принцип работы
Для того, чтобы продемонстрировать, как работает быстродействующий компаратор с гистерезисом, нужно взять схему с двумя выходами.

Схема включения, по которой можно понять принцип работы компаратора, показана выше. Используя аналоговый сигнал во + входе, именуемым «неинвертируемым», и выходе, который называется под названием «инвертируемый», устройство использует два аналогичных разнополярных сигнала. При этом если аналоговый вход больше, чем аналоговый выход, то выход будет «1», и это включит открытый коллектор транзистора Q8 на эквивалентной схеме LM339, которую нужно включить. Но, если вход находится на отрицательном уровне, то сигнал будет равняться «0», из-за чего, коллектор будет находиться в закрытом виде.
Практически всегда двухпороговый или фазовый компаратор (например, на транзисторах, без усилителя) воздействует на входы в логических цепях, соответственно, работает по уровню определенной сети питания. Это своеобразный элемент перехода между аналоговыми и цифровыми сигналами. Такой принцип действия позволяет не уточнять определенность или неопределенность выходов сигналов, т. к. компаратор всегда имеет некий захват петли гистерезиса (независимо от её уровня) или окончательный коэффициент усиления.
Измерение тока в положительном полюсе нагрузки

Достоинства: • нагрузка заземлена; • обнаруживается короткое замыкание в нагрузке. Недостатки: • высокое синфазное входное напряжение (зачастую очень высокое); • необходимость смещения выходного сигнала до уровня, приемлемого для последующей обработки в системе (привязка к «земле»). Рассмотрим схемы измерения тока в положительном полюсе нагрузки с использованием операционных усилителей.
В схеме на рис. 2 можно применить любой из подходящих по допустимому напряжению питания операционный усилитель, предназначенный для работы с однополярным питанием и максимальным входным синфазным напряжением, достигающим напряжения питания, например AD8603. Максимальное напряжение питания схемы не может превышать максимально допустимого напряжения питания усилителя.
Но есть ОУ, которые способны работать при входном синфазном напряжении, значительно превышающем напряжение питания. В схеме с применением ОУ LT1637, изображенной на рис. 3, напряжение питания нагрузки может достигать 44 В при напряжении питания ОУ, равном 3 В. Для измерения тока в положительном полюсе нагрузки с весьма малой погрешностью подходят такие инструментальные усилители, как LTC2053, LTC6800 от Linear Technology, INA337 от Texas Instruments. Для измерения тока в положительном полюсе есть и специализированные микросхемы, например — INA138 и INA168.
Какие бывают индикаторы заряда автомобильного аккумулятора?
Технологии не стоят на месте и производители автомобильной техники изо всех сил стараются сделать поездки на автомобиле и его обслуживание максимально комфортным. Поэтому на современных автомобилях в бортовом компьютере, среди прочих функций, можно найти данные о напряжении аккумуляторной батареи. Но такие возможности есть далеко не на всех автомобилях. На старых авто может присутствовать аналоговый вольтметр, по которому достаточно сложно понять, в каком состоянии находится АКБ. Для новичков в автомобильном деле советуем ознакомиться с материалом о норме заряда аккумулятора автомобиля.

Функции выводов LM311
Пора узнать о функциях выводов. Обычно, в такой ситуации, смотрим на информацию в каталоге — вводим «LM311 datasheet» в поисковике Google и читаем найденный PDF-файл, подготовленный производителем. Однако на этот раз, для вашего удобства, мы собрали здесь самую важную информацию.
Символическое изображение внутренней части схемы LM311
Как показано на рисунке выше, функции отдельных выходов следующие:
- эмиттер выходного транзистора (обычно крепится к земле схемы),
- неинвертирующий вход (+),
- инвертирующий вход (-),
- отрицательный полюс источника питания (заземление схемы),
- баланс,
- баланс / блокировка,
- коллектор выходного транзистора,
- положительный полюс источника питания.
Правильное соединение выводов 5 и 6 позволяет вручную регулировать смещение напряжения и уменьшите его почти до нуля. Это сложная тема, но сейчас вам не о чем беспокоиться. Кроме того, ножка 6 позволяет выключить схему, но сейчас эта функция нам не понадобится.
| Символ компаратора и транзистора «внутри схемы» на рисунке, служит лишь для удобства, чтобы помочь вам быстро понять, что это за схема, и как она работает. На самом деле, внутренняя часть этой схемы намного сложнее. |
Выход LM311 относится к типу OC (открытый коллектор), что означает, что в цепи присутствует транзистор, который, в зависимости от результата работы схемы, либо забивается, либо насыщается. Коллектор этого транзистора подключен к выводу 7 и, следовательно, является выходом нашего компаратора. Вы можете найти больше информации об этом в конце этой статьи. А теперь, пора приступить к практике!





























