Схемы самоделок
Можно придумать много вариантов исполнения детектора скрытой проводки. Схемы одних устройств простые и понятные для школьника, схемы других доступны для бывалого электротехника.
Они отличаются между собой количеством и видами элементов: смотрите, что есть у вас на руках, и исходя из этого выбирайте схему.
Схема со звуковым индикатором

Данный бесконтактный индикатор скрытой проводки базируется на микросхеме К561ЛА7. Чтобы уберечь ее от высокого напряжения, созданного статическим электричеством, потребуется резистор в 1 МОм (на схеме R1). Питается устройство от кроны (9В). В качестве антенны подойдет медная проволока или любой металлический стержень длиной от 5 до 15 см. Золотая середина – 10 см
Важно, чтобы проволока не прогибалась под собственным весом
Если поднести собранное устройство к проводу под напряжением, то будет слышен звук, напоминающий треск. Это возможно благодаря наличию пьезоизлучателя (на схеме ЗП-3), увеличивающему громкость. Искать этим детектором можно не только скрытую проводку, но и перегоревшую лампочку в гирлянде. Узнать о ее расположении можно по тому, что возле нее треск прекращается.
Схема со звуковым и световым индикатором

Это устройство может питаться от батареек напряжением от 3 до 12 В. Для ограничения тока использован резистор R1, сопротивление которого не должно опускаться ниже 50 МОм. Но для светодиода (обозначен АЛ307) такого резистора не предусмотрено: он не нужен, потому что используемая микросхема (К561ЛА7) сделает все сама.
При приближении искателя к проводу под напряжением будет слышен не только шум, но и будет загораться светодиод. Двойная индикация надежнее.
Двухэлементный индикатор

Вам понадобится только микросхема и светодиод. Для сборки подойдут DD1 и HL1 соответственно. Вся цель работы заключается в том, чтобы соединить выводы микросхемы так, чтобы получилось три инвертора в цепочке. Такой искатель скрытой проводки своими руками усиливает токи, которые наводит на устройство поле переменного тока в проводах, скрытых стеной. В результате при приближении к проводке загорается светодиодная лампочка, и при удалении или разрыве цепи – гаснет.
Вариантов исполнения 2:
- Соединить выводы: 3-ий – с 8-ым и 13-ым, 2-ой – с 10-ым, 4-ый – с 7-ым и 9-ым, 1-ый – с 5-ым, 11-ый – с 14-ым;
- Соединить выводы: 3-ий – с 8-ым, 10-ым и 13-ым, 1-ый – с 5-ым и 12-ым, 2-ой – с 11-ым и 14-ым, 4-ый – с 7-ым и 9-ым.
Детектор на микроконтроллере

На этой схеме представлен искатель скрытой проводки на микроконтроллере PIC12F629. Его действие основано на чувствительности к магнитному полю, создаваемого током с проводником, скрытым в стене. В зависимости от того, какой способ индикации вы предпочитаете (свет или звук), вы можете включать в схему пьезоизлучатель или светодиодную лампочку. Поэтому об обнаружении магнитного поля скрытой проводки вы узнаете по загоревшей лампочке или характерному треску.
Данное устройство имеет неоспоримое преимущество: оно реагирует только на частоту 50 Гц – это частота переменного тока. Ошибочное срабатывание сигнала исключается: магнитное поле от источника с частотой меньше или больше указанной приводить в действие прибор не будет.
Сигнализатор скрытой проводки без батареек
 Детектор скрытой проводки своими руками, схема которого представлена выше, в качестве источника питания использует саму сеть. Это стало возможным благодаря использованию конденсатора с большой емкостью (на схеме С1). Зарядить его можно путем подключения прибора в сеть. Заряженный конденсатор выдает напряжение 6-10 В. Причем от его значения зависит только яркость светодиода, чувствительность прибора от этого не падает.
 Детектор скрытой проводки своими руками, схема которого представлена выше, в качестве источника питания использует саму сеть. Это стало возможным благодаря использованию конденсатора с большой емкостью (на схеме С1). Зарядить его можно путем подключения прибора в сеть. Заряженный конденсатор выдает напряжение 6-10 В. Причем от его значения зависит только яркость светодиода, чувствительность прибора от этого не падает.
Промышленные схемы профессиональных детекторов и их аналоги для самоделок
Изготовить в домашних условиях «Дятла»? Можно. Но он сложен в сборке, в которую включено множество элементов. А от вашей внимательности при прочтении схемы и точности исполнения будет зависеть качество работы аналога. Ниже приведены 2 схемы: первая промышленная, вторая – для самодельного «Дятла» (кликните по ним для увеличения).


Вы можете воспроизвести и YADITE 8848, варианты исполнения которого также приведены на двух электросхемах (также по клику увеличиваются).


Классификация приборов
Существует три основных вида детекторов скрытых кабелей:
- электростатические, одни из самых простых приборов;
- электромагнитные, которые реагируют не на все провода, а только на кабели с подключенной нагрузкой;
- детекторы металлов, определяющие наличие металлических деталей.
Ещё один часто встречающийся вариант – комбинированный искатель проводки, использующий для поиска сразу несколько способов. Каждый вид этих устройств имеет свои преимущества и недостатки. А, при наличии опыта и желания, все они могут быть изготовлены своими силами.
Электростатические искатели
Приборы этого типа позволяют обнаружить электромагнитное поле от находящейся под напряжением проводки. Конструкция этих искателей самая простая. А к особенностям работы с ними можно отнести:
- необходимость наличия тока в проводах. Если электричество отключено, кабели обнаружить не получится;
- работая с детектором, следует предварительно настроить подходящую чувствительность. Иначе можно не обнаружить слишком глубоко расположенную проводку или, наоборот, постоянно реагировать на ложные срабатывания;
- поиски проводов в отсыревших стенах или внутри конструкций со встроенной арматурой чаще всего не приводят к положительному результату.
Популярность приборов обусловлена их низкой стоимостью и приемлемой эффективностью. В списке часто покупаемых потребителями устройств этого типа есть известная модель Дятел Е121, и ряд других недорогих устройств. Однако сделать их своими руками тоже можно – это будет ещё дешевле по сравнению с покупкой уже готового прибора, и займёт не слишком много времени. Электростатический искатель
Электростатический искатель
Электромагнитные приборы
Сигнализаторы этого типа позволяют найти проводку по исходящему от неё электромагнитному излучению. Как и электростатическое оборудование, они обнаруживают скрытые кабели только под напряжением. Более того, для гарантированного обнаружения требуется, чтобы к этой линии был подключен какой-то электроприбор мощностью не меньше 1000 Вт – чего невозможно сделать, если скрытый провод не подключён к розетке.
Металлодетекторы
Детекторы металла можно назвать одними из самых эффективных искателей. С их помощью можно обнаружить провода даже при отключенном напряжении. Однако у них есть и определённый недостаток – вместе с поиском металлических кабелей приборы реагируют и на другой металл, который может оказаться внутри стены, пола или потолка. А, уменьшая чувствительность оборудования, можно просто не заметить достаточно заглублённый кабель.
Принцип действия оборудования основан на создании электромагнитного поля, вызывающего возмущения внутри металлического провода. Детектор реагирует на большинство металлов и может быть использован для поиска не только проводки, но и других скрытых деталей – от шурупов и болтов до арматуры. Стоимость такого прибора выше, и сделать его в домашних условиях труднее.
Комбинированные устройства
Оборудование комбинированного типа совмещает в себе сразу несколько (обычно – два) вида детекторов. Это заметно повышает эффективность поиска, позволяя гарантировать, что в месте сверления точно не будет ни одного скрытого кабеля. Одним из таких приборов является искатель TS-75, схема которого совмещает металлодетектор и электростатический вариант.
Топ 8 устройств. Рейтинг отзывов. Какой выбрать. Лучший искатель по мнению редакции
Рынок предлагает широкий ассортимент различных детекторов обнаружения проводов. Согласно отзывам потребителей можно составить рейтинг предлагаемых на рынке устройств и выбрать лучший из них.
ADA Wall Scaner 50
Определяет черные и цветные металлы, проводку и линии связи.
Глубина поиска: проводов(мм) — 50, металла – 50. Вес: 12г. Размеры: 225х130х30(мм).
Отзывы: хороший, непрофессиональный, определяет провода, но бывают ошибки, невысокая цена.
Dyi Duwi
Прибор вычисляет металл и проводку.
Глубина обнаружения: металл – 24 мм, провода – 30 мм. Питание: батарейки Крона.
Отзывы: хорошая комплектация, невысокая цена, однако бывают ошибки в поиске.
Rst tc 15
Прибор обнаруживает металл и кабель с током. Глубина поиска: металл – 38 мм, медь – 19 мм, кабель – 50 мм. Работает от батареек Крона. Имеется режим автовыключения и индикатор разрядки. Размеры: 115х70х50 (мм).
Отзывы: хороший прибор, приемлемая цена, точное определение проводки.
Bosch GMS 120
Устройство обнаруживает металл: черный и цветной, электрическую проводку. Глубина вычисления (мм): дерево – 38, металлы – 120, проводка – 50. Работает от батареек Крона. Размеры (мм): 120х80х50. Отзывы: прибор хороший, высокая цена.
DSL 8220
Обнаруживает закрытую проводку, линии связи, антенные провода. Имеет световое и звуковое оповещение. Вес 200 г. Размеры: 195х50х20 (мм). Глубина поиска до 20 мм. Работает от батареек Крона. Отзывы: хороший прибор, невысокая цена, ошибки в работе.
Зубр Мастер
Отыскивает металлы: черные и цветные, проводку. Глубина вычисления: металла: 20 мм, проводки 50 мм. Работает от батареек Крона. Размеры (мм): 180х36х33. Максимальное время работы 6 ч. Имеются звуковые сигналы и режим автовыключения. Отзывы: плохой прибор, невысокая цена.
Fit 565 30
Прибор вычисляет провода, металлы, дерево. Глубина вычисления: дерево – до 19 мм, провода – 50 мм, металл – до 50 мм. Работает от батарейки 9В типа А. Габариты: 165х80х30 (мм). Отзывы: хороший прибор, низкая стоимость.
ADA Wall Scaner 120
Обнаруживает металлы, провода. Глубина вычисления проводов – 50 мм, металлов -120 мм. Батарейки крона. Вес: 200 г. Размеры, мм: 258х168х57. Отзывы: плохой прибор, высокая стоимость.
Ниже приведена сравнительная таблица.
Таблица 1. Обзор обнаружителей скрытых линий питания
| Наименование | Цена | Плюсы | Минусы | Производитель | Отзывы | 
| Ada Wall Scaner 50 | От 799 руб. | Компактный, легкий, приемлемая цена, многофункциональный (обнаруживает металл), имеется и световая и звуковая сигнализация | Бывают помехи в поиске, не обнаруживает провода глубже 5 см | Китай | Прибор по приемлемой цене, бывают огрехи в поиске | 
| Bosch Gms 120 Professional | От 5 000 руб. | Обнаружение проводки на глубине до 12 см, точность поиска, компактный корпус | Высокая цена | Малайзия | Прибор надежный и точный, завышена цена | 
| Зубр Мастер | От 1 200 руб. | Приемлемая цена, наличие цветных индикаторов при обнаружении различных классов объектов, измеритель уровня глубины залегания | Тихий звук, дисплей ЖК с маленьким углом обзора | Китай | Неточно определяет расположение проводки | 
| Ada Wall Scaner 120 prof a 00485 | От 4 000 руб. | Удобно использовать, качественные материалы | Ошибочные показатели, быстрое разряжение батареи | Китай | Ошибки в работе, высокая цена | 
| Dsl 8220s | От 700 руб. | Невысокая цена, определение фазного провода, компактный и защищенный от воды корпус | Иногда ошибочное определение расположения проводки | Россия | Хорошее устройство по приемлемой цене | 
| Fit 56530 | От 200 руб. | Недорогой, определяет обрыв провода, напряжение, магнитное поле | Бывают сбои в работе | Китай | Частые ошибки в работе | 
| Rst tc 15 | От 1 400 руб. | Дисплей LCD, функция автовыключения, функция обнаружения металла | Быстрый разряд батареи | Китай | Хороший точный прибор | 
| Dyi Duwi | От 400 руб. | Компактная упаковка, низкая цена, звуковая и световая сигнализация | Нет батарейки в комплекте, не запоминает последний режим | Китай | Стоит своих денег | 
Приобретая детектор, стоит обратить внимание на:
- Выполняемые функции.
- Наличие дополнительных возможностей.
- Глубину обнаружения.
Согласно отзывам потребителей, лучшим детектором является «Rst tc 15» Он точно определяет место, где пролегают провода, и продается по приемлемой цене.
Нестандартные способы
Напоследок, стоит описать пару необычных приборов для поиска скрытой проводки, которые могут сделать даже люди, не обладающие знаниями в электронике. Если в доме имеется обычный компас, то это уже готовый индикатор проводки. Перед употреблением проводку следует хорошенько нагрузить, и по отклонению стрелки компаса ищите местонахождение провода.
Второй способ более эффективный, тоже используется сила магнита. На кусок нитки привязывается постоянный магнит, лучше из неодима, и медленно проводится вдоль стены. Там где будет проходить кабель или арматура, магнит отклонится. Происходит это по причине генерации электрическим током магнитного тока. Так элементарные знания физики магнитных явлений помогают найти спрятанные провода.
Прибор на основе К561ТЛ1
В отличие от предыдущего варианта, искателя проводки на основе К561ТЛ1, кроме звуковой сигнализации, имеет световую индикацию.

Суть работы заключается в следующем. Когда антенна подносится к токоведущему проводу, происходит наведение в ней электродвижущей силы частотой 50 Гц. Этот сигнал поступает на операционный усилитель, после этого на светодиод и вход микросхемы К561ТЛ1 с пьезокерамическим излучателем на выходе. Это приводит к запуску генератора звуковой частоты и мерцанию светодиода.
Антенна изготавливается из одностороннего фольгированного стеклотекстолита размером 55×12 мм. Первоначальная чувствительность устанавливается переменным резистором R2. При правильном монтаже устройство, разработка С. Стахова (г. Казань), в наладке не нуждается.
Примеры и сравнение популярных моделей
В продаже можно найти разные детекторы заводского производства.
- Искатель скрытой электропроводки «Дятел». Он представляет собой многофункциональный прибор для работы с электрическими сетями. Тестер скрытой проводки входит в его конструкцию. В сложном инструменте «Дятел» соединены сразу несколько незаменимых гаджетов. Устройство имеет 4 уровня восприимчивости. Самый высокий позволяет находить электропроводку и металлические предметы на глубине до 700 мм. Погрешность местонахождения проводника составляет 10 мм. Несмотря на столь высокие показатели, цена этого детектора не превышает 2 000 рублей. Возможно потому, что он отечественный.
Инструмент «Дятел» представляет собой многофункциональный прибор, одним из предназначений которого является поиск замурованных в стену проводов
Металлодетектор и индикатор электропроводки Bosch GMS 120 Professional находит провода под напряжением на глубине 50 мм
Прибор управляется всего одной кнопкой и находит провода на глубине до 70 мм
Прибор LUX-TOOLS недорого стоит и может определить место расположения проводов в городской квартире
Этот прибор поможет отыскать не только провода, но и деревянные конструкции
Детектор Skil 0550 AA может определять глубоко заложенные провода, а также металлические и деревянные предметы
Этот детектор поможет отыскать провода под напряжением и металлические конструкции (например, арматуру в бетоне при сверлении)
↑ Доработанная схема детектора скрытой проводки

Тогда я решил попробовать добавить полевой транзистор на вход устройства, как у заводского устройства «Дятел Е-121». После этого результатом я остался очень доволен. Прибор получился чувствительным, и довольно точным для самоделки. Плюс, с питанием от аккумулятора, который заряжается от любой смартфонной зарядки с микро-USB.
Прибор видит приблизительно на 30 — 50 мм в стене. Многое зависит от интенсивности тока в проводнике, от материала стен и т.д. Кроме того, электрики говорят, что к любому подобному прибору надо приноровиться. Пишу статью, ибо такой прибор – это весьма удобная, полезная и простая в сборке конструкция, которая пригодится любому домашнему умельцу.
Принцип действия и виды устройств
Индикаторы проводки в стене относятся к измерительным приборам. По-другому их называют: детекторы, искатели, определители или сигнализаторы. Существуют различные методики поиска заложенной электросети. В зависимости от них выпускаются различного принципа действия устройства. Единственно, что объединяет различного вида приборы, это их сигнализационные свойства. При фиксации определённого типа сигнала они обязаны оповестить пользователя о его обнаружении.
Сигнализаторы проводки разделяются по принципу своей работы на следующие типы:
- определяющие электростатический сигнал;
- обнаруживающие электромагнитные колебания;
- работающие по аналогии с детекторами металлов;
- комбинированные.
В зависимости от своей функциональности и точности показаний различается и цена на приборы регистрации. К дополнительным возможностям устройств относится вид индикации и удобность использования. В качестве индикаторов применяются жидкокристаллические экраны или светодиодные столбики, а также звукооповещение. К удобствам использования относят: автоматическую калибровку, таймер отключения, простоту управления, габариты, и вес.
Электростатический детектор
Устройства такого типа используют в работе регистрацию излучения электромагнитного поля образованного вокруг проводника тока, который находится под напряжением. Такой подход является самым распространённым способом детектирования скрытой проводки. Недостаток такого метода в том, что при повреждённой или обесточенной проводке использовать прибор бесполезно. Также при работе возникает сложность в его настройке.
Все электростатические детекторы оборудуются подстройкой уровня восприимчивости сигнала. При малом уровне вероятность нахождения глубоко проложенного провода низкая, а при наибольшем возможны ложные срабатывания. А также наличие металлизации в исследуемом объекте и повышенная влажность приводит к искажениям результата измерений из-за их экранирующих свойств.
Электромагнитный прибор
Это такой вид прибора, принцип действия которого основан на обнаружении электромагнитного излучения, возникающего в проводнике тока. Такое устройство состоит из датчика, антенны и усиливающей схемы. Недостатками бытовых приборов является слабая способность к восприимчивости электромагнитного поля. Для хорошей работы такого устройства необходима нагрузка на линию электропередачи минимум один киловольт. Таким образом, использование его в быту неэффективно.
Часто такие приборы оборудованы ЖК-экраном, на которые выводятся результаты измерения электрического поля и напряжённости магнитного поля, а частота излучения звукового сигнала сообщает об удалённости от проводника. Достоинством прибора является высокая точность полученных результатов, а недостатки те же, что и у электростатического детектора. При этом основным является невозможность обнаружить кабель при его обрыве.
Использование металлоискателя
Такой искатель, направленный на обнаружение металлических элементов, из всех видов устройств отличается простотой действия, но и наименьшей эффективностью нахождения.
Работа металлоискателя построена на использование генератора, который возбуждает колебания в катушке индуктивности определённой частоты. Магнитный поток, проходя через катушку, создаёт на ней электродвижущую силу (ЭДС). Если провод попадает в поле действия катушки, то на её выходе наводится электрический сигнал. Чем ближе провод находится к катушке, тем больше величина наведённого сигнала. Этот уровень сигнала усиливается в приборе и сравнивается с опорным напряжением, выставленным в устройстве. По результатам сравнения формируются импульсы разной длительности, поступающие на звуковую часть.
Главным преимуществом такого типа поиска является возможность находить кабель без его подключения к сети. Однако именно такого типа приспособления сложны в изготовлении своими руками. К их недостаткам относится то, что устройство реагирует на любой металлизированный элемент в стене, будь то арматура, гвоздь или другой предмет подобного типа.
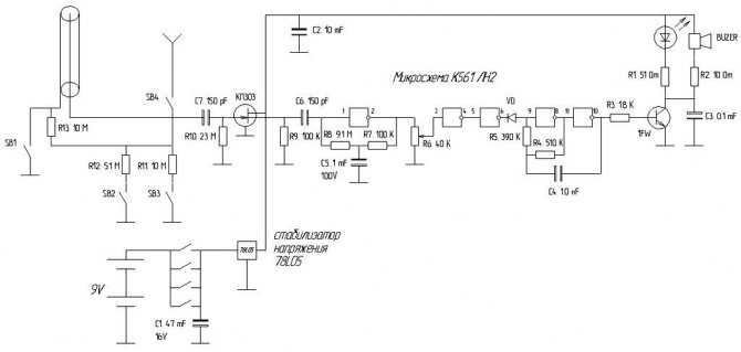
Универсальный детектор проводки
Для создания универсального сигнализатора скрытой проводки понадобятся знания в области радиостроения. Прибор конструируется на двух независимых блоках. Первый — искатель проводки под напряжением, второй — металлодетектор. Таким образом, вы сможете отыскать проводку, спрятанную в стальной металлоконструкции, или кабель, на который не подано напряжение сети. Устройство выполняет дополнительные задачи, связанные с поиском обесточенных проводов, арматуры, гвоздей и прочих металлических вещей.
Основная часть прибора состоит из двух усилителей КР140УД1208. В данном случае не используется звуковой сигнализатор. Транзистор КТ315 применяется для создания генератора высоких частот, а переменное сопротивление R6 помогает ему перейти к режиму возбуждения. Сигнал на выходе генератора выпрямляется за счет диода КД522. Компаратор, созданный на базе усилителя КР140УД1208ОУ, при помощи этого сигнала переводит генератор звуковых сигналов (К561ЛЕ5) в режим ожидания. При этом светодиод гаснет.
Вращая переменное сопротивление R6, транзистор КТ315 переходит в другой режим работы, близкий к порогу генерации. Состояние контролируется световым индикатором и звуковым генератором. Они будут выключены. Чтобы найти проводку, переместите прибор ближе к стене. Когда антенна из индуктивных катушек L1 и L2 окажется вблизи металла, изменится магнитное поле. Это приведет к срыву генерации, запуску компаратора и зажиганию светодиода. Пьезоизлучатель сформирует звук, частота которого соответствует 1000 Гц.
Схемы самоделок
Можно придумать много вариантов исполнения детектора скрытой проводки. Схемы одних устройств простые и понятные для школьника, схемы других доступны для бывалого электротехника.
Они отличаются между собой количеством и видами элементов: смотрите, что есть у вас на руках, и исходя из этого выбирайте схему.
Схема со звуковым индикатором

Данный бесконтактный индикатор скрытой проводки базируется на микросхеме К561ЛА7. Чтобы уберечь ее от высокого напряжения, созданного статическим электричеством, потребуется резистор в 1 МОм (на схеме R1). Питается устройство от кроны (9В). В качестве антенны подойдет медная проволока или любой металлический стержень длиной от 5 до 15 см. Золотая середина – 10 см
Важно, чтобы проволока не прогибалась под собственным весом
Если поднести собранное устройство к проводу под напряжением, то будет слышен звук, напоминающий треск. Это возможно благодаря наличию пьезоизлучателя (на схеме ЗП-3), увеличивающему громкость. Искать этим детектором можно не только скрытую проводку, но и перегоревшую лампочку в гирлянде. Узнать о ее расположении можно по тому, что возле нее треск прекращается.
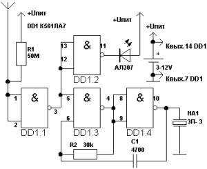
Схема со звуковым и световым индикатором

Это устройство может питаться от батареек напряжением от 3 до 12 В. Для ограничения тока использован резистор R1, сопротивление которого не должно опускаться ниже 50 МОм. Но для светодиода (обозначен АЛ307
) такого резистора не предусмотрено: он не нужен, потому что используемая микросхема (К561ЛА7) сделает все сама. При приближении искателя к проводу под напряжением будет слышен не только шум, но и будет загораться светодиод. Двойная индикация надежнее.
Двухэлементный индикатор

Вам понадобится только микросхема и светодиод. Для сборки подойдут DD1 и HL1 соответственно. Вся цель работы заключается в том, чтобы соединить выводы микросхемы так, чтобы получилось три инвертора в цепочке. Такой искатель скрытой проводки своими руками усиливает токи, которые наводит на устройство поле переменного тока в проводах, скрытых стеной. В результате при приближении к проводке загорается светодиодная лампочка, и при удалении или разрыве цепи – гаснет.
Вариантов исполнения 2:
- Соединить выводы: 3-ий – с 8-ым и 13-ым, 2-ой – с 10-ым, 4-ый – с 7-ым и 9-ым, 1-ый – с 5-ым, 11-ый – с 14-ым;
- Соединить выводы: 3-ий – с 8-ым, 10-ым и 13-ым, 1-ый – с 5-ым и 12-ым, 2-ой – с 11-ым и 14-ым, 4-ый – с 7-ым и 9-ым.
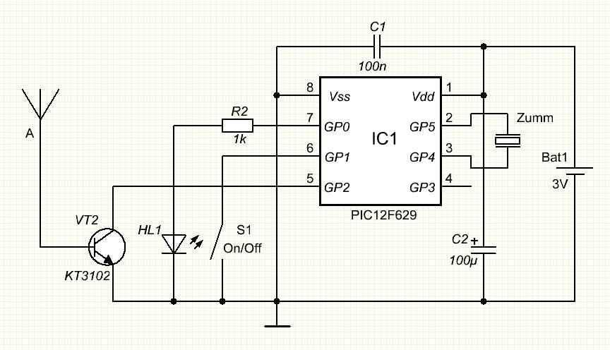
Детектор на микроконтроллере

На этой схеме представлен искатель скрытой проводки на микроконтроллере PIC12F629. Его действие основано на чувствительности к магнитному полю, создаваемого током с проводником, скрытым в стене. В зависимости от того, какой способ индикации вы предпочитаете (свет или звук), вы можете включать в схему пьезоизлучатель или светодиодную лампочку. Поэтому об обнаружении магнитного поля скрытой проводки вы узнаете по загоревшей лампочке или характерному треску.
Данное устройство имеет неоспоримое преимущество: оно реагирует только на частоту 50 Гц – это частота переменного тока. Ошибочное срабатывание сигнала исключается: магнитное поле от источника с частотой меньше или больше указанной приводить в действие прибор не будет.
Сигнализатор скрытой проводки без батареек

 Детектор скрытой проводки своими руками, схема которого представлена выше, в качестве источника питания использует саму сеть. Это стало возможным благодаря использованию конденсатора с большой емкостью (на схеме С1). Зарядить его можно путем подключения прибора в сеть. Заряженный конденсатор выдает напряжение 6-10 В. Причем от его значения зависит только яркость светодиода, чувствительность прибора от этого не падает.
Промышленные схемы профессиональных детекторов и их аналоги для самоделок
Изготовить в домашних условиях «Дятла»? Можно. Но он сложен в сборке, в которую включено множество элементов. А от вашей внимательности при прочтении схемы и точности исполнения будет зависеть качество работы аналога. Ниже приведены 2 схемы: первая промышленная, вторая – для самодельного «Дятла» (кликните по ним для увеличения).

Вы можете воспроизвести и YADITE 8848, варианты исполнения которого также приведены на двух электросхемах (также по клику увеличиваются).

↑ Доработанная схема детектора скрытой проводки
Тогда я решил попробовать добавить полевой транзистор на вход устройства, как у заводского устройства «Дятел Е-121». После этого результатом я остался очень доволен. Прибор получился чувствительным, и довольно точным для самоделки. Плюс, с питанием от аккумулятора, который заряжается от любой смартфонной зарядки с микро-USB.Прибор видит приблизительно на 30 — 50 мм в стене.
Многое зависит от интенсивности тока в проводнике, от материала стен и т.д. Кроме того, электрики говорят, что к любому подобному прибору надо приноровиться. Пишу статью, ибо такой прибор – это весьма удобная, полезная и простая в сборке конструкция, которая пригодится любому домашнему умельцу.
Малогабаритный металлодетектор
Детектор предназначен для поиска скрытой проводки, арматуры и других металлических предметов.
 Основное отличие от предыдущих моделей, не требуется самому наматывать катушки индуктивности. Вместо них используется обмотка реле. В основе работы искателя лежит задача выделения разностной частоты двух генераторов, когда при приближении к металлическому предмету один генератор для поиска (LC) изменяет свою частоту колебаний.
Основное отличие от предыдущих моделей, не требуется самому наматывать катушки индуктивности. Вместо них используется обмотка реле. В основе работы искателя лежит задача выделения разностной частоты двух генераторов, когда при приближении к металлическому предмету один генератор для поиска (LC) изменяет свою частоту колебаний.
В состав металлоискателя входят LC и RC-генераторы, буферный каскад, смеситель, компаратор и выходной каскад.
Частоты RC и LC-генераторов подбираются примерно одинаковыми, тогда, пройдя через смеситель, на выходе будет уже три частоты. Третья равна разности частот RC и LC-контуров.

С выходного элемента меандр через емкость С5 поступает на телефон, у которого сопротивление должно быть примерно 0,1 КОм. Так как емкость и активное сопротивление телефона образуют диффенцирующую RC цепочку, то на подъеме и спаде меандра будет образовываться импульс. В результате человек услышит щелчки с частотой в два раза превышающую разностную.
Обнаружение скрытой проводки будет выявляться по изменению частоты звука. Катушка берется из реле РЭС 9, при этом подвижные элементы удаляются. Так как реле содержит 2 катушки с различными сердечниками, общие выводы обмоток надо соединить с емкостью С1, а сердечник и корпус переменного сопротивления, — с общей шиной.
В качестве печатной платы используется двусторонний фольгированный гетинакс или стеклотекстолит. Детали искателя следует размещать на одной стороне, вторую сторону вытравливать не надо, ее нужно соединить с общей шиной прибора.
На второй стороне закрепляется батарея, катушка индуктивности из реле.
 Плата устанавливается в любой неметаллический корпус, где крепится разъем для телефона. Наладка металлоискателя начинается с подгонки частоты LC-генератора подбором емкости С1. Частота должна находиться в диапазоне 60-90 кГц.
Плата устанавливается в любой неметаллический корпус, где крепится разъем для телефона. Наладка металлоискателя начинается с подгонки частоты LC-генератора подбором емкости С1. Частота должна находиться в диапазоне 60-90 кГц.
Затем меняем емкость конденсатора С2 до тех пор, пока в телефоне не появится звук. При регулировке сопротивления в разные стороны звук должен изменяться.
Комбинированный искатель скрытой проводки
Этот прибор представляет собой «два в одном» может работать как в режиме поиска по электромагнитному излучению, так и как металлоискатель.
Вот его схема:

 Комбинированный детектор проводки
Выбор режимов осуществляется переключателем S 1, который может подать напряжение на тот или иной блок, рассмотрим их по очереди.
Блок металлоискателя
Он расположен в верхней части (по схеме на данный момент отключен) и состоит из следующих узлов:
Магнитной антенны на ферритовом стержне (WA 1);

 Магнитная антенна
Генератора собранного на транзисторе КТ315 (VT 1) и второй катушке магнитной антенны (L2);

 Транзистор КТ 315
Блока приемника на первой катушке магнитной антенны (L1), конденсаторе С2 с детектором на диоде КД522 (VD1);
Диод КД522

 Цоколевка диодов
Усилителя на микросхеме 140УД12 (DA1);

 Микросхемы К140 УД 12 на плате
- Индикатора в виде светодиода КИПМО1Б (вместо него можно использовать и другие, например АЛ 307);
- Генератора импульсов продолжительностью до секунды на базе двух логических элементов цифровой микросхемы простейшей логики 561ЛЕ5 (D1 1; D 1 2);
- Генератора звуковой частоты на двух оставшихся элементах микросхемы;
- Пьезокерамического излучателя ЗП-1 (ВА 1).

 Пьезокерамические излучатели, они встречаются почти во всех небольших приборах со звуковой сигнализацией
Как работает схема металлоискателя
Генератор настраивается на частоту близкую к порогу пропускания приемника. Для этого служат подстроечные резисторы R2 и R6.
- При наличии рядом металла, настройки контуров генератора и приемника изменяются, и сигнал генератора проходит через частотный фильтр приемника.
- Дополнительно операционный усилитель — компаратор DA 1 имеет порог срабатывания по сравнению с напряжением, подаваемым от делителя на резисторах R9, R10 на его второй вход. Если это значение превышено он начинает работать. Сигнал усиливается операционным усилителем до уровня достаточного, чтобы быть воспринятым генератором на D1, D2 как логическая единица и запустить его. На выход усилителя также подключен светодиод HL 1, который своим зажиганием свидетельствует об обнаружении проводки.
- Сигнал с первого генератора периодически запускает генератор звуковой частоты на D3, D4. Подключенный на выходе генератора пьезокерамический излучатель издает прерывистый сигнал.
Блок поиска по магнитному полю
Для его запуска нужно установить переключатель S 1 во второе положение. Этот узел значительно проще. Он собран на втором операционном усилителе DA 2.
К его входу подключена антенна, на выходе установлен второй светодиод HL 2. При наличии наводки (сигнала) на антенне усилитель поднимет его уровень и зажигает подключенный светодиод.
Сборка прибора
Здесь советов давать не будем, так инструкция по сборке бесполезна, приемы те же что и при монтаже всех радиоэлектронных устройств. Навесом сделать его трудно, лучше использовать печатную плату.
Радиолюбители сами знают, как все сделать. Но есть одно замечание — для стабильной работы нужно как можно дальше разнести магнитную и обычную антенны.

 Собранный прибор в действии

 
            




























