Опыты холостого хода и короткого замыкания
| Электроснабжение сельскохозяйственных потребителей — Cиловые трехфазные и однофазные трансформаторы |
Точное значение коэффициента трансформации представляет собой отношение э.дс. обмотки высшего напряжения к э.д.с. обмотки низшего напряжения независимо от того, какая из обмоток первичная и какая вторичная.
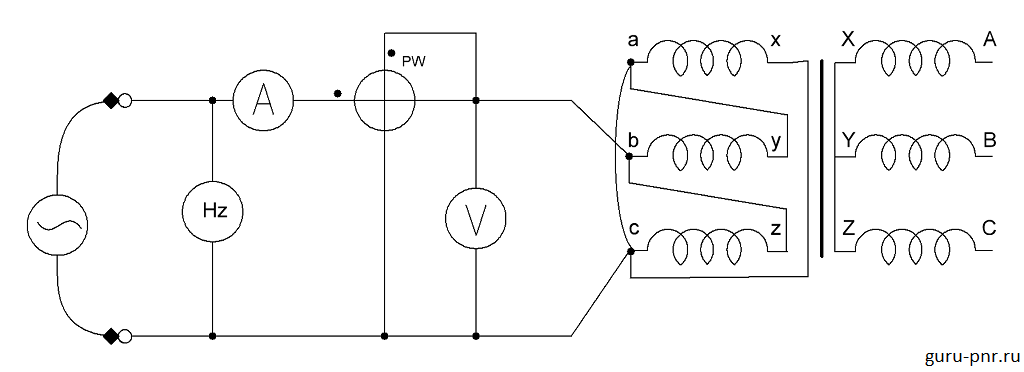
Опыт холостого хода (рис. 11.4, а) используют для определения коэффициента трансформации. При этом обмотку низшего напряжения подключают к устройству (потенциал — регулятор), позволяющему в широких пределах изменять напряжение, подводимое к трансформатору, а обмотку высшего напряжения размыкают.
С целью определения коэффициента трансформации к обмотке низшего напряжения достаточно подвести напряжение 0,1 UH для трансформаторов малой мощности и (0,33…0,5) UH для трансформаторов большой мощности. Падение напряжения в первичной обмотке весьма мало. С допустимой точностью можно принять, что E1 = U1 и Е2 = U2, так как ток во вторичной обмотке практически равен нулю.
Из опыта холостого хода трансформатора определяют также зависимости тока холостого хода Ix, потребляемой мощности Рх и коэффициента мощности cosφ от значения подводимого напряжения U1, при разомкнутой вторичной обмотке, то есть при I2 = 0. Ток холостого хода силовых трансформаторов составляет от 10 (для маломощных трансформаторов) до 2% (для мощных трансформаторов) номинального. При снятии характеристик холостого хода подводимое напряжение изменяют в пределах от 0,6 до 1,2 UH таким образом, чтобы получить 6…7 показаний. На рисунке 11.4,6 дан примерный вид характеристик холостого хода.
Мощность холостого хода характеризует электрическую энергию, расходуемую в самом трансформаторе, так как со вторичной обмотки энергию при этом не потребляют. Энергия в трансформаторе расходуется на нагрев обмоток проходящим по ним током и нагрев стали сердечника (вихревые токи и гистерезис). Потери на нагрев обмоток (потери в обмотках) при холостом ходе ничтожно малы. Практически можно считать, что все потери холостого хода сосредоточены в стали сердечника и идут на его нагрев.
Коэффициент мощности трансформатора определяют по формуле
. Px
cosφ = ——————. (11.3)
. 3Ux.фIk
где Рх — полная мощность, потребляемая трансформатором при холостом ходе (сумма показаний двух ваттметров, приведенных на рисунке 11.4, а); Uх.ф и Ix — средние значения фазных напряжения и тока.
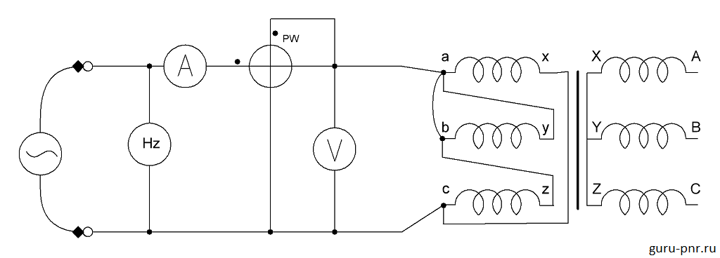
Опыт короткого замыкания проводят по схеме, изображенной на рисунке 11.5, а. К обмотке низшего напряжения подводят напряжение, при котором в обмотке высшего напряжения, замкнутой накоротко, протекает номинальный ток. Это напряжение называют напряжением короткого замыкания еk%;его значение приводят в паспорте трансформатора в процентах номинального.
Так как в этом опыте из-за малого напряжения, подведенного к обмотке низшего напряжения, магнитный поток в сердечнике весьма незначителен и сердечник не нагревается, то считают, что вся потребляемая трансформатором при опыте короткого замыкания мощность затрачивается на электрические потери в проводниках обмоток. Характеристики короткого замыкания (рис. 11.5,6) представляют собой зависимости потребляемого тока Ik мощности Pk и коэффициента мощности cosφ, от подведенного напряжения при замкнутой вторичной обмотке. Значение подводимого напряжения находится в пределах 5…10% номинального. Коэффициент мощности определяют так:
. Pk
cosφk = ——————. (11.4)
. 3Ux.фIk
Сумма показаний ваттметров дает значение потерь в трансформаторе, которые вызывают нагрев обмоток. Мощность, показываемая ваттметром,
Pk = Pm1 + Pm2 = 3I12 + 3I22R2,
где R1 и R2—сопротивления первичной и вторичной обмоток трансформатора.
Напряжение короткого замыкания, при котором во вторичной обмотке протекает ток, равный номинальному, выражают в процентах номинального:
. Uk.ф
ek% = ————100. (11.6)
. Uн.ф
Напряжение короткого замыкания — важная характеристика трансформатора. По этой величине делают вывод о возможности параллельной работы трансформаторов, по ней и ее составляющим определяют изменения вторичного напряжения трансформатора при изменении нагрузки. Используя эту величину, находят токи короткого замыкания в условиях эксплуатации.
| < Предыдущая | Следующая > |
|---|
| Похожие материалы: |
|---|
|
Неравенство — напряжение — короткое замыкание
Неравенство напряжений короткого замыкания вызовет распределение нагрузки между параллельно включенными трансформаторами, непропорциональное их номинальным мощностям. Такое же распределение нагрузок возникает и при неодинаковых коэффициентах трансформации включаемых на параллельную работу трансформаторов. Коэффициент трансформации может быть при необходимости изменен, если эксплуатационные условия потребуют этого. Для изменения коэффициента трансформации предусматриваются ответвления у трансформаторных обмоток.
При неравенстве напряжений коротких замыканий параллельная работа трансформаторов нежелательна, так как нельзя получить полной мощности от этих трансформаторов.
При неравенстве напряжений коротких замыканий параллельная работа трансформаторов нежелательна, так как нельзя получить полной мощности этих трансформаторов. При номинальной нагрузке трансформатора с меньшим напряжением короткого замыкания трансформатор с большим напряжением короткого замыкания будет недогружен. Если же трансформатор с большим напряжением короткого замыкания нагрузить номинальной мощностью, то трансформатор с меньшим напряжением короткого замыкания окажется перегруженным и длительно работать не сможет.
При неравенстве напряжений короткого замыкания двух трансформаторов один из них будет перегружаться, а другой недогружаться. Различие в напряжениях короткого замыкания допускается не более 10 % их среднего значения.
При неравенстве напряжений коротких замыканий параллельная работа трансформаторов нежелательна, так как нельзя получить отдачи полной мощности этими трансформаторами. При номинальной нагрузке трансформатора с меньшим напряжением короткого замыкания трансформатор с большим напряжением короткого замыкания будет недогружен. Если же трансформатор с большим напряжением короткого замыкания нагрузить номинальной мощностью, то трансформатор с меньшим напряжением короткого замыкания окажется перегруженным и длительно работать не сможет.
При неравенстве напряжений коротких замыканий параллельная работа трансформаторов нежелательна, так как нельзя получить полной мощности этих трансформаторов. При номинальной нагрузке трансформатора с меньшим напряжением короткого замыкания трансформатор с большим напряжением короткого замыкания будет недогружен. Если же трансформатор с большим напряжением короткого замыкания нагрузить номинальной мощностью, то трансформатор с меньшим напряжением короткого замыкания окажется перегруженным и длительно работать не сможет.
При неравенстве напряжений коротких замыканий нагрузка между параллельно работающими трансформаторами распределяется неравномерно, и трансформатор с меньшим напряжением короткого замыкания нагружается в большей мере, чем трансформатор с большим напряжением короткого замыкания.
|
Определение распределения тока по внешним характеристикам при параллельной работе трансфорыа. |
Это выражение показывает, что при неравенстве напряжений короткого замыкания относительные токи трансформаторов обратно пропорциональны напряжениям короткого замыкания. Поэтому при повышении нагрузки раньше других достигает номинальной мощности трансформатор, имеющий меньшее напряжение короткого замыкания. Дальнейшее увеличение общей нагрузки трансформаторов недопустимо, иначе первый трансформатор будет перегружаться, вследствие чего установленная мощность трансформаторов остается недоиспользованной.
Это выражение показывает, что при неравенстве напряжений короткого замыкания относительные токи трансформаторов обратно пропорциональны напряжениям короткого замыкания.
Напряжения короткого замыкания, их активные и реактивные составляющие определяют распределение нагрузки между трансформаторами при их параллельной работе. При неравенстве напряжений короткого замыкания нагрузка между параллельно работающими трансформаторами распределяется неравномерно и трансформатор с меньшим напряжением короткого замыкания нагружается в большей мере, чем трансформатор с большим напряжением короткого замыкания.
Напряжения короткого замыкания, их активные и реактивные составляющие определяют распределение нагрузки между трансформаторами при их параллельной работе. При неравенстве напряжений короткого замыкания нагрузка между параллельно работающими трансформаторами распределяется неравномерно и трансформатор с меньшим напряжением короткого замыкания нагружается в большей мере, чем трансформатор с большим напряжением короткого замыкания.
Как проводится опыт холостого хода
При проведении опыта холостого хода появляется возможность определить следующие характеристики агрегата:
- коэффициент трансформации;
- мощность потерь в стали;
- параметры намагничивающей ветви в замещающей схеме.
Для опыта на устройство подаётся номинальная нагрузка.
При проведении опыта холостого хода и расчёте характеристик на основе данной методики необходимо учитывать разновидность устройства.
В данном состоянии трансформатор обладает нулевой полезной мощностью по причине отсутствия на выходной катушке электротока. Поданная нагрузка преобразуется в потери тепла на входной катушке I02×r1 и магнитные потери сердечника Pm. По причине незначительности значения потерь тепла на входе, их в большинстве случае в расчёт не принимают. Поэтому общее значение потерь при холостом ходе определяется магнитной составляющей.
Далее приведены особенности расчёта характеристик для различных видов трансформаторов.
Для однофазного трансформатора
Опыт холостого хода для однофазного трансформатора проводится с подключением:
- вольтметров на первичной и вторичной катушках;
- ваттметра на первичной обмотке;
- амперметра на входе.
Приборы подключаются по следующей схеме:
Для определения электротока холостого хода Iо используют показания амперметра. Его сравнивают со значением электротока по номинальным характеристикам с использованием следующей формулы, получая итог в процентах:
Iо% = I0×100/I10.
Чтобы определить коэффициент трансформации k, определяют величину номинального напряжения U1н по показаниям вольтметра V1, подключённого на входе. Затем по вольтметру V2 на выходе снимают значение номинального напряжения U2О.
Коэффициент рассчитывается по формуле:
K = w1/w2 = U1н/ U2О.
Величина потерь составляет сумму из электрической и магнитной составляющих:
P0 = I02×r1 + I02×r0.
Но, если пренебречь электрическими потерями, первую часть суммы можно из формулы исключить. Однако незначительная величина электрических потерь характерна только для оборудования небольшой мощности. Поэтому при расчёте характеристик мощных агрегатов данную часть формулы следует учитывать.
Потери холостого хода для трансформаторов мощностью 30-2500 кВА
Для трёхфазного трансформатора
Трёхфазные агрегаты испытываются по аналогичной схеме. Но напряжение подаётся отдельно по каждой фазе, с соответствующей установкой вольтметров. Их потребуется 6 единиц. Можно провести опыт с одним прибором, подключая его в необходимые точки поочерёдно.
При номинальном напряжении электротока обмотки более 6 кВ, для испытания подаётся 380 В. Высоковольтный режим для проведения опыта не позволит добиться необходимой точности для определения показателей. Кроме точности, низковольтный режим позволяет обеспечить безопасность.
Применяется следующая схема:
Работа аппарата в режиме холостого хода определяется его магнитной системой. Если речь идёт о типе прибора, сходного с однофазным трансформатором или бронестержневой системе, замыкание третьей гармонической составляющей по каждой из фаз будет происходить отдельно, с набором величины до 20 процентов активного магнитного потока.
В результате возникает дополнительная ЭДС с достаточно высоким показателем – до 60 процентов от главной. Создаётся опасность повреждения изолирующего слоя покрытия с вероятностью выхода из строя аппарата.
Предпочтительнее использовать трехстержневую систему, когда одна из составляющих будет проходить не по сердечнику, с замыканием по воздуху или другой среде (к примеру, масляной), с низкой магнитной проницаемостью. В такой ситуации не произойдёт развитие большой дополнительной ЭДС, приводящей к серьёзным искажениям.
Для сварочного трансформатора
Для сварочных трансформаторов холостой ход – один из режимов их постоянного использования в работе. В процессе выполнения сварки при рабочем режиме происходит замыкание второй обмотки между электродом и металлом детали. В результате расплавляются кромки и образуется неразъёмное соединение.
После окончания работы электроцепь разрывается, и агрегат переходит в режим холостого хода. Если вторичная цепь разомкнута, величина напряжения в ней соответствует значению ЭДС. Эта составляющая силового потока отделяется от главного и замыкается по воздушной среде.
Чтобы избежать опасности для человека при нахождении аппарата на холостом ходу, значение напряжения не должно превышать 46 В. Учитывая, что у отдельных моделей значение данных характеристик превышает указанное, достигая 70 В, сварочный агрегат выполняют со встроенным ограничителем характеристик для режима холостого хода.
Понятие потерь
При работе установки часть мощности поступает на первичный контур. Она рассеивается в системе. Поэтому поступающая мощность в нагрузку определяется на меньшем уровне. Разница составляет суммарное снижение мощности в трансформаторе.
Существует два вида причин, из-за которых происходит рост потребление энергии оборудованием. На них влияют различные факторы. Их делят на такие виды:
- Магнитные.
- Электрические.
Их следует понимать, дабы иметь возможность снизить электрические потери в силовом трансформаторе.
Магнитные потери
В первом случае потери в стали магнитопривода состоят из вихревых токов и гистериза. Они прямо пропорциональны массе сердечника и его магнитной индукции. Само железо, из которого выполнен магнитопривод, влияет на эту характеристику. Поэтому сердечник изготавливают из электротехнической стали. Пластины делают тонкими. Между ними пролегает слой изоляции.
Электрические потери
Снижение мощности может определяться в обмотках при их нагреве током. В сетях на такие затраты приходится 4-7% от общего количества потребляемой энергии. Они зависят от нескольких факторов. К ним относятся:
- Электрическая нагрузка системы.
- Конфигурация внутренних сетей, их длина и размер сечения.
- Режим работы.
- Средневзвешенный коэффициент мощности системы.
- Расположение компенсационных устройств.
Потери мощности в трансформаторах являются величиной переменной. На нее влияет показатель квадрата тока в контурах.
Разные виды трансформаторов и их коэффициенты
Хотя конструктивно преобразователи мало чем отличаются друг от друга, назначение их достаточно обширно. Существуют следующие виды трансформаторов, кроме рассмотренных:
- силовой;
- автотрансформатор;
- импульсный;
- сварочный;
- разделительный;
- согласующий;
- пик-трансформатор;
- сдвоенный дроссель;
- трансфлюксор;
- вращающийся;
- воздушный и масляный;
- трехфазный.
Особенностью автотрансформатора является отсутствие гальванической развязки, первичная и вторичная обмотка выполнены одним проводом, причем вторичная является частью первичной. Импульсный масштабирует короткие импульсные сигналы прямоугольной формы. Сварочный работает в режиме короткого замыкания. Разделительные используются там, где нужна особая безопасность по электротехнике: влажные помещения, помещения с большим количеством изделий из металла и подобное. Их k в основном равен 1.
Пик-трансформатор преобразует синусоидальное напряжение в импульсное. Сдвоенный дроссель – это две сдвоенные катушки, но по своим конструктивным особенностям относится к трансформаторам. Трансфлюксор содержит сердечник из магнитопровода, обладающего большой величиной остаточной намагниченности, что позволяет использовать его в качестве памяти. Вращающийся передает сигналы на вращающиеся объекты.
Воздушные и масляные трансформаторы отличаются способом охлаждения. Масляные применяются для масштабирования большой мощности. Трехфазные используются в трехфазной цепи.
Более подробную информацию можно узнать о коэффициенте трансформации трансформатора тока в таблице.
| Номинальная вторичная нагрузка, В | 3 | 5 | 10 | 15 | 20 | 30 | 40 | 50 | 60 | 75 | 100 |
|---|---|---|---|---|---|---|---|---|---|---|---|
| Коэффициент, n | Номинальная предельная кратность | ||||||||||
| 3000/5 | 37 | 31 | 25 | 20 | 17 | 13 | 11 | 9 | 8 | 6 | 5 |
| 4000/5 | 38 | 32 | 26 | 22 | 20 | 15 | 13 | 11 | 10 | 8 | 6 |
| 5000/5 | 38 | 29 | 25 | 22 | 20 | 16 | 14 | 12 | 11 | 10 | 8 |
| 6000/5 | 39 | 28 | 25 | 22 | 20 | 16 | 15 | 13 | 12 | 10 | 8 |
| 8000/5 | 38 | 21 | 20 | 19 | 18 | 14 | 14 | 13 | 12 | 11 | 9 |
| 10000/5 | 37 | 16 | 15 | 15 | 14 | 12 | 12 | 12 | 11 | 10 | 9 |
| 12000/5 | 39 | 20 | 19 | 18 | 18 | 12 | 15 | 14 | 13 | 12 | 11 |
| 14000/5 | 38 | 15 | 15 | 14 | 14 | 12 | 13 | 12 | 12 | 11 | 10 |
| 16000/5 | 36 | 15 | 14 | 13 | 13 | 12 | 10 | 10 | 10 | 9 | 9 |
| 18000/5 | 41 | 16 | 16 | 15 | 15 | 12 | 14 | 14 | 13 | 12 | 12 |
Почти у всех перечисленных приборов есть сердечник для передачи магнитного потока. Поток появляется благодаря движению электронов в каждом из витков обмотки, и силы токов не должны быть равны нулю. Коэффициент трансформации тока зависит и от вида сердечника:
Коэффициентом трансформации трансформаторов называется отношение напряжения обмотки высшего напряжения (ВН) к напряжению обмотки низшего напряжения (НН) при холостом ходе:
Где: Кл- коэффициент трансформации линейных напряжений;
U1 — линейное напряжение обмотки ВН;
U2 — линейное напряжение обмотки НН.
При определении коэффициента трансформации однородных трансформаторов или фазного коэффициента трансформации трехфазных
трансформаторов отношение напряжения можно приравнять к отношению чисел витков обмотки
где: Кф — фазный коэффициент трансформации;
U1ф,U2ф — фазные напряжения обмоток ВН и НН соответственно;
WI,W2 — число витков обмоток ВН и НН соответственно.
При измерении линейного коэффициента трансформации трехфазного трансформатора равенство отношения высшего и низшего линейных напряжения обмоток и соответственно числа витков ВН и НН сохраняется лишь при одинаковых группах соединения этих обмоток.
Если первичная и вторичная обмотки соединены по одинаковой схеме, например, обе в звезду, обе в треугольник и так далее, фазный и линейный коэффициенты трансформации равны друг другу. При различных схемах соединений обмоток, например, одной в звезду, а другой в треугольник, линейньй и фазный коэффициенты трансформации неодинаковы (они в данном случае отличаются друг от друга в 3 раз).
Определение коэффициента трансформации производится на всех ответвлениях обмоток и для вех фаз. Эти измерения, кроме проверки самого коэффициента трансформации дают возможность проверить также правильность установки переключателя напряжения на соответствующих ступенях, а также целостность обмоток.
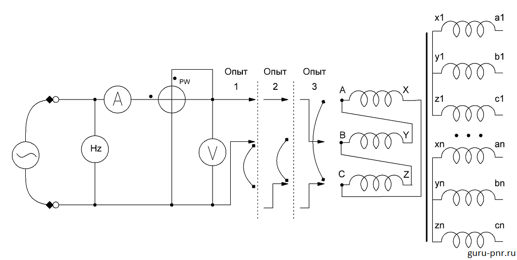
Для определения коэффициента трансформации применяют метод двух вольтметров (рис.2)
Рис.2 Определение коэффициента трансформации.
Со стороны высокого напряжения (ВН) подводится трехфазовое напряжение 220 В и измеряется напряжение на вторичной обмотке.
Внимание! Напряжение подводится только к обмоткам ВН (А, В, С). Результаты измерений заносятся в таблицу 2
Пределы измерения вольтметров: PV1-250 В,PV2-15В
Пределы измерения вольтметров: PV1-250 В,PV2-15В
Результаты измерений заносятся в таблицу 2. Пределы измерения вольтметров: PV1-250 В,PV2-15В.
Примечание: В данной работе трансформатор имеет одно положение переключателя.
Коэффициент трансформации отдельных фаз, замеренных на одних и тех же ответвлениях не должен отличаться друг от друга более чем на 2%.
Способы и схемы измерения потерь холостого хода
Измерения проводятся по ГОСТ 3484.1-88. Существует два основных способа измерения потерь холостого хода:
- Измерение при подведенном номинальном напряжении к обмотке высшей стороны;
- Измерение при малом напряжении.
В свою очередь, измерение при малом напряжении может производиться возбуждением как со стороны НН, так и со стороны ВН (характерно для мощных силовых трансформаторов). Это зависит от того, по какой схеме производилось измерение на заводе-изготовителе. По такой же схеме производится измерение потерь при приемо-сдаточных испытаниях.
В процессе эксплуатации измерения потерь холостого хода сравниваются с заводскими данными или с данными, полученными во время приемо-сдаточных испытаний.
Измерение потерь холостого хода при номинальном напряжении
Как правило производится на заводе-изготовителе. В эксплуатации этот способ может быть выполнен и окажется полезен, если были зафиксированы данные токов и мощностей при первом включении трансформатора в работу после ПНР.
Номинальное напряжение подводится к соответствующей обмотке трансформатора. При разомкнутых вторичных обмотках, производится замер токов и мощностей, потребляемых трансформатором от сети.
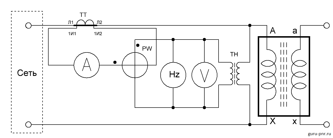
Измерение потерь холостого хода однофазного трансформатора от питающей сети производится по схеме, приведенной на рисунке ниже:

Измерение потерь холостого хода трехфазного трансформатора от питающей сети:

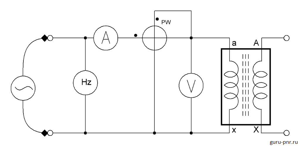
Измерение потерь холостого хода при малом напряжении
Иногда это единственный доступный метод проверки потерь холостого хода трансформатора в условиях наладки электрооборудования. Проверка осуществляется возбуждением вторичных обмоток трансформатора напряжением, указанным в паспорте (или номинальным). Схемы проверки для однофазных и трехфазных трансформаторов с различными группами приведены на рисунках ниже.

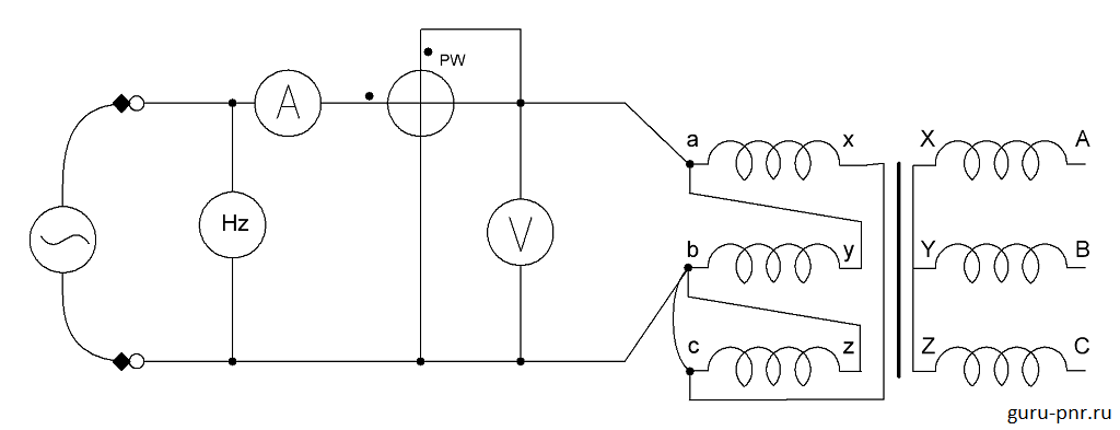
Схемы возбуждения трехфазных трансформаторов со стороны НН, обмотки которой соединены по схеме «звезда без средней точки» приведены ниже для различных комбинаций:



Далее приведены схемы проверки потерь холостого хода для трехфазных трансформаторов, обмотки которых соединены в «треугольник»:



Приборы, указанные на рисунках нужно подключать именно в такой последовательности. Перед проведением испытаний нужно включить измерительную схему вхолостую (то есть не подключать к обмоткам трансформатора), чтобы определить потери в приборах (PПОТ). Фактическое измеренное значение мощности будет равно:
P0ab = Pab — PПОТ
P0bс = Pbс — PПОТ
P0ca = Pca — PПОТ
Общая мощность потерь холостого хода определяется так:
| P= | P0ab+P0bc+P0ca |
| 2 |
Полученные данные сравниваются с паспортными данными и согласно ГОСТ 3484.1-88 не приводятся к номинальному напряжению. Если всё же требуется это сделать, то формула для приведения полученной мощности холостого хода к мощности при номинальном напряжении при возбуждении обмоток, соединенных в треугольник:
| P0ПРИВ=P( | UНОМ | ) | n |
| UИЗМ |
При возбуждении обмоток, соединенных в звезду:
| P0ПРИВ=P( | 2·UНОМ | ) | n |
| √3·UИЗМ |
Где:
- UНОМ — номинальное напряжение, к которому приводится мощность, В;
- UИЗМ — напряжение, при котором производилось измерение (малое напряжение), В;
- n — показатель, зависящий от типа электротехнической стали магнитопровода: n = 1,8 — для горячекатаной; n=1,9 — для холоднокатаной.
Иногда измерение потерь холостого хода при малом напряжении производится с высокой стороны трансформатора. Это характерно для мощных трансформаторов, имеющих расщепленные обмотки. Схема измерения в этом случае будет иной:

При таком способе измерения ток будет иметь значения десятков миллиампер. Напряжение так же не будет превышать 220 или 380 В.
Еще чисто из опыта. При проверке коэффициента трансформации, подавая напряжения на первичную обмотку, имеет смысл фиксировать значения токов для каждого измерения. Эти токи достаточно небольшие — порядка десятков миллиампер. Однако по ним тоже можно судить об исправности или неисправности активной части. При витковом замыкании, значения этих токов существенно отличаются и могут достигать до десятков ампер. А это уже браковочный фактор.
Методика расчёта напряжения, потерь и сопротивления КЗ
Расчёты ведутся в следующей последовательности:
- Определяются оба компонента тока холостого хода:
Iμ = IsinΦ и Iw = IcosΦ.
- Устанавливаются значения реактивного X и активного R0 сопротивлений в эквивалентных цепях, которые относятся к низковольтной обмотке:
X = V1 / Iμ и R = V1 / Iw.
Здесь V1 – показания вольтметра на обмотке низкого напряжения.
- Рассчитывается итоговое значение мощности:
W1 = 2IμR и W2 = 2IwХ
W = (W21 + W22)0,5
Объясняется это тем, что напряжение, приложенное для появления тока полной нагрузки, хоть и мало по сравнению с номинальным, но всё же присутствует на обмотках.
- Определяется значение эквивалентного сопротивления Zeq трансформатора:
Zeq2 = R2 + X2.
Полученные данные соответствуют тем, которые относятся к стороне высокого напряжения трансформатора. Таким образом, в результате испытания на КЗ определяются потери в проводниках а, а также его приблизительные эквивалентное и реактивное сопротивление.
В результате анализа полученной информации можно определить зависимость потерь от тока холостого хода и напряжения на вторичной обмотке.

Режимы работы и схема замещения трансформатора
Схема замещения трансформатора позволяет отдельно расчитывать цепи первичной и вторичных обмоток. В схему замещения трансформатора входят поля рассеивания магнитного потока, а вторичные цепи пересчитываются в первичную через коэффициенты трансформации.
Для составления схемы замещения возьмём трансформатор с двумя обмотками: первичной с количеством витков W1 для подключения к сети питания и вторичной с количеством витков W2 для подключения нагрузки. Его упрощенное устройство показано на рисунке 1.
Принципиальная схема подключения нагрузки к источнику питания через трансформатор приведена на рисунке 2.
Для создания схемы замещения трансформатора нам потребуются три режима его работы: режим холостого хода (ХХ), рабочий режим (номинальный режим) и режим короткого замыкания (КЗ). Режимы холостого хода и короткого замыкания трансформатора позволяют определить значения элементов схемы замещения трасформатора. Рассмотрим работу трансформатора в этих режимах.
Таблица потерь
Особенности работы и применения резонансного трансформатора Тесла
Когда цепочка второй катушки разомкнута, она не использует какой-либо рабочей мощности. У той мощности, что потребляет первая, есть некоторый активный процент (он и представляет собой потери прибора), но доминирует реактивный, отвечающий за намагничивание и отдаваемый генератору. Что касается потерянной мощности, то большая ее часть затрачивается на процессы перемагничивания и генерацию вихрей токов магнитопровода. Из-за этого последний начинает перегреваться. Так как поток рассеяния не зависит от нагрузочного электротока, то мощностные потери имеются не только на холостом ходу, но и при подаче нагрузок. Еще некоторая часть потерь (очень небольшая) затрачивается на нагревание катушечного провода. Ее малое значение обусловлено показателями сопротивления проводка и тока холостого хода.
При напряжении 10/0,4 кВ величина потерь будет возрастать по мере увеличения мощности. Для номинального показателя мощности в 250 кВА потери будут равны 730 Вт, для 400 кВА – 1000 Вт, для 2500 кВА – 4200 Вт. По прошествии лет эксплуатации в магнитопроводе происходят процессы, увеличивающие объем потерь: изнашивается изоляция, изменяются структурные характеристики металла. Из-за этого теряться может до 50% мощности.
Описание процесса
Намагничивание трансформатора изза включения его под напряжение считается самым неблагоприятным случаем, вызывающим БНТ наибольшей амплитуды. Когда производится отключение трансформатора, напряжение намагничивания оказывается равным нулю, ток намагничивания снижается до нуля, в то время как магнитная индукция изменяется согласно характеристике намагничивания сердечника. Указанное обуславливает наличие остаточной индукции в сердечнике. Когда, по истечении некоторого времени, производится повторное включение трансформатора под напряжение, изменяющееся по синусоидальному закону, магнитная индукция начинает изменяться по тому же закону, однако со смещением на значение остаточной индукции. Остаточная индукция может составлять 80–90% номинальной индукции, и, таким образом, точка может переместиться за излом характеристики намагничивания, что, в свою очередь, обуславливает большую амплитуду и искажение формы кривой тока.

На рисунке представлена характерная форма БНТ. Данная осциллограмма отображает наличие длительно затухающей апериодической составляющей, может быть охарактеризована содержанием различных гармоник и большой амплитудой тока в начальный момент времени (до 30 раз превышающей значение номинального тока трансформатора). Кривая значительным образом затухает через десятые секунды, однако полное затухание характерно через несколько секунд. При определенных обстоятельствах БНТ затухает лишь спустя минуты после включения трансформатора под напряжение.
в) Потери КЗ
Активную мощность Ркϑ, измеренную при опыте КЗ с температурой обмоток ϑ, СС, принято считать условно (для удобства расчетов) состоящей из следующих слагаемых: 1) основных потерь в обмотках и других токоведущих частях трансформатора Σ, определяемых током данной обмотки или токоведущей части и ее электрическим сопротивлением, измеренным при постоянном токе; 2) добавочных потерь в опыте КЗ Рдобϑ, определяемых как разность потерь Ркϑ— Σ, измеренных при определенном токе в опыте КЗ, и основных потерь в токоведущих частях, определенных при том же токе. Добавочные потери при опыте КЗ имеют две слагаемые: а) потери в токоведущих частях, вызванные полем рассеяния; б) потери от гистерезиса и вихревых токов, возникающие в металлических элементах конструкций трансформатора от воздействия поля рассеяния. Кроме того, в добавочные потери могут входить потери от циркулирующих токов, наведенных полем рассеяния и замыкающихся в параллельно соединенных ветвях обмоток трансформатора. Согласно (Л. 1-31) основные потери в обмотках определяют вычислением, исходя из данных измерения электрического сопротивления обмоток постоянному току. Для однофазного трансформатора эти потери равны, Вт: (7-2) где I1-2 — номинальные токи обмоток, участвующих в опыте; r1ϑ, r2ϑ — электрические сопротивления постоянному току этих обмоток при температуре ϑ, °G. У трехфазного трансформатора основные потери пары обмоток, участвующих в опыте, вычисляются по формулам:
где I1, I2 —линейные токи трансформатора; r — междуфазные электрические сопротивления обмоток, измеренные на линейных вводах при температуре ϑ, °С; Iф1, Iф2 —фазные токи обмоток; rф1ϑ, rфϑ2 — фазные сопротивления обмоток при температуре °С.
При подсчете основных потерь в автотрансформаторах ток последовательной обмотки принимается равным току обмотки ВН, а ток общей обмотки — разности токов СН и ВН. Междуфазное электрическое сопротивление при соединении фаз в треугольник равно: .* а при соединении в звезду: Добавочные потери Рдобϑ определяют вычитанием из потерь КЗ Ркϑ потерь в обмотках Σ, вычисленных по (7-2) или (7-3). Следовательно, (7-4) Таким образом, измерение потерь КЗ требуется, по существу, для определения добавочных потерь, так как основные потери в обмотках легко определяется вычислениями по данным измерений электрического сопротивления обмоток. г) Мощность, требуемая для опыта КЗ Полная мощность SK, потребляемая трансформатором при опыте КЗ в номинальных условиях, равна, МВ-А: (7-5) где Рн — номинальная мощность испытываемого трансформатора, МВ-А; % — напряжение КЗ, %. Активная мощность Рк, необходимая для опыта КЗ, и коэффициент мощности нагрузки φн связаны соотношением: (7-6) где Рк — потери КЗ, кВт; Рн — номинальная мощность трансформатора, МВ-А; ик — напряжение КЗ, %. В табл. 7-1 приведены значения cosφ и SK при опытах КЗ трехфазных двухобмоточных трансформаторов класса 330 кВ, вычисленные по данным ГОСТ 17545-72 .
Коэффициент мощности cosφK и полная мощность SK при опытах КЗ трансформаторов класса 330 кВ

Мощность источника питания, например испытательного генератора 50 Гц, должна быть больше мощности, требуемой для опыта КЗ, так как не всегда можно использовать генератор при его номинальном токе и напряжении для получения необходимого диапазона токов и напряжений, даже с применением промежуточного трансформатора. Кроме того, испытываемый трансформатор может иметь напряжение КЗ, большее, чем указано и табл. 7-1, например трансформаторы класса 500 кВ по ГОСТ 17544-72 , при этом с положительным допуском + 10% согласно ГОСТ 11677-75 . Из табл. 7-1 следует, что активная мощность КЗ Рн весьма мала по сравнению с полной мощностью SK. Поэтому измерение потерь КЗ мощных трансформаторов имеет специфические особенности (§ 5-5).
- Назад
- Вперед






























