Подключаем реле к водяной магистрали
Конструкция и принцип действия
Конструктивное исполнение измерительных устройств данного типа определяется следующими параметрами:
- Функциональностью, в зависимости от этого устройства принято делить на сигнализаторы и уровнемеры. Первые отслеживают конкретную точку заполнения резервуара (минимальную или максимальную), вторые осуществляют беспрерывный мониторинг уровня.
- Принципом действия, в его основу может быть положены: гидростатика, электропроводность, магнетизм, оптика, акустика и т.д. Собственно, это основной параметр, определяющий сферу применения.
- Методом измерения (контактный или бесконтактный).
Помимо этого, особенности конструкции определяет характер технологической среды. Одно дело — измерять высоту питьевой воды в баке, другое — проверять наполнение резервуаров для промышленных стоков. В последнем случае необходима соответствующая защита.
Образцы электронно-технических схем подключения
Сборка оборудования происходит в производственных условиях , там же составляются принципиальные схемы шкафа управления насосами. Наиболее простыми являются схемы подключения одного насоса, хотя комплект дополнительных приборов может усложнить установку.
В качестве образца возьмем ШУН-0.18-15 (компания Рубеж), предназначенный для ручного и автоматического управления электроприводами насосной станции. Схема управления выглядит следующим образом:

На крышке корпуса расположены кнопки включения/выключения, тумблер, отвечающий за выбор режима работы, комплект индикаторов, сигнализирующих об исправности системы (+)
Производитель реализует 19 базовых исполнений, которые отличаются мощностью электродвигателя насосной станции – от 0,18 кВт до 55-110 кВт. Внутри металлического корпуса находятся следующие элементы:
- автоматический включатель;
- реле защиты;
- контактор;
- источник резервного питания;
- контроллер.
Для подключения необходим кабель с сечением 0,35-0,4 мм².

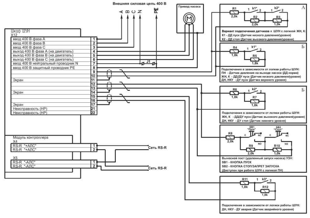
Образец подключения модели ШУН-0.18-15 (для дренажного или пожарного насоса) от производителя Рубеж с одним приводом и контроллером, регулирующим работу оборудования (+)
ШУНы Грантор, предназначенные для дренажных работ, управляют асинхронным двигателями и имеют два варианта управления: ручной и автоматический. Ручная регулировка производится с лицевой панели корпуса, автоматическая действует от внешних сигналов реле (электродных или поплавковых).

Тройная схема с изображением работы шкафа на 1, 2 и 3 насоса с поплавковой автоматикой. При наличии 2 и более насосов предлагается распределение нагрузки между рабочим и резервным оборудованием
Принцип работы ШУНа в автоматическом режиме: с критическим понижением уровня воды и срабатыванием поплавка №1 останавливается работа всех насосов. При нормальном состоянии уровня жидкости срабатывает поплавок №2 и запускается один из насосов. При срабатывании других поплавков, находящихся на более высоких уровнях , вводятся остальные агрегаты.
Товары, описанные в данной статье:
-
Комментариев: 11 Поплавковый клапан Aquatech механический 1″ для регулирования уровня наполнения для ёмкости.
-
Комментариев: 41 Поплавковый клапан Quickstop уровня наполнения для ёмкости.
-
Комментариев: 19 Предназначен для определения уровня заполнения ёмкости жидкостью.
-
Оставить комментарий Для текущего контроля расхода жидкости в системах отопления/охлаждения. Предназначен для монтажа на распределителе нагревательного контура.
-
Оставить комментарий Предназначен для постоянного бесконтактного измерения уровня наполнения.
-
Оставить комментарий Предназначен для постоянного измерения уровня в ёмкостях для воды и топлива.
-
Комментариев: 5 Клапан поплавковый для бака Farg металлический с седлом из нержавеющей стали 1/2″-1″ для горячей воды
-
Комментариев: 2 Клапан поплавковый для бака Farg металлический с латунным седлом 3/4″ — 1,1/4″ (без шара!)
-
Оставить комментарий Поплавковый выключатель двухпозиционный с проводом 1- 5 метров для питьевой воды
-
Комментариев: 1 Поплавковый выключатель TAURUS с проводом 10-20 м для сточных бытовых и промышленных вод
-
Оставить комментарий Клапан поплавковый для бака Farg металлический с седлом из нержавеющей стали AISI 430 3/4″ — 2″ (без шара)
Особенности установки станций контроля
Все без исключения исполнения ШУН являются сложными устройствами, работающими от электрической сети , а это значит, что устанавливать, вводить в эксплуатацию, обслуживать и ремонтировать оборудование необходимо согласно инструкции производителя. Правила, изложенные в инструкциях различных моделей , могут отличаться, так как конструкции механизмов и технические характеристики также различны.

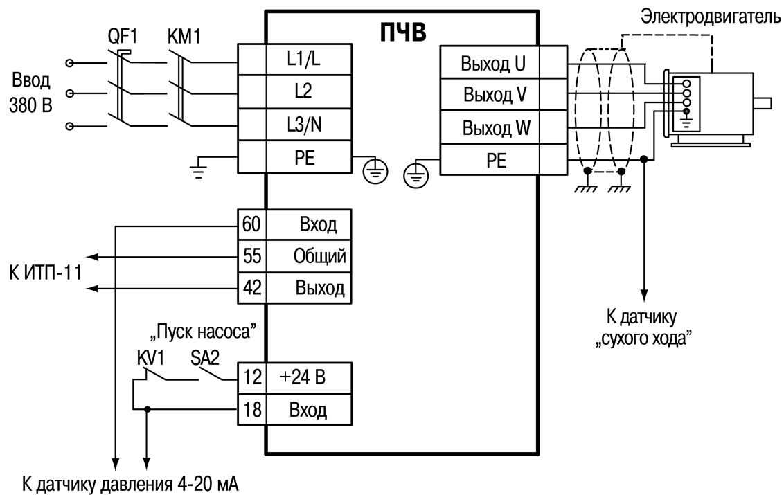
Схема электрических соединений шкафа управления насосным оборудованием ОВЕН ШУН 1. Благодаря использованию фирменных частотных преобразователей ОВЕН экономия электроэнергии достигает 35%
Несколько общих важных правил:
- Монтаж производится в зоне, защищенной от взрывов.
- Температура и влажность в помещении должны соответствовать параметрам, обозначенным производителем (например, температура от 0ºС до +30ºС).
- Подключение электрооборудования должно производиться лицом, имеющим специальный допуск.
- Параметры ШУН должны совпадать с параметрами всего подключаемого оборудования.
- Монтаж выполняется согласно принципиальным схемам , приведенным в приложении к инструкции.
- Сечение кабеля должно совпадать с данными, указанными в инструкции.
Бытовые станции управления, расположенные в частном секторе, подчиняются тем же требованиям, что и производственные пункты контроля. Их необходимо установить в сухом и теплом месте, удобном для обслуживания. Это может быть цокольный этаж , специально отведенное помещение, пристройка к дому или защищенная подсобка.

В отличие от больших промышленных шкафов, бытовые модели компактны и легки, поэтому чаще всего они выпускаются в настенном исполнении
Подключение следует производить после того, как полностью установлена система водоснабжения, подведен напорный трубопровод, проложены кабели, собраны узлы, проведена изоляция всех электрических элементов . Подключив ШУН, следует проверить его работу и в ручном, и в автоматическом режиме.
Как выбрать?
Выбор датчика уровня воды в резервуаре зависит от многих факторов, основные из них:
- Состав жидкости. В зависимости от содержания в воде посторонних примесей может меняться плотность и электропроводность раствора, что с большой вероятностью отразится на показаниях.
- Объем резервуара и материал, из которого он изготовлен.
- Функциональное назначение емкости для накопления жидкости.
- Необходимость контролировать минимальный и максимальный уровень, или требуется мониторинг текущего состояния.
- Допустимость интеграции в систему автоматизированного управления.
- Коммутационные возможности устройства.
Это далеко не полный список для выбора измерительных приборов данного типа. Естественно, что для бытового назначения можно существенно сократить критерии отбора, ограничив их объемом резервуара, типом срабатывания и схемой управления. Существенное сокращение требований делает возможным самостоятельное изготовление подобного устройства.
Управление по гидростатическому сигналу
При таком способе управления уровень жидкости определяется по давлению жидкости на мембрану. Передача этой информации может осуществляться как посредством электрического сигнала (аналоговый), так и через сигнал давления (пневматический). Управление насосом по уровню жидкости в шахте производится лишь после настроек прибора управления.
Пневматический датчик (погружной колокол)
Благодаря большой площади пригоден для использования в сильно загрязненных средах. Для изготовления таких колоколов используется серый чугун, который за счет большого веса позволяет удерживать колокол в погруженном состоянии даже в средах, имеющих высокую плотность. При изменении уровня жидкости в резервуаре изменяется давление воздуха внутри колокола. Данное изменение давления анализируется электронным преобразователем уровня, который находится на приборе управления или в колоколе, и сравнивается со значениями, заданными на приборе управления. Особое преимущество данного метода заключается в возможности непрерывного определения уровня (в см или м и т.д.). Кроме того, он может применяться во взрывоопасных зонах (например, сточные воды, содержащие фекалии, зона 1) благодаря передаче сигнала давления без трансформации его в электрический сигнал. Обработка данных осуществляется в приборе управления посредством встроенных в него датчиков.
Для обеспечения равномерного количества воздуха в колоколе можно использовать воздушный компрессор.
Электронный датчик уровня
Принцип действия электронного датчика уровня. Основное отличие состоит в том, что преобразователь встроен непосредственно в датчик, т. е. сигнал уровня жидкости в шахте преобразуется в аналоговый электрический сигнал (4–20 мА). Соответственно, не требуется дополнительный преобразователь давления в приборе управления. В то время как при измерении с помощью погружного колокола могут иметь место неточности из-за протечек в шланге колокола, изменения количество воздуха в шланге вследствие колебаний температуры или по другим причинам, обработка посредством электронного датчика уровня позволяет получать более точные результаты. Кроме того, используемый для изготовления этого датчика материал более устойчив к коррозии (как правило, AISI 316 или сталь более высокого качества). Датчик подвешивается в шахте и, в случае необходимости, при сильной турбулентности среды может быть снабжен защитной трубкой. Датчики, используемые компанией Wilo, могут устанавливаться во взрывоопасных средах. Правда, как и в случае использования любых датчиков во взрывоопасных зонах, необходимо применять Барьер Зенера, во избежание образования искр, которые могут стать причиной взрыва в случае отказа/неисправности.
Для повышения безопасности может быть установлен дополнительный поплавковый выключатель Wilo MS 1 в качестве датчика перелива.
Список деталей
- Транзистор можно применить любой из этих: КТ815А или Б. TIP29A. TIP61A. BD139. BD167. BD815.
- ГК1 – геркон нижнего уровня.
- ГК2 – геркон верхнего уровня.
- ГК3 – геркон аварийного уровня.
- D1 – любой красный светодиод.
- R1 – резистор 3Ком 0.25 ватт.
- R2 – резистор 300 Ом 0.125 ватт.
- К1 – любое реле на 12 вольт с двумя парами нормально разомкнутыми контактами.
- К2 – любое реле на 12 вольт с одной парой нормально разомкнутых контактов.
- В качестве источников сигнала для пополнения воды в ёмкость, я применил поплавковые герконовые контакты. На схеме обозначаются ГК1, ГК2 и ГК3. Китайского производства, но очень приличного качества. Ни одного плохого слова сказать не могу. В ёмкости, где они стоят, у меня происходит обработка воды озоном и за годы работы на них ни малейшего повреждения. Озон является крайне агрессивным химическим элементом и многие пластики он растворяет совершенно без остатка.
Схема автоматического крана для рукомойника
Здесь описывается очень простая схема автоматического крана для рукомойника, управляемого одной кнопкой. Нажимаете кнопку, и вода течет десять секунд, затем выключается. Если этого времени не достаточно, -нажимаете еще раз, — еще десять секунд.
Схема показана на рисунке 1. Питание на электроклапан подается через реле К1. Схема питается от зарядного устройства для сотового телефона с выходом 5V, которое представляет собой импульсный источник питания с импульсным трансформатором. В результате, схема получается изолирована от сети, и даже в случае залива водой кнопки S1 опасности не представляет.

Рис. 1. Схема реле времени для управления водяным клапаном.
Для того чтобы подать воду нужно нажать кнопку S1. При этом её контакты через резистор R1 заряжают конденсатор С1 до напряжения 5V. Полевой транзистор VТ1 открывается и реле К1 включает питание клапана.
Вода течет. Моем руки. А тем временем, конденсатор С1 не спеша разряжается через резистор R2. Примерно секунд через десять напряжение на нем понижается на столько что полевой транзистор VТ1 начинает закрываться.
Ток через обмотку реле К1 падает и в какой-то момент становится ниже тока удержания. Реле размыкает контакты и выключает питание клапана. Вода теперь не течет. Если надо еще — снова нажать S1 чтобы опять зарядить конденсатор С1.
Конденсатор С1 не обязательно должен быть именно на 2,2 мкФ, как и резистор R2 совсем не обязательно 2,2 мегаома. Номиналы этих деталей могут быть другими, — от них зависит время, в течение которого клапан открыт. Время можно изменить как угодно выбрав другие значения. Автомат для полива или накачки воды в резервуар.
Схема управления наполнения воды в накопительную емкость
Множество дачных участков, из-за своего географического местоположения, не обеспечены центральным водоснабжением. И зачастую, дачники вынуждены выкапывать собственные колодцы и скважины для обеспечения себя питьевой водой.
Если у вас такой участок, вспомните, сколько раз в день, вам приходиться бегать за водой?
Приведенный ниже пример электрической схемы, можно применить для подключения глубинного насоса на дачном участке, для наполнения емкости c питьевой водой или водой для собственных нужд.
Как только уровень воды, доходит до минимальной отметки в резервуаре, реле KL1 подает сигнал на включение насоса M1 и не отключает насос до тех пор, пока уровень воды в резервуаре, не достигнет максимального значения.
Пример схемы подключения реле к насосу из паспорта для подачи воды

Что, касается откачки воды из резервуара, то можно применить, то же самое реле NJYW1, немного изменив электрическую схему, после управляющего контакта KL1. Переключив всего один провод №8 с клеммы Tb на клемму Ta на исполнительном контакте — реле KL1.
Обзор датчика уровня воды
Arduino Датчик уровня воды предназначен для определения уровня воды в различных емкостях, где недоступен визуальный контроль, с целью предупреждения перенаполнения емкости водой через критическую отметку.
Конструкции датчиков уровня воды могут быть различными – поплавковые, погруженные, врезные. Данный датчик воды – погруженный. Чем больше погружение датчика в воду, тем меньше сопротивление между двумя соседними проводами. Датчик имеет три контакта для подключения к контроллеру.
- + – питание датчика;
- – – земля;
- S – аналоговое значение.
На вывод S подается аналоговое значение, которое можно передавать в контроллер для дальнейшей обработки, анализа и принятия решений. Датчик имеет красный светодиод, сигнализирующих о наличие поступающего на датчик питания.
Принцип действия и основной функционал щитов управления насосами (ЩУН)
На объектах, требующих постоянного и бесперебойного водоснабжения, аварийная остановка насосного оборудования является нежелательным, а часто– недопустимым, сценарием. Поэтому для насосных групп ответственного назначения оптимальным решением является установка шкафов автоматического управления, которые решают ряд важных задач:
- Основная функция шкафовс различными схемамиавтоматики управления– организация работы дренажных, поверхностных, погружных, циркуляционных (сетевых), пожарных насосов.
- Защита двигателей от режимов перегруза, короткого замыкания, сухого хода, прекращения или резкого ухудшения качества электропитания.
- Для моделей, в которых предусмотрена функция частотного регулирования,– поддержание постоянных величин подачи и напора для создания требуемого режима. Для каждой группы агрегатовпредусмотрен отдельный регулятор. Преимуществом установки системы частотного регулирования является экономия электроэнергии, поскольку в ситуациях, когда не требуется работа оборудования на полной мощности, происходит автоматическое снижение загрузки.
- Регистрация сбоев, а во время аварийной ситуации – срабатывание звукового и светового сигналов.
Схема управления (отключения) насосом на откачку воды по уровню
Начну со схемы по откачке воды, то есть когда перед вами стоит задача откачивать воду до определенного уровня, а затем отключать насос, чтобы он не работал на холостом ходу. Взгляните на схему ниже.

Именно такая принципиальная электрическая схема способна обеспечить откачку воды, до заданного уровня. Давайте разберем принцип ее работы, что здесь и зачем.
Итак, представим что вода пополняет наш резервуар, не важно что это ваше помещение, погреб или бак… В итоге, когда вода доходит до верхнего геркона SV1, то на катушку управляющего реле Р1 подается напряжение. Его контакты замыкаются, и через них происходит параллельное подключение геркону
Таким образом реле самоподхватывается. Также включается и силовое реле Р2, которое коммутирует контакты насоса, то есть насос включается на откачку. Далее уровень воды начинает понижаться и доходит до геркона SV2, в этом случае замыкается он и подает положительный потенциал на обмотку катушки. В итоге, на катушке с двух сторон оказывается положительный потенциал, ток не идет, магнитное поле реле ослабевает — реле Р1 отключается. При отключении Р1 отключается и подача питания для реле Р2, то есть насос тоже перестает откачивать воду. В зависимости от мощности насоса, вы можете подобрать реле на необходимый вам ток. Я ничего не сказал о резисторе 200 Ом. Он необходимо для того, чтобы в процессе включения геркона SV2 не произошло короткого замыкания с минусом, через контакты реле. Резистор лучше всего подобрать такой, чтобы он позволял уверенно срабатывать реле Р1, но был при этом максимально большого возможного потенциала. В моем случае это было 200 Ом. Еще одной особенность схемы является применение герконов. Их плюс при применении очевиден, они не контактируют с водой, а значит, на электрическую схему не будут влиять возможные изменения токов и потенциалов при различных жизненных ситуациях, будь то вода соленая или грязная… Схема будет работать всегда стабильно и «без осечек». Не требуется настройки схемы, все работает сразу, при правильном соединении.
Спустя 2 месяца…
Теперь о том, что было сделано пару месяцев спустя, исходя из требований к уменьшению потребления питания в режиме ожидания. То есть это уже вторая версия всего того, о чем я рассказали выше. Сами понимаете, что согласно схемы выше будет включен постоянно блок питания на 12 вольт, который между прочим тоже потребляет не бесплатное электричество! А исходя из этого было принято решение сделать схему для срабатывания насоса для откачки или налива воды с током в режиме ожидания равным 0 мА. На самом деле реализовать это оказалось легко. Взгляните на схему ниже.

Первоначально в схеме все цепи разомкнуты, а значит она потребляет наши заявленные 0 мА, то есть ничего. Когда же замыкается верхний геркон, то напряжение через трансформатор и диодный мостик включает реле Р1. Таким образом реле коммутирует через свои контакты и резистор 36 Ом питание на блок питание и опять на саму себя же, то есть самоподхватывается. Насос включается. Далее, когда уровень воды доходит до низа и срабатывает реле Р2, то оно разрывает ту саму цепь самоподхватывания реле Р1, таким образом обесточивая всю схему и приводя его в режим ожидания. Резистор 36 Ом служит для того, чтобы во время включения верхнего геркона ограничить ток на насос, хотя бы немного. Тем самым снизив индукционный ток на герконе и продлив его жизнь. Когда же блок питания будет запитан уже через реле Р1, после его срабатывание, то такое сопротивление без проблем обеспечит напряжение для удержания реле, то есть будет не критично, а во вторых не будет греться, так как через него будет протекать незначительный ток. Это лишь ток от потерь в обмотке и ток на питание реле Р1. Поэтому требования к резистору не критичны, разве что взять его помощнее! Осталось сказать о том, что в любой из этих схем могут использоваться не только геркон, но и просто концевые датчики.
Что же, теперь давайте разберем обратную ситуацию, когда необходимо воду наоборот закачивать в бак и отключать при высоком уровне в нем. То есть насос включается при низком уровне воды, а выключается при высоком.
Техническая поддержка и сервисное обслуживание
Некоторые компании по производству шкафов управления заявляют, что технического обслуживания не требуется. Это действительно так, однако необходима регулярная проверка блока управления эксплуатирующей организацией. Существует периодичность, установленная производителем, и для правильной работы всех устройств ее необходимо придерживаться в обязательном порядке.
Перед осмотром или заменой каких-либо деталей необходимо отключить напряжение и заблокировать оборудование от повторного включения. Самостоятельно можно проверить надежность соединений. Список потенциальных неисправностей, как и возможные способы их устранения, обычно также указывается производителем.

Шкаф управления скважинным или погружным насосом с частотным преобразователем для применения в производственных котельных, коммунальных службах или частных домах, выполненный на заказ по индивидуальному ТЗ
Например, простейшая неисправность – не загорается лампочка, сигнализирующая о подключении системы к электрическому кабелю . Возможны три причины: отсутствует напряжение в сети, сломался автоматический выключатель или перегорела лампа. Соответственно, решением проблемы будет подача напряжения, замена выключателя или лампы.
Если возникла неисправность, которую самостоятельно не устранить, необходимо обратиться к специалистам в сервисный центр.
Как автоматизировать работу дренажного насоса
Управление дренажным насосным оборудованием всегда осуществляется по изменению уровня жидкости. Есть несколько вариантов устройств, но все они функционируют путём подачи или отключения питания (цепь разрывается или замыкается). Рассмотрим самые распространённые решения для дренажных приборов.
Способы применения поплавковых выключателей
Универсальное устройство, которое позволяет управлять насосами, когда необходимо откачивать жидкость или наполнять резервуары. Поплавковый выключатель представляет собой небольшой герметичный бокс из пластика со стационарно подсоединённым трёх- или четырёхжильным кабелем длиной до 10 метров. Именно таким типом автоматики снабжены простые бытовые насосы, но «поплавок» можно купить и отдельно.
Устанавливают поплавковый выключатель погружением в перекачиваемую жидкость, его прикрепляют к стенке ёмкости или фиксируют на силовом кабеле насоса. Чтобы более точно выставить диапазон рабочего уровня, на провод выключателя надевается и фиксируется скользящий груз. Меняя длину кабеля между выключателем и огрузкой, устанавливают оптимальные моменты срабатывания поплавка.
По сути, поплавковый выключатель является одновременно датчиком уровня и коммутирующим устройством. Работает он очень просто. Внутри корпуса с положительной плавучестью по специальному каналу свободно движется металлический шарик. При поднятии/опускании поплавка под углом около 45 градусов шар уходит в крайнее положение и ударяет по клавише двухпозиционного микровыключателя, который, в свою очередь, запитывает цепь, либо разрывает её.
Схема устройства автоматики с тремя кондуктометрическими датчиками
Кондуктометрические датчики уровня
Принцип работы такой системы управления основан на электропроводности перекачиваемых жидкостей. Электроды из нержавеющей стали погружают в воду. Один из них, контрольный, должен всегда находиться в воде, а другие, сигнальные, монтируют на своих уровнях. Между ними по рабочей среде постоянно передаются малые токи. Если вода достигает нижнего сигнального датчика, то между ним и контрольным электродом появляется прослойка из воздуха (который не проводит электричество), что сразу же улавливает управляющий блок. А когда вода поднимается до верхнего датчика, воздух, наоборот, вытесняется жидкостью, и сигнальная цепь замыкается.
Если поплавки могут работать как с пультом, так и самостоятельно, то такая автоматика обязательно комплектуется выносным блоком управления. Именно к нему поступают сигналы о состоянии слаботочных цепей внутри резервуара, а затем уже контролер отдаёт команду на срабатывание коммутирующего устройства (например, магнитного пускателя) для включения/выключения насоса. Кстати, многоэлектродные датчики могут управлять несколькими насосами, срабатывающими одновременно или поочерёдно, в том числе установленными в разных резервуарах.
В системе могут использоваться кондуктометрические датчики с несколькими электродами (для отслеживания большого количества уровней), но также возможны конфигурации, где функционирует только один электрод. Такая вариативность позволяет собрать автоматику для дренажного насоса своими руками, которая будет наиболее эффективной для конкретных условий. В любом случае кондуктометрические устройства управления надёжнее и намного точнее, чем системы контроля с поплавковыми выключателями.
Краткий обзор популярных моделей
Шкафы управления Grundfos Control MP204 рассчитаны на автоматическое функционирование и защиту одного насоса. Параметры могут настраиваться в ручном и автоматическом режиме, причем существует два пороговых значения: первое – предупреждение, второе – аварийное отключение. Журнал отключений с перечислением причин реагирования хранится в памяти.
Технические характеристики:
- Напряжение – 380 В, 50 Гц
- Мощность двигателей подключаемого оборудования – от 1,1 до 110 кВт
- Температурный диапазон – от -30°С до +40 °С
- Степень защиты: IP54
Преимуществом является возможность передачи данных CIU и регулировка параметров через Grundfos GO.
Станции управления насосными агрегатами (СУН) от компании НПО СТОИК. Предназначены для автоматического управления погружными, скважинными, дренажными насосами , способны обслуживать от 1 до 8 подключений.

Образец исполнения шкафа СУН 30 кВт в металлическом навесном корпусе с устройством плавного пуска Aucom и преобразователем частоты Delta
Технические характеристики:
- Напряжение – 380 В, 50 Гц
- Мощность двигателей подключаемого оборудования – от 0.75 до 220 кВт
- Температурный диапазон – от -10°С до +35 °С
- Степень защиты: IP54
Среди базовых функций – автоматическое включение вентиляции, если показатель температуры внутри шкафа поднимается выше нормы.
Многофункциональные шкафы марки Грантор предназначены для обслуживания циркуляционных и дренажных систем . Возможные режимы работы: циркуляция и дренаж по аналоговому датчику или по реле давления. Два варианта алгоритма работы предполагают совместное или поочередное включение насосов.
Технические характеристики:
- Напряжение – 1х220 В или 3х380 В, 50 Гц
- Мощность двигателей подключаемого оборудования – до 7,5 кВт на каждый двигатель
- Температурный диапазон – от 0°С до +40 °С
- Степень защиты: IP65
При возникновении аварийной ситуации и поломки электродвигателя насоса (по причине короткого замыкания, перегрузки, перегрева) происходит автоматическое отключение оборудования и подключение резервного варианта.
Линейки SK-712, SK-FC, SK-FFS марки Wilo предназначены для управления несколькими насосами – от 1 до 6 штук. Несколько автоматических схем упрощают работу насосных станций.
Технические характеристики:
- Напряжение –380 В, 50 Гц
- Мощность двигателей подключаемого оборудования – от 0,37 до 450 кВт
- Температурный диапазон – от +1°С до +40 °С
- Степень защиты: IP54
В процессе эксплуатации все технологические параметры отображаются на дисплее. В случае возникновения аварийной ситуации высвечивается код ошибки.




























