Получение синхросигнала 15кГц аппаратными средствами
Обратимся теперь к изучению различных схем переходников VGA SCART, начиная от самых простых до самых сложных. Начнем, пожалуй, с распиновки выводов VGA и SCART разъемов:

Базовая схема с композитной синхронизацией (только для видеокарт ATI RADEON)
-
Плюсы
: Легко реализовать, не требует никаких специальных компонентов. -
Минусы:
Требуется внешний источник питания 5 В и 12В, работает только с определенными ATI Radeon видеокартами.

В основном используются три линии RGB (VGA контакты 1, 2, 3) подключаемые к соответствующим контактам SCART (контакты 15, 11, 7). Так же необходимо соединить и общие провода каждого канала (конечно достаточно одного общего провода, но для качественного экранирования лучше использовать их все). Для этого выводы с VGA (6,7,8) необходимо соединить с 13, 9, 5 SCART.
ВНИМАНИЕ: Для того, чтобы эта схема переходника VGA SCART работала, очень важно, чтобы видеокарта поддерживала режим синхронизирующего сигнала на выводе 13, который обычно отсутствует у большинства видеокарт и только некоторые видеокарты, принадлежащие к семейству ATI RADEON могут поддерживать данный режим работы
Получение сигнала синхронизации с помощью диодов и резисторов
-
Плюсы
: Работает с любыми видеокартами, наличие функции включение по внешнему сигналу. -
Минусы:
Требуется внешнее питание 12В.

Рассмотрим первую схему переходника. В данном случае соединения линий R, G, B и массы такое же, как и у предыдущей схемы. Схема позволяет использовать обычную видеокарту (не генерирующую композитный видеосигнал). Сигналы синхронизации от контактов 13 и 14 VGA смешивают в цепи диодов и резистора 330 Ом, а затем передаются на обычный 20-контактный Scart.
Использование биполярного транзистора для смешивания двух синхронизирующих сигналов обеспечивает хорошее качество изображения.
Вместо использования внешнего источника питания, напряжение 5В взято с вывода 9 VGA. Правда не все видеокарты способны обеспечить это напряжение, особенно карты старшего поколения. В любом случае все последние модели, совместимые с VESA 2.0 должны подойти. В данной схеме к выводу 8 подведено не 12В (для включения режима AV), а 5В. При поддержки телевизором режима переключения соотношения сторон при 5В будет активировано соотношение 16: 9 вместо 4: 3.
Переходник на микросхеме 74HC86
-
Плюсы:
Отличное качество и совместимость (работает с любыми видеокартами) -
Минусы:
Безусловно одна из наиболее сложных схем.

Схема переходника VGA SCART построена на интегральной микросхеме 74HC86 (четыре логических элемента «Исключающее ИЛИ»). Также требуется наличие внешнего источника питания 5В. Сигналы смешиваются при помощи элементов исключающее ИЛИ, на выходе которого получается композитный сигнал отличного качества. Переходник работает с любым телевизором, обеспечивает отрицательный сигнал на частоте 15кГц.
VGA-SCART — переходник, который используется для передачи звуковых, а также видеосигналов. Основным параметром модели считается предельная частота синхронизации. Состоит устройство из дренажного проводника, внешней изоляции и экранированной оплетки.
Используются кабели VGA-SCART для подключения проигрывателей, стереосистем, а также телевизоров и мониторов. Предельная пропускная способность устройств колеблется в районе 5,5 Мбит в секунду. Для того чтобы узнать больше информации, нужно рассмотреть параметры некоторых моделей.
Как сделать переходник с vga на тюльпан | Компьютеры и комплектующие | OnDevices.ru

Как вы помните, качество изображения, как на современных телевизорах, так и на компьютерах, неуклонно растет. Это заставляет производителей разрабатывать новые, более быстрые интерфейсы. Другое дело, что пользователям от этой смены не легче – попробуем рассмотреть, как сделать переходники с vga на тюльпан.
Инструкция
Давайте не будем томить друг друга ожиданиями и скрывать правду.
Не существует переходников с vga на тюльпан. Слово «переходник» в языке электроники подразумевает пассивное устройство – определенное количество проводников, соединенных по определенным параметрам. Они просто передают сигнал в виде заряженных частиц. В случае с абсолютно разными разъемами и протоколами такое решение не подходит вовсе.
1. Показанный внизу рисунок-схема, судя по всему, пользуется невероятной популярностью на просторах интернета. Однако контакты vga разъемов не имеют ничего общего с объяснениями, приведенными справа от изображения.

2. Единственный шанс обрести нечто рабочее, при соблюдении тысячи и одной детали, вы получите только в случае использовании невероятно старой видеокарты. Одной из таких может выступать Matrox Millenium II. Даже если вы найдете у олдфагов этот продукт, сомневаемся, что вы подключите ее к современному компьютеру. Windows xp 64bit, windows 7, windows 8, linux – забудьте, данный продукт аппаратно не поддерживает такие операционные системы.

3. Готовый переходник избавит вас от всех ужасов, указанных выше. Его цена в 10-20$ не должна вас отпугнуть, ведь даже в наших странах эти деньги явно не огромные.

Вот он, во всей своей красе.
Советы
Если вы все же решите следовать инструкциям в интернете, попробуйте проверить новоиспеченный «переходник» на старом или ненужном оборудовании. Не спешите сжечь порты вашей видеокарты и телевизора – это вы всегда сможете успеть.
Также вас может заинтересовать возможность создания своим руками переходника sata ide или sata usb.
Разъёмы видеокарт
D-Sub,
или VGA-разъём, к которому подключается стандартный монитор. Он есть практически на всех видеокартах (в особенности от MSI), за исключением моделей последнего поколения, где используются более современные коммутирующие выходы. VGA-интерфейс по-другому называют аналоговым выходом, с которого передаётся одноимённый сигнал.
DVI-I
, а в некоторых случаях с префиксом D — это усовершенствованный выход, который работает как с аналоговыми мониторами, так и с цифровыми. В моделях прошлых лет этот интерфейс, как правило, соседствует с аналоговым VGA-выходом, а некоторые производители комплектуют свои видеокарты специальным переходником-адаптером типа DVI-D-Sub, если линейка не была оснащена этим разъёмом.
S-Video
— не мене популярный интерфейс наряду с предыдущими разъёмами. Он широко используется во многих областях, которые, кстати, иногда никак не связаны с компьютерной видеотехникой. через RCA («тюльпан») посредством такого разъёма позволяет получить достаточно качественный видеосигнал.
Современные интерфейсы
HDMI
— это, как уже говорилось выше, самый качественный вариант вывода картинки на экран, и если ваша видеокарта и телевизор оборудованы этим разъёмом, можно смело пользоваться синхронизацией без каких-либо ограничений. Для синергии достаточно недорогого адаптера типа HDMI-HDMI.
Перед тем как подключить компьютер к телевизору через «тюльпан», убедитесь, что у вас совпадают вышеперечисленные разъёмы, в противном случае обзаведитесь специальным адаптером, благо что на компьютерном рынке всевозможных переходников, в том числе и самых экзотических, предостаточно. Единственное, чем плох адаптер, так это тем, что он способен ухудшить картинку на экране телевизора за счёт изменения сигнатуры.
Коммутирующие кабели могут идти в комплекте как с видеокартой, так и с самим телевизором, поэтому внимательно изучите комплектность обоих устройств перед тем, как подключить компьютер к телевизору.
Обзор кабелей и интерфейсов показал, что наиболее приемлемые переходники и соответственно виды подключений следующие:
- D-Sub(VGA) — DVI-I.
- D-Sub(VGA) — SCART.
- S-Video — SCART.
- DVI-I — SCART.
В остальных вариативных случаях сигнал сильно искажается, страдает картинка, поэтому использовать другие способы коммутирования специалисты не рекомендуют.
Нет необходимости экономить на соединительных кабелях. Дешёвый материал и неизвестный производитель гарантируют низкую помехозащиту, что в разы снизит качество изображения.
Если вас терзают сомненья по поводу выбора того или иного способа коммуникации, то можно полистать официальные форумы, касающиеся вашей видеокарты или модели телевизора, там наверняка есть вопросы/ответы техподдержки по синергии с популярными линейками устройств.
Модели Digitus
Данный SCART-VGA-переходник продается с поддержкой многоканальных Усилитель в данном случае используется с репитером. Непосредственно пропускная способность максимум составляет 3,6 Мбит в секунду. С разрешением 2К модель справляется без проблем
Также важно отметить, что переходник поддерживает большинство протоколов «Линк»
Всем привет. У меня, очень давно на крыше лежал старый семнадцати дюймовый монитор, который припадал пылью. Валялся он долго, ровно до того момента, пока я случайно не набрел на статью, о конвертере сигнала с RCA (в народе «тюльпана») на VGA. Там, автор статьи подключал монитор к спутниковому тюнеру, а вместо динамиков использовал компьютерные колонки.
Я тоже решил провернуть такой фокус со своим старым монитором, так сказать, дать ему вторую жизнь в качестве телевизора на кухне. После заказа, а именно через 18 дней, я получил посылку на почте.
Упакован сам девайс был очень хорошо, а именно обвит кучей слоев пупырчатой пленки.
Добравшись до содержимого, имеем такую комплектацию:
- Конвертер
- Блок питания
- Кабель VGA на VGA
- Кабель RCA на RCA
- Кабель S-video на S-video
- Инструкция на английском языке.

Комплектация конвертера
Как видите, комплектация не маленькая, все необходимые шнуры уже есть в комплекте.



Очень удивило само покрытие корпуса конвертера. Он покрыт софт-тачем, на ощупь немного похожего на резиновое покрытие. Именно благодаря ему, корпус намного меньше подвержен всяким механическим повреждениям, и такой приятный на ощупь.
После покупки, меня ждал неприятный сюрприз от своего старого монитора. Полежав на крыше, включатся он отказался, так что для демонстрации подключил конвертер на другой, уже Led монитор.
Подключается все очень легко. Кабель от монитора, подключаем в разъем VGA
OUT
, кабель от тюнера или DVD подключаем в разъем Video
IN
. Блок питания в розетку, а его выход в разъем 5
v
Power
. После этого все начинает работать.


Пример работы
У меня на мониторе, сразу появилась идеальная картинка, даже учитывая то, что сигнал идет по аналоговому кабелю RCA. В конверторе есть меню, которое дает возможность подрегулировать некоторые параметры, такие как яркость, смещение изображения, но я там ничего не трогал. Использовали лишь кнопку mode, которая отвечает за переключение расширения экрана, подобрав нужное расширение именно для моего монитора.
Если Вы решите, сделать себе такой же телевизор из монитора, рекомендую именно этот переходник, так как его качество работы находится на высшем уровне.
Покупал здесь
. Продавец очень хороший, отправил товар на второй день.
Всем спасибо за просмотр.
PS. Старый монитор отремонтировал, была трещина на ТДКСе.
Подключение через HDMI кабель
High Definition Multimedia Interface переводится как Мультимедиа Интерфейс Высокого Разрешения. Появился в 2002 году. Первая версия была способна на передачу сигнала со скоростью 4,9 Гбит/с, цифрового видео с разрешения 1080 и восьмиканального звука 192 кГц/24 бит.
Развитие технологии HDMI привело к появлению разъема 2.0. в 2013 году. Скорость передачи данных возросла до 18 Гбит/с, может передавать видео формата Full HD 3D разрешения 3840×2160. Количество каналов звука возросло до 32, что обеспечило натуральный звук. Появилась возможность передачи картинки с соотношением 21:9.
Для подключения компьютера или ноутбука к телевизору продаются два вида такого кабеля:
- HDMI STANDARD;
- HDMI HIGH SPEED.
Стандарт это обычный кабель версии 2.0, а HIGH SPEED — «тюнинговая» версия обычного hdmi, на самом деле обыкновенная маркетинговая уловка.
Кабели различаются по типу разъёмов. Их четыре:
- A имеет 19 контактов. Им снабжены телевизоры и большинство компьютеров и ноутбуков.
- B, 29 контактов. Почти не встречается и не используется.
- C или mini-HDMI. Уменьшенная версия А. Широко распространен и применяется в плеерах, смартфонах, нетбуках, ноутбуках, ПК и камерах.
- D или micro-HDMI. Еще меньшая версия А. Устанавливается в камеры, портативные устройства, смартфоны и планшеты.
Переходник HDMI на mini-HDMI.Переходник HDMI на micro-HDMI.
Кабели продаются длиной от 30 см до 15 метров
При выборе следует обратить внимание не только на тип разъемов, но и на толщину. Чем длиннее, тем он должен быть толще
Обязательно должны присутствовать характерные бочонки. Они защищают от помех и электрических наводок. Отсутствие такой защиты может привести к выходу аппаратуры из строя.
Выбрав кабель, подключаем его к обоим устройствам. В телевизоре может быть несколько одинаковых разъемов. Следует запомнить номер, к которому подключен кабель, чтобы не путаться при настройке.
Преимущества подключения:
- Такими разъемами укомплектованы практически все новые телевизоры и компьютеры;
- Подключение выполняется очень просто;
- Доступность и небольшая стоимость кабеля;
- По одному кабелю передается видео и аудио данные;
- Высокое разрешение.
Недостаток один – кабель под ногами.
Модели типа А мини
Переходники данного типа способны поддерживать многие форматы. Без преобразователей сложить их невозможно. Дополнительно потребуется подобрать микросхему серии РР22. Всего транзисторов на нем должно располагаться три. При этом два из них необходимо разместить возле преобразователя
Модулятор в данном случае важно подбирать импульсного типа. Скорость отклика сигнала в среднем составляет около 30 мс
Для стабильной работы периферийного устройства этого вполне достаточно.
Кабель в данном случае необходимо крепить к задней части микросхемы
При этом важно не задеть модулятор во время процесса пайки. Транзисторы также нужно держать в чистоте
Сопряжение контуров обеспечивается за счет каскада усиления частоты. В среднем данный параметр колеблется в районе 12 Гц. Для повышения проводимости тока некоторые специалисты советуют применять усилители. Порт для устройства подсоединяется в последнюю очередь. Драйвер для переходника USB-COM подбирается отдельно.
Популярные вопросы по подключению и выбору кабеля
Вариант 1: на мониторе и компьютере есть один и тот же интерфейс (HDMI или Display Port)
Пожалуй, это наиболее благоприятный вариант. В общем случае, достаточно купить стандартный HDMI кабель (например), подключить устройства с помощью него и включить их. Никакой дополнительной настройки не требуется: на монитор сразу же подается изображение.

Классический HDMI кабель
Важно!
При «горячем» подключение HDMI может сгореть порт! Как этого избежать, и что делать (если не работает монитор/ТВ по HDMI) рассказано в этой инструкции.
Вариант 2: на устройствах разные интерфейсы. Например, на ноутбуке HDMI, на мониторе VGA.
Этот вариант сложнее…
Здесь необходим помимо кабеля, купить специальный переходник (иногда стоимость таких переходников достигает 30% от нового монитора!). Лучше и кабель, и переходник покупать в комплекте (от одного производителя).
Также учтите, что старые ПК/ноутбуки с VGA/DVI разъемами могут просто не «выдать» картинку высокого разрешения, если вы к ним захотите подключить большой монитор/ТВ.

Переходник HDMI — VGA

Переходник Display Port — HDMI
В продаже сейчас достаточно много переходников, которые обеспечивают взаимодействие разных интерфейсов между собой (VGA, Display Port, HDMI, DVI, USB Type-C).
Использование переходника
Довольно часто можно встретить в быту различного рода устройства, как старого поколения, так и изготовленных по новейшим технологиям. Например, мониторы или телевизоры, имеющие только разъём VGA, цифровые консоли или приставки с разъёмами HDMI. Как раз, чтобы можно было объединить их для общей работы, и применяются преобразователи сигналов.
Бывает так, что в доме находится неиспользуемый монитор с аналоговым входом, так вот, подсоединив к нему приставку с T2 можно получить телевизор. Итак, перед тем как подключить монитор к цифровой ТВ приставке потребуется определиться, что для этого потребуется. Кроме монитора с VGA входом и приставки Т2 с цифровым выходом, понадобится:
- конвертер HDMI-VGA;
- кабель HDMI-HDMI;
- кабель VGA-VGA (в случае если он не вмонтирован в сам монитор);
- провод стерео с джеком 3,5 на обоих его концах (для передачи звука);
- колонки.
Само подключение осуществить несложно. Для этого вначале соединяется монитор с 15 контактным входом VGA на конвертере. Вход может обозначаться как D-Sub. Далее, выход hdmi приставки соединяется кабелем HDMI-HDMI с цифровым входом конвертора. Все устройства подключаются в розетку, а после на экране монитора должен появиться сигнал с цифровой приставки. Если в настройках тюнера, возможно, то выставляется максимальное разрешение и частота, в первую очередь это зависит от возможностей монитора. Затем подключается аудио провод к выходу Audio конвертера и акустической системе.
Вместо приставки, можно использовать, например, планшет или смартфон имеющий выход HDMI. При этом устройство может быть даже с разбитым сенсором. Подключив гаджет через переходник к монитору, при этом добавив USB пульт дистанционного управления или блютуз клавиатуру, можно получить домашний мультимедийный центр развлечений. Для этого существуют специально разработанные программы как для систем на Android, так и Windows. Одна из самых популярных Kodi, дающая возможность просмотра IPTV, фильмов, фото, торрентов и другого.
Обратные конвертеры с VGA на HDMI не так популярны, но могут быть использованы, например, для подключения старого компьютера к LSD панели или системы наблюдения, построенной на аналоговом сигнале.
Получение синхросигнала 15кГц аппаратными средствами
Обратимся теперь к изучению различных схем переходников VGA SCART, начиная от самых простых до самых сложных. Начнем, пожалуй, с распиновки выводов VGA и SCART разъемов:

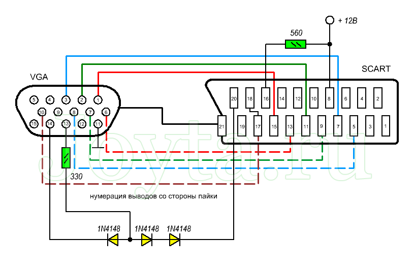
Базовая схема с композитной синхронизацией (только для видеокарт ATI RADEON)
- Плюсы: Легко реализовать, не требует никаких специальных компонентов.
- Минусы: Требуется внешний источник питания 5 В и 12В, работает только с определенными ATI Radeon видеокартами.

В основном используются три линии RGB (VGA контакты 1, 2, 3) подключаемые к соответствующим контактам SCART (контакты 15, 11, 7). Так же необходимо соединить и общие провода каждого канала (конечно достаточно одного общего провода, но для качественного экранирования лучше использовать их все). Для этого выводы с VGA (6,7,8) необходимо соединить с 13, 9, 5 SCART.
ВНИМАНИЕ: Для того, чтобы эта схема переходника VGA SCART работала, очень важно, чтобы видеокарта поддерживала режим синхронизирующего сигнала на выводе 13, который обычно отсутствует у большинства видеокарт и только некоторые видеокарты, принадлежащие к семейству ATI RADEON могут поддерживать данный режим работы
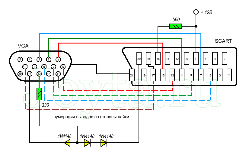
Получение сигнала синхронизации с помощью диодов и резисторов
- Плюсы: Работает с любыми видеокартами, наличие функции включение по внешнему сигналу.
- Минусы: Требуется внешнее питание 12В.

Рассмотрим первую схему переходника. В данном случае соединения линий R, G, B и массы такое же, как и у предыдущей схемы. Схема позволяет использовать обычную видеокарту (не генерирующую композитный видеосигнал). Сигналы синхронизации от контактов 13 и 14 VGA смешивают в цепи диодов 1N4148 и резистора 330 Ом, а затем передаются на обычный 20-контактный Scart.
На контакт 8 подано +12В для того, чтобы переключить телевизор в AV режим. На выводе 16 через сопротивление 560 находится напряжение около 3В, это необходимо для того, чтобы активировать RGB режим.
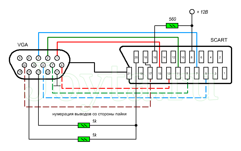
Переходник VGA SCART на 2-х резисторах
- Плюсы: Работает с любыми видеокартами
- Минусы: Необходим внешний источник питания

Использование двух резисторов по 1К понижает выходное напряжение с 5В до 1В, так как требует стандарт SCART.
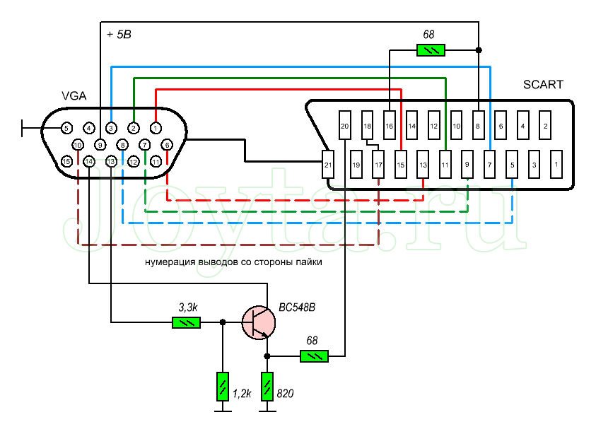
Переходник VGA SCART на транзисторе
- Плюсы: Работает с любыми видеокартами, не требует внешнего питания.
- Минусы: Не все видеокарты на выводе 9 обеспечивают + 5 вольт.

Использование биполярного транзистора для смешивания двух синхронизирующих сигналов обеспечивает хорошее качество изображения.
Вместо использования внешнего источника питания, напряжение 5В взято с вывода 9 VGA. Правда не все видеокарты способны обеспечить это напряжение, особенно карты старшего поколения. В любом случае все последние модели, совместимые с VESA 2.0 должны подойти. В данной схеме к выводу 8 подведено не 12В (для включения режима AV), а 5В. При поддержки телевизором режима переключения соотношения сторон при 5В будет активировано соотношение 16: 9 вместо 4: 3.
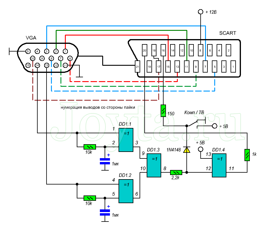
Переходник на микросхеме 74HC86
- Плюсы: Отличное качество и совместимость (работает с любыми видеокартами)
- Минусы: Безусловно одна из наиболее сложных схем.

Схема переходника VGA SCART построена на интегральной микросхеме 74HC86 (четыре логических элемента «Исключающее ИЛИ»). Также требуется наличие внешнего источника питания 5В. Сигналы смешиваются при помощи элементов исключающее ИЛИ, на выходе которого получается композитный сигнал отличного качества. Переходник работает с любым телевизором, обеспечивает отрицательный сигнал на частоте 15кГц.
Тестер транзисторов / ESR-метр / генератор
Многофункциональный прибор для проверки транзисторов, диодов, тиристоров…
Подробнее
Подключение телевизора к компьютеру
Наряду с аппаратными методами подключения компьютера к телевизору существуют программные методы. Сама суть такого метода заключается в настройке видеокарты. Программа вносит изменение в программное обеспечение видеокарты. Главная цель при этом — получить сигнал 15 кГц горизонтальной синхронизации. Метод может решить проблему без применения дополнительной схемы. Однако VGA-SCART переходник все равно придется паять. Стоит отметить и то, что не все подобные программы бесплатные.
Основными режимами телевизора являются TV и AV. Некоторые пины разъема SCART способны работать в разных режимах в зависимости от величины поданного на них напряжения. Для изменения режима TV/AV есть пульт ДУ. Кого интересует распиновка и назначение контактов, то с ними можно ознакомиться в статьях Распиновка VGA и Разъем SCART. Распиновка.
Какие переходники можно сделать с использованием витой пары
Витая пара – это основной инструмент для передачи данных в большинстве интерфейсов. Как цифровых, так и аналоговых. С ее помощью возможно сделать VGA — VGA переходник своими руками, который будет служить удлинителем. Но и это не предел возможностей такого кабеля. С помощью витой пары возможно сделать следующие виды адаптеров:
- RCA to VGA
- Переходник DVI (только аналоговый DVI-A)
- Разветвители VGA и RCA (для подключения нескольких единиц техники)
- SCART to VGA
На самом деле, это далеко не полный список. Все, чем ограничен полет фантазии – это тип передаваемых данных. Все данные, которые передаются в аналоговом виде и могут быть расшифрованы как RGB-сигнал, могут успешно проходить через переходник VGA. С цифровыми так, увы, не получится. Выше уже говорилось о том, что это принципиально разный тип передачи информации. Если говорить коротко, то у цифрового интерфейса каждый канал выдает только одно значение, а у аналогового – множество.
Конечно, при большом желании возможно найти плату для конвертера сигнала, приобрести ее и самостоятельно изготовить HDMI VGA или другой переходник. Однако потраченное время не будет стоить той разницы в деньгах, которую удастся сэкономить (если вообще удастся). Поэтому предпочтительнее все же изготовить переходник, а не пытаться мастерить сложный конвертер, который может и не заработать.
Назначение выводов VGA-SCART
Чтобы понять функционирование приведенных ниже схем переходников VGA SCART, рассмотрим различные типы сигналов, которые необходимо передать от компьютера к телевизору.
Сигнал RGB
Основной сигнал, который передается по кабелю от компьютера к телевизору, это RGB сигнал с разбивкой на три составляющие (R-красный, G-зеленый, B-синий) К счастью, в данном случае стандартный разъем VGA и разъем SCART полностью совместимы (выходы: амплитуда 0,7В, сопротивление 75-го Ом). Поэтому вы можете напрямую подключить соответствующие контакты, не прибегая к использованию специальных схем или устройств (позже рассмотрим и этот вариант).
Общий провод
В VGA и SCART разъемах несколько выводов имеющие соединение с общим проводом (массой), которые часто бывают соединены друг с другом внутри кабеля. Их общее соединение позволяет свести на нет различные помехи (особенно в отношении трех RGB линий). То же самое относится и к экранированному кабелю.
Сигнал Аудио
Для того, чтобы вывести звук на телевизор, необходимо взять кабель со стандартным 3,5 мм разъемом для ПК и подключите его на прямую к разъему SCART. Можно вывести как моно, так и стерео звук, не прибегая к использованию специальных устройств и схем. Только будьте осторожны, чтобы не путать аудио-выход с аудио-входом, поскольку у SCART они расположены рядом.
Сигналы коммутации
Как уже упоминалось ранее, вход SCART может принимать различные типы сигналов. Для того чтобы телевизору понять какой тип сигнала подан на вход, существует специальный контакт «RGB Blanking» (вывод 16). Если на данный контакт подать напряжение 0…0,4В, то телевизор будет ожидать «Композитный сигнал», если 1…3В, то сигнал «RGB»
Использование данного вида сигнала крайне важно для функционирования переходника VGA-SCART, и как мы увидим далее, существуют различные способы получить его
Другой вывод, который может нас заинтересовать – это «Swtch» (вывод 8). Данный вывод предназначен для переключения режима TV/AV. Также на некоторых телевизорах этот вывод позволяет установить «соотношение» сторон изображения:
Магнитный держатель печатной платы
Прочная металлическая основа с порошковым покрытием, четыре гибкие руч…
Подробнее
- Режим ТВ режим — от 0 до 2 В.
- Режим AV с соотношением 16: 9 – от 5 до 8В.
- Режим AV с соотношением 4: 3 — от 9,5 до 12В.
Если не подавать сигнал на данный вывод, то телевизор останется в состоянии по умолчанию (режим TV), и тогда для перехода в режим AV нам нужно будет воспользоваться пультом дистанционного управления.
Сигналы синхронизации
Здесь начинается самое сложное в вопросе построения VGA-SCART переходника. Синхронизация сигналов у видеокарты компьютера сильно отличается от системы синхронизации, которая используются в обычном телевизоре, поэтому необходимо прибегнуть к некоторым уловкам, чтобы сделать их совместимыми. Отличие между собой большинства схем VGA-SCART переходников основано на способах решения этой проблемы.
В компьютере стандартный VGA предполагает использование двух различных сигналов для синхронизации, один вертикальный (60 Гц) и один горизонтальный (31 кГц). Оба сигнала работают в соответствии с логикой TTL и, следовательно, имеют пиковое значение, равное 5В. И наконец, сигналы могут быть либо положительным, либо отрицательным в зависимости от используемого режима работы видео.
Вместе с тем, телевизору необходим только один составной сигнал синхронизации с пиковым значением около 1…3В. Также частота горизонтальной развертки значительно ниже, около 15 кГц (вертикальная, а практически совпадает 50…60 Гц). Наконец, сигнал должен быть всегда отрицательного характера.

Основная проблема, с которой мы сталкиваемся — горизонтальная синхронизации. Собрать схему для этого преобразования достаточно сложное занятие. В этом случае, как правило, вносят изменения в сам источник сигнала (видеокарту), используя специальное программное обеспечение или даже модифицированный VGA (вроде знаменитого ArcadeVGA), чтобы получить непосредственно 15 кГц на выходе VGA. Этот вопрос мы рассмотри далее.
Заключение
Что можно сказать напоследок? Внимательно изучите представленные рисунки и на деталях мысленно представьте, что и как вы будете делать
Во время работы соблюдайте предельную осторожность и внимательность – ведь если промахнуться с заземлением, то последствия будут довольно печальными и весьма негативными. В итоге получится не VGA RCA для техники, а необходимость купить новое устройство для воспроизведения видео. Но если всё получится – то соединение компьютера, проектора, телевизора и многих других приборов сейчас не будет проблемой
Главное, необходимо убедится, что всё выводы подсоединены к нужным выходам, и не случится никаких казусов
Но если всё получится – то соединение компьютера, проектора, телевизора и многих других приборов сейчас не будет проблемой. Главное, необходимо убедится, что всё выводы подсоединены к нужным выходам, и не случится никаких казусов.

Но вместе с этим можно поднять вопрос и о рентабельности сборки данного переходника. Дело в том, что его можно купить за 100-150 рублей, что не является высокой ценой. Время, потраченное на создание переходника своими силами, в конечном итоге обойдется дороже. Единственный приемлемый вариант – если уже всё есть, и необходимо только сделать данное устройство. С чисто любительской точки зрения подобный опыт может быть ценным, если есть прицел на работу, тесно связанную с восстановлением и созданием подобных устройств в будущем.
Есть у меня старенький комп — хочу подключить к телику, нужен преходник с обычного VGA видюи на телевизор, желтый тюльпан. Переходник конечно можно купить но я хочу именно сделать.



Нашол вот такую видюху, справа выход на тюльпан походу, видемо придётся старую видюху с таким выходом искать
####Сергей Пименов — у меня на моём родном ПК есть TV OUT, я с него подключал только один тюльпан к телику и всё прекрасно работало##### TV Out и VGA это разные вещи совсем по другому сигнал передается





























