Ограничение уровня выходного напряжения компаратора и триггера Шмитта
Применение положительной обратной связи (ПОС) в компараторах и триггерах Шмитта ускоряет переключение схем, но в связи с тем, что выходное напряжение UВЫХ изменяется от UНАС+ до UНАС-, то время переключения составляет довольно значительную величину (от долей до единиц микросекунд).
Кроме того существует проблема несовместимостей уровней выходного напряжения, к примеру, при напряжении питания ОУ UПИТ = ±15 В, выходное напряжение составит UВЫХ ≈ ±14 В (UНАС+ ≈ +14 В, а UНАС- ≈ -14 В), в то время как уровни ТТЛ микросхем составляют около +5 В или 0 В.
Для устранения вышеописанных проблем применяют так называемую привязку или ограничение уровня выходного напряжения, для этого в компаратор или триггер Шмитта вводят ООС в виде различных схем ограничения. Простейшими ограничительными схемами являются диоды или стабилитроны. Схема триггера Шмитта с ограничение выходного напряжения показана ниже
Ограничение выходного напряжения в триггере Шмитта работает следующим образом. При поступлении на инвертирующий вход напряжения меньше, чем напряжение опорного уровня (UВХ ОП), то выходное напряжение UВЫХ начинает изменяться в положительном направлении и при достижении напряжения стабилизации стабилитрона UСТ напряжение на выходе перестанет расти, а будет изменяться только ток. При этом выходное напряжение будет равняться напряжению стабилизации стабилитрона (UВЫХ = UСТ).
В случае если входное напряжение начнёт увеличиваться, выше опорного напряжения, то на выходе напряжение начнёт уменьшаться и в этом случае направление тока через стабилитрон начнёт изменяться на противоположный, а стабилитрон начнёт вести себя как диод. В результате падение напряжения на нём составит примерно 0,7 В независимо от величины протекающего через него тока, а на выходе напряжение составит -0,7 В.
Таким образом, при использовании стабилитрона выходное напряжение триггера Шмитта составит: UВЫХ1 = UСТ (при отсутствии ограничения UНАС+) или UВЫХ2 ≈ 0,7 (при отсутствии ограничения UНАС-).
Для симметричного ограничения выходного напряжения могут применяться последовательно включенные диоды или стабилитроны, что показано на рисунке ниже
В данной схеме реализуется симметричное ограничение выходного напряжения относительно опорного напряжения, причем выходное напряжение выше опорного напряжения ограничивается стабилитроном VD1, а напряжение при этом составит на 0,7 В больше напряжения стабилизации. В случае же выходного напряжения ниже опорного, то выходное напряжение будет на 0,7 В ниже напряжения стабилизации стабилитрона VD2.
При расчёте компараторов и триггеров Шмитта с ограничением выходного напряжения в качестве UНАС+ необходимо использовать UСТ (когда используется один стабилитрон) или UСТVD1 (при двухстороннем ограничении). А вместо UНАС- необходимо использовать значение падения напряжения на диоде примерно 0,7 В (при одном стабилитроне) или UСТVD2 (при двухстороннем ограничении).
Теория это хорошо, но без практического применения это просто слова.Здесь можно всё сделать своими руками.
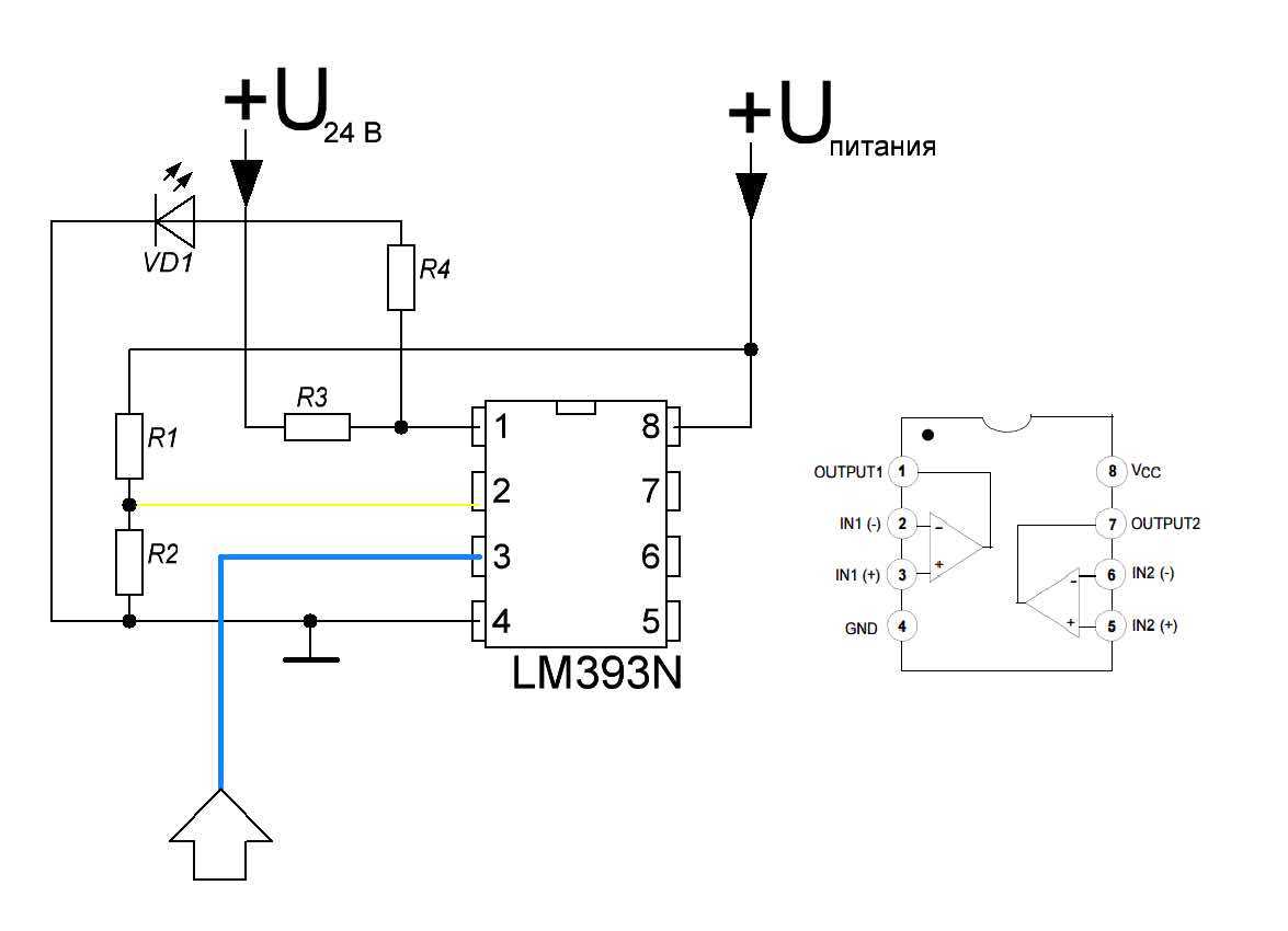
Прошло почти два года с тех пор, как я пытался приручить операционный усилитель УД708 для сравнения двух сигналов. Знаний тогда было мало, поэтому времени уходило много, а главное — еще и безрезультатно. Но в итоге для своей задачи я смог «договориться» с компаратором LM393N. А на днях перебирал поделку, в которой впервые использовал эту микросхему, и решил вспомнить, как работает компаратор. Заодно и другим рассказать.Компаратор — это устройство, сравнивающее два аналоговых сигнала. В самом простом случае — операционный усилитель без обратных связей. На входы ему подаются два напряжения — эталонное, оно же опорное (известно заранее) и измеряемое. На выходе возможны два состояния:
«1» — когда напряжение на прямом входе больше, чем на инвертирующем;«0» — когда напряжение на прямом входе меньше, чем на инвертирующем.
Некоторые компараторы самостоятельно формируют уровни логических нуля и единицы (например, «ноль» — это ноль, «единица» — плюс пять вольт), но LM393 — с открытым коллектором. Ей для создания выходного напряжения нужен внешний резистор, подключающийся либо к «плюсу» питания, либо к другому «плюсу» (в разумных пределах, конечно).
Первые две схемы — каноничное включение нагрузки под открытый коллектор. Я подключал внешний резистор к питающему «плюсу».
Входное напряжение смещения и гистерезис
Для большинства схем построенных на компараторах, величина гистерезиса является разностью напряжений входного сигнала, при котором выход компаратора либо полностью включен или полностью выключен. Гистерезис в компараторах, как правило, нежелателен, но он может потребоваться, когда необходимо уменьшить чувствительность к шуму или при медленном изменении входного сигнала.
Внешний гистерезис использует положительную обратную связь (ПОС) с выхода на неинвертирующий вход компаратора. В результате полученный триггер Шмитта обеспечивает дополнительную помехоустойчивость и более чистый выходной сигнал.
Эффект от использования гистерезиса в том, что при постепенном изменении входного напряжения, а опорное напряжение будет быстро изменяться в противоположном направлении. Это обеспечивает чистое переключение выхода компаратора.
Механический аналог гистерезиса может быть обнаружен в разнообразных тумблерах. Как только рукоятка тумблера перемещается мимо центральной точки, пружина в тумблере переводит контакты реле в гарантированное положение (открытое или закрытое).
Читать также: Обжим 100 мбит 4 жилы
Гистерезис является неотъемлемой частью большинства компараторов составляющая всего несколько милливольт и он обычно влияет только на схемы, где входное напряжение поднимается или падает очень медленно или имеет скачки напряжения, известные как «шум»…
Модуль освещенности на LM393, используется для измерения интенсивности света в различных устройствах, таких как, автоматизация света (включении света ночью), роботах (определения дня или ночи) и приборов контролирующих уровень освещенности. Измерения осуществляется с помощью светочувствительного элемента (фоторезистора), который меняет сопротивление в зависимости от освещенности.
Технические параметры
5.5 В ► Потребляемый ток: 10 мА ► Цифрового выход: TTL (лог 1 или лог 0) ► Аналогового выход: 0 В … Vcc ► Диаметр монтажного отверстия: 2.5 мм ► Выходной ток: 15 мА ► Габариты: 42мм х 15мм х 8мм
Общие сведения
Существует два модуля, визуально отличие только в количестве выводов (3 pin и 4 pin), дополнительный вывод добавлен, для снятие прямых показаний с фоторезистора (аналоговый выход), в статье пойдет речь о четырех контактом варианте модуля. В этих двух модулей, измерение осуществляется с помощью фоторезистора, который изменяет напряжение в цепи в зависимости от количества света, попадающего на него. Чтобы представить, как свет будет влиять на фоторезистор, приведу краткую таблицу.
Модуль освещенности с четырьмя выводами содержит два выходных контакты, аналоговый и цифровой и два контакта для подключения питания. Для считывания аналогово сигнала предусмотрен отдельный вывод «AO», с которого можно считать показания напряжения с 0 В … 3.3 В или 5 В в зависимости от используемого источника питания. Цифровой вывод DO, устанавливается в лог «0» или лог «1», в зависимости от яркости, чувствительность выхода, можно регулировать с помощью поворотного потенциометра. Выходной ток цифрового выхода, способен выдать более 15 мА, что очень упрощает использования модуля и дает возможность использовать его минуя контроллер Arduino и подключая его напрямую ко входу однокональному реле или одному из входов двухконального реле. Принципиальную схему модуля освещенности на LM393 с 3 pin и 4 pin, показана ниже.
Принципиальная схема модуля освещенности на LM393 с 4 pin
Принципиальная схема модуля освещенности на LM393 с 3 pin
Теперь, как же работает схема, фоторезистор показан Foto (IN). Основная микросхема модулей, это компаратор LM393 (U1), который производит сравнение уровней напряжений на входах INA- и INA+. Чувствительность порога срабатывания задается с помощью потенциометром R2 и в результате сравнений на выходе D0 микросхемы U1, формируется лог «0» или лог «2», который поступает на контакт D0 разъема J1.
LM393. Описание, datasheet, схема включения, аналог
Главная » Справочник » LM393. Описание, datasheet, схема включения, аналог
Микросхема LM393 имеет в своем корпусе два независимых компаратора напряжения. Компаратор LM393 может работать, как от однополярного источника питания в широком диапазоне напряжений, так и от двухполярного источника. При использовании двухполярного — разница между потенциалами должна составлять от 2 В до 36 В.
Ток потребления компаратора не зависит от напряжения питания
Необходимо обратить внимание, что данный компаратор имеет выход с открытым коллектором
Ключевая особенность LM393
- Широкий диапазон напряжения питания: 2…36 В или ±1…±18 В
- Очень низкий ток потребления (0,45 мА)
- Низкий входной ток смещения: 20 нА
- Низкий входной ток смещения: ± 3 нА
- Низкое входное напряжение смещения: ± 1 мВ тип
- Низкое выходное напряжение насыщения: 80 мВ
- TTL, DTL, ECL, MOS, CMOS совместимые выходы
Компаратор LM393 доступен в корпусе: DFN8 2х2, MiniSO8, TSSOP8 и SO8
Аналог LM393
Для замены можно использовать следующие зарубежные и отечественные аналоги LM393:
отечественный аналог
- 1040СА1
- КР1040СА1
- 1401CA3
Принцип работы LM393
Чтобы понять как же работает данный компаратор, рассмотрим простую схему сумеречного автомата.
Глядя на схему мы видим, что оба входа компаратора подключены к делителям напряжения. Первый делитель напряжения, подключенный к инвертирующему входу (2), состоит из постоянного резистора и фоторезистора.
Тестер транзисторов / ESR-метр / генератор
Многофункциональный прибор для проверки транзисторов, диодов, тиристоров…
Подробнее
Как известно сопротивление неосвещенного фоторезистора имеет очень большое сопротивление (более 1МОм), и малое при освещении. Поэтому в ночное время суток, согласно логике работы делителя напряжения, напряжение на входе (2) компаратора будет выше, чем в дневное время суток.
Чтобы включать и выключать свет (в нашем случае светодиод), в зависимости от степени освещенности фоторезистора, нам необходимо установить порог переключения. Для этого служит неинвертирующий вход (3) на который необходимо подать опорное (неизменяемое) напряжение. Это опорное напряжение мы возьмем с переменного резистора R3, который выполняет роль делителя напряжения.
Теперь компаратор будет сравнивать два уровня напряжения (на выводах 2 и 3). Если напряжение на входе 2 будет больше чем на входе 3, то светодиод загорится. Как только напряжение на входе 2 опустится (при освещении фоторезистора) ниже уровня напряжения на входе 3, светодиод погаснет.
Скачать datasheet LM393 в формате pdf
Блок питания 0…30В/3A
Набор для сборки регулируемого блока питания…
Подробнее
Отправить сообщение об ошибке.
Индикатор напряжения на lm339 схемы самоделки
Схема индикатора температуры на счетверённом компараторе LM339N, предназначена для индикации нагрева теплоотводов в мощных усилителях низкой частоты, фазовых регуляторов мощности. Также его можно использовать для световой сигнализации перегрева электродвигателей, трансформаторов сварочных аппаратов, двигателей внутреннего сгорания с воздушным охлаждением.
Интегральная микросхема LM339N представляет собой счетверённый прецизионный компаратор напряжения. Микросхема выполнена в стандартном корпусе DIP-14, имеет широкий диапазон питающего напряжения — двуполярное от ±1 В до ±18 В, однополярное от 2 до 36 В. Функциональная схема одного компаратора микросхемы показана на рис. 2.
Используя эту микросхему, легко построить, например, различные узлы индикации со светодиодной шкалой.
В недалёком прошлом построение устройств со светодиодными шкалами вызывало определённые трудности, связанные с тем, что несколько одновременно включенных светодиодов потребляли от источника питания значительный ток, иногда достигающий сотен миллиампер.
В настоящее время, с появлением сверхярких светодиодов, которые достаточно ярко светят уже при токе менее 1 мА, можно создавать линейные светодиодные шкалы с простым управлением, потребляющие ток менее 20 мА при 10 и более одновременно включенных светодиодах.
В качестве датчика температуры работает терморезистор R1 с отрицательным ТКС — чем больше температура его корпуса, тем меньше сопротивление. Работает устройство следующим образом. Допустим, напряжение на входе «+», вывод 7 компаратора DA1.1 больше, чем на входе «-«, вывод 6 DA1.1. В этом случае на выходе компаратора, вывод 1 будет высокий уровень напряжения, светодиод HL1 не светится.
При нагреве корпуса терморезистора R1 напряжение на его выводах понижается, также понижается напряжение на выводе 7 DA1. Когда напряжение на входе «+» DA1.1 станет меньше напряжения на входе «-» DA1.1, на выходе этого компаратора высокий уровень напряжения сменится на низкий, светодиод HL1 зелёного цвета свечения засветится.
Если движки подстроенных резисторов R2 -R5 настроены так, что, начиная с R2, на движке каждого следующего подстроечного резистора напряжение меньше, чем у предыдущего, то при нагреве корпуса терморезистора светодиоды HL1-HL4 будут последовательно зажигаться. Сначала загорится светодиод зелёного цвета HL1, затем жёлтого HL2, красного HL3.
lm393: аналоги
Новым прибором со схожими и усовершенствованными (в области температуры) характеристиками является двойной компаратор lm2903B.
Прибор есть во многих магазинах, правда, цена его значительно выше, чем lm393. Его средняя цена в точках продажи радиодеталей составляет около 90 рублей. Иногда устройство заменяют другими компараторами, например, lm2903, lm293. У них — немного меньшее напряжение и сила тока потребления, а вот другие параметры — почти такие же. Этим и объясняется указание наибольших технических показателей в единственном даташит.

Отечественные аналоги устройства — это два варианта, к1401Са3 и 1040са1. Но в настоящее время их крайне сложно купить. Они год за годом вытеснялись с отечественного рынка иностранными микросхемами.
Обозначение и технические характеристики
Компаратор – это устройство, которое сравнивает два разных напряжения и силу тока, выдает конечный силовой сигнал, указывая на большее из них, одновременно производя расчет соотношения. У него есть две аналоговые вводные клеммы с положительным и отрицательным сигналом и один двоичный цифровой выход, как и у АЦП. Для отображения сигнала используется специальный индикатор.
УГО отображение компаратора выглядите следующим образом:
Фото – УГО компаратора
Изначально использовался только интегрированный компаратор напряжения (MAX 961ESA, PIC 16f628a), который известен как высокоскоростной. Он требует определенного дифференциального напряжения в определенном диапазоне, который существенно ниже, чем напряжение сети питания. Эти приборы не допускают никаких других внешних сигналов, которые находятся вне диапазона напряжения сети.
Сейчас гораздо чаще используется аналоговый цифровой компаратор (Attiny/ Atmega 2313), у которого транзисторный ввод. У него вводный потенциал сигнала находится в диапазоне менее 0,3 Вольт и не поднимается выше. Устройство может быть также ультра быстрого типа (стереокомпаратор), благодаря чему входной сигнал меньше обозначенного диапазона, к примеру, 0,2 Вольта. Как правило, используемый диапазон ограничивается только конкретным входным напряжением.
Фото – Компаратор
Помимо простого прибора, также существует видеоспектральный компаратор на ОУ (операционном усилителе). Это прибор, у которого очень тонко сбалансирована разница входа и высокого сопротивления сигнала. Благодаря такой характеристики, операционный компаратор используется в низкопроводимых схемах с небольшим вольтажем.
Фото – схема компаратора
В теории, частотный операционный усилитель работает в конфигурации с открытым контуром (без отрицательной обратной связи) и может быть использован в качестве компаратора низкой производительности. Но при этом, не инвертирующий вход (+ V) находится на более высоком напряжении, чем на инвертирующий (V-). Высокое усиление, выходящее из операционного усилителя, провоцирует выход низкого напряжения на входе в устройство.
Когда неинвертирующий вход падает ниже инвертирующего входа, выходной сигнал насыщается при отрицательном уровне питания, то он все равно может проводить импульсы. Выходное напряжение ОУ ограничивается только напряжением питания. Принципиальная электрическая схема ОУ работает в линейном режиме с отрицательной обратной связью, с помощью сбалансированного сплит-источника питания (питание от ± V S ). Многие приборы, работающие с компаратором, также имеют свойство фиксировать полученные данные при помощи видео-, фото- или документальной записи. Эти электронные принципы не работают в системах, где используются разомкнутые контуры и низкопроводящие элементы.
Фото – простой компаратор
Но у компараторного усилителя существует несколько существенных недостатков:
- Операционные усилители предназначены для работы в линейном режиме с отрицательной обратной связью. Но при этом, ОУ имеет более длительный режим восстановления;
- Почти все операционные усилители имеют конденсатор внутренней компенсации, который ограничивает скорость нарастания выходного напряжения для высокочастотных сигналов. Исходя из этого, данная схема немного задерживает импульс;
- Компаратор не имеет внутреннего гистерезиса.
Из-за этих недостатков, компаратор для управления различными схемами, в большинстве случаев, используется без усилителя, исключением является генератор.
Компаратор предназначен для производственных процессов с ограниченным выходным напряжением, которое легко взаимодействует с цифровой логикой. Поэтому его часто используются в различных термических приборах (терморегулятор, реле температуры). Также его применяют для сравнения сигналов и сопротивлений таких устройств, как таймер, стабилизатор и прочая схемотехника.
Фото – аналоговый компаратор
Видео: компараторы
Назначение
Зачем нужен компаратор и как его использовать без усилителя? В большинстве случаев, этот прибор применяется в несложных компьютерных схемах, где нужно сравнивать сигналы входящего напряжения. Это может быть зарядное устройство для ноутбука или телефона, весы (определитель массы), датчик сетевого напряжения AVR, таймер (компоратор типа lm 358, микроконтроллер и т. д. Также его применяют различные интегральные микросхемы для контроля входных импульсов, обеспечивая связь между источником сигнала и его центром назначения.

Фото – компараторы для компьютера
Наиболее популярным примером является компаратор триггер (регулятор) Шиммера. Он работает в режиме многоканальности, соответственно, может сравнивать большое количество сигналов. В частности, данный триггер применяется для того, чтобы восстановить цифровой сигнал, который искажает связь в зависимости от уровня напряжения и расстояния источника питания.
Это аналог стандартного компаратора, просто с более расширенным функционалом, который обеспечивает измерение нескольких входящих сигналов.

Фото – ОУ компаратор
Также есть компаратор шероховатости. Это устройство, которое помогает визуально определить состояние поверхности, которая уже подвергалась обработке. Применение этого приспособления обосновано необходимостью определять допуски обработанных ранее поверхностей.
lm393: включение
Рассмотрев схему подключения устройства, можно понять все этапы его работы. Ее сбор — под силу любому радиолюбителю. Для него понадобится несколько ключевых составляющих:
- Фотографический резистор.
- Два резистора с сопротивлением 33 000 и 330 Ом, соответственно.
- Световой диод
- 3 батарейки 2А.
- Потенциометр (1-20 кОм).
В указанной схеме задача компаратора состоит в сверке уровня приходящих сигналов с максимальной величиной, чтобы принимать решения о поступления электропитания на световой диод. А с помощью фотографического резистора можно изготовить небольшую ночную лампу. Ночью он светится, днём — гаснет.

Роль калибратора в данной конструкции принадлежит потенциометру. Он помогает в настройке сопротивления при включении/выключении светового диода в разное время суток. По итогам такого типа настройки становится возможным сравнение опорного электропитания и напряжения делителя, получаемого по линии подключения фотографического резистора и резистора с сопротивлением 33 кОм.
При попадании света на фотографический резистор, уровень его сопротивления опускается менее чем до 30 кОм. Получается, что значительная часть нагрузки остаётся простому резистору. В итоге, у входа конструкции, посредством резистивного делителя, напряжение будет ниже, чем опорное.
У выхода — более высокое напряжение, за счет которого световой диод гасится. В темное время суток у фотографического резистора — солидное сопротивление, поэтому он получит свою крупную часть нагрузки.
Напряжение, которое посылает резистивный делитель, больше, чем опорное. В итоге, у выхода конструкции оно сохраняется на низком уровне, что приводит к свечению диода.
Как работает схема (примеры)
По указанному принципу составляют датчик освещённости lm393. Это хороший пример взаимодействия lm393 и arduino.
В некоторых магазинах уже продаются уже собранные электронные модули. Их наименование содержит обозначение микросхемы.

Компаратор также используется для создания реле времени. Он является, по сути, усилителем, у которого есть инвертирующий и неинвертирующий входы, цифровой выход. К неинвертирующему входу поступает опорное напряжение, к инвертирующему — изменённое. Если значения сравниваются, у выхода устройства появляется так называемый сигнал «логической единицы».
Реле конструируют следующим образом. Опорное напряжение концентрируется на резисторах. Оно равно 40% этой величины от электропитания. Оно небольшое, поскольку на выходе компараторный транзистор не закрыт, а обратный резистор параллельно подключается к одному из основных.
У инвертирующего входа напряжение приближается к показателю питания, и с изменением заряда конденсатора оно падает. Когда оно достигает значения, меньшего, чем напряжение неинверторного входа, транзистор устройства закрывается.
При отсутствии параллельного соединения резисторов происходит увеличение опорного напряжения на 0,27. Это приводит к появлению гистерезиса lm393. Иными словами, при падении напряжения на конденсаторе, для нового переключения компаратора необходимо падение напряжения именно на эти 0,27 В.
Вычисление гистерезиса
Пересчитайте напряжение делителя при параллельном соединении двух резисторов. Их сопротивление высчитывается следующим образом:

Далее, высчитайте длительное напряжение:

А затем, считаем это напряжение без последнего резистора:

Гистерезисом будет являться разница вычисленных напряжений, равная как раз 0,27 В.
А как быть, если требуется зажигание светодиода строго через конкретный промежуток времени? Тогда поменяйте между собой R2 и R3, C1 и R1.
Рассмотрим все возможные варианты.
Реле (на компараторе) с инверсионным включением
Если питание отключается ненадолго, время считается не с первой минуты, поскольку разрядка конденсатора длится не быстро. Для ее ускорения желательно добавление диода.
Реле lm393 с одним диодом
Когда питание отключается, происходит разрядка конденсатора и питание схемы. Как правило, ток протекает через световой диод. Но чтобы компаратор не подпитывался от конденсатора, нужно добавление ещё одного диода
Реле lm393 с двумя диодами
Когда питание отключается, световой диод не загорается, но при этом конденсатор разряжается не так быстро, через резисторы.
Принцип работы
Работает схема индикатора заряда аккумулятора на светодиодах следующим образом. Застабилизированное с помощью резистора R7 и стабилитрона VD2 напряжение 6,2 вольт поступает на резистивный делитель, собранный из R8-R12. Как видно из схемы между каждой парой этих резисторов формируются опорные напряжения разного уровня, которые поступают на прямые входы компараторов. В свою очередь, инверсные входы объединены между собой и через резисторы R5 и R6 подключены к клеммам аккумуляторной батарее (АКБ).
В процессе заряда (разряда) аккумулятора постепенно изменяется напряжение на инверсных входах, что приводит к поочередному переключению компараторов. Рассмотрим работу операционного усилителя OP1, который отвечает за индикацию максимального уровня заряда АКБ. Зададим условие, если заряженный аккумулятор имеет напряжение 13,5 В, то последний светодиод начинает гореть. Пороговое напряжение на его прямом входе, при котором засветится этот светодиод, рассчитаем по формуле: UOP1+ = UСТ VD2 – UR8, UСТ VD2 =UR8+ UR9+ UR10+ UR11+ UR12 = I*(R8+R9+R10+R11+R12) I= UСТ VD2 /(R8+R9+R10+R11+R12) = 6,2/(5100+1000+1000+1000+10000) = 0,34 мА, UR8 = I*R8=0,34 мА*5,1 кОм=1,7 В UOP1+ = 6,2-1,7 = 4,5 В
Это означает, что при достижении на инверсном входе потенциала величиной более 4,5 вольт компаратор OP1 переключится и на его выходе появится низкий уровень напряжения, а светодиод засветится. По указанным формулам можно рассчитать потенциал на прямых входах каждого операционного усилителя. Потенциал на инверсных входах находят из равенства: UOP1- = I*R5 = UБАТ – I*R6.
Opel Kadett 1.4 papamobilE › Бортжурнал › Регулятор напряжения своими руками
Когда-то давно накрылся мокрым тазом и медным полотенцем мой штатный регулятор. После того я поставил самодельный по принципу усилителя. Схема была неплохая, но грелась сильно. Через год она благополучно вышла из строя. Поэтому пришлось сделать новый регулятор по принципу штатных. Т.е. выходной транзистор работает в ключевом режиме: когда напряжение превышает заданное, регулятор полностью отключает обмотку возбуждения. При снижении напряжения — снова включает. Включение/отключение надо производить резко, иначе перерегулирования не избежать. Свой регулятор я собрал на компараторе. Схема элементарная:

Схема принципиальная На один вход компаратора подается эталонное напряжение, на другой — измеренное с делителя R1-R2-R3. Резистором R2 можно установить требуемое напряжение в диапазоне от 12,5 до 15,5 В Но! При первой установке начало качать напряжение, фары и все лампочки моргали с низкой частотой. Выкусил конденсатор С1. Гистерезис уменьшился, но лампочки так же моргают. Установка заводского регулятора не меняет картины. Раскачка напряжения примерно 1В. На одном форуме нашёл, что причиной может быть плохой контакт массы регулятора. Люди написали, что это бред. Кому интересно, докажу обратное. Резистор R9 у меня в схеме — это тот самый «плохой контакт». При подаче напряжения на схему R9 подключён последовательно с делителем, но его сопротивление ничтожно мало и на «объективность» измерений не влияет. Регулятор видит напряжение 12В (а задано 14,2) и … открывает выходной транзистор. По обмотке возбуждения начинает идти ток порядка 3-4 А. Этот же ток течет и через «плохую» массу регулятора (R9). По закону Ома на этом резисторе появляется падение напряжения около 1В. Теперь регулятор видит напряжение 12-1=11В! Поскольку генератор уже возбужден, напряжение повышается. Пока регулятор не «увидит» 14,2В, он не отключит возбуждение. Когда он всё-таки увидит заданные 14,2В, это будет означать, что в бортовой сети уже 15,2В (14,2+1на плохом контакте, которое регулятор не видит)! Теперь обмотка возбуждения отключается, ток через R9 становится ничтожно мал, следовательно — падение на нем исчезает. Регулятор снова видит правильно! А правильно — это 15,2В! Вот он и ждет, когда напряжение упадет до 14,199999В, чтобы снова подключить возбуждение. Плохой контакт я устранил, напряжение стало, как вкопанное! Размеры регулятора большие, потому что сразу я использовал обычный советский биполярный транзистор. Он грелся и не вытягивал нагрузки. Заменил на полевой с изолированным затвором IRF3205. Штука бомбовая! Сопротивление в открытом состоянии — 0,0008Ом! Корпус уже решил не переделывать. При оборотах 1200 и выше держит напряжение при ЛЮБОЙ нагрузке! А главное, что на лето можно убавить напряжение, а на зиму — добавить. А самое-пресамое преимущество — это «цена вопроса»)

↑ Генератор световых импульсов или просто мигалка на светодиоде
Генератор световых импульсов («мигалка») на транзисторах разной структуры (рис. 2) отличается простотой, низким напряжением питания и малым потреблением тока (менее 120 мкА). Устройство выполнено по схеме несимметричного мультивибратора и работает следующим образом.

Рис. 2. Генератор световых импульсов на транзисторах
При включении источника питания GB1 конденсаторы С1 и С2 начинают заряжаться каждый по своей цепи. Конденсатор С1 по цепи R1-C1-R2, а конденсатор C2 по цепи R3-C2-R2.
Поскольку постоянная времени второй цепи много меньше первой, сначала зарядится до напряжения источника питания конденсатор С2. По мере заряда конденсатора С1 транзистор VT1 начинает открываться и открывает транзистор VT2.
Далее процесс происходит лавинообразно. Сопротивление участка коллектор – эмиттер транзистора VT2 становится очень малым и напряжение питания батареи GB1 оказывается приложенным к резистору R2.
Благодаря элементам R3, C2, называемым схемой «вольтодобавки», заряженный до напряжения источника питания конденсатор С2 оказывается подключённым последовательно с гальваническим элементов GB1 и приложенное к светодиоду напряжение почти удваивается.
В процессе разряда конденсатора С2 светодиод HL1 некоторое время светится, поскольку к нему приложено напряжение выше порогового (1,6…2,0 В).
В это же время конденсатор С1 также начинает разряжаться, что приводит к закрытию транзистора VT1, а вслед за ним и VT2. Процесс этот снова происходит лавинообразно, до надёжного закрытия обеих транзисторов.
Далее конденсаторы С1 и С2 опять начинают заряжаться, и работа устройства повторяется, как было описано выше.
Обратите внимание на интересное свойство несимметричного мультивибратора:
при работе оба транзистора либо открыты, либо заперты. Ток потребления закрытых транзисторов весьма мал, что позволяет создавать экономичные приборы.
Частота генерации зависит от сопротивления резисторов R1, R2, ёмкости конденсатора C1 и напряжения источника питания GB1. При указанных на схеме значениях элементов она составляет около 1,3 Гц.
Внешний вид собранной «мигалки» представлен на рис. 3. Здесь SMD элементы сочетаются с традиционными выводными деталями. Такой метод монтажа применяется и в промышленности.

Рис. 3. Генератор световых импульсов, собранный по схеме рис. 2
Работа схемы
Схема робота на основе Arduino и датчика скорости LM393 представлена на следующем рисунке.

Вычислительные и управляющие задачи в схеме возложены на плату of Arduino Nano. Колеса робота приводятся в движение двумя электродвигателями постоянного тока при помощи драйвера двигателя на основе H-моста L298N. Джойстик используется для управления скоростью и направлением движения робота, а два датчика скорости H206 используются для измерения скорости, пройденной дистанции и угла поворота робота. Измеренные значения этих параметров отображаются на экране ЖК дисплея 16×2. Потенциометр, подключенный к ЖК дисплею, можно использовать для управления его контрастностью, а резистор служит для ограничения тока для управления яркостью подсветки дисплея.
Схема запитывается от литиевого элемента на 7.4V. Эти 7.4V подаются на контакт 12V драйвера двигателя, а регулятор напряжения драйвера двигателя преобразует их в стабилизированное напряжение +5V, которое используется для питания платы Arduino, ЖК дисплея, датчиков и джойстика.
Двигатели управляются с помощью цифровых контактов 8, 9, 10 и 11 платы Arduino. Поскольку нам необходимо управлять еще и скоростью вращения двигателей мы используем сигналы ШИМ (широтно-импульсной модуляции), подаваемые на положительные контакты двигателей. Для этой цели мы используем контакты 9 и 10 платы Arduino, на которых возможно использование ШИМ сигналов. Значения положения осей X и Y джойстика подаются на аналоговые контакты A2 и A3 соответственно.
Поскольку, как мы уже знаем, датчик H206 формирует управляющее воздействие (триггер) каждый раз когда обнаруживается отверстие в пластине с делениями. Для повышения точности определения скорости мы эти управляющие воздействия будем подавать на входы внешних прерываний на контактах 2 и 3 платы Arduino. После сборки робота у нас получилась конструкция показанная на следующем рисунке. Более подробно вы ее можете рассмотреть на видео, приведенном в конце статьи.

