Простой регулятор мощности на pic16F628A
Внимание: данный регулятор был переработан, обновленная схема и прошивка по этой ссылке.
Основное назначение — регулятор температуры для паяльника
Регуляция мощности не фазовая, а широтно-импульсная: один цикл в 10 секунд, 20 ступеней регулировки. Удерживание в нажатом состоянии любой кнопки при включении включает полную мощность — режим форсированного разогрева. Через 5 минут или при нажатии на любую кнопку загружается из памяти последний запомненный уровень мощности. Нажатие двух кнопок одновременно — запомнить текущий уровень мощности.

Контроллер был подселён в корпус к паяльной станции. Теперь можно паять сразу обеими руками.

Розетка для подключения нагрузки выходит на заднюю стенку.
Пока принципиальная схема и прошивка. Более подробное описание добавлю позже. Светодиоды HL1-HL10 — индикатор уровня мощности. HL11 — индикатор включения нагрузки, светится вместе с подачей напряжения на нагрузку.
Принципиальная схема

- DD1 — pic16F628A
- DA2 — MOC3061
- VS2 — MAC15N
- C8 — 1n-10n 600V
- R27 — 39 Ohm 0.5W
- HL1-HL4 — зеленые
- HL5-HL7 — желтые
- HL8-HL10 — красные
- HL11 — зеленый
Update 18.01.2011: чуть поправил код, новая прошивка v2.00.
Скрин с протеуса: полет нормальный!

Для надежности и в железе проверяем: тоже работает.

Прошивка
Версия 1.00 от 17.01.2010: (доступно зарегистрированным пользователям)
Версия 2.00 от 18.01.2011: (доступно зарегистрированным пользователям)
Дополнения
Для питания частотомера можно использовать любой сетевой адаптер с выходным стабилизированным напряжением 9 вольт и током нагрузки не менее 300 мА. Либо установить в корпус частотомера стабилизатор на микросхеме типа КРЕН на 9 вольт и питать от адаптера с выходным напряжением 12 вольт, либо брать питание непосредственно от измеряемой схемы, если там напряжение питания не менее 9 вольт. Каждую микросхему необходимо зашунтировать по питанию конденсатором порядка 0,1 мкФ (можно подпаять конденсаторы прямо на ножки «+» и «-» питания). В качестве входного щупа можно использовать стальную иглу, припаянную к входной «площадке» платы, а «общий» провод снабдить зажимом типа «крокодил».

Данная конструкция была «создана» в 1992 году и успешно работает до сих пор. Андрей Барышев.
Источник
Встраиваемый частотомер до 65 МГц PLJ-6LED с 6 — разрядным цифровым дисплеем
Для измерения частот сигналов любой формы, в диапазоне от 100 кГц до 65 МГц, востребованном в радиолюбительской и ремонтной практике, удобно использовать простой, светодиодный, малогабаритный и точный цифровой частотомер на микроконтроллере PIC16F648A. Частоты, выходящие за пределы диапазона, используются редко: ниже 100 кГц — практически, звуковые, а выше 65 МГц — FM приемники и GSM. Благодаря коротким стойкам с резьбой прибор удобно встраивается в передние панели приборов.
Особенности измерений
Схема измерений такова, что многофункциональный частотомер из Китая может предлагать, что именно отображать на шкале: вычитаемое или прибавляемое значение частоты, сравнённое с введённым вручную. Частота, устанавливаемая для сравнения, в специальном режиме меню, может лежать в пределах от 0 до 99,9999 МГц. Точность установки — шаги через 100 Гц, а погрешность измерений — 10 Гц. Разумеется, что при установленной вручную частоте, равной нулю, прибор будет измерять «frequency» на входе без оглядки на какие-либо ориентиры частот.
Несколько слов о точности измерений
Частотомер на пике PIC16F648A и LED индикатором (в лексиконе радиолюбителей пик — PIC— контроллер) имеет кварцевый, температурно-компенсированный генератор частоты, управляемый напряжением, амплитудное значение которого мало и равно 2,5 мВ. Так как измеряемая частота сравнивается с частотой кварцевого генератора, которая, в некоторой степени, зависит от температуры, то для уменьшения погрешности используется схемотехническое решение VC-TCXO, корректирующее уход частоты кварца при изменении внешних условий.
Вариативность напряжений питания
Инструкция предлагает один диапазон питания: от 6 до 15 В. Подключение — интерфейс на плате. Если вам удобнее использовать напряжение 5 В от USB выхода устройства, то частотомер допускает это, в случае проведения определенной аппаратной настройки. У прибора имеется 6-pin программный вход (ICSP).
Частотомер на PIC16F628 своими руками
Первым делом рассмотрим простую и дешевую схему частотомера. Он может измерять сигналы от 16 до 100Гц с максимальной амплитудой 15В. Чувствительность высокая, разрешение — 0,01 Гц. Входной сигнал может быть синусоидальной, прямоугольной или треугольной волной.
Частотомер может использоваться во многих приложениях. Например, для наблюдения за точностью генератора, для измерения частоты сети или нахождения оборотов двигателя, соединенного с датчиком.
Схема частотомера и необходимые детали для монтажа
Файл печатной платы представлен в формате PDF, архив можно скачать ниже. Вы можете сделать плату используя метод ЛУТ.


Необходимые детали для сборки частотомера:
- МК PIC 8-бит — PIC16F628A (PIC16F628-04/P).
- 4 биполярных транзистора — BC547.
- 2 керамических конденсатора — 22 пФ.
- 12 резисторов — 1х4.7 кОм, 4х1 кОм, 7х330 Ом.
- Кварц — 4 МГц.
- 4 семисегментных индикатора (общий катод).
Радиоэлементы для изоляции:
- Биполярный транзистор — BC547.
- Выпрямительный диод — 1N4148
- Оптопара — 4N25M.
- 4 резистора — 2х1 кОм, 1х10 кОм, 1х470 Ом.
Необходимые комплектующие для сборки питания:
- Линейный регулятор — LM7805.
- 2 электролитических конденсатора — 100 мкФ, 16В.
- 2 полиэфирных конденсатора — 220 нФ.

Перед измерением частоты входного сигнала, он должен быть преобразован в прямоугольный. Для этой цели используется схема оптической развязки с оптроном 4N25. Таким образом, входной сигнал надежно изолирован от микроконтроллера и превращается в меандр. Амплитуда сигнала не должна превышать 15В. Если это произойдет, резистор 1кОм может сгореть. Если вы хотите измерить частоту сети, вы должны использовать 220В/9В трансформатор.
Видео о сборке частотомера на PIC16F628A:
Частотомеры
Частотомеры, сделанные на основе микросхем К561 (CD40) или микроконтроллеров обычно предназначены для измерения частоты не более 1 Мгц. А частотомеры в составе мультиметров DT9206A всего до 20 кГц. Программные частотомеры, использующие в качестве входа звуковую карту компьютера — до 40 кГц. Но .
Схема самодельного частотомера без входного узла, выполненный на микроконтроллере AT-tiny2313 и жидкокристаллическом дисплее DV-162. Схема с минимальным набором навесных элементов. Модуль предназначен для встраивания в лабораторные генераторы, а так же для построения на его основе частотомера .
Принципиальная схема простого частотомера, построенного на микросхемах HCF4026BEY, диапазон измеряемых частот от 1Гц до 10МГц. Сейчас радиолюбителям стала доступна зарубежная элементная база, а, подчас, она бывает даже доступнее отечественной. Вот пример, — искал счетчики К176ИЕ4 чтобы сделать .
Действие цифрового частотомера основано на измерении числа входных импульсов в течение образцового интервала времени в 1 секунду. Исследуемый сигнал подают на вход формирователя импульсов, который собран на транзисторе VT1 и элементе DD3.1, который вырабатывает электрические колебания прямоугольной .
Не сложная схема самодельного пятиразрядного частотомера с пределами измерений от 1Гц до 99999Гц, выполнен на микросхемах CD4001, CD4026, CD4040. Принципиальная схема пятиразрядного частотомера 1Гц до 99999Гц (CD4001, CD4026, CD4040). Это простой частотомер для измерения частоты .
Принципиальная схема самодельной приставки к мультиметру для измерения частоты в пределах 5Гц-20МГц. В некоторых цифровых мультиметрах, например, MY64, MY68, М320, M266F имеется встроенная функция измерения частоты, благодаря чему мультиметр может использоваться как цифровой частотомер .
Этот частотомер может работать и как самостоятельное устройство, так и всоставе генератора ЗЧ в качестве его цифровой шкалы. Частотомер предназначен для измерения частоты в пределах до 100 кГц. (0-99999 Гц). Схема состоит из входного усилителя на транзисторе VТ1, измерительного счетчика .
Частотомер, схема которого приведена ниже, может быть использован в качестве цифровой шкалы для какого-то устройства, к примеру для лабораторного генератора звуковой частоты (ЗЧ). Он измеряет частоту от 1 до 99999 Гц. Входное напряжение сигнала должно быть не ниже 0,5-0,6V. Но, при использовании .
Микросхема ММ74С926 (или другие аналоги 74C926 представляет собой десятичный четырехразрядный счетчик, объединенный с системой индикации из дешифратора в код для семисегментного индикатора и схемы опроса для динамической индикации. На основе этой микросхемы можно строить различные приборы, в том .
Частотомеры, построенные по «медленной» схеме популярны среди радиолюбителей потому, что их схема проще и не требует применения регистров или триггеров для запоминая данных предыдущего измерения. Но, недостаток таких частотомеров вих медленности. Многоразрядный частотомер без переключателя .
Источник
Описание частотомера
Конечно же, объединение двух проектов в один не простая задача. Прежде всего, я хотел чтобы это был частотомер на микроконтроллере, и не имел дополнительных микросхем. Помимо этого я выбрал 16F628A, и потому один из выводов (порта RA5) может быть использованы только в качестве входа.
Для мультиплексного управление 6 цифрами 7-сегментного дисплея требуется 7 + 6 = 13 выходов. Микроконтроллер16F628A имеет 16 выводов, два из которых используются для кварцевого генератора, один для входного сигнала и еще один может быть использован только для входа. Так что у нас остается только 12 свободных выводов. Решение — управление одним из общих катодов с помощью транзистора, который открывается, в момент, когда все другие цифры выключены.
В схеме частотомера применено два 3-разрядных 7-сегментных дисплея с общим катодом типа BC56-12SRWA . Цифры 2..5 включаются, когда соответствующие выводы устанавливаются на низком уровне. Когда на всех этих выводах находится высокий уровень, транзистор Q1 открывается и загорается первая цифра. Ток потребления для каждого сегмента составляет около 6-7mA.
Следует отметить, что выводы, связанные с общими катодами теоретически могут потреблять до 50 мА, если все сегменты светятся. Это, конечно же, немного выше характеристик микроконтроллера. Но так как каждая цифра включается на очень короткое время, то это безопасно. Вся схема частотомера потребляет в среднем около 30-40 мА.

Микроконтроллер тактируется от внутреннего 4 МГц генератора. Таймер1 использует внешний кварцевый генератор с частотой 32768Hz для установки односекундного интервала. Timer0 используется для подсчета входного сигнал на выводе RA4. И, наконец, Таймер2 используется для обновлений цифры. Частотомер может измерять частоту от 920 до 930 кГц, что для любительских целей вполне достаточно. В качестве источника питания используется стабилизатор напряжения 78L05.
(скачено: 1 182)
-
28.09.2014
Данный приемник работает в диапазоне 64-75 МГц и имеет реальную чувствительность 6 мкВ, выходную мощность 4 Вт, диапазон ЗЧ — 70…10000Гц, КНИ не более 1 %. При этих параметрах приемник имеет размеры 60*70*25 мм. Приемный тракт собран на КС1066ХА1(К174ХА42) по стандартной схеме. Антенна — провод длиной около метра, сигнал от …
-
29.09.2014
Схема выполнена на двух микросхемах ТВА1208. В основе лежит схема трансивера, напечатанная в Л,1, но этот тракт работает с промежуточной частотой 500 кГц, что, конечно несколько снижает eгo характеристики, но позволяет использовать готовый, нacтpoeнный на заводе электромеханический фильтр. Микросхемы ТВА1208 предназначены для работы в тракте второй ПЧ3 телевизоров, В них …
-
20.09.2014
Классификация магнитных материалов Магнитные материалы находят самое широкое распространение в электротехнике, без них в настоящее время немыслимы электрические машины, трансформаторы, электроизмерительные приборы. В зависимости от применения к магнитным материалам предъявляются различные, подчас противоположные, требования. По признаку применения магнитные материалы классифицируются на две большие группы: магнитомягкие магнитотвердые Рассмотрим кратко их характеристики. …
- 10.12.2017
На рисунке показана схема простого высоко чувствительного акустического выключателя, который управляет нагрузкой при помощи реле. В схеме используется электретный микрофон, при использовании ECM микрофона необходимо использовать резистор R1 сопротивление от 2,2 кОм до 10 кОм. Первые два транзистора представляют собой предварительный микрофонный усилитель, R4 С7 в схеме устраняют нестабильность усилителя. …
Печатная плата
Двухсторонняя печатная плата имеет размеры 109 × 23 мм. В бесплатной версии среды проектирования печатных плат Eagle в библиотеке компонентов отсутствуют семисегментные светодиодные индикаторы, поэтому они были нарисованы автором вручную. Как видно на фотографиях (Рисунки 5, 6, 7) авторского варианта печатной платы, дополнительно необходимо выполнить несколько соединений монтажным проводом. Одно соединение на лицевой стороне платы – питание на вывод Vcc микроконтроллера (через отверстие в плате). Еще два соединения на нижней стороне платы, которые используются для подключения выводов сегмента десятичной точки индикаторов в 4 и 7 разряде через резисторы 330 Ом на «землю». Для внутрисхемного программирования микроконтроллера автор использовал 6-выводный разъем (на схеме это разъем изображен в виде составного JP3 и JP4), расположенный в верхней части печатной платы. Этот разъем не обязательно припаивать к плате, микроконтроллер можно запрограммировать любым доступным способом.
| Рисунок 5. | Расположение светодиодных индикаторов и транзисторных ключей на плате. Видна перемычка монтажным проводом для подачи питания на микроконтроллер |
| Рисунок 6. | Микроконтроллер Attiny2313, разъем внутрисхемного программирования и перемычки для подключения выводов сегмента десятичной точки индикатора |
| Рисунок 7. | Вид нижней стороны печатной платы |
Малогабаритный частотомер – цифровая шкала с ЖКИ дисплеем до 200 МГц
Читать все новости ➔
Краткие технические характеристики: Габариты 65х35х20 мм Напряжение питания 7-15 В Ток потребления 40 мА Входное напряжение 50мВ-5В Время измерения 0.5 сек Диапазоны измерения: 1 МГц – 200 МГц (точность 1 кГц) 1 МГц – 30 МГц (точность 100 Гц) 1 МГц – 4 МГц (точность 10 Гц) 2 Гц – 1 МГц (точность 2 Гц)
Частотомер имеет небольшие габариты 65х35х20 мм и легко помещается на ладони. Несмотря на это он работает в широком диапазоне частот от 0 до 200 МГц, а также может использоваться как цифровая шкала приемника.
В режиме цифровой шкалы устройство работает с приемниками имеющими ПЧ: 455кГц, 465кГц, 500кГц, 10695кГц, 10700кГц, 21000кГц, 24000кГц. Предусмотрен выбор +ПЧ или -ПЧ. Возможна индивидуальная прошивка под любыедругие ПЧ.
Основу прибора составляет программируемый микроконтроллер AT90S1200-12SI фирмы ATMEL.
Контроллер управляет ЖКИ дисплеем HT-1611 и в зависимости от установленных перемычек работает как частотомер или цифровая шкала. Для питания микросхем применяется стабилизатор напряжения 78L05, что обуславливает нижний предел питающего напряжения не ниже 7В.
Если необходимо уменьшить нижний предел питающего напряжения вплоть до 5В, следует заменить стабилизатор 78L05 на LM2931Z5. Для работы со входа 1 на частотах до 200 МГц используется высокочастотный делитель LB3500 фирмы SANYO, благодаря которому чувствительность в диапазоне 1…200 МГц не хуже 50 mV. При работе на низких частотах (вход 3) 0…
1 МГц используется внутренний компаратор микроконтроллера, что обеспечивает высокую чувствительность и уменьшает габариты платы. Все детали прибора умещаются на плате размером 65х35мм. Микроконтроллер устанавливается со стороны печатных дорожек. ЖКИ дисплей впаивается в плату со стороны деталей.
При этом высота прибора вместе с индикатором не превышает 20 мм. Описание режимов работы: Для работы со “Вх1” устанавливается перемычка Пр1. Для работы со “Вх2” устанавливается перемычка Пр2. Для выбора диапазона измерения используются контактные площадки (КП) 1 и 2, которые замыкаются на землю или оставляются свободными: 1 МГц…
Для выбора ПЧ при работе в режиме цифровой шкалы используются КП 3,4,5,6, которые замыкаются на землю или оставляются свободными в зависимости от выбора нужной ПЧ приемника.
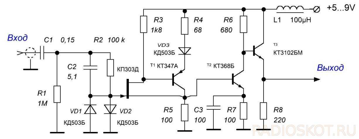
Схема входной цепи
Большое значение при измерениях частоты имеет качество входного каскада — формирователя сигнала. Он должен иметь высокое входное сопротивление чтобы не оказывать влияния на измеряемую цепь и преобразовывать сигналы любой формы в последовательность прямоугольных импульсов. В данной конструкции применена схема согласующего каскада с полевым транзистором на входе:

Эта схема частотомера, конечно, не лучшая из возможных, но всё-таки обеспечивает более-менее приемлемые характеристики. Она была выбрана в основном исходя из общих габаритов конструкции, которая получилась очень компактная. Вся схема собрана в пластиковом корпусе-футляре от зубной щётки:

Микросхемы и прочие элементы запаяны на узкой полоске макетной платы и все соединения сделаны с помощью проводов типа МГТФ. При настройке входного каскада-формирователя сигнала следует подбором сопротивлений R3 и R4 добиться установления напряжения 0,1. 0,2 вольт на истоке полевого транзистора. Транзисторы здесь можно заменить на аналогичные, достаточно высокочастотные.
ТЕХНИЧЕСКИЕ ХАРАКТЕРИСТИКИ PLJ-6LED
| Основные характеристики частотомера | |
| Диапазон частот | 0,1 — 65 МГц |
| Ручной режим диапазон частот | настройка значения промежуточной частоты 0 — 99,9999 МГц шаг 100 Гц |
| Точность | 10 Гц |
| Чувствительность | > 60 мВпп |
| Время теста | 0,10 с |
| Микроконтроллер, центральный чип | PIC16F648A |
| Опорный генератор | управляемый напряжением кварцевый генератор 13000 МГц (VC-TCXO) со стабильностью частоты ± 2.5 ppm |
| Автоматическое сохранение настроек | есть |
| Разъёмы |
DC IN (питание): HX2.54-2P socket RF IN (вход сигнала): HX2.54-2P socket ICSP (интерфейс программирования): 2.54-6P Pin |
| Общие характеристики | |
| Дисплей | LED, 0,56″, 6-ти символьный с подсветкой красного цвета |
| Питание | DC 8 — 15 В (с защитой от перефазировки) |
| Рабочий ток | 90 мА |
| Температура хранения | -30 — +60 °C |
| Рабочая температура | 0 — +40 °C |
| Габариты | 91 х 28 х 20 мм |
| Вес прибора | 46 г |
| Комплектация | частотомер PLJ-6LED – 1 шт |
Схема
Исходная схема прибора была доработана следующим образом (схема кликабельна):
- Добавлен альтернативный входной формирователь (блок Analog-1), схема найдена на просторах интернета (к сожалению, не смог определить первоисточник).
Имеет вход для проверки кварцевых резонаторов (работает с кварцами от 1МГц до 40МГц). Исходный входной формирователь тоже сохранён (блок Analog-2) и
разведён на печатной плате, но распаять можно только один из этих формирователей. - Переменный резистор выбора режимов заменён на более долговечный энкодер
- Питается прибор от USB. На вход добавлены LC-фильтр помех и предохранитель
- RS232 и преобразователь MAX232 из схемы убраны, вместо них добавлен разъём для подключения преобразователя USB-UART для связи с ПК (если
захочется управлять прибором с ПК) - Вольтметр 0..5В из исходной схемы также убран, т.к., учитывая обилие дешёвых китайских мультиметров, смысла в нём не видится никакого.
Аналоговый входной сигнал поступает на усилитель, а затем на формирователь на основе триггер Шмитта 74HCT132. Далее, этот сигнал подаётся на вход
микроконтроллера непосредственно, либо через делитель на 16, выполненный на 74HCT93. Делитель этот управляется сигналом от пина PC5: высокий уровень на
пине отключает предделитель, низкий уровень, соответственно, включает деление на 16.
Микроконтроллер подключён по типовой схеме и тактируется от кварцевого резонатора 16 МГц. Кстати, о кварце — его качество (точность, термостабильность)
целиком определяет точность прибора. Т.е., возникает проблема добычи эталонного кварца (ну или точное измерение его частоты с последующим введением
поправки в вычислении). Но об этом чуть позже..
Я не стал разводить на плате разъём ISP-программатора, т.к. микросхема всё равно стоит на панели, а для обновления прошивки можно использовать
загрузчик. Неиспользуемые выводы микроконтроллера разведены так, что в будущем к ним можно было что-нибудь подключить. Например, джампер для
активации того же bootloader-а. Или термодатчик, чтобы в будущем учитывать температурное изменение частоты кварцевого резонатора. Или ещё что-нибудь.
Все выводы от miniUSB-разъёма также разведены на плате. Это сделано для того, чтобы можно было легко установить USB-UART-преобразователь внутри
прибора (если он будет нужен).
Точность прибора
Основным фактором, влияющим на точность частотомера является точность используемого кварцевого резонатора. Т.е., имеем проблему добывания где-то
эталонного кварца. При производстве кварцы разделяются на группы по отклонению их частоты от заявленной. Разумеется, стоимость у резонаторов
с минимальным отклонением будет намного выше, чем у остальных. Все точные кварцы будут использованы в критичном оборудовании, менее точные — в менее
критичном оборудовании, а весь оставшийся «мусор» с максимальным отклонением частоты будет распродан где-нибудь на Алиэкспрессе по 50 рублей за ведро.
Кроме точности частоты, не меньшее значение имеет её термостабильность. Если температура в помещении в течение года может изменятсья в диапазоне
около 15°С, то и частота резонатора может значительно «уплывать».
Для достижения максимально высокой точности измерения потребуется либо точный кварц на 16 МГц, либо другой поверенный частотомер, которым
можно будет измерить реальную частоту используемого кварца и сделать на это поправку (в коде прошивки, либо вручную пересчитывать результат
измерений).
Но как быть, если нет ни первого, ни второго? Тут мне видится такое решение: вместо эталонного источника частоты можно использовать системные часы
компьютера. Если часы синхронизируются по протоколу NTP, а в версии 4 этот протокол способен обеспечить точность до 10 мс (1/100 с) при работе через
Интернет (и до 0.2 мс и лучше внутри локальных сетей). Имея такой точный источник времени, можно написать прошивку, реализующие часы для частотомера.
Если запустить такие часы на длительное время, то погрешность их хода будет накапливаться, и рано или поздно достигнет легко измеряемой величины.
Тогда не составит труда вычислить погрешность кварца по погрешности хода часов, что позволит либо попробовать отобрать кварц с частотой,
максимальной близкой к 16МГц, либо скомпилировать прошивку для измеренной частоты кварца. Подробнее об этом тут
Излишки печатных плат есть в магазине сайта.
Частотомер 100 МГц с PIC16F628A — ЖК-дисплей
В этом проекте показано, как создать очень простой, но очень полезный инструмент, который должен быть в лаборатории каждого энтузиаста-любителя: частотомер с частотой более 100 МГц.
Схема довольно проста и понятна, в ней используется микроконтроллер PIC16F628A для измерения частоты и высокоскоростной компаратор для усиления и преобразования сигнала.
Микроконтроллер использует свой внутренний генератор 4 МГц для тактирования ЦП. Timer1 использует внешний кварцевый резонатор (кварцевый кварц) с частотой 32768 Гц для установки 1-секундной базы времени.
Timer0 используется для подсчета входного сигнала на контакте RA4.
Максимальная частота Timer0 составляет 1/4 тактовой частоты ЦП, что составляет 1 МГц, но имеется внутренний предварительный делитель, который можно установить в диапазоне от 1 до 256. Теоретически это может позволить входному сигналу работать на частоте до 256 МГц. С другой стороны, в таблице данных 16F628A есть требование, чтобы входной импульс на RA4 имел минимальную ширину 10 нс, что соответствует частоте 100 МГц. Таким образом, максимальная частота может быть между 100 МГц и 256 МГц. Я проверил с двумя разными PIC16F628A, и они легко преодолели барьер в 200 МГц.
Для достижения максимально возможного разрешения входной сигнал исследуется в течение 0,125 секунды, и соответственно вычисляется значение предварительного делителя. Таким образом, когда входная частота ниже 1 МГц, разрешение будет равно 1 Гц.
Важнейшей частью для точности частотомера является схема установки временной развертки – кварцевый резонатор Х1 и конденсаторы С4 и С5. Значения C4 и C5 могут быть между 33 пФ и 62 пФ, и с их помощью можно точно настроить частоту кварца.
Вход схемы проходит через высокоскоростной компаратор. Для переключения с частотой 100+ МГц компаратор должен иметь задержку распространения ниже 5 нс. В этой схеме я использовал Texas Instruments TLV3501 с задержкой 4,5 нс. Это был самый дешевый высокоскоростной компаратор, который мне удалось найти (2,5 евро).
Два входа компаратора настроены примерно на 1/2 напряжения питания с разницей между ними 15-25 мВ, поэтому любой сигнал переменного тока с более высоким напряжением начнет переключать компаратор.
Если входной сигнал отсутствует, выходной сигнал компаратора остается низким. Если мы подключаем источник сигнала к положительному входу, когда сигнал превышает +20 мВ, компаратор переключается на высокий уровень (5 В), когда сигнал становится ниже +20 мВ, компаратор переключается обратно на 0 В. Таким образом, какой бы сигнал мы ни подавали на вход, на выходе будет прямоугольная волна 0–5 В с той же частотой, что и исходный сигнал.
Выход компаратора подается непосредственно на вывод RA4 микроконтроллера.
Вход защищен резистором 1кОм и двумя диодами, ограничивающими напряжение до ±0,7В. Входное сопротивление для низких частот равно R1 – 47кОм. Для диапазона УКВ, возможно, стоит заменить его значением 50 Ом.
Схема может питаться от батареи 9В или любого другого постоянного напряжения от 7В до 15-20В. Микросхема LM78L05 или LM2931-5.0 используется для регулирования напряжения до 5В. Имеется простая схема мягкого включения/выключения с двойным транзистором P- и N-MOS. Когда кнопка нажата, транзистор P-MOS включается, и микроконтроллер получает питание, и его первая инструкция — установить высокий уровень RB4, который включает транзистор N-MOS, и питание остается включенным. При повторном нажатии кнопки RB5 переходит в низкий уровень, а микроконтроллер устанавливает низкий уровень на RB4 и таким образом отключает питание. Микроконтроллер также автоматически отключает питание через определенное время (3 минуты 40 секунд).
Схема имеет довольно низкое энергопотребление – при отсутствии входного сигнала ток питания составляет 7-8 мА и достигает 20 мА при входном сигнале 200+МГц. Если дисплей слишком темный, подсветку можно отрегулировать, уменьшив сопротивление резистора R9. Это, конечно, увеличит потребление тока.
Программа для микроконтроллера написана на C и скомпилирована с помощью MikroC для PIC
Технические описания в формате PDF:
- AP2530GY: http://www.a-power.com.tw/files/AP_ProductData/PD_File/AP2530GY-HF.pdf
- TLV3501: http://www.ti.com/lit/gpn/tlv3501





























