↑ О расположении и соединении

Из-за того, что имеющийся корпус был не очень большого размера, пришлось рисовать все платы заново, чтобы хоть на пару сантиметров сделать их компактнее. Размещение плат в корпусе получилось очень плотным, но к счастью все вместилось. Все – это плата предусилителя, регулятора тембра, сдвоенная плата блока управления и индикации, USB звуковая карта, трансформатор блока питания и плата выпрямителей-стабилизаторов, и две маленькие платы селектора входов и регулятора громкости и ВЧ.

Все общие провода соединил в одной точке, на плате регулятора громкости и высоких частот. Это избавило от пугающей меня проблемы гула и фона, которые возможны при неправильно разведенной земле.

Опять же из-за стесненных условий, плату управления и индикации пришлось сделать составной, состоящей из одной большой и одной маленькой платы. Соединяются они между собой через штырьковый разъем.

Все платы крепил к шасси корпуса через вот такие пластиковые изолирующие проставки. Это позволило полностью изолировать платы от контакта, как с металлическим корпусом, так и друг от друга, в местах, где этого не нужно.

Проблема
У большинства дешёвых микрофонов чувствительность по умолчанию недостаточна для того, чтобы вас отчётливо слышали. Приходится кричать, но на постоянной основе так делать нельзя, оранье — занятие утомительное и вредное.
Внимательно изучив вопрос, я пришёл к выводу, что в ситуации виноваты производители, чрезмерно упрощающие конструкцию устройства. Отдав свои кровно заработанные 100-500 рублей, покупатель по сути получает модуль (капсюль) электретного микрофона без какой-либо электронной «обвязки».
Электретный микрофон и стандартный штекер 3,5 мм jack. Такая конструкция не позволяет микрофону быть чувствительным, но записать звук можно
Всякие гибкие ножки, прищепки — это опциональная мишура. Формально такие микрофоны работают, но их чувствительность и качество записи невысоки (слышен шум). Ничто не мешает добавить в схему несколько электронных компонентов, улучшив способность микрофона улавливать тихие звуки.
Типичный представитель электретных микрофонов
Здесь и дальше пойдёт речь об электретных микрофонах, как самых доступных на рынке. И, частично, конденсаторных. Не динамических!
Также я не рассматриваю вопрос покупки отдельной звуковой карты. Это уже было в статье «Как настроить микрофон, записать и обработать звук – инструкция для начинающих».
В динамические микрофоны уже встроен усилитель
Схемы усилителей довольно просты, поэтому умеющие пользоваться паяльником люди переделывают микрофоны и наслаждаются жизнью.
Кстати, даже в дешёвых петличках за 100 рублей ставят неплохие электретные модули. Например, у меня есть микрофончик-прищепка Genius десятилетней давности, работает шикарно. После доработки, разумеется.
Кроме низкой чувствительности, на записях можно услышать негромкое шипение. Его можно подавить фильтрами в аудиоредакторе, но когда помехи слишком сильны, очистка от шума исказит полезную часть записи и голос зазвучит глухо, словно из бочки.
Шум (в 99% случаев это помехи от электромагнитных полей) появляется на нескольких этапах доставки звука:
- В электретном капсюле микрофона.
- В микрофонном предусилителе, если он имеется.
- При передаче сигнала по не экранированному от помех соединительному кабелю.
- В усилителе звуковой карты.
Наиболее больное место — звуковая карта компьютера. Замена на более качественную и/или вынос за пределы корпуса компьютера может избавить от шума, но не у всех есть деньги на подобный апгрейд.
Чаще всего пользователь остаётся один на один с дешёвым микрофоном, воткнутом в фоняще-шипящую звуковую карту, распаянную на материнской плате компьютера. Можно попытаться сделать звук громче программно.
Лучшие модели предусилителей для микрофона
Количество производителей мирового уровня, занимающихся выпуском предусилителей, исчисляется десятками. Некоторые марки стали особенно популярными благодаря хорошему сочетанию цены, качества и функциональности.
Бюджетные
Недорогие преампы позволяют подключить 1-2 акустических устройства и рассчитаны на стандартный частотный диапазон. Используются для записи музыки в домашних условиях.
Преамп Yamaha WXC-50 имеет следующие достоинства:
Сохранение настроек удобно для быстрого переключения.
- компактные размеры;
- поддержку алгоритма Compressed Music Enhancer для качественного воспроизведения музыки с мобильных устройств;
- пульт ДУ;
- широкий частотный диапазон – от 10 до 8000 Гц;
- возможность быстро переключаться между несколькими вариантами настройки, сохраняемыми в памяти;
- технологию передачи аудиосигнала MusicCast;
- специальное мобильное приложение для управления предусилителем со смартфона или планшета;
- уровень выходного сигнала – 2 В.
Технология MusicCast позволяет:
- использовать подключенные устройства совместно и обособленно;
- транслировать музыкальные файлы по беспроводной связи.
Прибор Emotiva PT-100 отличается следующими преимуществами:
- большим количеством цифровых и аналоговых входов;
- качественным фонокорректором виниловых пластинок (позволяет применять картриджи с подвижным магнитом или катушкой);
- высокочувствительным FM-тюнером с памятью на 50 предустановок;
- пультом ДУ;
- ударопрочным корпусом;
- низким уровнем искажений;
- широкой полосой пропускания.
Модель подойдет любителям слушать дома музыку на разных устройствах.
Преамп Dynavox TPR-3 привлекает покупателей следующими особенностями:
Вместе с моделью рекомендуется приобрести усилитель.
- компактностью;
- низким энергопотреблением;
- малым коэффициентом искажений;
- чистотой аудиопотока (соотношение сигнала и шума – 70 дБ);
- расширенным диапазоном частот – от 20 до 50 000 Гц;
- 5 аналоговыми входами;
- присутствием в схеме 2 ламп 6N3;
- высоким качеством обработки сигнала (фонокорректор помещен в отдельную секцию, защищенную от помех).
Средней ценовой категории
Наиболее востребованная группа, что объясняется выгодным сочетанием цены и качества. Хорошим спросом пользуется модель M-Audio Octane. Ее достоинства:
- функция аналого-цифрового конвертирования;
- 8 каналов;
- цифровой оптический интерфейс формата ADAT;
- работа каналов в микрофонном и инструментальном режимах.
Рекомендуется использовать совместно с Audio/MIDI интерфейсом M-Audio FireWire 18/14.
Модель Art Pro MPA II привлекает покупателя следующими особенностями:
Использовать устройство возможно с различными микрофонами.
- отключаемым фантомным питанием +48 В на каждом из микрофонных входов;
- регулируемым входным сопротивлением (настройка под микрофон любого типа);
- естественным теплым звучанием;
- большими стрелочными индикаторами с подсветкой.
Дорогие
Профессиональные аппараты с хорошим набором функций и расширенным частотным диапазоном рассчитаны на подключение большого количества устройств. Популярный представитель – модель Audio Research LS28. Ее достоинства:
- много входных и выходных разъемов линейного и балансного типа;
- возможность подключения внешнего инфракрасного сенсора;
- поддержка интерфейса RS-232;
- понятное меню, простая настройка;
- частотный диапазон – от 0,4 до 200 000 Гц;
- коэффициент гармоник – 0,007%;
- дисплей, отображающий параметры работы устройства.
Доступен большой набор функций, среди них:
- переключение фазы;
- переименование входов;
- автоматическое отключение питания.
Модель PrimaLuna EVO 300 Preamplifier пользователи ценят за следующие качества:
Предусилитель удобен в применении.
- хорошую чувствительность;
- увеличенное входное сопротивление;
- высокое качество стереозвучания (каналы не зависят друг от друга);
- 5 входных разъемов типа RCA;
- частотный диапазон от 12 до 75 000 Гц;
- отношение сигнала к шуму составляет 93 дБ;
- выбор входного сигнала осуществляется при помощи герметизированного реле, блокирующего помехи;
- малое число проводов.
Предусилитель Rotel RC-1590 пригодится обладателю большого числа устройств. Его достоинства:
- множество входов;
- Bluetooth-адаптер;
MM-фонокорректор;
- разъемы Ethernet и RS-232;
- частотный диапазон от 10 до 100 000 Гц;
- коэффициент гармоник – 0,004%;
- раздельные стабилизаторы с фильтрами на фольговых конденсаторах;
- 2 тороидальных трансформатора в блоке питания.
Прибор предъявляет высокие требования к качеству электроснабжения.
↑ О схеме и деталях

Схему выбирал долго, очень долго! Путь к этому предварительному усилителю начинался с использования в качестве ПУ с регулятором тембра специализированных микросхем вроде LM1036 или TDA1524, но меня от этого греха благополучно отговорили местные форумчане. Далее была схема, взятая с какого-то иностранно сайта на трех ОУ типа TL072 с регулировкой ВЧ и НЧ. Даже вытравил ПП и собрал, и слушал некоторое время этот пред, но не легла душа к нему.
Потом обратил внимание на схему знаменитого предусилителя Солнцева, и уже во время поиска информации по ПУ Солнцева наткнулся на схему, напоминающую солнцевскую в связке с пассивным РТ Матюшкина. Это была схема высококачественного ПУ от WASO на Паяльнике
Это было как раз то, что мне надо!

Немного упростив схему предусилителя и, доработав ее под себя, получил вот такой результат. Переход на одноэтажное питание и удаление «лишних» деталей позволило несколько упростить разводку платы, сделать ее односторонней и главное немного уменьшить размеры ПП. В схеме ничего существенного не менял, что могло бы ухудшить качество звука, только убрал ненужные мне функции обхода регулятора тембра, баланса и блок тонкомпенсации.

В схему регулятора тембра
ничего своего не вносил, но все равно понадобилось разводить плату заново, т.к. не нашел в интернете готовую одностороннюю печатку нужного мне размера. Коммутация режимов темброблока сделана на отечественных реле РЭС-47.

Для того, чтобы сделать нужное мне управление регулятором тембра и предусилителем на несколько дней погрузился в теорию принципов работы счетчиков и триггеров отечественных микросхем. Для предусилителя выбрал корпус от спутникового ресивера, отжившего свое, в котором имелось довольно большое окошко, и его нужно было заполнить чем-то красивым и полезным. Так вот, захотелось мне сделать так, чтобы была визуальная информация о режимах регулятора тембра, и лучше, если это будут не светодиоды, а привычные глазу и мозгу цифры. В результате нарисовалась такая схема из трех МС.

К561ЛЕ5 задает импульсы, которые поступают на входы К174ИЕ4 и К561ИЕ9А. Счетчик на ИЕ9 управляет 4-мя ключами, переключающими реле на РТ Матюшкина. Одновременно с этим счетчик на ИЕ4 меняет показания на семисегментном индикаторе АЛС335Б1, указывая, в каком режиме находится регулятор тембра в данный момент. Цифра «0» соответствует режиму с минимальным уровнем низких частот, цифра «3» – максимальным. Еще один простой электронный переключатель выполнен на МС К155ТМ2. Одна половина микросхемы управляет релюшкой, переключающей режимы индикатора уровня сигнала, вторая половина отвечает за реле селектора входов. Ну, и типовая схема индикатора уровня сигнала на МС LM3915 отдельно для каждого канала.Блок питания
сделан на базе трансформатора ТП-30, разумеется с перемотанной под нужные напряжения вторичной обмоткой.

Все напряжения стабилизированные: +/- 15В — на LM317 / LM337 для питания платы предусилителя +9В на 7805 для питания реле и блока управления +5В опять же на LM317 для питания USB звуковой карты
Выбор микрофонного предусилителя
Как выбрать микрофонный предусилитель и на что обратить внимание в первую очередь?
Начнем с того, что главным критерием является, конечно же, звук
Но существует еще несколько факторов, на которые стоит обратить внимание при выборе устройства
Количество входов.
Чем больше каналов, тем больше микрофонов вы можете записывать одновременно. Здесь все элементарно.
Фильтр низких частот
Существуют такие микрофонные предусилители в которых предусмотрен специальный фильтр, задача которого обрезать часоты ниже 20-200 Hz. Эта функция позволяет отсечь всевозможные низкочастотные помехи.
Микрофонный предусилитель с фантомным питанием
Фантомное питание есть практически на всех устройствах данного типа, но не лишним будет убедиться в этом. Фантомное питание необходимо для работы конденсаторных микрофонов.
Интегрированный лимитер/компрессор
В некоторых случаях вариант микрофонного предусилителя со встроенным лимитером для сжатия динамического диапазона будет полезен. Например в случае когда с предусилителя сигнал подается на вход аудиокарты. Лимитер поможет избежать ненужных перегрузок. Но чаще всего вы просто переплачиваете за эти дополнительные интегрированные устройства.
Индикаторы уровня
Если индикатор перегруза это обязательная составляющая предусилителя, то индикатор уровня нет. Вещь очень полезная и нужная.
Переключатель фазы
Когда вы пишите с нескольких микрофонов, то такой переключатель будет очень полезен для решения фазовых проблем.
Микрофонный предусилитель с эквалайзером
На некоторых моделях мы также можем найти интегрированный эквалайзер. Его задача посылать на вход звуковой карты уже скорректированный по частотам сигнал. Опция достаточно сомнительная, но за нее вы переплачиваете. Подумайте, нужна ли она вам?
Микрофонный усилитель на одном транзисторе
![]()
Схема на полевом транзисторе обладает низким уровнем собственных шумов и обеспечивает коэффициент усиления порядка 20 дБ.Для этого потребовалось увеличить напряжение питания до 9 В, поэтому усилитель питается от батарейки типа «Крона» или от источника внешнего питания. При повторении данной схемы нужно помнить, что полевые полупроводниковые приборы боятся статического электричества, поэтому пайку транзистора нужно выполнять заземлённым паяльником и использовать антистатический браслет. Выводы транзистора перед пайкой нужно соединить между собой, обмотав их тонкой медной проволокой. Схемы микрофонных устройств на транзисторах имеют различные технические решения. Они бывают с несколькими каскадами, с автоматической регулировкой усиления и шумоподавлением.
![]()
В первом случае через резисторы R4 иR1 на электретный микрофон подаётся напряжение питания необходимое для его работы. Переменный сигнал в частоты с электродинамического прибора подаётся через конденсатор С3 на базу транзистора. Усилитель для динамического микрофона собирается на одном транзисторе обратной проводимости.
![]()
Транзистор ВС547 заменяется на КТ3102Е. Правильно собранная схема начинает работать сразу и не требует регулировки. Схема микрофонного усилителя на одном транзисторе не всегда может обеспечить требуемые параметры, поэтому на практике часто применяются схемы имеющие большее число каскадов.
![]()
К усилителю микрофона подключается электродинамический микрофон, но схема может быть доработана и для электретного устройства. Для этого электролитический конденсатор С2 меняется на обычный ёмкостью 4,7 мкФ, а в точку его соединения с микро подаётся питающее напряжение через резистор 2-3 кОм. Коэффициент усиления устройства достигает 200 в полосе частот от 40 Гц до 20 кГц. Применение транзисторов разной структуры позволило исключить переходной конденсатор между каскадами. Он обычно вносит заметные искажения в схемы усиления низкой частоты.
ГЛАВА 4. ПОЛЬЗОВАТЕЛЬСКАЯ ИНФРАСТРУКТУРА.
Вся музыкальная коллекция, а также фильмы хранятся на небольшом домашнем сервере, в виде старенького Lenovo Thinkpad X61, с установленной Debian Stretch. Сервер с 3Тб дискового пространства используется как файловое хранилище (с доступом со всех устройств по NFS), торентокачалка, UPNP сервер, Nextcloud и Timemachine для маков.
И Raspberry Pi, и Android TV box подключены к общей домашней сети по Ethernet, c доступом файлов по NFS (Kodi на тв-боксе).
Для Raspberry Pi использовал разные дистрибутивы (Volumio, Runeaudio, Moodeaudio), и голый Raspbian с установленным MPD сервером, но окончательно остановился на дистрибутиве Moodeaudio (www.moodeaudio.org). Данный дистрибутив мне показался наиболее стабильным, активно развивающимся, и сразу со многими рабочими бонусами «из коробки».
Для удаленного воспроизведения на Raspberry Pi можно использовать следующие схемы:
— управление воспроизведением музыкальной коллекции с сервера через web-интерфейс Moodeaudio:

— управление воспроизведением музыкальной коллекции с сервера через Android приложение MPDriod
— использование Raspberry Pi как UPNP рендерера как из приложения J.River Media Center (которое я использую как основное, наиболее адекватное приложение для Macos, для управления музыкальной коллекцией и синхронизации с устройствами хранения для музыки в авто):
так и через Android приложение BubbleUPNP. Это приложение также иногда использую для удаленного доступа к музыкальной коллекции на домашнем сервере.
В качестве UPNP сервера использую MinimServer на Debian.
Также очень люблю приложение Cantata, для доступа к MPD серверу на Moodeaudio, c подгружаемыми обложками, своими плейлистами. Оно есть под разные платформы, также активно развивается автором:

Ну и самое простое — использование Raspberry Pi как Airplay ресивер, и отправлять поток с Macos и IOS устройств напрямую. Периодически пользуемся данной функцией.

Очень короткое видео использования аппарата:
Детали
Микросхему LM4558 можно заменить любой ИМС — два ОУ общего применения или сделать схему на двух ИМС по одному ОУ в каждой.
Начинающим
Микрофонный усилитель. (017)
Рассмотрим конструкцию высококачественного микрофонного усилителя. Усилитель собран на операционном усилителе ВА4558 (разные производители выпускают микросхему с различными буквенными обозначениями, суть не меняется). Настоящий микрофонный усилитель рассчитан для контроля звуковой обстановки в помещениях, на улице, как дополнение к системе видеонаблюдения, охраны и безопасности. Схема отличается высокой чувствительностью, низким уровнем шумов операционного усилителя, обеспечивает качественный звук на мониторах, записывающих устройствах, головных телефонах, имеет низкое потребление тока замер показал ток около 2мА), работоспособен при снижении напряжения питания до 4,5 вольт. При повторении схемы с целью минимизации габаритов устройства, можно заменить микрофонный капсюль на другой с минимальными размерами (около 3мм), не использовать панельку, применив данный тип микросхемы в CMD исполнении, заменить электролитические конденсаторы на неполярные многослойные. Акустическая дальность — до 7 метров, длина соединительной линии от усилителя до потребителя сигнала (наушники, монитор, записывающее устройство) — до 300 метров. Питание от источника постоянного тока напряжением 5 — 12 вольт. Если вместо электретного микрофона будет применяться студийный (динамический) микрофон, резистор питания электретного микрофона R1 из схемы необходимо исключить. Учитывая, что микросхема содержит в своём составе два одинаковых усилителя, второй усилитель (выводы 5,6,7) можно задействовать для второго канала или использовать как предварительный усилитель для первого канала. Если вместо динамического микрофона подключить к входу усилителя катушку,
намотанную на ферритовом стержне и содержащую около 3000 витков тонкого (0,08 — 0,12мм) медного провода типа ПЭЛ, ПЭВ, то усилитель превратится в радиоприёмник сверхнизкого диапазона радиоволн, излучаемых динамиками телефонов, телевизоров, телефонными проводами. При невозможности подключиться к усилителю проводной линией, можно доработать усилитель радиоудлинителем, собранном на одном транзисторе VT1, представляющим собой маломощный ВЧ генератор, работающий в радиовещательном диапазоне 88 — 108Мгц. Подстроечный конденсатор С6 позволяет изменять частоту генератора, настраиваясь на свободные от вещания частоты. Также можно изменять частоту растягивая/сжимая витки бескаркасной катушки L1, намотанной медным проводом диаметром 0,4 — 0,7мм на оправке 3 — 4мм (например на хвостовике сверла) и содержащей 6 витков. Если схему доработать высокочастотным усилителем на любом ВЧ транзисторе (например КТ361, на схеме показано синим цветом и в комплект не входит), то дальность связи может достигать 1 км, но это может пойти в разрез с существующим законодательством. Антенной служит отрезок медного монтажного провода 50 — 80 см. Антенну можно изготовить из медного жёсткого провода сечением 0,7 — 1мм, свёрнутым в спираль.
Настройку радиомикрофона производить на включенный на свободной частоте и расположенный рядом радиоприёмник диапазона 88 — 108МГц.
Предусилитель для микрофона, он же предварительный усилитель или усилитель для микрофона — это такой вид усилителя, назначение которого — усиление слабого сигнала до величины линейного уровня (порядка 0,5-1,5 вольт), то есть до приемлемой величины, при которой работают обычные усилители звуковой мощности.
Входным источником акустических сигналов для предварительного усилителя обычно являются звукосниматели виниловых пластинок, микрофоны, звукосниматели различных музыкальных инструментов. Ниже приводится три схемы микрофонных усилителей на транзисторах, а так же вариант усилителя микрофона на микросхеме 4558. Все их без труда можно собрать своими руками.
Классификация микрофонных предусилителей
Устройства классифицируются по нескольким признакам. 4 из них считаются основными.
По форм-фактору
По форм-фактору преампы делятся на:
- встроенные – в виде схемы в составе микрофона или микшерного пульта;
- внешние – самостоятельные приборы.

По характеру влияния на сигнал
Различают 2 вида:
- прозрачные;
- окрашивающие.
Первые транслируют сигнал без примесей.
Вторые меняют звучание, делая его теплым, насыщенным и бархатистым.
По схеме
Применяют следующие виды схем:
- ламповую;
- транзисторную;
- гибридную;
- моделирующую.
Гибридная схема содержит компоненты 2 первых типов.
Моделирующая – построена на транзисторах, но включает в себя цифровой преобразователь. Он придает сигналу объемности и теплых оттенков, имитируя эффекты ламповой схемы.
По наличию трансформатора
Данный элемент тоже окрашивает аудиосигнал, придает ему насыщенности. У бестрансформаторных преампов звук чистый и плоский, особенно у транзисторных.
Предусилитель для микрофона. Подборка схем
Предусилитель для микрофона, он же предварительный усилитель или усилитель для микрофона – это такой вид усилителя, назначение которого – усиление слабого сигнала до величины линейного уровня (порядка 0,5-1,5 вольт), то есть до приемлемой величины, при которой работают обычные усилители звуковой мощности.
https://youtube.com/watch?v=1wCBtg27cMs
Входным источником акустических сигналов для предварительного усилителя обычно являются звукосниматели виниловых пластинок, микрофоны, звукосниматели различных музыкальных инструментов. Ниже приводится три схемы микрофонных усилителей на транзисторах, а так же вариант усилителя микрофона на микросхеме 4558. Все их без труда можно собрать своими руками.
Схема простого микрофонного предусилителя на одном транзисторе
Данная схема микрофонного предусилителя работает как с динамическим, так и с электретными микрофонами.
При использовании электретного микрофона, для смещения напряжения на микрофоне, необходимо установить сопротивление R1
микрофонный усилитель на одном транзисторе
Поскольку эта схема микрофонного усилителя для динамического микрофона, то при использовании электродинамического микрофона его сопротивление должно быть в диапазоне от 200 до 600 Ом. При этом конденсатор C1 необходимо поставить до 10 мкф. Если это будет электролитический конденсатор, то его плюсовой вывод необходимо подключить в сторону транзистора.
Питание осуществляется от батареи крона или же от стабилизированного источника питания. Хотя лучше от батареи, чтобы исключить шумы. Биполярный транзистор BC547 можно заменить на отечественный КТ3102.
Конденсаторы электролитические на напряжение 16 вольт. Для предотвращения помех, подключать предусилитель к источнику сигнала и к входу усилителя необходимо экранированным проводом.
Если необходимо дальнейшее мощное усиление звука, то можно собрать усилитель на микросхеме TDA2030.
Микрофонный предварительный усилитель на 2-х транзисторах
Структура построения любого предусилителя очень сильно влияет на его шумовые характеристики.
Если брать во внимание тот факт, что используемые в схеме предусилителя качественные радиодетали все равно в той или иной мере приводят к искажениям (шумам), то очевидно, что единственный выход получить более-менее качественный микрофонный усилитель – это сократить число радиокомпонентов схемы. Примером может послужить следующая схема двухкаскадного предварительного усилителя на транзисторах
С данном варианте количество разделительных конденсаторов сведено к минимуму, поскольку транзисторы включены по схеме с общим эмиттером. Так же между каскадами существует непосредственная связь. Для стабилизации режима работы схемы, при изменении внешней температуры и напряжения питания, в схему добавлена ООС по постоянному току.
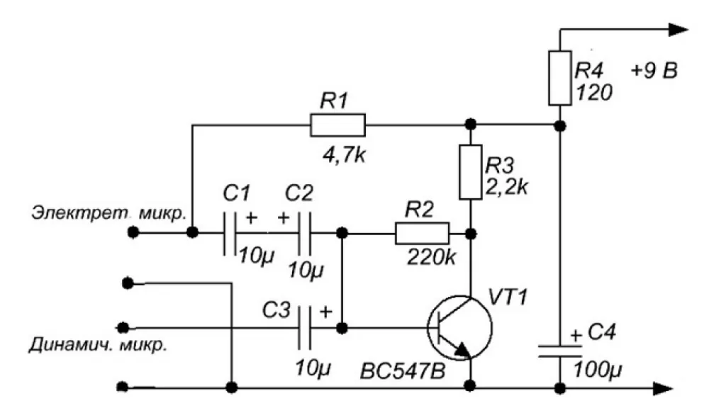
Предусилитель для электретного микрофона на трех транзисторах
Это еще один вариант микрофонного усилителя для электретного микрофона. Особенность данной схемы усилителя для микрофона в том, что подача питания на схему предусилителя осуществляется по тому же проводнику (фантомное питание) по которому идет входной сигнал.
Данный микрофонный предусилитель предназначен для совместной работы с электретным микрофоном, например, МКЭ-3. Напряжение питания на микрофон идет через сопротивление R1. Аудио сигнал с выхода микрофона поступает на базу VT1 через конденсатор С1.
Делителем напряжения, состоящим из сопротивлений R2, R3 создается необходимое смещение на базе VT1 (примерно 0,6 В).
Возле разъема на выходе, установлены дополнительно два элемента: нагрузочное сопротивление R6, через которое идет питание, и разделительный конденсатор СЗ, отделяющий выходной аудио сигнал от напряжения питания.
Микросхема 4558- характеристики
Скачать datasheet 4558 (140,5 Kb, скачано: 1 112)
предусилитель микрофона на 4558
Это хороший вариант для постройки микрофонного предусилителя на микросхеме. Схема предусилителя для микрофона отличается высоким качеством усиления, простотой и не требует большой обвязки. Этот микрофонный усилитель для динамического микрофона также хорошо работает и с электретными микрофонами.
При безошибочной сборке, схема не требует настройки и начинает работать сразу. Наибольший ток потребления – 9 мА, а в состоянии покоя потребляемый ток в районе 3 мА.





























